CD4050 IC는 6 개의 비 반전 버퍼를 특징으로하는 널리 사용되는 헥스 버퍼 칩입니다.신호 재생 및 전압 레벨 변환과 같은 응용 프로그램에 적합합니다.이 기사는 그 기능, 작업 원칙, 핀 구성 및 응용 프로그램을 간단하고 독자 친화적 인 방식으로 다룹니다.

그만큼 CD4050 IC는 신호를 통과하지 못하는 6 개의 비 반전 버퍼가있는 16 진 버퍼 칩이며, 전압 레벨 변환 및 신호 재생에 이상적입니다.한 번에 최대 2 개의 TTL 또는 DTL 장치를 구동하여 전력 소비가 적은 신뢰할 수있는 성능을 제공 할 수 있습니다.높은 싱크 전류 기능은 여러 부하를 효율적으로 처리하여 디지털 회로를위한 다양한 선택입니다.
이 섹션에서는 작동 전압, 현재 소비 및 성능 메트릭을 포함하여 CD4050 IC의 주요 하이라이트 및 사양을 제공합니다.
| 매개 변수 | 사양 |
| 작동 전압 | 3V -15V DC |
| 현재 소비 (최대) | 50ma |
| 싱크 현재 기능 | 2 TTL 하중을 구동하기위한 높은 싱크 전류 |
| 최대 저수준 출력 전압 | 5V VCC에서 0.5V |
| 최소 고급 출력 전압 | 5V VCC에서 4.95V |

| 핀 번호 | 핀 유형 | 설명/방향 |
| 1 | VCC | 양수 입력 공급 |
| 2 | G | 비 반전 출력 1 |
| 3 | 에이 | 입력 1 |
| 4 | 시간 | 비 반전 출력 2 |
| 5 | 비 | 입력 2 |
| 6 | 나 | 비 반전 출력 3 |
| 7 | 기음 | 입력 3 |
| 8 | VSS | 부정적인 공급 |
| 9 | 디 | 입력 4 |
| 10 | J. | 비 반전 출력 4 |
| 11 | 이자형 | 입력 5 |
| 12 | 케이 | 비 반전 출력 5 |
| 13 | NC | 연결 없음 |
| 14 | 에프 | 입력 6 |
| 15 | 엘 | 비 반전 출력 6 |
| 16 | NC | 연결 없음 |
CD4050 IC는 논리 상태를 변경하지 않고 입력 신호를 그대로 유지하는 비 반전 버퍼로 설계되었습니다.신호를 뒤집는 인버터와 달리 비 반전 버퍼는 출력이 입력과 일치하도록합니다.주요 목적은 신호를 강화하여 출력에서 명확한 높거나 낮은 것을 전달하는 것입니다.

IC 내의 각 버퍼에는 단일 입력과 단일 출력이 있습니다.출력은 항상 입력과 동일하므로 신호 무결성을 보존 해야하는 응용 분야에 적합합니다.이 버퍼는 또한 약간의 전파 지연을 도입 할 수 있으며, 이는 특정 회로 설계에 유용 할 수 있습니다.
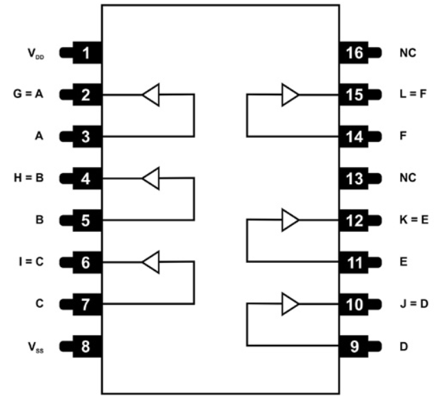
CD4050 IC의 내부 구조에는 6 개의 비 반전 버퍼가 포함되어 있으며 각각의 특정 입력 및 출력 핀에 연결되어 있습니다.아래 이미지는 이러한 버퍼가 IC 내에 배열되는 방법을 보여주고 해당 핀에 대한 연결을 보여줍니다.예를 들어, 신호가 입력 A (핀 3)에 적용되면 출력은 G (핀 2)에서 동일합니다.유사하게, 입력 B는 출력 h, 입력 C에 출력 i 등에 해당합니다.

이 일관된 동작은 IC가 논리 상태에 대한 변경없이 출력에 대한 입력 신호를 안정적으로 반영하도록합니다.
아래 표는 IC의 진실 테이블을 강조하여 출력이 항상 입력과 일치한다는 것을 확인합니다.입력이 높든 낮는지 여부에 관계없이 출력은 동일한 상태를 반영하여 원활한 신호 무결성을 보장합니다.
| 입력 신호 (a, b, c, d, e, f) | 출력 신호 (G, H, I, J, K, L) |
| 높은 | 높은 |
| 낮은 | 낮은 |
• SOIC
• PDIP
• CDIP
CD4050 IC는 고전압 수준에서 낮은 전압 레벨에서 신호를 안전하게 조정하는 데 사용되므로 다른 전압에서 작동하는 회로 간의 호환성이 가능합니다.
이 IC는 HEX 변환기 역할을하여 DTL과 TTL 로직 패밀리 사이에 부드러운 인터페이스를 허용하여 여러 신호를 쉽게 처리합니다.
CD4050은 전류 싱크 또는 소스 역할을하여 안정적인 전류 흐름이 CMOS 시스템에서 여러 부하를 효과적으로 구동 할 수 있도록합니다.
아래에 표시된 비 반전 IC의 2D 모델에는 밀리미터와 인치의 치수가 포함됩니다.이 정보는 맞춤형 발자국을 만드는 데 도움이되며 PCB 디자인 및 CAD 모델링에 사용하는 데 이상적입니다.

문의를 보내 주시면 즉시 응답하겠습니다.
12월20일에서
12월20일에서
4월18일에서 147757
4월18일에서 111931
4월18일에서 111349
4월18일에서 83719
1월1일에서 79508
1월1일에서 66884
1월1일에서 63010
1월1일에서 62979
1월1일에서 54081
1월1일에서 52108