
그만큼 TJA1050 CAN 프로토콜 컨트롤러와 실제 버스 간의 링크 역할을하여 데이터가 이러한 지점에서 원활하게 움직일 수있는 방법을 만듭니다.고속 환경에서 신뢰할 수있는 솔루션으로 빠르고 일관된 데이터 전송이 필요한 시스템에 적합합니다.설계는 전자기 방출을 최소화하므로 시스템의 다른 부분에서 간섭을 방지하는 데 도움이됩니다.이 기능은 특히 다른 구성 요소가 밀접하게 포장되는 네트워크에서 특히 가치가 있으며 배출량을 줄이면 이러한 부품이 혼란없이 작동 할 수 있습니다.
노드에 힘이없는 경우 TJA1050은 안정성을 유지하여 전체 네트워크가 영향을받지 않도록합니다.이전 트랜시버와 달리이 모델은 대기 모드를 건너 뜁니다. 시스템의 일부가 때때로 나머지 네트워크에 영향을 미치지 않으면 서 전원 다운 상태로 들어갈 수있는 부분적으로 전원 전원 네트워크에 이상적입니다.이 기능은 시스템이 종종 중단되지 않은 연결이 필요한 자동차 또는 산업 환경에서 특히 도움이됩니다.

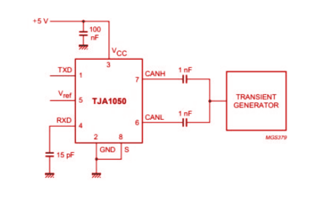
| 상징 | 핀 | 설명 |
| TXD | 1 | 데이터 입력 전송;CAN 컨트롤러에서 버스 라인 드라이버로의 데이터를 읽습니다. |
| Gnd | 2 | 지면 |
| VCC | 3 | 공급 전압 |
| RXD | 4 | 데이터 출력 수신;버스 라인에서 CAN 컨트롤러로의 데이터를 읽습니다. |
| vref | 5 | 참조 전압 출력 |
| 캔 | 6 | 저수준 캔 버스 라인 |
| canh | 7 | 높은 수준의 캔 버스 라인 |
| 에스 | 8 | 고속 모드 또는 자동 모드의 입력을 선택하십시오 |



TJA1050은 최대 1 MBAud에 도달하는 빠른 데이터 전송을 가능하게하므로 빠르고 신뢰할 수있는 커뮤니케이션이 우선 순위가 높은 고속 네트워크를 처리 할 수 있습니다.이 기능은 자동차 및 산업 네트워크와 같은 연속적이고 고성능 데이터 교환이 필요한 설정에 특히 유용합니다.
TJA1050은 ISO 11898 표준을 충족하여 다른 CAN 기반 시스템과의 호환성을 보장합니다.이 규정 준수는 호환성 문제없이 다양한 네트워크에 통합 할 수 있으므로 다양한 프로젝트에 대한 다양한 선택이 될 수 있습니다.
전자기 방출 설계가 낮은 TJA1050은 인근 전자 장치와의 간섭 위험을 줄이는 데 도움이됩니다.이 기능을 통해 트랜시버는 자동차 또는 산업 환경과 같이 장치가 밀접하게 간격을 두는 환경에서도 효과적으로 작동 할 수 있습니다.
TJA1050의 광범위한 공통 모드 범위는 전자기 간섭에 대한 면역력을 향상시켜 전자기 소음이 높은 환경에서 안정적인 성능을 유지하는 데 도움이됩니다.이 안정성은 데이터 전송이 외부 교란의 영향을받지 않도록하는 데 필수적입니다.
TJA1050의 고유 한 이점 중 하나는 일부 노드가 힘이 없어도 CAN 버스를 안정적으로 유지하는 능력입니다.이 기능은 네트워크의 일부가 때때로 전원을 공급할 수있는 응용 분야에서 가치가 있으며, 나머지 시스템은 중단없이 작동 할 수 있습니다.
지배적 상태가 너무 오래 유지되면 TXD 우세한 타임 아웃 기능은 전송 오류를 자동으로 중지하여 전송 오류를 방지합니다.이 기능은 의도하지 않은 간섭 또는 신호 중단으로부터 네트워크를 보호하여 전반적인 네트워크 안정성을 지원합니다.
Silent Mode 기능을 사용하면 송신기를 비활성화하여 TJA1050이 모니터링 또는 진단에 이상적입니다.이를 통해 장치는 신호를 보내지 않고 네트워크 활동을 관찰 할 수 있으며, 이는 지속적인 데이터 트래픽을 방해하지 않아야하는 시스템에서 도움이됩니다.
TJA1050에는 자동차 과도에 대한 내장 보호 기능이 포함되어있어 갑작스런 전압 스파이크로부터 보호됩니다.이 내구성은 트랜시버가 다양한 전기 시스템으로 인해 전압 변동이 일반적 인 차량에서 안정적으로 작동 할 수 있도록합니다.
3.3V 및 5V 장치와 호환되는 TJA1050은 다양한 시스템에서 잘 작동하여 전압 호환성 문제없이 트랜시버를 프로젝트에 설계하고 통합하는 데 유연합니다.
TJA1050에는 열 보호 및 단락 탄력성이 장착되어 있으며 과열 및 배터리 또는 접지에 대한 우발적 인 연결로부터 보호합니다.이러한 기능은 장치의 내구성을 향상시켜 안전 및 성능 요구가 높은 응용 분야에서 안정적인 선택입니다.
최대 110 개의 노드를 지원하면 TJA1050은 네트워크 내의 많은 장치를 연결하여 대형 시스템에 적합합니다.이 용량은 네트워크에 과부하하지 않고 수많은 장치가 효과적으로 통신 해야하는 응용 분야에서 유리합니다.
TJA1050의 블록 다이어그램은이 구성 요소가 데이터 흐름을 관리하는 방식을 시각적으로 나타냅니다.트랜시버가 데이터 신호를 보내고 수신하는 방법을 보여주고 Canh (고급)와 캔 (저수준) 라인 사이의 균형 잡힌 출력을 유지합니다.이 균형은 전자기 간섭을 제어하는 데 핵심이며, 장치가 높은 데이터 속도를 쉽게 처리 할 수 있습니다.블록 다이어그램의 각 섹션은 데이터가 처리 및 전송되는 방법을 보여 주므로 장치의 전체 작동을 이해하는 데 도움이됩니다.
ISO 11898을 포함하여 CAN 표준을 준수하면서 최대 1MBAud의 유연성, 최대 1MBAud의 처리 속도를 처리하여 설계되었습니다.이 접근법을 사용하면 TJA1050이 다양한 응용 프로그램에 완벽하게 적응하여 고속 데이터 통신 환경에서 장치의 기능과 안정성을 보여줍니다.



NXP USA Inc. TJA1050T/N, 118의 기술 사양, 속성, 매개 변수 및 비슷한 부분.
| 유형 | 매개 변수 |
| 장착 유형 | 표면 마운트 |
| 패키지 / 케이스 | 8- SOIC (0.154, 3.90mm 너비) |
| 표면 마운트 | 예 |
| 작동 온도 | -40 ° C ~ 150 ° C |
| 포장 | 테이프 & 릴 (TR) |
| 게시 | 2002 |
| JESD-609 코드 | E0 |
| 부품 상태 | 쓸모없는 |
| 수분 감도 수준 (MSL) | 1 (무제한) |
| 종료 수 | 8 |
| 유형 | 트랜시버 |
| HTS 코드 | 8542.39.00.01 |
| 전압 - 공급 | 4.75V ~ 5.25V |
| 터미널 위치 | 이중 |
| 터미널 형태 | 갈매기 날개 |
| 피크 리플 로우 온도 (셀) | 지정되지 않았습니다 |
| 기능 수 | 1 |
| 공급 전압 | 5V |
| 터미널 피치 | 1.27mm |
| Time@Peak Reflow 온도 용량 (S) | 지정되지 않았습니다 |
| 기본 부품 번호 | TJA1050 |
| 핀 수 | 8 |
| JESD-30 코드 | R-PDSO-G8 |
| 자격 상태 | 자격이 없습니다 |
| 전원 공급 장치 | 5V |
| 전류-대변을 공급하십시오 | 0.075MA |
| 데이터 속도 | 1000Mbps |
| 규약 | canbus |
| 드라이버/수신기 수 | 1/1 |
| 이중 | 반 |
| 수신기 히스테리시스 | 70MV |
| 트랜시버 수 | 1 |
| 길이 | 4.9mm |
| 높이 좌석 (최대) | 1.75mm |
| 너비 | 3.9mm |
| ROHS 상태 | ROHS3 준수 |
TJA1050 및 MCP2551은 모두 CAN 프로토콜 컨트롤러와 실제 CAN 버스 사이의 인터페이스 역할을하지만 고유 한 기능이 있습니다.TJA1050은 고속 캔 네트워크 용으로 설계되었으며 컨트롤러와 버스 사이의 차동 전송 및 수신을 지원합니다.나머지 시스템에 영향을 미치지 않고 노드가 전원으로 전원을 공급할 수있는 네트워크에 적합합니다.반면에 MCP2551은 또한 고속 캔을 지원하지만 결함 공차로 알려져있어 EMI 및 ESD와 같은 외부 소스로 인한 고전압 스파이크로부터 컨트롤러를 보호합니다.이 기능은 버스에 추가 안정성 층, 특히 전기 노이즈가 발생하기 쉬운 환경에서 제공됩니다.
버스 전압 레벨은 라인에 따라 다릅니다.Canh (High) 라인에서, 전압은 일반적으로 유휴 상태 일 때 일반적으로 2.5 ~ 3.5 볼트 사이에 있으며, 일반적으로 작동 중에 약 2.7 ~ 3.3 볼트입니다.캔 (낮은) 라인에서, 전압은 일반적으로 유휴 상태 일 때 1.5 ~ 2.5 볼트이며, 달리기 조건에서는 1.7 ~ 2.3 볼트입니다.이 레벨은 CAN 버스에서 신뢰할 수있는 데이터 전송에 필요한 명확한 차동 신호를 유지하는 데 도움이됩니다.
TJA1050은 4.75V ~ 5.25V의 공급 전압 범위 내에서 작동합니다.길이가 22.0mm, 폭 11.5mm, 높이 3.3mm 인 소형 모듈이며 무게는 약 0.8 ~ 1.0 그램입니다.TJA1050은 최대 110 개의 노드를 지원할 수 있으므로 여러 장치가 원활하게 통신 해야하는 더 큰 캔 네트워크에 적합합니다.
Raspberry Pi에는 내장 CAN 버스 인터페이스가 제공되지 않지만 GPIO 핀에 SPI 버스가 포함되어 있으며 많은 CAN 컨트롤러가 널리 지원합니다.SPI 버스는 4 가지 연결을 사용합니다. Mosi (Mas.
MCP2515 CAN 모듈은 TJA1050 트랜시버와 결합하여 SPI 인터페이스를 통해 통신 할 수 있습니다.이 모듈은 v2.0b 표준을 충족하며 최대 1Mbps의 데이터 속도를 지원합니다.5V DC 전원 공급 장치에서 작동하며 신호 안정성을 위해 120Ω 종결 저항이있는 8MHz 크리스탈 발진기를 갖습니다.Arduino와 같은 마이크로 컨트롤러에서 SPI 인터페이스에 연결 함으로써이 모듈은 CAN 버스 장치를 완벽하게 제어 할 수 있으므로 장거리 데이터 전송 및 신호 방사선 방지의 응용 프로그램을 가능하게합니다.
문의를 보내 주시면 즉시 응답하겠습니다.
10월29일에서
10월29일에서
4월18일에서 147757
4월18일에서 111937
4월18일에서 111349
4월18일에서 83721
1월1일에서 79508
1월1일에서 66913
1월1일에서 63053
1월1일에서 63012
1월1일에서 54081
1월1일에서 52130