
그만큼 LT1085 출력 전류 용량 3A를 사용하여 효율적인 성능을 위해 설계된 신뢰할 수 있고 조정 가능한 저하 선형 전압 조절기입니다.조정 가능한 출력 전압은 2.55V에서 30V에서 30V까지 광범위한 입력 범위에 걸쳐 있으며 다양한 응용 분야에서 유연성이 가능합니다.LT1085는 220 개, DD 및 3 리드 플라스틱 TO-220의 세 가지 패키지 옵션의 다양성으로 다양한 설치 요구에 적합합니다.이 레귤레이터의 설계는 사용자 친화적 인 조정 성과 고성능을 결합하여 까다로운 환경에서 안정적인 전압 출력을 제공하는 데 인기있는 선택입니다.

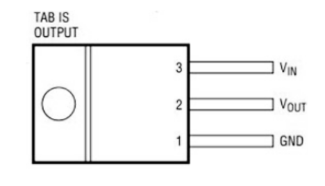
| 핀 번호 | 핀 이름 | 설명 |
| 1 | adj/gnd | 출력 버전을 조정하기위한 조정 가능한 핀.고정 유형 버전의 접지 |
| 2 | 산출 | 출력 전압 핀 |
| 3 | 입력 | 입력 전압 핀 |

아날로그 장치, Inc.의 기술 사양, 속성, 매개 변수 및 비슷한 부분.
| 유형 | 매개 변수 |
| 패키지 / 케이스 | 티 |
| 핀 수 | 3 |
| 포장 | 대부분 |
| 최대 작동 온도 | 150 ° C |
| 최소 작동 온도 | -40 ° C |
| 출력 수 | 1 |
| 극성 | 긍정적인 |
| 운영 공급 전류 | 5MA |
| 전력 소산 | 30W |
| 현재 - 출력 | 3A |
| 최대 출력 전압 | 28.5V |
| 전압 - 출력 | 28.5V |
| 규제 기관의 수 | 1 |
| 최소 입력 전압 | 2.55V |
| 최대 입력 전압 | 30V |
| 드롭 아웃 전압 | 1.3V |
| 최소 출력 전압 | 1.25V |
| 전원 공급 장치 거부 비율 (PSRR) | 75dB |
| 최소 전류 제한 | 3.2A |
| 방사선 경화 | 아니요 |
| ROHS 상태 | ROHS 준수 |
| 무료로 리드 | 리드를 포함합니다 |

LT1085 전압 조절기는 간단한 3 기자 설계를 특징으로하므로 입력, 출력 및 조정에 쉽게 연결할 수 있습니다.이 설정은 안정적인 연결을 보장하고 설치 및 구성을 빠르고 사용자 친화적으로 만듭니다.
조정 가능한 버전을 사용할 수 있으면 출력 전압을 특정 요구 사항으로 설정하는 유연성이 있습니다.조정 핀에 연결된 저항을 간단히 변경하면 출력 전압을 미세 조정하여 다양한 응용 분야 및 전압 요구 사항에 적응할 수 있습니다.
LT1085 레귤레이터는 3A의 인상적인 출력 전류를 제공합니다.이 용량은 꾸준한 전류 공급을 요구하는 응용 프로그램에 적합하여 프로젝트가 안정성을 손상시키지 않고 필요한 신뢰할 수있는 성능을 제공합니다.
LT1085의 눈에 띄는 기능 중 하나는 1V의 낮은 드롭 아웃 전압으로 작동하는 기능입니다.이를 통해 입력 전압이 출력 전압에 가깝더라도 효율적인 전압 조절이 가능하므로 전력 효율이 우선 순위 인 응용 분야에 적합합니다.
이 레귤레이터는 다른 전류 레벨에 걸쳐 보장 된 드롭 아웃 전압을 제공합니다.이러한 일관성은 다양한 현재 요구에 관계없이 신뢰할 수있는 성능을 제공하여 부하 변화를 경험하는 응용 분야에서 마음의 평화를 제공합니다.
LT1085는 0.015%의 라인 조절을 제공하여 입력 전압의 변화에도 불구하고 안정적인 출력을 유지합니다.이 기능은 회로가 변동으로부터 보호하고 출력을 일관성있게 유지하는 데 도움이되며, 이는 민감한 응용 분야에서 가치가 있습니다.
부하 조절이 0.1%로이 조절기는 출력 부하의 변화를 효과적으로 관리합니다.이는 다양한 하중이 있더라도 LT1085는 안정적인 전압 출력을 유지하여 다른 작동 조건에서 회로를 안정적으로 지원할 수 있음을 의미합니다.
모든 LT1085는 완전한 열 제한 기능 테스트를 거쳐 열산을 효과적으로 처리 할 수 있도록합니다.열 제한에 대한 이러한 관심은 레귤레이터의 내구성을 향상시켜 장기 신뢰성과 성능에 대한 확신을줍니다.
LT1085는 3.3V, 3.6V, 5V 및 12V와 같은 다중 출력 전압 옵션으로 다양한 전력 요구에 적응하여 다양한 애플리케이션에 적합합니다.
• AZ1084
• LT1084
• NX1117
• AP2112K
• AMS1117
• MIC5225
• LT1086
LT1085 전압 조절기는 몇 가지 외부 구성 요소가 필요한 설정에 간단합니다.예를 들어, 조정 가능한 모델로 작업하는 경우 조정 핀에 연결된 저항 값을 변경하여 조절 된 출력 전압을 미세 조정할 수 있습니다.따라서 많은 설정에 적응할 수 있으므로 특정 전압 요구 사항과 일치 할 수있는 유연성을 제공합니다.AZ1084와 유사한 핀 레이아웃을 사용하면 LT1085로의 전환은 유사한 조절기에 익숙한 사람들에게 원활 할 수 있습니다.일단 설치되면 LT1085는 최소한의 소란으로 안정적이고 효율적인 전압 조절을 제공하므로 신뢰할 수있는 성능을 찾는 신규 및 노련한 사용자 모두에게 도움이됩니다.

| 부품 번호 | lt1085it | LT1086CT-3.6#PBF | LT1086IT-5#PBF | LT1086IT#36PBF |
| 제조업체 | 아날로그 장치, Inc. | 선형 기술 / 아날로그 장치 | 아날로그 장치, Inc. | 선형 기술 / 아날로그 장치 |
| 패키지 / 케이스 | 티 | TO-220-3 | TO-220-3 형성 된 리드 | 티 |
| 핀 수 | 3 | 3 | 3 | 3 |
| 출력 수 | 1 | 1 | - | 1 |
| 최소 입력 전압 | 2.55 v | 2.55 v | 2.55 v | 2.55 v |
| 최대 입력 전압 | 30 v | 25 v | - | 25 v |
| 최소 출력 전압 | 1.25 v | 1.25 v | - | 1.25 v |
| 최대 출력 전압 | 28.5 v | - | 23.5 v | - |
| 드롭 아웃 전압 | 1.3 v | 1.3 v | 1.3 v | 1.3 v |
| 비교보기 | LT1085IT 대 LT1086CT-3.6#PBF | LT1085IT 대 LT1086IT-5#PBF | LT1085IT 대 LT1086IT#36PBF |

아날로그 장치는 아날로그, 혼합 신호 및 디지털 신호 처리를 전문으로하는 고성능 통합 회로 설계, 제조 및 판매 분야의 글로벌 리더입니다.1965 년에 설립 된 이후 아날로그 장치는 전자 장비의 신호 처리 문제에 지속적으로 중점을 두었습니다.전 세계 10 만 명 이상의 고객에게 서비스를 제공하는 아날로그 장치의 기술은 온도, 압력, 소리, 조명, 속도 및 모션과 같은 실제 이벤트를 캡처하고 다양한 전자 장치에 전원을 공급하는 전기 신호로 변환하는 데 중요한 역할을합니다.
LT1085는 많은 유사한 장치보다 높은 효율로 3A의 출력 전류를 전달하도록 설계된 양의 조정 가능한 저축 선형 전압 조절기입니다.입력 전압 범위는 2.55V ~ 30V이며 조정 가능한 출력 전압 옵션을 제공합니다.
예, LT1117 및 LT1085는 78 시리즈 3- 터미널 조절기와 유사한 기능을 갖춘 저점 제 3 자 조절기이며 안정적이고 효율적인 전압 조절을 제공합니다.
AZ1084는 LT1085와 동일한 핀 구성을 공유하므로 PIN 호환성이 필요한 경우 쉽게 대안이됩니다.
LT1085는 몇 가지 외부 구성 요소 만 필요하므로 설정 및 구성을 간단하게 만들기 때문에 사용하기가 간단합니다.
문의를 보내 주시면 즉시 응답하겠습니다.
10월29일에서
10월29일에서
4월18일에서 147760
4월18일에서 111967
4월18일에서 111351
4월18일에서 83729
1월1일에서 79516
1월1일에서 66930
1월1일에서 63078
1월1일에서 63023
1월1일에서 54088
1월1일에서 52160