
는 S29GL256N11FFI020 임베디드 전자 시스템의 비휘발성 코드 및 데이터 저장에 사용되는 256Mbit NOR 플래시 메모리 장치입니다.2.7V ~ 3.6V 공급 범위에서 작동하며 8비트 또는 16비트 데이터 액세스를 지원하는 병렬 인터페이스를 통해 통신합니다.메모리는 32M x 8 또는 16M x 16으로 구성되어 컨트롤러 및 프로세서와 유연하게 연결할 수 있습니다.110ns 액세스 시간은 펌웨어 스토리지 및 부팅 메모리 작업에서 안정적인 읽기 성능을 지원합니다.이 장치는 표면 실장 회로 기판과 산업 온도 조건 전반에서 안정적인 작동을 위해 설계된 소형 64볼 FBGA 패키지를 사용합니다.
S29GL256N11FFI020을 찾고 계십니까?현재 재고, 리드타임, 가격을 확인하려면 당사에 문의하세요.

그리드 스타일 볼 레이아웃은 A~H, 1~8로 표시된 8×8 매트릭스에 64개의 솔더 볼을 배열하여 회로 기판에 장착될 때 패키지 아래쪽의 전기 연결 지점을 정의합니다.A0부터 A23까지 레이블이 붙은 주소 라인은 내부 플래시 어레이에 대한 메모리 주소 지정을 지원하기 위해 여러 위치에 걸쳐 나타납니다.데이터 핀 DQ0~DQ15는 장치와 외부 컨트롤러 간에 정보를 전송하는 데 사용되는 병렬 데이터 인터페이스를 제공합니다.CE#, OE#, WE#, RESET#, BYTE# 및 WP#/ACC를 포함한 제어 신호는 메모리 액세스, 장치 선택, 쓰기 작업 및 구성 모드를 관리합니다.전원 연결 VCC, VIO 및 VSS는 장치에 대한 작동 전압 및 접지 기준을 공급합니다.NC로 표시된 여러 위치는 패키지 레이아웃에서 전기적으로 연결되지 않은 상태로 남아 있는 사용되지 않은 볼을 나타냅니다.



이 장치는 전원이 제거될 때 데이터를 유지하는 256Mbit의 NOR 플래시 스토리지를 제공합니다.이 용량을 사용하면 장치가 꺼진 후에도 펌웨어, 구성 코드 및 시스템 데이터가 저장된 상태로 유지됩니다.반복적인 전원 사이클 동안 안정적인 프로그램 저장이 필요한 임베디드 시스템에 적합합니다.
메모리는 16비트 또는 8비트 데이터 전송을 지원하는 병렬 데이터 버스를 통해 통신합니다.이러한 배열을 통해 프로세서와 컨트롤러는 저장된 데이터에 빠르고 직접적으로 액세스할 수 있습니다.병렬 구조는 일관된 타이밍과 외부 로직과의 안정적인 통신을 지원합니다.
메모리는 시스템 구성에 따라 32M x 8 또는 16M x 16으로 액세스할 수 있습니다.이러한 유연성을 통해 설계자는 장치를 다양한 프로세서 데이터 폭에 맞출 수 있습니다.BYTE 제어 신호를 사용하면 데이터 모드 간 전환을 통해 다양한 임베디드 플랫폼을 지원할 수 있습니다.
약 110ns의 일반적인 액세스 시간을 통해 장치는 읽기 요청에 빠르게 응답할 수 있습니다.이 응답 속도는 예측 가능한 메모리 타이밍이 필요한 펌웨어 실행 및 시스템 부팅 작업을 지원합니다.
이 장치는 섭씨 영하 40도부터 영상 105도까지의 온도 범위에서 작동합니다.이 범위를 통해 메모리는 산업 장비 및 실외 전자 시스템과 같이 광범위한 열 변화가 발생하는 환경에서 작동할 수 있습니다.
전체 메모리 배열을 지우는 대신 플래시 메모리 섹터를 개별적으로 지울 수 있습니다.이 설계를 통해 펌웨어 업데이트는 저장된 데이터의 나머지 부분을 보존하면서 선택한 영역만 수정할 수 있습니다.
내부 제어 로직은 프로그래밍 및 삭제 시퀀스를 관리합니다.장치는 이러한 작업에 필요한 타이밍과 내부 전압을 조절하므로 외부 컨트롤러는 명령 명령만 보내면 됩니다.
메모리는 약 13mm x 11mm 크기의 소형 64볼 강화 BGA 레이아웃으로 패키징됩니다.이 패키지는 표면 실장 조립을 지원하며 밀도가 높은 회로 설계에서 보드 공간을 효율적으로 사용할 수 있습니다.
| 제품 속성 | 속성 값 |
| 제조업체 | 스팬션(Cypress Semiconductor) |
| 쓰기 주기 시간 - 단어, 페이지 | 110ns |
| 전압 - 공급 | 2.7V ~ 3.6V |
| 기술 | 플래시 - 아니오 |
| 공급자 장치 패키지 | 64-FBGA(13x11) |
| 시리즈 | GL-N |
| 패키지/케이스 | 64-LBGA |
| 패키지 | 대량 |
| 작동 온도 | -40°C ~ 105°C(타) |
| 장착 유형 | 표면 실장 |
| 메모리 유형 | 비휘발성 |
| 메모리 크기 | 256메가비트 |
| 기억 정리 | 32M×8, 16M×16 |
| 메모리 인터페이스 | 병렬 |
| 메모리 포맷 | 플래시 |
| 기본 제품 번호 | S29GL256 |
| 접속시간 | 110ns |
| RoHS 상태 | ROHS3 준수 |
| 수분 민감도 수준(MSL) | 3(168시간) |
| REACH 상태 | 공급업체가 정의되지 않음 |
| ECCN | 3A991B1A |
| HTSUS | 8542.32.0071 |

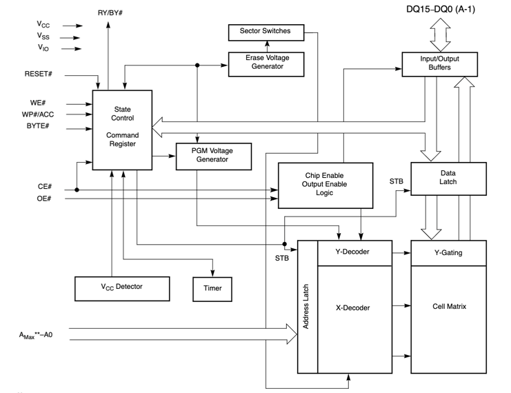
내부 메모리 아키텍처는 읽기, 프로그램 또는 삭제 작업 중에 특정 메모리 위치를 선택하는 행 및 열 디코딩 논리에 연결된 플래시 셀 매트릭스를 중심으로 장치를 구성합니다.주소 신호 Amax부터 A0까지는 주소 래치에 의해 캡처되어 메모리 어레이 내의 액세스를 제어하는 X-디코더 및 Y-디코더로 전달됩니다.데이터는 Y 게이팅 회로, 데이터 래치, 양방향 데이터 흐름을 관리하는 입력 및 출력 버퍼를 통해 어레이와 외부 DQ15–DQ0 라인 사이에서 이동합니다.CE#, OE#, WE#, RESET#, WP#/ACC 및 BYTE#를 포함한 제어 입력은 명령 레지스터 및 상태 제어 블록에 의해 해석되어 장치 작동을 조정합니다.프로그램 및 삭제 전압 생성기는 플래시 셀 쓰기 및 삭제에 필요한 내부 전압을 제공하는 반면, 섹터 스위치는 이러한 전압을 선택된 메모리 영역으로 라우팅합니다.VCC 감지기 및 타이밍 회로와 같은 추가 지원 블록은 전원 상태를 모니터링하고 작동 타이밍을 조절하여 안정적인 메모리 액세스를 유지합니다.

직사각형 장치 기호는 시스템 작동 중 플래시 메모리에서 사용되는 외부 인터페이스 연결을 구성합니다.A23부터 A0까지 표시된 주소 입력은 장치 내부의 특정 메모리 위치를 선택하는 24개의 주소 라인을 제공합니다.DQ15부터 DQ0까지 라벨이 붙은 양방향 데이터 핀은 병렬 데이터 버스를 형성하며 BYTE# 구성에 따라 16비트 또는 8비트 데이터 전송을 지원합니다.CE#, OE# 및 WE#를 포함한 제어 신호는 장치 선택, 출력 활성화 및 쓰기 작업을 관리합니다.RESET#, WP#/ACC 및 BYTE#와 같은 추가 제어 입력은 장치 재설정, 쓰기 방지 및 데이터 폭 구성을 관리합니다.Vio는 입력 및 출력 인터페이스 전압을 공급하는 반면, RY/BY# 신호는 내부 프로그램 또는 삭제 작업이 활성화된 시기를 나타내는 상태 출력을 제공합니다.
임베디드 프로세서에는 부팅 코드와 운영 펌웨어를 저장할 안정적인 위치가 필요한 경우가 많습니다.이 장치는 전원이 공급된 후 시스템이 즉시 명령을 로드할 수 있도록 하는 안정적인 비휘발성 저장소를 제공합니다.
산업용 컨트롤러는 외부 플래시 메모리를 사용하여 제어 프로그램과 구성 데이터를 저장합니다.이 장치는 넓은 온도 범위에서 안정적인 데이터 보존과 예측 가능한 메모리 액세스를 제공하여 이러한 시스템을 지원합니다.
라우터, 스위치 및 통신 모듈에는 부팅 코드와 시스템 구성을 저장하기 위한 메모리가 필요합니다.이 장치는 장치 시작 중에 펌웨어 및 작동 매개변수를 사용 가능한 상태로 유지하는 데 필요한 저장 용량을 제공합니다.
차량 전자 제어 모듈은 플래시 메모리를 사용하여 시스템 펌웨어 및 교정 데이터를 저장하는 경우가 많습니다.이 장치는 차량 환경에서 흔히 발생하는 확장된 온도 조건에서 안정적인 작동을 제공함으로써 이러한 사용을 지원합니다.
미디어 장비 및 가전제품과 같은 디지털 장치는 외부 플래시 메모리를 사용하여 운영 소프트웨어 및 구성 데이터를 보관합니다.메모리를 사용하면 이러한 시스템이 시작 중에 소프트웨어를 빠르게 로드할 수 있습니다.
많은 마이크로 컨트롤러 시스템은 내부 메모리 용량이 제한될 때 부팅 작업을 위해 외부 NOR 플래시를 사용합니다.이 장치는 컨트롤러가 시스템 초기화 중에 프로그램 지침을 로드할 수 있도록 예측 가능한 읽기 타이밍을 제공합니다.


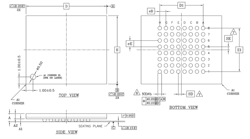
패키지 레이아웃은 장치에 사용되는 64볼 강화 BGA 패키지의 물리적 구조와 장착 형상을 정의합니다.평면도는 보드 조립 중 패키지 방향을 식별하는 데 사용되는 A1 모서리 표시기와 함께 약 13.00mm x 11.00mm 크기의 정사각형 본체 윤곽선을 보여줍니다.하단 보기는 8 x 8 매트릭스로 구성된 64개의 솔더 볼로 구성된 볼 그리드 배열을 나타내며 인쇄 회로 기판의 배치를 안내하기 위해 행과 열에 레이블이 지정되어 있습니다.수평 및 수직 방향의 볼 피치는 약 1.00mm로 지정되는 반면, 개별 솔더 볼의 직경은 대략 0.50mm ~ 0.70mm입니다.측면도는 본체 두께, 솔더 볼 스탠드오프 높이, 납땜 중 장치와 PCB 표면 사이의 적절한 간격을 유지하는 데 사용되는 안착 평면을 포함한 패키지의 수직 구조를 보여줍니다.함께 제공되는 치수 표는 정확한 설치 공간 설계 및 기계적 통합에 사용되는 본체 크기, 볼 간격 및 패키지 높이를 정의하는 수치 공차 및 참조 측정값을 제공합니다.
• 펌웨어 및 코드 저장에 적합한 대용량 256Mbit 저장 용량
• 직접 코드 실행이 가능한 안정적인 NOR 플래시 기술
• 효율적인 시스템 부팅 프로세스를 지원하는 빠른 액세스 시간
• 산업 환경에 적합한 넓은 작동 온도 범위
• 병렬 인터페이스를 통해 안정적이고 예측 가능한 메모리 통신이 가능합니다.
• 비휘발성 메모리는 전원이 차단되어도 데이터를 유지합니다.
• 컴팩트한 FBGA 패키지는 공간이 제한된 PCB 설계를 지원합니다.
• 병렬 메모리 인터페이스에는 직렬 플래시에 비해 더 많은 핀과 보드 라우팅이 필요합니다.
• 일부 최신 직렬 플래시 솔루션에 비해 더 높은 전력 소비
• 소형 SPI 플래시 메모리 장치보다 더 큰 패키지 크기
• 프로그래밍 및 삭제 작업은 RAM 기반 메모리에 비해 느립니다.
| 부품 번호 | 제조업체 | 주요 특징 | 사용 사례/참고 |
| S29GL256N11FFA020 | 스팬션 | 안정적인 비휘발성 데이터 저장을 위해 설계된 GL-N 제품군의 256Mbit 병렬 NOR 플래시 메모리입니다.빠른 무작위 읽기 액세스를 지원하고 일반적인 2.7V~3.6V 공급 범위 내에서 작동합니다.이 장치는 소형 회로 기판에 적합한 196볼 FBGA 패키지를 사용합니다. | 펌웨어 또는 부팅 코드를 신속하게 저장하고 액세스해야 하는 네트워킹 장비, 임베디드 프로세서 및 산업용 컨트롤러에 일반적으로 사용됩니다. |
| S29GL256N11FFA020 | 인피니언 테크놀로지스 | 신뢰할 수 있는 병렬 데이터 액세스가 필요한 시스템을 위해 설계된 고밀도 NOR 플래시 메모리입니다.전원 없이 프로그램 코드 및 구성 데이터를 저장하고 임베디드 펌웨어에 대한 안정적인 읽기 성능을 제공합니다. | 안정적인 펌웨어 저장이 필요한 통신 하드웨어, 산업 자동화 보드 및 임베디드 제어 장치에 사용됩니다. |
| S29GL256N11FFIS40 | 인피니언 테크놀로지스 | 향상된 열 성능을 위해 소형 64핀 VQFN 패키지와 노출형 패드를 갖춘 내장형 펌웨어 스토리지용으로 설계된 병렬 NOR 플래시 메모리입니다.산업 온도 작동 및 안정적인 데이터 보존을 지원합니다. | 안정적인 비휘발성 메모리가 필요한 산업용 전자 제품, 통신 모듈, 제어 시스템 등 밀도가 높은 임베디드 설계에 적합합니다. |
스팬션은 임베디드 시스템과 전자 장비에 사용되는 플래시 메모리 제품을 개발하는 것으로 알려진 반도체 회사였습니다.이 회사는 산업, 자동차, 통신 장치의 코드 저장 및 데이터 보존을 위해 설계된 NOR 및 NAND 플래시 기술에 중점을 두었습니다.제품 포트폴리오에는 펌웨어 저장, 시스템 부팅 코드 및 구성 데이터에 사용되는 병렬 및 직렬 플래시 메모리 장치가 포함되었습니다.Spansion은 나중에 Cypress Semiconductor의 일부가 되어 임베디드 전자 시스템에 사용되는 마이크로 컨트롤러, 메모리 제품 및 연결 구성 요소의 광범위한 포트폴리오 내에서 플래시 메모리 기술을 확장했습니다.
S29GL256N11FFI020은 내장형 전자 장치에 펌웨어 및 시스템 데이터를 저장하는 실용적인 방법을 제공합니다.전원이 꺼진 후에도 정보를 안전하게 유지하는 256Mbit의 NOR 플래시 메모리가 제공됩니다.병렬 인터페이스를 통해 컨트롤러는 예측 가능한 타이밍으로 저장된 데이터에 액세스할 수 있으므로 시스템을 안정적으로 시작할 수 있습니다.소형 FBGA 패키지는 공간 효율적인 회로 기판 레이아웃을 지원합니다.섹터 기반 삭제 기능과 넓은 온도 범위에서 안정적인 작동을 제공하는 이 장치는 다양한 산업 및 임베디드 용도에 적합합니다.신뢰할 수 있는 비휘발성 스토리지가 필요할 때 이 메모리 장치는 일관된 솔루션을 제공합니다.
문의를 보내 주시면 즉시 응답하겠습니다.
전원 없이 데이터를 저장하고 펌웨어 및 부팅 코드에 대한 직접 읽기 액세스를 허용하는 NOR 플래시 메모리 장치입니다.
이 장치는 256Mbit의 메모리 용량을 제공합니다. 데이터 버스 구성에 따라 32M x 8 또는 16M x 16으로 구성됩니다.
DQ0부터 DQ15 데이터 라인까지의 병렬 인터페이스를 사용합니다. 외부 프로세서와의 8비트 또는 16비트 통신이 가능합니다.
이 칩은 인쇄 회로 기판의 표면 실장 어셈블리를 지원하는 64볼 FBGA 형식으로 패키징됩니다.
일반적으로 펌웨어 저장, 시스템 부팅 메모리, 산업용 제어 장비, 네트워킹 장치 및 임베디드 전자 시스템.
3월13일에서
3월10일에서
4월17일에서 147710
4월17일에서 111657
4월17일에서 111314
4월17일에서 83579
1월1일에서 79218
1월1일에서 66746
1월1일에서 62925
1월1일에서 62793
1월1일에서 54020
1월1일에서 51936