
EPF10K30AFC484-1 임베디드 전자 시스템에서 구성 가능한 디지털 로직을 구현하는 데 사용되는 현장 프로그래밍 가능 게이트 어레이입니다.이 장치에는 단일 구성 요소 내에서 맞춤형 디지털 기능을 생성할 수 있는 프로그래밍 가능 논리 요소, 내부 메모리 블록 및 라우팅 리소스가 포함되어 있습니다.내부 구조는 광범위한 전자 장비 전반에 걸쳐 제어 로직, 데이터 처리 및 인터페이스 관리를 지원합니다.이 장치는 4.75V ~ 5.25V 공급 범위에서 작동하며 최대 246개의 프로그래밍 가능한 입력 및 출력 연결을 제공합니다.이 패키지는 소형 시스템 설계의 표면 실장 회로 기판에 적합한 484 볼 미세 피치 BGA 형식을 사용합니다.
EPF10K30AFC484-1을 찾고 계십니까?현재 재고, 리드타임, 가격을 확인하려면 당사에 문의하세요.

패키지 레이아웃은 FLEX 10K 제품군의 장치가 다양한 패키지 크기에 걸쳐 일관된 볼 그리드 구조를 공유하는 방법을 보여줍니다.484핀 FineLine BGA 패키지용으로 설계된 인쇄 회로 기판 설치 공간은 동일한 외부 볼 위치를 유지하여 다양한 I/O 수를 가진 장치를 지원합니다.이 다이어그램은 256핀 FineLine BGA 장치와 484핀 FineLine BGA 장치를 비교합니다. 여기서 더 작은 패키지는 동일한 보드 레이아웃과 정렬을 유지하면서 감소된 활성 연결 수를 사용합니다.이러한 배열을 통해 더 적은 수의 입력 또는 출력 신호 또는 논리 리소스가 필요할 때 더 큰 패키지용으로 설계된 회로 기판이 더 작은 버전의 장치를 수용할 수 있습니다.
이 장치에는 설치 후 디지털 회로를 구성할 수 있는 프로그래밍 가능 논리 구조가 통합되어 있습니다.설계자는 내부 논리 요소 간의 연결을 정의하여 칩 내부에 제어 논리, 신호 라우팅 및 처리 기능을 구현할 수 있습니다.
총 1728개의 논리 요소가 내부 처리 구조를 형성하는 여러 논리 어레이 블록으로 배열됩니다.각 논리 요소는 산술, 조합 논리 또는 저장 작업을 수행할 수 있으므로 장치가 광범위한 디지털 회로 설계를 지원할 수 있습니다.
이 장치에는 전용 어레이 블록으로 구성된 12288비트의 내부 메모리가 포함되어 있습니다.이러한 블록은 임시 버퍼링, 조회 테이블 또는 디지털 시스템에서 사용되는 소형 메모리 기능을 위해 구성할 수 있는 온칩 데이터 스토리지를 제공합니다.
최대 246개의 프로그래밍 가능한 입력 및 출력 연결을 통해 장치는 외부 구성 요소와 통신할 수 있습니다.이러한 연결은 양방향 신호 경로를 지원하며 다양한 디지털 인터페이스 요구 사항에 맞게 구성할 수 있습니다.
신호는 행 및 열 상호 연결 경로로 형성된 라우팅 구조를 사용하여 장치를 통해 이동합니다.이 내부 네트워크는 프로그래밍 가능한 어레이 전체의 논리 블록, 메모리 영역 및 입력 출력 핀 간에 데이터를 배포합니다.
이 장치는 많은 디지털 전자 시스템에 맞는 4.75V ~ 5.25V 공급 범위에서 작동합니다.이 전압 범위는 지속적인 시스템 작동 중에 안정적인 신호 동작을 지원합니다.
상업용 온도 환경에 맞게 설계된 이 장치는 0°C~70°C의 온도 범위에서 작동합니다.이 운영 창은 실내 전자 장비 및 제어된 시스템 환경을 지원합니다.
이 구성 요소는 약 23mm x 23mm 크기의 484 볼 파인 피치 BGA 패키지에 들어 있습니다.이 형식은 다층 인쇄 회로 기판에서 안정적인 전기 연결을 유지하면서 조밀한 회로 레이아웃을 지원합니다.
| 제품 속성 | 속성 값 |
| 제조업체 | 알테라(인텔) |
| 전압 - 공급 | 4.75V ~ 5.25V |
| 총 RAM 비트 | 12288 |
| 공급자 장치 패키지 | 484-FBGA(23x23) |
| 시리즈 | FLEX-10KA® |
| 패키지/케이스 | 484-BBGA |
| 패키지 | 대량 |
| 작동 온도 | 0°C ~ 70°C (타) |
| 논리 요소/셀 수 | 1728년 |
| LAB/CLB 수 | 216 |
| I/O 수 | 246 |
| 게이트 수 | 69000 |
| 장착 유형 | 표면 실장 |
| RoHS 상태 | RoHS 비준수 |
| 수분 민감도 수준(MSL) | 3(168시간) |
| REACH 상태 | REACH 영향을 받지 않음 |
| ECCN | 3A991D |
| HTSUS | 8542.39.0001 |

내부 레이아웃은 디지털 회로를 구축하는 데 사용되는 여러 논리 요소가 포함된 논리 어레이 블록의 그리드 전체에 프로그래밍 가능한 논리를 배열합니다.임베디드 어레이 블록은 어레이 내에 나타나며 장치 작동 중에 데이터를 저장하는 전용 메모리 리소스를 제공합니다.행 및 열 상호 연결로 표시된 수평 및 수직 라우팅 채널은 논리 블록과 메모리 영역을 연결하는 내부 신호 네트워크를 형성합니다.입력 및 출력 요소는 장치의 외부 가장자리 주위에 배치되어 내부 로직과 외부 핀 사이에 전기 인터페이스를 생성합니다.각 로직 어레이 블록 내부의 로컬 상호 연결 경로를 통해 인근 로직 요소가 신호를 신속하게 교환할 수 있으며, 더 큰 라우팅 구조는 전체 프로그래밍 가능 어레이에 신호를 분배합니다.

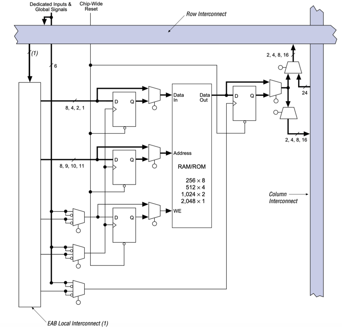
프로그래밍 가능 어레이 내부의 메모리 구조에는 FPGA 패브릭 내에 전용 스토리지를 제공하는 임베디드 어레이 블록이 포함되어 있습니다.이 블록은 256×8, 512×4, 1,024×2, 2,048×1 등 구성 가능한 메모리 크기를 지원하므로 설계에 따라 유연한 데이터 폭과 깊이 배열이 가능합니다.데이터 입력, 데이터 출력, 주소 선택 및 쓰기 활성화 경로는 내부 레지스터 및 제어 멀티플렉서를 통해 메모리 셀을 주변 로직에 연결합니다.로컬 상호 연결 라인은 인근 로직 어레이 블록의 신호를 메모리 인터페이스로 직접 라우팅하는 반면 행 및 열 상호 연결 채널은 블록을 장치 전체의 더 넓은 라우팅 네트워크에 연결합니다.전용 입력 경로와 글로벌 제어 신호는 타이밍과 동기화를 관리하므로 FPGA 내의 프로그래밍 가능한 논리 요소를 통해 저장된 데이터에 액세스할 수 있습니다.
이 장치는 자동화 장비 내에서 디지털 제어 작업을 관리할 수 있습니다.프로그래밍 가능 논리를 통해 시스템 설계자는 산업용 기계 및 생산 시스템 내에서 타이밍 제어, 센서 처리 및 액추에이터 조정을 구현할 수 있습니다.
내장된 논리 리소스와 내부 메모리를 통해 장치는 신호 조작 및 필터링 작업을 지원할 수 있습니다.디지털 작업이 예측 가능한 시간 간격으로 발생해야 하는 샘플링된 데이터 스트림을 처리하는 시스템에서 사용할 수 있습니다.
통신 장비에는 프로토콜 처리 및 신호 라우팅을 관리하기 위해 구성 가능한 논리가 필요한 경우가 많습니다.이 장치는 네트워킹 장비 내의 통신 채널과 디지털 처리 장치 간의 데이터 경로를 조정할 수 있습니다.
전자 측정 시스템은 여러 센서에서 신호를 수집하여 디지털 데이터 스트림으로 변환합니다.이 장치는 모니터링 및 측정에 사용되는 시스템에서 신호 타이밍, 버퍼링 및 인터페이스 제어를 관리할 수 있습니다.
네트워크 인터페이스 장비는 프로그래밍 가능한 논리를 사용하여 패킷 처리 및 내부 신호 조정을 관리합니다.장치는 처리 장치와 외부 통신 인터페이스 간의 데이터 경로를 구성할 수 있습니다.
개발 시스템은 프로그래밍 가능 논리 장치를 사용하여 디지털 회로 설계를 테스트하고 평가하는 경우가 많습니다.이 장치를 사용하면 엔지니어와 개발자는 고정된 하드웨어 구현에 설계를 적용하기 전에 시스템 동작을 확인할 수 있습니다.
• 높은 I/O 핀 수로 복잡한 시스템의 많은 외부 구성 요소와 연결 가능
• 다수의 논리 소자로 정교한 디지털 논리 회로 구현 가능
• 내장형 RAM은 내부 데이터 버퍼링 및 메모리 작동을 지원합니다.
• 프로그래밍 가능 아키텍처를 통해 하드웨어 레이아웃을 수정하지 않고도 설계 변경 가능
• 표면 실장 FBGA 패키지는 소형 회로 기판 통합을 지원합니다.
• 맞춤형 하드웨어 가속 및 병렬 논리 처리에 적합
• 전문적인 FPGA 개발 도구와 하드웨어 설계 지식이 필요합니다.
• 더 작은 프로그래밍 가능 논리 장치에 비해 더 높은 전력 소비
• 최신 FPGA 아키텍처에 비해 효율성이 낮은 구형 FPGA 제품군
• 개발 및 디버깅 프로세스는 초보자에게 복잡할 수 있습니다.
| 부품 번호 | 제조업체 | 주요 특징 | 사용 사례/참고 |
| EPF10K30AFC484-2 | 인텔 | 약 1,728개의 논리 요소와 12,288비트의 내장형 RAM을 갖춘 FLEX-10KA FPGA 제품군에 속합니다.최대 246개의 I/O 핀을 제공하고 5V 공급 범위를 지원합니다.이 장치를 사용하면 설계자는 단일 집적 회로 내에서 프로그래밍 가능한 디지털 논리 기능을 구현할 수 있습니다. | 맞춤형 디지털 처리를 위해 구성 가능한 로직이 필요한 산업 제어 시스템, 통신 하드웨어 및 임베디드 컴퓨팅 플랫폼에 일반적으로 사용됩니다. |
| EPF10K30AFC484-3 | 인텔 | 프로그래밍 가능한 논리 블록, 내부 RAM 리소스 및 높은 핀 수의 인터페이스를 갖춘 FLEX-10KA 아키텍처를 기반으로 하는 FPGA 장치입니다.이를 통해 설계자는 맞춤형 ASIC을 생산하지 않고도 디지털 회로를 구성할 수 있습니다. | 개발 중에 하드웨어 유연성이 요구되는 통신 장비, 신호 처리 보드, 프로토타입 디지털 시스템에 주로 적용됩니다. |
| EPF10K30AFC484-3 | 알테라 | 구성 가능한 논리 셀, 내장형 메모리 블록 및 유연한 라우팅 리소스를 결합한 FLEX-10KA 시리즈의 고밀도 프로그래밍 가능 논리 장치입니다.이 아키텍처는 게이트 용량이 큰 복잡한 디지털 설계를 지원합니다. | 프로그래밍 가능 논리가 고정 하드웨어 회로를 대체하는 통신 시스템, 임베디드 처리 하드웨어 및 맞춤형 디지털 제어 보드에 적합합니다. |
Altera는 디지털 전자 시스템에 사용되는 프로그래밍 가능 논리 장치를 설계하는 것으로 알려진 반도체 회사였습니다.이 회사는 통신, 컴퓨팅, 산업 장비 및 임베디드 플랫폼에 사용되는 광범위한 현장 프로그래밍 가능 게이트 어레이 및 프로그래밍 가능 논리 구성 요소를 개발했습니다.이 제품을 통해 설계자는 제조 후 재구성할 수 있는 맞춤형 디지털 회로를 만들 수 있었습니다.Altera는 전자 설계에 널리 사용되는 MAX, FLEX 및 Stratix 장치를 포함한 여러 프로그래밍 가능 논리 제품군을 출시했습니다.이 회사는 나중에 Intel의 일부가 되었으며, Intel의 프로그래밍 가능 논리 기술은 데이터 처리, 네트워킹 시스템 및 임베디드 디지털 플랫폼용으로 계속 개발되었습니다.
EPF10K30AFC484-1을 이해하면 프로그래밍 가능 논리가 복잡한 디지털 시스템을 어떻게 단순화할 수 있는지 알 수 있습니다.이 장치는 구성 가능한 논리 요소, 내부 메모리 및 유연한 라우팅을 결합하므로 단일 구성 요소 내에 맞춤형 논리 기능을 구축할 수 있습니다.또한 패키지 구조, 장치 아키텍처 및 내장 메모리 블록이 회로 전체에서 안정적인 데이터 이동을 지원하는 방법도 살펴보았습니다.그 응용 분야는 산업 제어, 신호 처리, 통신 장비 및 시스템 프로토타이핑에 걸쳐 있습니다.기능과 설계 구조를 검토하면 이 FPGA가 어떻게 적응 가능하고 효율적인 전자 시스템 개발을 지원할 수 있는지 더 명확하게 이해할 수 있습니다.
문의를 보내 주시면 즉시 응답하겠습니다.
EPF10K30AFC484-1은 필드 프로그래밍 가능 게이트 어레이입니다. 장치가 설치된 후 구성되는 디지털 논리 회로 시스템.
이 장치는 최대 246개의 프로그래밍 가능한 입력 및 출력을 지원합니다. 외부 구성 요소와 통신할 수 있는 연결 회로.
이 장치는 4.75V ~ 5.25V의 공급 전압 범위 내에서 작동하며 이는 많은 디지털 전자 시스템에 적합합니다.
이 장치에는 12,288비트를 제공하는 내장 메모리 블록이 포함되어 있습니다. 데이터 버퍼링 및 내부 논리 연산 지원을 위한 스토리지입니다.
산업 제어 시스템, 통신에 자주 사용됩니다. 장비, 데이터 수집 하드웨어, 디지털 시스템 프로토타이핑 플랫폼.
3월13일에서
3월13일에서
4월18일에서 147757
4월18일에서 111931
4월18일에서 111349
4월18일에서 83719
1월1일에서 79508
1월1일에서 66888
1월1일에서 63010
1월1일에서 62985
1월1일에서 54081
1월1일에서 52111