
그만큼 1N5822 예외적으로 낮은 전압 전압 강하로 유명한 Schottky 다이오드로, 감소 된 전류 레벨에서 빠른 전환이 필요한 응용 프로그램에 유리한 선택이됩니다.이는 스위치 모드 전원 공급 장치 및 고주파 DC-DC 컨버터의 장점을 제공하며 효율성은 전체 시스템 성능에 영향을 줄 수 있습니다.DO-201AD 패키지에 포함 된이 다이오드는 저전압 인버터, 프리 휠링 애플리케이션, 극성 보호 및 세련된 배터리 충전기와 같은 용도를 포함하여 저전압 및 고주파 작업에 자주 사용됩니다.전환 상태를 쉽게 전환하는 능력은 에너지 손실을 최소화하여 시스템의 의존성을 향상시킵니다.
실제 응용 분야에서 1N5822의 설계는 열 소산을 관리하는 능력이 뛰어나며, 이는 종종 고효율을 요구하는 소형 시스템에서 어려운 과제입니다.이 구성을 통해 다양한 조건에서 신뢰할 수있는 기능을 수행 할 수 있으므로 변화하는 환경에서 꾸준한 성능이 필요한 프로토 타입에 선호되는 선택이됩니다.다이오드의 낮은 전방 전압은 전력 보존을 돕는 데 중요한 역할을하며, 이는 대부분 휴대용 전자 장치에서 에너지를 유지하는 데 유리합니다.
분석적 관점에서, 1N5822는 저전압 시나리오에서 비추는 반면 전체 회로가 낮은 전압 강하의 이점을 활용하는 것이 기본입니다.다이오드의 속성을 시스템의 다른 구성 요소와 신중하게 정렬하면 장치의 성능과 내구성을 크게 향상시킬 수 있습니다.설계 효율성을 더 깊이 탐구하면 최첨단 애플리케이션 에서이 구성 요소의 잠재력을 완전히 활용하기위한 추가 전략을 발견 할 수 있습니다.

|
핀 이름 |
설명 |
|
양극 |
전류는 항상 양극을 통해 들어갑니다 |
|
음극 |
전류는 항상 음극을 통해 나옵니다 |



|
특징 |
설명 |
|
매우 작은 전도 손실 |
전도 중에너지 손실을 줄입니다 |
|
무시할만한 스위칭 손실 |
스위칭 중 손실을 최소화합니다 |
|
매우 빠른 전환 |
빠른 전환을 허용합니다 |
|
낮은 전방 전압 강하 |
더 낮은 전력 손실을 제공합니다 |
|
눈사태 기능이 지정되었습니다 |
고전압 조건을 견딜 수 있습니다 |
|
과전압 보호를위한 가드 링 |
과전압 손상을 방지합니다 |
|
높은 순방향 서지 기능 |
높은 전류 서지를 처리합니다 |
|
고주파 작동 |
고주파 응용 프로그램에 적합합니다 |
|
솔더 딥 275 ° C 최대JESD 22-B106 당 10 초 |
납땜 공정에서 내구성을 보장합니다 |
|
유형 |
매개 변수 |
|
공장 리드 타임 |
6 주 |
|
산 |
구멍을 통해 |
|
장착 유형 |
구멍을 통해 |
|
패키지 / 케이스 |
Do-201ad, 축 방향 |
|
핀 수 |
2 |
|
무게 |
4.535924G |
|
다이오드 요소 재료 |
규소 |
|
요소 수 |
1 |
|
포장 |
테이프 & 박스 (TB) |
|
JESD-609 코드 |
E3 |
|
부품 상태 |
활동적인 |
|
수분 감도 수준 (MSL) |
1 (무제한) |
|
종료 수 |
2 |
|
ECCN 코드 |
귀 99 |
|
터미널 마감 |
무광택 주석 (SN) - 어닐링 |
|
최대 작동 온도 |
150 ° C |
|
최소 작동 온도 |
-65 ° C |
|
응용 프로그램 |
힘 |
|
추가 기능
|
무료 휠링 다이오드 |
|
HTS 코드 |
8541.10.00.80 |
|
정전 용량 |
190pf |
|
전압 - 정격 DC |
40V |
|
터미널 형태 |
철사 |
|
현재 등급 |
3A |
|
기본 부품 번호 |
1N58 |
|
핀 수 |
2 |
|
극성 |
기준 |
|
요소 구성 |
하나의 |
|
속도 |
빠른 복구 =< 500ns, > 200MA (IO) |
|
다이오드 유형 |
Schottky |
|
전류 - 리버스 누출 @ vr |
2MA @ 40V |
|
출력 전류 |
3A |
|
전압 - 전방 (vf) (max) @ if |
525MV @ 3A |
|
케이스 연결 |
외딴 |
|
전류 전류 |
3A |
|
최대 역 누출 전류 |
2MA |
|
작동 온도 - 접합 |
최대 150 ° C |
|
최대 서지 전류 |
80a |
|
전방 전압 |
525MV |
|
최대 역전 전압 (DC) |
40V |
|
평균 정류 전류 |
3A |
|
단계 수 |
1 |
|
피크 역류 |
2MA |
|
최대 반복 리버스 전압 (VRRM) |
40V |
|
피크 비 반복 서지 전류 |
80a |
|
Max Forward Surge Current (IFSM) |
80a |
|
최대 접합 온도 (TJ) |
150 ° C |
|
키 |
5.3mm |
|
길이 |
9.5mm |
|
너비 |
5.3mm |
|
SVHC에 도달하십시오 |
SVHC 없음 |
|
방사선 경화 |
아니요 |
|
ROHS 상태 |
ROHS3 준수 |
|
무료로 리드 |
무료로 리드 |
|
부품 번호 |
설명 |
제조업체 |
|
SR304HA0 다이오드 |
정류기 다이오드 |
대만 반도체 제조 회사 제한 |
|
SR304HB0 다이오드 |
정류기 다이오드 |
대만 반도체 제조 회사 제한 |
|
SR340 다이오드 |
정류기 다이오드 |
Changzhou Starsea Electronics Co Ltd |
|
SR304A0 다이오드 |
3A, 40V, 실리콘, 정류기 다이오드, DO-201AD, ROHS
준수, 플라스틱 패키지 -2 |
대만 반도체 제조 회사 제한 |
|
SR304HX0 다이오드 |
정류기 다이오드 |
대만 반도체 제조 회사 제한 |
|
1N5822_R2_00001 |
정류기 다이오드, Schottky, 1 상, 1 요소, 3A, 40V
(VRRM), 실리콘, DO-201AD |
Panjit 반도체 |
|
1N5822_AY_00001 |
정류기 다이오드, Schottky, 1 상, 1 요소, 3A, 40V
(VRRM), 실리콘, DO-201AD |
Panjit 반도체 |
|
SR304X0G 다이오드 |
정류기 다이오드, Schottky, 1 상, 1 요소, 3A, 40V
(VRRM), 실리콘, DO-201AD, 녹색, 플라스틱 패키지 -2 |
대만 반도체 제조 회사 제한 |
|
1N5822_AY_10001 |
정류기 다이오드, Schottky, 1 상, 1 요소, 3A, 40V
(VRRM), 실리콘, DO-201AD |
Panjit 반도체 |
|
1N5822-T3 |
정류기 다이오드, Schottky, 1 상, 1 요소, 3A, 40V
(VRRM), 실리콘, DO-201AD, 플라스틱 패키지 -2 |
Sangdest Microelectronics (Nanjing) Co Ltd |
현대 전자 프레임 워크에서 1N5822 Schottky Diode는 저전압 및 빠른 스위칭 기능과 같은 특성으로 인해 역동적 인 역할을 수행하여 저전압 및 에너지 절약 작업에 적합성을 형성합니다.이러한 기능은 전력 정류, 전압 클램핑 및 전력 손실 및 열 생성을 최소화하여 보호 회로와 관련된 응용 프로그램에 크게 기여합니다.최소한의 에너지 손실로 높은 전류 밀도를 처리하면 회로 성능에 큰 영향을 줄 수있어 설계 접근 방식에서 신중한 고려 사항을 고려할 수 있습니다.
다음 회로는 1N5822 다이오드의 순방향 바이어스를 보여 주어 3.7V 배터리로 구동되는 LED를 활성화하여 저전압 시나리오에서 그 효과를 보여줍니다.Schottky Diodes는 입력 전압 레벨을 유지하고 다이오드 전체의 에너지 소산을 감소시켜 배터리 수명이 길고 최적의 LED 성능을 촉진하는 데 선호됩니다.Schottky Diodes를 사용할 때 열 관리 및 하중 조건과 같은 수용 요소가 사용됩니다.적절한 열 소산은 적절한 방열판 또는 열 패드를 통해 관리 할 수 있습니다.회로의 요구와 일치하는 현재 등급으로 다이오드를 선택하면 조기 분류를 피하고 안정성을 높일 수 있습니다.이러한 전략을 통합하면 회로 탄력성을 높이고 구성 요소 내구성을 연장시킵니다.

1N5822의 이점을 최대화하려면 정밀도와 사려 깊은 회로 통합이 필요합니다.전원 공급 장치에 가깝게 다이오드를 배치하면 라인 손실이 줄어들어 회로 효율이 향상됩니다.바이어스 조건을 유동적으로 적응시키기위한 피드백 메커니즘을 구성하면 다양한 운영 시나리오에서 성능을 최적화 할 수 있습니다.Schottky Diodes는 스위치 모드 전원 공급 장치 (SMP) 및 고주파 애플리케이션과 같은 빠른 전환 및 낮은 전방 전압을 요구하는 시스템에서 중요한 역할을합니다.
저전압 및 고주파수에서 작동하는 인버터는 전력 손실을 줄이기 위해 효율적인 구성 요소에 크게 의존합니다.1N5822 다이오드는 낮은 전압 감소 및 빠른 복구 기능으로 인해 두드러집니다.이러한 특성은 에너지가 우선 순위 인 휴대용 전자 장치에서 주로 가치있는 에너지 효율과 신뢰성을 크게 향상시킬 수 있습니다.
프리 휠링 회로는 메인 스위치가 열릴 때 대체 전류 경로를 제공하는 것을 목표로합니다.1N5822 다이오드는 여기서 탁월하여 에너지 손실을 완화하고 전압 스파이크를 억제하여 회로 안정성을 보장합니다.1N5822를 사용하면 과도 전압에 대한 더 나은 보호 기능을 제공하고 풍력 터빈 및 기타 재생 가능 에너지 시스템을 생산하면서 장비의 수명을 연장합니다.
DC/DC 변환기는 1N5822의 빠른 스위칭 기능 및 저전력 소실로부터 실질적으로 얻습니다.이 다이오드를 통합하면 효율이 높아지고 전압 조절이 향상됩니다.강력한 성능은 열 축적을 최소화하는 데 도움이됩니다. 현대 전자 장치에서 흔히 볼 수있는 밀도가 높은 회로 보드에 필요한 기능입니다.
신호 감지의 세계에서, 1N5822와 같은 다이오드는 반응성 특성에 대해 소중 해져서 RF 회로에서 약한 신호의 검출 정확도를 향상시킵니다.이는 변동하는 강점으로보다 신뢰할 수있는 신호 수신을 가능하게하여 디지털 커뮤니케이션을 향상시킵니다.
극성 보호는 우발적 인 역 극성 연결로부터 전자 장비를 보호합니다.1N5822 다이오드는 간단하고 효과적인 솔루션을 제공하여 구성 요소 고장 속도가 눈에 띄게 감소합니다.이러한 결과는 강력한 회로 설계를 만드는 데있어 가치를 강조합니다.
RF 애플리케이션은 노이즈 간섭 감소와 신호 선명도 향상을 요구합니다.1N5822 다이오드는 신호 왜곡을 최소화하여 이러한 요구 사항을 지원합니다.이 다이오드를 통합하면 정확한 신호 관리가 사용되는 고 충실도 오디오 및 통신 시스템에서 성능이 향상된다는 점을 이해할 수 있습니다.
빠르게 전환하는 구성 요소가 필요한 논리 회로는 1N5822의 빠른 스위칭 시간의 혜택을받습니다.이 다이오드를 사용하여 회로는 고속 컴퓨팅 및 데이터 처리에서 위험한 응답 시간을 더 빠르게 달성합니다.업계 리더들은 1N5822를 통합하면 컴퓨팅 시스템의 전반적인 속도와 효율성을 향상시킬 수 있다고 제안합니다.
스위치 모드 전원 공급 장치 (SMP)에는 고효율과 신뢰성이 필요합니다.1N5822 다이오드는 작동 중에 에너지 손실을 크게 줄이고 전원 공급 장치 구성 요소의 수명에 활성화되는 열 성능을 향상시킵니다.Diode를 SMP 에너지 효율을 높이고 현대 전력 관리 솔루션에서 역할을 강화하는 데 중요한 것으로 간주 할 수 있습니다.
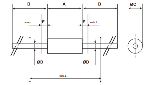
1N5822 패키지 개요

1N5822 기계식 데이터
|
심판 |
치수 |
메모 |
|||
|
밀리미터 |
신장 |
||||
|
최소 |
맥스. |
최소 |
맥스. |
1. 리드 직경 ▲ D는 그렇지 않습니다 지대에 대한 통제 E. 2. 최소 축 방향 길이 직각으로 구부러진 리드가있는 장치가 0.59 "입니다 (15 mm) |
|
|
에이 |
9.50 |
0.374 |
|||
|
비 |
25.40 |
1000 |
|||
|
▲ c |
5.30 |
0.209 |
|||
|
▲ d |
1.30 |
0.051 |
|||
|
이자형 |
1.25 |
0.049 |
|||
Stmicroelectronics는 글로벌 반도체 단계에서 주요 플레이어로 자리 매김했습니다.이 회사는 고급 실리콘 및 시스템 솔루션을 제작하는 뛰어난 능력으로 유명합니다.SOC (System-on-Chip) 기술의 발전을 추진함으로써 현대 전자 제품의 진화에 주목할만한 기여를했습니다.
연구 개발에 대한 헌신을 통해 Stmicroelectronics는 다양한 기능 구성 요소를 단일 칩에 통합하여 시스템 온 칩 설계를 개선했습니다.이 혁신은 향상된 효율성과 비용 절감을 제공 할뿐만 아니라 소비자 전자 및 자동차 시스템에 걸쳐 광범위한 제품에도 영향을 미칩니다.그들이이 경기장에 표시하는 능력은 기술적 경계와 독창성을 높이기위한 헌신을 나타냅니다.
문의를 보내 주시면 즉시 응답하겠습니다.
1N5822 Schottky 다이오드는 0.525V의 대략적인 낮은 전방 전압 강하에 대해 주목되며, 효율적인 전기 흐름을 가능하게하여 순방향 바이어스 회로의 능력에 기여합니다.이 다이오드는 고주파 전력 회로와 같은 더 낮은 전류가 필요한 빠르게 전환하는 설정에서 빛납니다.산업 규범의 세계에서, 다이오드는 종종 최소화 된 전력 손실과 전기 변동에 대한 빠른 반응을 요구하는 역할을 위해 선택됩니다.실제 응용 프로그램은 회로 변화 중에 에너지를 보존 할 때의 능력을 강조하여 현대 전기 시스템 설계에서의 매력을 향상시킵니다.
일반적으로 Schottky Diodes는 양극이 아닌 음극의 열 패드로 설계되었습니다.이 선택은 이러한 다이오드가 열 응력에 어떻게 반응하는지에 의해 알려져 있으며, 이는 불균일 한 열 조건으로 이어질 수 있습니다.표준 관행은 효과적인 열 소산을 보장하기 위해 캐소드에 방열판을 고정하는 것을 수반합니다.현장에서의 경험에 따르면이 설정은 다이오드 작동을 안정화시키고 능숙한 열 관리를 통해 서비스 수명을 연장합니다.
1N5819 Schottky Diode를 1N5822로 대체하는 것은 공유 전방 전압 (VF) 및 Junct-to-Ambient 열 저항 (RTH-JA)에 따라 다릅니다.그러나 1N5822의 높은 누출 전류는 특히 전원 또는 회로와 같은 누출에 민감한 환경에서 특정 용도에 영향을 줄 수 있습니다.SMP (Switch-Mode 전원 공급 장치) 또는 역 극성 보호와 같은 컨텍스트와 관련하여 교체하는 것이 대부분 적합합니다.그럼에도 불구하고, 물리적 차원을 고려해야합니다.1N5822의 더 큰 발자국은 직경이 약 1.5mm로 떨어지므로 적절한 장착 숙박 시설이 필요합니다.이 실용적인 이해는 원활한 구성 요소 교체를위한 기계적 및 전기 매개 변수 정렬의 필요성을 강조합니다.
11월5일에서
11월5일에서
4월18일에서 147757
4월18일에서 111932
4월18일에서 111349
4월18일에서 83719
1월1일에서 79508
1월1일에서 66894
1월1일에서 63010
1월1일에서 62997
1월1일에서 54081
1월1일에서 52114