




그만큼 TL084CNTL08X 운영 앰프 패밀리의 일환으로, 이전 앰프 모델에 비해 선택 품질을 높이고 전반적인 성능을 향상시키는 JFET 입력을 통합합니다.단일 통합 회로 내의 양극성 트랜지스터와 함께 고전압 JFET 기술의 이러한 통합은 다양한 응용 분야에 최적의 일치를 달성합니다.이 정교한 배열은 정밀도와 안정성이 깊은 가치가있는 상황에서 앰프를 사용하도록 허용합니다.
TL084CN에서 JFET 입력 단계를 구현하면 기존 BJT 입력에 비해 입력 임피던스 증가 및 입력 바이어스 전류 감소를 포함하여 주목할만한 이점이 있습니다.이러한 속성은 신호 왜곡을 최소화하고 신호 충실도를 강화합니다. 오디오 애플리케이션 및 계측 설계에서 주로 소중히 간직됩니다.실제로, 이것은 복잡한 회로 내에서도 입력 신호의 무결성을 유지하거나 상당한 노이즈 속에서 입력 신호의 무결성을 유지하는 것으로 해석됩니다.
TL084CN 내에서 JFET 및 양극 트랜지스터의 합병은 탁월한 성능과 신뢰성을 초래합니다.이 설계 결정은 슬로우 속도를 향상시키고 대역폭을 넓히고, 고속 신호 처리 작업에 대한 앰프를 능숙하게 만듭니다.예를 들어, 이러한 속성을 활용하여 사운드 재생산에서 우수한 선명도와 최소화 된 대기 시간을 얻을 수있는 정밀 오디오 장비를 패션 할 수 있습니다.

|
유형 |
매개 변수 |
|
수명주기 상태 |
Active (마지막 업데이트 : 4 일 전) |
|
공장 리드 타임 |
12 주 |
|
접촉 도금 |
금 |
|
장착 유형 |
구멍을 통해 |
|
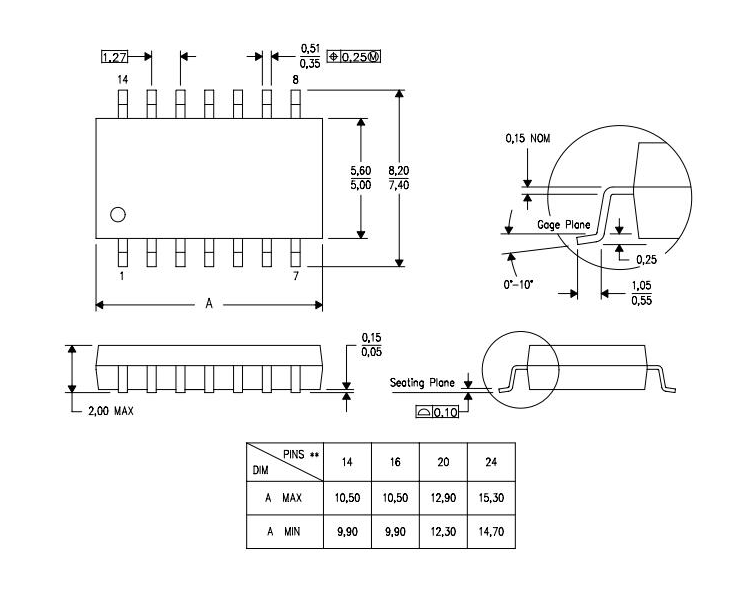
패키지 / 케이스 |
14-DIP (0.300, 7.62mm) |
|
표면 마운트 |
아니요 |
|
핀 수 |
14 |
|
작동 온도 |
0 ° C ~ 70 ° C |
|
포장 |
튜브 |
|
JESD-609 코드 |
E4 |
|
부품 상태 |
활동적인 |
|
수분 감도 수준 (MSL) |
1 (무제한) |
|
종료 수 |
14 |
|
ECCN 코드 |
귀 99 |
|
최대 전력 소산 |
680MW |
|
터미널 위치 |
이중 |
|
기능 수 |
4 |
|
공급 전압 |
15V |
|
기본 부품 번호 |
TL084 |
|
핀 수 |
14 |
|
전원 공급 장치 |
± 15V |
|
채널 수 |
4 |
|
운영 공급 전류 |
1.4ma |
|
공칭 공급 전류 |
11.2MA |
|
슬림 속도 |
13V/μs |
|
건축학 |
전압 피드백 |
|
증폭기 유형 |
J-FET |
|
공통 모드 거부 비율 |
70dB |
|
전류 - 입력 바이어스 |
30pa |
|
전압 - 공급, 단일/듀얼 (±) |
7V ~ 36V ± 3.5V ~ 18V |
|
입력 오프셋 전압 (VOS) |
15MV |
|
무도 공급 전압 -NOM (VSUP) |
-15V |
|
Unity Gain BW-NOM |
3000 kHz |
|
전압 게인 |
106.02dB |
|
평균 바이어스 Current-Max (IIB) |
0.01μa |
|
낮은 오프셋 |
아니요 |
|
주파수 보상 |
예 |
|
공급 전압 제한 극장 |
18V |
|
전압 - 입력 오프셋 |
3MV |
|
저 바이어스 |
예 |
|
소기업 |
아니요 |
|
프로그래밍 가능한 힘 |
아니요 |
|
이중 공급 전압 |
9V |
|
무도 |
-18V |
|
공칭 게인 대역폭 제품 |
3MHz |
|
최대 I/O 전압 |
15MV |
|
입력 오프셋 Current-Max (IIO) |
0.002μa |
|
키 |
5.08mm |
|
길이 |
19.3mm |
|
너비 |
6.35mm |
|
두께 |
3.9mm |
|
SVHC에 도달하십시오 |
SVHC 없음 |
|
방사선 경화 |
아니요 |
|
ROHS 상태 |
ROHS3 준수 |
|
무료로 리드 |
무료로 리드 |
|
부품 번호 |
제조업체 |
패키지 / 케이스 |
핀 수
|
슬림 속도 |
입력 오프셋 전압 |
공통 모드 거부 비율 |
공급 전압 |
운영 공급 전류 |
전압 게인 |
|
TL084CN |
텍사스 악기 |
14-DIP (0.300, 7.62mm) |
14 |
13 V/µs |
15 MV |
70dB |
15 v |
1.4 MA |
106.02 DB |
|
TL074CN |
텍사스 악기 |
14-DIP (0.300, 7.62mm) |
14 |
13 V/µs |
10 MV |
70dB |
15 v |
1.4 MA |
106.02 DB |
|
tl074in |
텍사스 악기 |
14-DIP (0.300, 7.62mm) |
14 |
13 V/µs |
6 MV |
70dB |
15 v |
1.4 MA |
106.02 DB |
|
TL084CNE4 |
텍사스 악기 |
PDIP |
14 |
13 V/µs |
15 MV |
70dB |
15 v |
1.4 MA |
106.02 DB |
|
특징 |
설명 |
|
저전력 소비 |
회로의 전반적인 에너지 사용량을 줄입니다 |
|
넓은 공통 모드 및 차동 전압 범위 |
광범위한 전압 입력을 지원합니다 |
|
낮은 입력 바이어스 및 오프셋 전류 |
입력 전류 변형 및 오프셋 오류를 최소화합니다 |
|
출력 단락 보호 |
단기로 인한 잠재적 손상으로부터 출력을 보호합니다
회로 |
|
낮은 총 고조파 왜곡 |
0.003% 일반적인, 오디오 애플리케이션에 이상적입니다 |
|
높은 입력 임피던스 |
향상된 임피던스를위한 JFET 입력 단계 |
|
래치가없는 작동 |
신뢰할 수 있고 안정적인 작동을 보장합니다 |
|
높은 순간 비율 |
빠른 신호 응답을 위해 전형적인 13 v/µs |
|
공통 모드 입력 전압 범위에는 VCC+가 포함됩니다 |
입력 전압이 양의 공급 전압을 초과 할 수 있습니다 |
• TL074CN
TL084CN 작동 증폭기는 하나의 패키지 내에 4 개의 개별 OP-AMP를 포함하여 자체적으로 구별됩니다.각 OP-AMP는 고전압 JFET 및 양극성 트랜지스터 기술의 고급 통합으로부터 이점을 얻습니다.이 조합은 높은 입력 임피던스와 낮은 바이어스 전류를 초래하여 노이즈를 효과적으로 감소시키고 고조파 왜곡을 최소화합니다.이러한 기능은 TL084CN이 고 충실도 오디오 설정, 특히 정밀도와 선명도를 유지 해야하는 오디오 프리 앰프의 활성 구성 요소로 주로 적합합니다.
오디오 엔지니어링 세계에서 TL084CN의 포함은 기본적인 역할을합니다.오디오 프리 앰프 생성에서 실질적인 빌딩 블록 역할을합니다.OP-AMP의 높은 입력 임피던스는 넓은 주파수 응답을 용이하게하여 세부 사항을 희생하지 않고 섬세한 오디오 신호가 증폭되도록합니다.실제로, 당신은 프리미엄 오디오 재생산을 달성하는 역할을 위해 TL084CN을 향해 끌어들일 수 있습니다.이 설계를 통해 왜곡없이 광범위한 신호 진폭, JFET 및 양극성 기술에 대한 증거를 관리 할 수 있습니다.
TL084CN의 주목할만한 사용은 정밀 오디오 장비에 나타납니다.여기서, 낮은 바이어스 전류를 이용하여 다른 구성 요소가 노이즈를 도입 할 수있는 저수준 입력에 사용되는 오디오 신호 무결성을 보존 할 수 있습니다.이 수준의 정확한 신호 관리를 통해 미묘한 오디오 차이를 유지할 수 있으며, 이는 우수한 음질을 우선시하는 귀하에게 호소합니다.오디오 세계 밖에서 TL084CN은 다양한 전자 시스템에서 적응성을 보여줍니다.고속 응답 및 저전력 소비와 같은 속성은 빠르고 정확한 신호 처리를 요구하는 회로에 적합한 선택입니다.OP-AMP의 강력한 특성이 시스템 신뢰성 및 성능 향상에 기여하는 통신 및 계측을 포함하여 다양한 분야에서 발견됩니다.
TL084CN은 LM324와 동일한 핀 구성을 특징으로하는 4 개의 작동 증폭기 (OP-AMPS)의 고유 한 배열을 제공합니다.LM324와 같은 많은 OP-AMP 장치의 일반적인 5V와 달리이 장치는 특히 낮은 전압 제한 7V에서 실행됩니다.이 쿼드 OP-AMP 장치의 잠재력을 최대한 활용하려면 단일 공급 모드의 공급 전압이 7V를 충족하거나 초과하십시오.
7V 요구 사항은 회로 설계에 영향을 미치는 특정 안정성을 제공하여 전압 공급의 변화에 대한 중요성을 시사합니다.변형은 성능을 손상시켜 회로 중단을 유발할 수 있습니다.연속적이고 안정적인 전압은 회로 탄력성을 향상시켜 TL084CN의 주목할만한 특성을 향상시킵니다. 이는 높은 전압 유연성이 신뢰성을 높이는 시스템의 개발을 지원합니다.
LM324의 응용 프로그램에서 TL084CN은 현재 회로 프레임 워크에서 쉽게 자리를 찾을 수 있습니다.공유 특성을 통해 확립 된 LM324 회로 설계를 살펴보고 이러한 통찰력을 새로운 구현으로 더 원활하게 전환 할 수 있습니다.기존 LM324 회로 회로도는 TL084CN을 조정하고 통합하는 데 도움이되는 자원 역할을합니다.


1958 년에 시작된 이래 Texas Instruments는 지속적으로 반도체 기술의 최전선에 서서 업계의 독특한 장소를 포착했습니다.전 세계적으로 30,000 명 이상의 재능있는 개인을 고용하는이 회사의 혁신 정신은 아날로그 및 임베디드 처리 솔루션의 지속적인 발전에서 실질적으로 느껴집니다.
Texas Instruments (TI)는 획기적인 기여를 통해 기술 진화의 구조로 짜여져 있습니다.통합 회로의 발명을 위해 인정 된 TI는 지속적으로 연구 개발을 우선 순위로 삼아 전자 부문의 역동적 인 부분으로 자체적으로 확립되었습니다.통합 회로는 Ti의 개척 정신에 대한 증거로 서서 컴퓨팅의 세계를 변화시키고 디지털 혁명의 촉매제 역할을합니다.이 혁신의 파급 효과는 통신 및 자동차 기술을 포함한 수많은 영역에서 느껴졌습니다.
문의를 보내 주시면 즉시 응답하겠습니다.
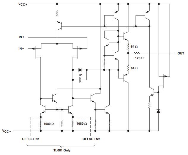
TL084CN은 복잡한 14 핀 딥 JFET 입력 작동 증폭기이며, 고전압 JFET 및 양극성 트랜지스터를 통합 단일체 IC에 융합시키기 위해 조심스럽게 제작되었습니다.주목할만한 특성 중에는 빠른 슬리트 속도와 낮은 바이어스 및 오프셋 전압이 있습니다.이러한 특성은 전자 설계의 세계에서 유연한 자산이됩니다.JFET 및 바이폴라 요소의 시너지 효과는 대역폭과 동적 범위를 모두 풍부하게하며, 정밀 회로 설계에서 크게 인식 된 측면.
작동 증폭기는 약한 신호를 향상시키는 능력으로 인해 전자 회로에서 중요한 역할을합니다.그들은 2 개의 입력 핀과 단일 출력 핀을 포함하며, 주로 확대 전압 차이가있는 작업을 수행합니다.이 고유 함수는 오디오 처리 및 센서 신호 증폭과 같은 다양한 응용 프로그램에서 유틸리티를 찾습니다.OP-AMPS를 통합하는 회로를 자주 향상시켜 기능성 성능을 극대화하여 신뢰할 수 있고 선형적인 동작으로부터 엄청나게 혜택을받을 수 있습니다.
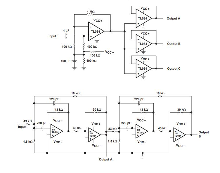
TL084cn 작동 증폭기는 높은 슬라이드 속도 최소 입력 바이어스 및 오프셋 전압이 사용되는 상황에서 엑스입니다.다재다능 함은 전압 추종자와 같은 역할에서 빛나며 임피던스 일치에 활성화됩니다.AC에서 DC 전환;신호 정류 정밀도 부스팅;고속 통합자를 수용합니다.이러한 우수한 OP-AMPS에 실질적으로 참여하려면 회로의 신뢰성과 장수를 보장하기 위해 열 관리와 함께 슬리트 속도와 같은 성능 매개 변수의 균형을 맞추는 섬세한 행위를 수행하는 것이 포함됩니다.
슬림 속도는 전압 또는 전류와 같은 전기량이 시간에 따라 변하는 속도를 나타냅니다.이것은 일반적으로 초당 볼트로 표시됩니다. 초당 마이크로 초 (μs) 또는 나노 초 (NS)와 같은 작은 세분화로 표현됩니다.SLE WRET의 개념을 파악하는 것은 신호 처리 추구에서 적절한 속도와 정확성을 달성하기위한 디딤돌입니다.회로의 속도와 안정성 사이의 상충 관계에 대한 통찰력있는 이해는보다 진보되고 강력한 시스템 설계를위한 길을 열어 줄 수 있습니다.반도체 설계의 기술 프론티어가 확장됨에 따라, 안정성을 포기하지 않고 슬리트 속도를 최적화하는 복잡한 행위는 첨단 전자 설계의 발전에 계속 도전하고 영감을줍니다.
11월5일에서
11월5일에서
4월18일에서 147764
4월18일에서 111984
4월18일에서 111351
4월18일에서 83743
1월1일에서 79538
1월1일에서 66949
1월1일에서 63087
1월1일에서 63028
1월1일에서 54092
1월1일에서 52171