
그만큼 EPM7160EQC160-10 전자 시스템에서 기본 논리 제어를 처리하기 위해 제작 된 Intel의 Max 7000 시리즈의 일부입니다.160 핀 PQFP 패키지로 제공되며 EEPROM 기술을 사용하므로 번거 로움없이 필요에 따라 재 프로그래밍 할 수 있습니다.이 칩은 신뢰할 수 있고 반복 가능한 논리가 필요한 간단한 제어 작업이나 설계에 적합합니다.작고 실용적이며 작업하기 쉽습니다.
EPM7160EQC160-10을 찾고 계십니까?현재 주식, 리드 타임 및 가격을 확인하려면 당사에 문의하십시오.

이 다이어그램은 EPM7160EQC160-10에서 사용하는 160 핀 PQFP (플라스틱 쿼드 플랫 패키지)의 물리적 레이아웃을 보여줍니다.제곱 칩의 각 측면에는 40 핀이 있으며 핀 1, 핀 41, 핀 81 및 핀 121과 같은 증분으로 명확하게 표시됩니다. 핀 번호는 PCB에 배치하는 동안 방향에 도움이됩니다.소형 정사각형 모양은 표면 장착을 지원하며 일반적으로 임베디드 및 프로그래밍 가능한 로직 애플리케이션에 사용됩니다.중앙에 나열된 라벨이 붙은 부품 번호는 다른 관련 MAX 7000 시리즈 장치와의 호환성을 확인합니다.
EPM7160EQC160-10은 160 개의 마크로셀을 제공하므로 공간이 떨어지지 않고 다양한 논리 기능을 구축하고 관리 할 수있는 충분한 공간이 있습니다.이렇게하면 좀 더 유연성이 필요한 디자인 작업을 수행하는 데 도움이됩니다.
10 개의 논리 블록 각각은 칩 내부의 특정 작업을 처리하는 작은 팀처럼 작동합니다.그들은 물건을 정리하는 데 도움이되므로 디자인은 더 복잡해도 관리 할 수 있습니다.
이 칩으로 104 개의 입력/출력 핀을 얻으므로 시스템의 다른 부분에 연결하는 많은 방법을 제공합니다.데이터를 가져 오거나 전송하든이 칩을 사용하면 둘 다 쉽게 처리 할 수 있습니다.
EPM7160EQC160-10에는 3200 개의 유용한 게이트가 있으며 광범위한 논리 작업을 수행 할 공간이 있습니다.제어를 원하지만 거대하거나 복잡한 시스템이 필요하지 않은시기에 적합합니다.
칩은 약 10 나노초로 반응하여 사물이 빠르게 움직일 수 있도록 도와줍니다.설정에서 타이밍이 중요하면이 속도가 지연없이 모든 것을 원활하게 유지할 수 있습니다.
이 칩은 5V 전원 공급 장치 범위에서 실행되며 공통적이고 작업하기 쉽습니다.특수 전압 설정에 대해 걱정할 필요가 없습니다. 대부분의 표준 시스템에 연결하십시오.
28x28mm 크기의 160 핀 플라스틱 쿼드 플랫 패키지 (PQFP)로 제공됩니다.이것은 작은 지역에 많은 핀을 제공하므로 보드에 너무 많은 공간을 차지하지 않습니다.
EPM7160EQC160-10은 0 ° C에서 70 ° C 사이에서 가장 잘 작동합니다.이 범위는 책상, 실험실 또는 생산 공간에서 사용하든 대부분의 실내 설정에 적합합니다.
구멍을 뚫지 않고이 칩을 보드에 직접 장착 할 수 있습니다.표면 장착을 위해 만들어져 공간을 절약하고 디자인을 간단하게 유지할 수 있습니다.
| 제품 속성 | 속성 값 |
| 제조업체 | 인텔 |
| 전압 공급 - 내부 | 4.75V ~ 5.25V |
| 공급 업체 장치 패키지 | 160-PQFP (28x28) |
| 시리즈 | Max® 7000 |
| 프로그래밍 가능한 유형 | ee pld |
| 패키지 / 케이스 | 160-bqfp |
| 패키지 | 쟁반 |
| 작동 온도 | 0 ° C ~ 70 ° C (TA) |
| 마크로셀의 수 | 160 |
| 로직 요소/블록 수 | 10 |
| I/O의 수 | 104 |
| 게이트 수 | 3200 |
| 장착 유형 | 표면 마운트 |
| 지연 시간 TPD (1) 최대 | 10 ns |
| 기본 제품 번호 | EPM7160 |

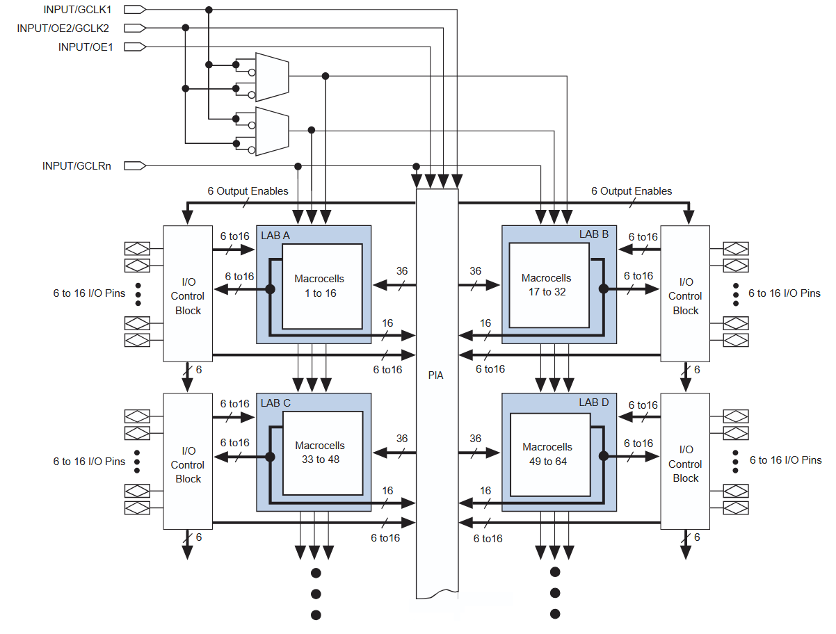
이 다이어그램은 EPM7160EQC160-10의 내부 구조를 보여줍니다.여기에는 A ~ D로 표시된 4 개의 논리 배열 블록이 포함되어 있으며 각각 16 개의 마크로셀이 1 ~ 16, 17 ~ 32 등 세트로 그룹화 된 16 개의 마크로셀을 포함합니다.이 실험실은 PIA라는 중앙 상호 연결을 통해 연결되어 유연한 데이터 라우팅이 가능합니다.각 랩은 근처의 I/O 제어 블록과 통신하여 6 ~ 16 개의 입력/출력 핀을 관리합니다.다이어그램의 상단에는 GCLK 또는 글로벌 제어 로직으로 공급되는 제어 신호로 표시된 여러 입력 라인이 있습니다.이 로직은 모든 블록에서 출력을 활성화하고 입력 제어 신호를 지시합니다.

이 다이어그램은 EPM7160EQC160-10을 포함하여 MAX 7000E 및 MAX 7000S 장치에 사용되는 마크로셀의 내부 레이아웃을 보여줍니다.PIA (Programmable Interconnect Array)에서 나오고 논리 배열 및 Expander 제품 용어를 통해 흐르는 신호로 시작합니다.이 용어는 제품-용어 선택 행렬에 의해 선택되고 처리 된 후 논리 출력을 일련의 게이트로 공급합니다.여기에서 신호는 빠른 입력을 우회하거나 활성화하기위한 옵션이있는 프로그래밍 가능한 레지스터로 이동합니다.마크로셀은 타이밍 제어를 위해 글로벌 클리어 및 글로벌 클럭 라인에도 연결되어 있습니다.출력 옵션에는 신호를 I/O 제어 블록으로 보내거나 PIA로 다시 라우팅하는 것이 포함됩니다.
공장 또는 자동화 설정에있는 기본 제어 시스템에서 EPM7160EQC160-10을 사용할 수 있습니다.전환, 타이밍 또는 간단한 논리 제어와 같은 일상적인 작업을 관리하여 지나치게 복잡한 설정이 필요하지 않은 시스템에 유용합니다.
이 칩은 라우터 나 통신 스위치와 같이 데이터 나 신호를 처리하는 장치에 적합합니다.이를 통해 시스템이 다른 부품과 부드럽게 대화하고 반응을 유지할 수 있도록 사용자 정의 로직 경로를 구축 할 수 있습니다.
가제트 또는 가정용 전자 장치를 연구하고 있다면 EPM7160EQC160-10은 아이디어를 활성화시키는 데 도움이 될 수 있습니다.추가 공간이나 전원이 필요하지 않고 제어 로직을 처리하며, 이는 소형 또는 저전력 설계에서 잘 작동합니다.
공간과 단순성이 중요한 내장 시스템 에서이 칩은 적절한 양의 유연성을 제공합니다.소규모 제어 작업을 실행하거나 시스템의 다른 부분을 서로 연결하는 데 사용할 수 있습니다.
Max 7000 시리즈를 사용한 이전 디자인을 유지하고 있다면 EPM7160EQC160-10을 사용하면 모든 것을 계속 작동시킬 수 있습니다.직접 교체가 필요하거나 레거시 설정의 수명을 연장하려는 경우 확실한 선택입니다.
• 10ns 지연이있는 고속 로직
• 소형 형태 계수의 높은 논리 밀도
• 비 휘발성 eeprom 구성 메모리
• 안정적이고 예측 가능한 성능
• 레거시 제품 지원에 널리 사용됩니다
• 이전 5V 로직 시스템으로 제한됩니다
• 현대 저전압 IO에 대한 지원이 없습니다
• 제품은 수명이 다르고 가용성이 제한적입니다
인텔은 기술 세계에서 잘 알려진 이름으로 많은 일상적인 장치에서 사용되는 제품을 제공합니다.수년에 걸쳐 광범위한 시스템에 전원을 공급하는 신뢰할 수있는 칩을 만드는 것으로 강력한 명성을 얻었습니다.가정용 전자 장치에서 비즈니스 도구에 이르기까지 Intel의 부품은 물건을 원활하게 실행하도록 설계되었습니다.다른 산업에서 테스트되고 신뢰 된 것을 찾고 있다면 인텔은 당신이 믿을 수있는 브랜드입니다.
EPM7160EQC160-10은 성능이 우수하고 사용하기 쉬운 기능을 갖춘 프로그래밍 가능한 로직 칩이 필요한 경우 신뢰할 수있는 선택입니다.160 개의 마크로셀과 104 I/O 핀으로 유연성을 제공합니다.빠른 응답 시간과 일반적인 시스템과의 호환성은 많은 프로젝트에 실용적인 부분이됩니다.새로운 것을 구축하든 이전 설정을 업데이트하든이 칩은 일을 원활하게 실행하게합니다.임베디드 시스템, 제어 장치 및 심지어 소비자 제품에 잘 맞습니다.오랜 지원과 견고한 디자인을 통해 많은 논리 제어 요구에 대한 현명한 선택입니다.
문의를 보내 주시면 즉시 응답하겠습니다.
EPM7160EQC160-10은 일반적으로 맞춤형 디지털 로직이 필요한 제어 시스템, 임베디드 애플리케이션 및 통신 장치에서 일반적으로 사용됩니다.전체 프로세서가 필요하지 않고 신호 흐름, 제어 기능 및 입력/출력 작업을 관리하는 데 도움이됩니다.이를 통해 공장 자동화, 소비자 전자 제품 및 프로그래밍 가능한 논리에 의존하는 기타 시스템에 유용합니다.
예, EEPROM 기술을 사용하므로 필요에 따라 여러 번 재 프로그래밍 할 수 있습니다.이를 통해 칩을 교체하지 않고 로직 설계를 업데이트 할 수 있습니다.여전히 시스템을 개발하거나 설치 후 변경해야 할 때 훌륭한 기능입니다.
EPM7160EQC160-10은 4.75V ~ 5.25V의 공급 전압 범위 내에서 작동합니다.이것은 많은 시스템의 표준이며 통합을 간단하게 만듭니다.시스템이 이미 5V 로직을 사용하는 경우 특수 전압 조정기 또는 조정이 필요하지 않습니다.
이 칩은 104 I/O 핀을 제공합니다.이를 통해 다양한 장치 및 회로에 연결할 수있는 많은 유연성을 제공합니다.외부 확장기가 필요하지 않고이 핀을 사용하여 데이터 입력, 제어 신호 또는 기타 시스템 부품을 관리 할 수 있습니다.
EPM7160EQC160-10은 레거시 제품으로 간주되며 전체 생산에 없을 수도 있지만 다양한 유통 업체를 통해 사용할 수 있습니다.특히 현재 주식, 가격 책정 및 리드 타임에 대한 공급 업체를 확인할 수 있습니다.
7월30일에서
7월29일에서
4월17일에서 147719
4월17일에서 111777
4월17일에서 111327
4월17일에서 83645
1월1일에서 79327
1월1일에서 66802
1월1일에서 62965
1월1일에서 62854
1월1일에서 54045
1월1일에서 52029