
그림 1 : 위/다운 카운터
위/다운 카운터 또는 양방향 카운터는 입력 신호에 따라 위와 아래 방향으로 숫자 값을 모니터링하고 조정합니다.이 듀얼 기능은 운영 환경의 변화에 동적으로 응답하여 카운트 증가 및 감소가 필요한 시스템의 기본입니다.이 카운터는 일반적으로 0에서 시작하여 미리 결정된 한계에 도달 할 때까지 증가하여 시스템에서 동작을 유발합니다.대안 적으로, 이들은 세트 최대 값으로 시작하여 0으로 감소하여 하한에 도달하면 유사한 응답을 활성화 할 수 있습니다.

그림 2 : TTL 74LS190 모델
예를 들어, TTL 74LS190 및 74LS191 모델은이 카운터의 일반적인 버전입니다.위쪽 및 하향 카운팅 사이를 전환 할 수있는 모드 입력 핀이 특징입니다.이 모드 스위치는 카운팅 시퀀스를 방해하지 않고 원활하게 발생합니다.

그림 3 : 4 비트 업/다운 카운터
일반적인 4 비트 업/다운 카운터는 이러한 작동 유연성을 명확하게 보여줍니다.위쪽으로 계산하도록 구성되면 카운터는 이진 값 0000에서 1111에서 1111로 이동하여 4 비트 시스템 내의 가능한 모든 조합 (10 ~ 15)을 포함합니다.하향 카운트로 전환하면이 프로세스가 반전되어 0000으로 다시 줄어 듭니다. 각 숫자 간의 변경은 정밀도로 발생하며, 시계 신호로 제어되는 시계 신호로 제어됩니다.

그림 4 : D- 타입 플립 플롭
4 비트 각각은 가장자리 트리거 설정에서 D- 타입 플립 플롭에 의해 제어됩니다.이 플립 플롭은 체인으로 함께 작동하며 각 플립 플롭의 출력이 다음에 공급됩니다.정확한 계산을 보장하기 위해 카운터는 각 플립 플롭의 역 출력을 특히 하향 카운트 동안 데이터 입력에 대한 피드백으로 사용합니다.이 디자인은 숫자간에 매끄럽고 예측 가능한 전환을 만듭니다.각 플립 플롭의 상태 변화는 다음의 직접적인 영향을 미치며, 이는 계산 프로세스를 신뢰할 수 있고 순서대로 유지합니다.

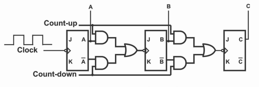
그림 5 : 3 비트 위/다운 카운터
3 비트 업/다운 카운터의 회로 설계는 JK 플립 플롭이 T- 타입 (토글) 플립 플롭으로 재구성되는 효율적인 설정을 사용합니다.이 수정을 통해 카운터는 0 (이진 000)에서 7 (바이너리 111)까지 부드럽게 계산하고 반대쪽으로 카운트 다운 할 수 있습니다.이 설계의 단순성은 기능과 안정성을 향상시킵니다.
상향 카운팅 모드에서, 시퀀스는 각 플립 플롭의 출력에 의해 제어된다.구체적으로, 하나의 플립 플롭의 'Q'출력은 다음 플립 플롭의 클록 입력에 직접 연결됩니다.이 설정은 각 플립 플롭이 이전에 응답하여 토글을 전환합니다.시계 펄스가 수신되면 카운터는 한 번에 한 단계 씩 000에서 시작하여 순차적으로 111로 이동합니다. 플립 플롭 사이 의이 직접적인 연결은 업 카운팅 단계에서 매끄럽고 논리적 인 진행을 보장합니다.플롭의 상태 변화는 다음 줄을 운전합니다.
카운터가 계산되도록 설정되면 메커니즘이 반전됩니다.직접 'Q'출력을 사용하는 대신 시스템은 각 플립 플롭의 역 출력에 의존합니다.이 역 신호는 다음 플립 플롭의 시계 입력에 공급되어 카운터가 제어되고 순차적 인 방식으로 물러납니다.각 클록 펄스는 이제 이진 시퀀스가 111에서 000으로 감소합니다.이 방법은 전환이 순서대로 유지되어 계산 프로세스의 중단을 피할 수 있도록합니다.
위/다운 카운터의 작동은 위/다운 입력 신호에 의해 제어되며, 이는 카운팅 방향을 직접 설정합니다.이 입력은 카운터가 위 또는 아래로 계산되도록하지만 동시에 둘 다 절대 포함하지 않도록합니다.이 시스템은 인버터를 사용 하여이 독점 성을 달성하여 제어 신호를 뒤집어 주어진 순간에 하나의 카운팅 모드 만 활성화되도록합니다.
위로 계산 모드 : 카운터가 계산되도록 설정되면 특정 논리 게이트 세트가 활성화됩니다.이 게이트는 바이너리 000에서 시작하여 최대 111 (또는 10 진수에서 0에서 7까지)으로 이동하여 단계별 진행을 통해 카운터를 안내합니다.각 클록 펄스는 다음 바이너리 수로 점프하여 매끄럽고 예측 가능한 시퀀스를 유지합니다.설계는 카운터가 표준 바이너리 진행 규칙을 준수하여 명확하고 일관된 패턴을 따릅니다.
다운 카운팅 모드 : 카운터를 카운트 다운으로 전환하면 회로가 제어 된 방식으로 적응됩니다.상향 카운트를 관리하는 논리 게이트는 이제 꺼지고 다른 게이트 세트는 하향 카운팅 프로세스를 처리합니다.이 모드에서 시스템은 플립 플롭을 통해 흐르는 역 신호에 의존하여 카운트 다운을 제어합니다.시계 펄스가 계속됨에 따라 카운터는 111에서 000으로 뒤로 물러서서 위로 계산하는 것만 큼 부드럽고 안정적으로 밟습니다.이러한 작동 변화는 카운터가 양방향을 효율적으로 처리하는 능력을 보여줍니다.
Up/Down 카운터가 시계 펄스와 상호 작용하는 방법은 타이밍 및 시퀀스 제어를 관리하는 능력에 대한 귀중한 통찰력을 제공합니다.비동기 카운터에서 각 클록 펄스는 카운터 플립 플롭의 상태에 직접 영향을 미쳐 계산 프로세스를 주도합니다.
일반적인 다운 카운팅 모드에서 카운터는 111의 이진 값 (10 진수 7과 같습니다)에서 시작할 수 있습니다.시스템은 각 클록 펄스의 음의 가장자리에 반응하여 첫 번째 플립 플롭 (QA)의 출력이 변경됩니다.이 변화는 계단식 효과를 유발하며, 여기서 QA의 출력은 다음 플립 플롭 (QB)에 영향을 미치고 결국 세 번째 플립 플롭 (QC)에 영향을 미칩니다.각 클록 펄스가 도착하면이 캐스케이드가 계속되어 단계별 카운트를 7로 줄입니다. 각 플립 플롭은 이전의 플립 플롭에 의해 순차적으로 영향을 받으므로 카운트가 순서대로 예측 가능하게 진행됩니다.
업 카운팅 중에 프로세스가 약간 다릅니다.여기서 각 플립 플롭의 출력은 다음 플립 플롭을 라인으로 트리거합니다.000 (이진 0)에서 시작하여 각 클록 펄스는 카운터를 증가시키고 첫 번째 플립 플롭이 두 번째 플리그 트리거되고 두 번째는 세 번째 트리거입니다.이 과정은 카운터가 111 (이진 7)에 도달 할 때까지 계속됩니다.모든 8 번째 시계 펄스는 카운팅 사이클을 완료하며,이 시점에서 카운터는 다시 000으로 재설정되어 다시 시작됩니다.이를 통해 정확한 타이밍을 유지하는 일관되고 반복적 인주기를 보장합니다.
74193 IC는 모듈로 -16까지 두 방향으로 계산할 수있는 다목적 4 비트 동기 상향/다운 이진 카운터입니다.듀얼 시계 입력을 사용합니다 (하나는 계산을위한 하나, 아래로 카운트 다운)를 사용합니다.이 설계는 카운터의 출력이 입력 클록 신호와 완벽하게 동기화되어 작업의 정확도와 응답 성을 향상시킵니다.
74193 IC의 주요 기능은 마스터 리셋 핀입니다.이 핀은 즉시 현재 수를 지우고 모든 출력을 0으로 설정합니다.시스템 테스트 중 또는 알려진 상태에서 카운터를 다시 시작해야 할 때 특히 유용합니다.이로 인해 시스템 재구성 또는 문제 해결 시스템이 더 빠르고 효율적입니다.또한 IC에는 전용 카운트 업 및 카운트 다운 터미널이있어 유연성을 더욱 향상시켜 정확한 제어가 필요한 다양한 디지털 카운팅 응용 프로그램에 적합합니다.

그림 6 : 74193 IC 핀아웃
74193 IC의 핀아웃 레이아웃은 최대 기능을 위해 설계되었습니다.사용자가 특정 값에서 시작하도록 카운터를 사전 설정할 수있는 입력 핀이 포함되어 있으며, 이는 특정 초기 상태가 필요한 사용자 정의 응용 프로그램에 이상적입니다.출력 핀은 현재 카운트에 대한 실시간 피드백을 제공하므로 카운터를 실시간 업데이트가 필요한 더 큰 시스템으로 쉽게 모니터링하거나 통합 할 수 있습니다.74193 IC의 주목할만한 기능은 Ripple Carry Output Pin입니다.이 핀을 사용하면 여러 IC를 연결 (또는 계단식)하여 카운터의 용량을 쉽게 확장 할 수 있습니다.이 기능을 사용하면 더 큰 카운트를 처리하는 고차 카운터를 구축 할 수 있으며, 이는 더 높은 정밀도 또는 더 큰 계산 범위가 필요한 고급 디지털 시스템에 적합합니다.
IC 74193은 광범위한 애플리케이션을 위해 사용자 정의 할 수있는 유연한 카운팅 회로를 구축하는 데 사용되는 다목적 구성 요소입니다.핵심은 핀 16을 VCC에 연결하여 안정적인 전원 공급 장치를 보장하여 안정적으로 작동합니다.이 연결은 모든 시스템에서 일관된 작동을 유지하는 데 사용됩니다.IC 74193은 다양한 작동 모드를 구성 할 수있는 여러 입력 핀으로 설계되었습니다.주요 기능 중 하나는 활성 평행 부하 입력으로, 사용자에게 사전 설정 값에서 계산을 시작할 수있는 기능을 제공합니다.이 기능은 카운터가 카운트를 시작하기 전에 카운터가 특정 값으로 점프 할 수있게하므로 카운팅 시퀀스에 대한 정확한 제어가 필요할 때 특히 유용합니다.
IC 74193의 주요 장점은 위아래로 카운팅 모드를 쉽게 전환하는 능력입니다.이것은 관련 핀을 간단한 조정하여 수행 할 수 있습니다.복잡한 구성없이 이러한 모드를 전환하는 기능을 통해 IC는 매우 유연하게 만들어져 기본 및보다 복잡한 계산 작업을 쉽게 처리 할 수 있습니다.
위 카운터와 다운 카운터는 계산 방향에 따라 다른 목적을 제공합니다.UP 카운터는 0에서 시작하여 설정 한도로 증가하여 전방 시퀀스에서 진행 상황을 추적 해야하는 작업에 적합합니다.예제에는 시간 추적 또는 이벤트 시퀀싱과 같은 응용 프로그램이 포함되며, 각 단계는 목표 값에 도달 할 때까지 선형 방식으로 위로 이동합니다.
반면, 다운 카운터는 정의 된 최대 값으로 시작하여 하향으로 0으로 카운트합니다.이 유형의 카운터는 프로세스를 반대로 추적 해야하는 시나리오에서 특히 유용합니다.일반적인 용도에는 카운트 다운 타이머가 포함되며, 남은 시간이 줄어들면서 추적되는 카운트 다운 타이머 또는 리소스 추적이 포함되며, 자원 추적이 소비되는 자원의 양을 모니터링합니다.
Up/Down 카운터는 간단한 설계 및 동기화 작업에 대해 높은 가치가있어 빠르고 안정적인 계산이 필요한 시스템에 유리합니다.위아래를 모두 계산하는 능력은 유연한 제어를 보장하며, 이는 타이밍 정밀 및 빠른 응답이 정착되는 응용 분야에서 특히 유용합니다.이벤트 추적, 시간 유지 또는 리소스 관리에 사용 되든이 카운터는 다양한 디지털 시스템에서 간단하고 효과적인 솔루션을 제공합니다.
그들의 디자인은 상태간에 매끄럽고 예측 가능한 전환을 허용하므로 실시간 응용 프로그램에 이상적입니다.예를 들어, 산업 자동화 또는 디지털 시계와 같은 방향으로 순차적 계산이 필요한 이벤트 카운터, 타이머 또는 시스템에서 일반적으로 사용됩니다.
그들의 강점에도 불구하고, 위/다운 카운터는 더 빠른 속도로 도전에 직면 할 수 있습니다.클럭 속도가 증가함에 따라 전파 지연이 더욱 눈에 띄게되어 오류를 계산할 수 있습니다.이러한 지연은 신호가 카운터의 각 단계를 통과하는 데 시간이 오래 걸리므로 특히 고속 환경에서 시스템 타이밍의 정확도를 줄입니다.
카운터의 비트 크기가 커짐에 따라 또 다른 한계가 발생합니다.더 높은 숫자를 처리하는 더 큰 카운터는 시스템에 복잡성을 더합니다.이러한 복잡성 증가는 특히 다중 카운터가 더 큰 디지털 회로에 연결될 때 동기화 문제 또는 부정확 한 카운트를 도입 할 수 있습니다.대규모 디지털 시스템과 같은 여러 카운터에서 정확한 동기화에 의존하는 시스템은 설계를 신중하게 관리하지 않으면 결함이나 부정확성을 경험할 수 있습니다.
위/다운 카운터는 양방향으로 계산할 수있는 능력 때문에 많은 산업 및 기술 응용 분야에서 널리 사용됩니다.

그림 7 : 자동 리버싱 메커니즘
상향/다운 카운터의 가장 중요한 사용 중 하나는 자동 리버싱 메커니즘입니다.컨베이어 벨트 또는 모터 제어와 같은 시스템 에서이 카운터는 양방향 계산을 가능하게하여 기계적 움직임을 정확하게 관리 할 수 있습니다.예를 들어, 기계가 필요할 때 방향을 부드럽게 전환하여 생산 공정에 대한 제어를 향상시킬 수 있습니다.

그림 8 : 시간 및 신호 관리
Up/Down 카운터는 또한 시계 디비전 회로에서 중요한 역할을하며, 여기서 디지털 신호를 올바르게 유지하기 위해 시간 간격을 관리합니다.이 시스템에서 카운터는 클럭 신호를 더 작은 간격으로 나누어 전체 회로가 동기화되도록합니다.이는 프로세서 또는 통신 시스템과 같이 적절한 기능을 위해 정확한 신호 타이밍에 의존하는 디지털 장치에서 심각합니다.

그림 9 : 차량 주차 시스템
또 다른 실용적인 응용 프로그램은 차량 주차 시스템에 있으며, 위/다운 카운터는 사용 가능한 주차 공간을 추적합니다.자동차가 들어가거나 나갈 때마다 카운터는 개방형 지점의 수를 반영하도록 수를 조정합니다.이 자동 추적은 점유 수준에 대한 정확한 실시간 데이터를 제공하여 공간 관리를 향상시키고 주차 시설의 전반적인 효율성을 향상시킵니다.

그림 10 : 디지털 전자 장치의 주파수 분할
디지털 전자 장치 분야에서 위/다운 카운터는 주파수 분배기 역할을하여 입력 주파수를 더 작고 관리하기 쉬운 주파수로 분류합니다.이는 다른 구성 요소에 정확한 주파수 제어가 필요한 신호 처리 및 통신 시스템에서 특히 중요합니다.입력 주파수를 조절함으로써 이러한 카운터는 정확한 신호 타이밍 및 변조에 의존하는 장치에서 원활한 작동을 보장합니다.
이 기사 전체에서, 상향/다운 카운터의 복잡성과 다양성을 철저히 분석하여 디지털 회로 설계에서 유용한 역할을 보여줍니다.74193 IC와 같은 다양한 모델에 대한 자세한 탐색은 이러한 구성 요소가 디지털 시스템에 제공하는 적응성과 정밀도를 강조합니다.위아래로 카운터를 비교함으로써, 논의는 간단한 이벤트 계산에서 복잡한 주파수 부서에 이르기까지 다양한 응용 분야의 특정 장점을 강조합니다.또한이 기사는 전파 지연 및 동기화 문제와 같은 잠재적 한계를 해결하여 시스템 신뢰성을 향상시킬 수있는 효과적인 설계 고려 사항에 대한 통찰력을 제공합니다.확장 된 응용 프로그램 섹션은 정밀 제어 및 신호 관리 분야에서 카운터의 필수 유틸리티를 재확인하여 상향/다운 카운터가 현대 기술 인프라의 발전과 효율성의 기초임을 입증합니다.이 자세한 검사는 업/다운 카운터의 운영 뉘앙스뿐만 아니라 현대 디지털 시스템의 설계 및 기능에 큰 영향을 미칩니다.
74193은 동기 상향 다운 카운터로 설계된 특정 유형의 통합 회로 (IC)입니다.양방향으로 계산할 수 있습니다 : 증분 (위로) 및 감소 (다운).4 비트 바이너리 출력이 특징이며 4 비트 범위 내에서 모든 시퀀스로 계산하도록 설정할 수 있습니다.운영자는 일반적으로 산업 시스템의 디지털 시계 또는 이벤트 카운터와 같이 가역 카운팅이 필요한 응용 분야에서 사용합니다.
IC 74192는 동기식 업 다운 카운터의 또 다른 모델입니다.74193과는 달리 74192는 10 년 (0 ~ 9 또는 9 내지 0)을 통해 계산되도록 설계되었으므로 10 년 동안 카운터입니다.계산기 나 디지털 미터와 같은 이진 형태가 아닌 10 진수로 카운트를 표시하거나 계산 해야하는 경우 사용됩니다.
위쪽 아래 카운터는 클록 입력에서 각 펄스를 마시면 상태를 변경하여 선택한 모드에 따라 위 또는 아래로 계산하여 작동합니다.각 펄스는 카운터의 출력이 한 단위로 증가하거나 감소하게합니다.실제 응용 분야에서 기술자는 이러한 카운터를 사용하여 주파수와 시간 간격을 측정하거나 전방 또는 역전 수를 추적하여 기계 시스템의 위치를 결정할 수 있습니다.
상향식 카운터의 일반적인 IC 번호에는 위에서 논의한 바와 같이 74193 및 74192가 포함됩니다.이 숫자는 7400 시리즈의 디지털 로직 IC의 일부로 다른 기능 중에서 디지털 카운팅 작업을 위해 설계되었음을 나타냅니다.
카운터에 사용되는 통합 회로 (ICS)에는 계산 요구에 따라 다양한 유형이 포함됩니다.일반적으로 사용되는 IC는 각각 이진 및 소수점 계수를위한 74193 및 74192입니다.다른 것들은 4029를 포함 할 수 있으며, 이는 프로그래밍 가능한 업 다운 카운터 인 4029를 포함 할 수 있으며, 사전 설정된 계산 한도 및 다중 계산 모드가 필요한보다 복잡한 응용 프로그램에 적합합니다.제조 라인 또는 디지털 시스템과 같은 실제 시나리오에서 이러한 IC는 정확한 운영 또는 객체 수를 유지하는 데 도움이됩니다.
문의를 보내 주시면 즉시 응답하겠습니다.
9월21일에서
9월20일에서
4월18일에서 147757
4월18일에서 111937
4월18일에서 111349
4월18일에서 83721
1월1일에서 79508
1월1일에서 66913
1월1일에서 63055
1월1일에서 63012
1월1일에서 54081
1월1일에서 52131