산업 및 상업 부문에서 3 상 변압기는 전력의 효과적인 전송 및 분포에 중요한 역할을합니다.3 개의 단일 위상 변압기를 하나의 단위로 결합함으로써 비용, 크기 및 무게를 줄입니다.이 변압기는 구조 유형에 관계없이 고전압과 권선과 저전압 권선 사이의 전기 에너지의 균일 한 분포를 보장합니다.이 기사에서는 해당 구성, 운영 및 연결 구성을 설명하여 기능 및 응용 프로그램을 이해하는 데 도움이됩니다.자기 플럭스를 관리하고 에너지 손실을 최소화하는 코어 유형 및 쉘 타입 설계로 시작합니다.또한 운영 원리, 자기 플럭스 밸런싱 및 Delta/Delta, Delta/Wye, Wye/Delta 및 Wye/Wye와 같은 연결 유형과 Scott 및 Zig-Zag와 같은 전문 연결을 다룹니다.엔지니어가 최적의 성능과 신뢰성을 위해 올바른 변압기를 선택할 수 있도록 건식 유형과 액체로 채워진 변압기의 예와 비교가 제공됩니다.

그림 1 : 3 상 변압기 구성
그들은 단일 위상 변압기를 하나로 결합하여 돈, 공간 및 무게를 절약합니다.코어에는 고전압 부품과 저전압 부품 사이의 자기 흐름의 균형을 맞추는 3 개의 자기 회로가 있습니다.이 디자인은 3 단계 쉘 타입 변압기와 다르며, 이는 3 개의 코어를 그룹화하지만 합병하지 않습니다.단일 상 시스템에 비해 시스템을보다 효율적이고 신뢰할 수 있습니다.
3 상 변압기의 일반적인 설계는 3-LIMB 코어 유형입니다.각 사지는 자체 자기 흐름을지지하고 다른 사람의 리턴 경로 역할을하며 각각 120 도의 흐름을 생성합니다.이 위상 차이는 자기 흐름의 모양을 거의 정상을 유지하여 안정적인 출력 전압을 보장하고 왜곡과 손실을 줄이며 성능과 수명을 향상시킵니다.이 간단하고 효과적인 디자인은 표준 용도로 인기가 있습니다.

그림 2 : 핵심 유형
3 상 변압기의 핵심 유형 구조에서 디자인은 각각 2 개의 요크와 쌍을 이루는 3 개의 주요 코어에 중점을 둡니다.이 구조는 자기 플럭스를 효과적으로 분배합니다.각 코어는 1 차 및 2 차 권선을 지원하며 코어 다리 주변의 나선형으로 감겨 있습니다.이 설정은 각 다리가 고전압 (HV)과 저전압 (LV) 권선을 모두 가지고있어 전기 하중 및 자기 플럭스 분포의 균형을 유지합니다.
코어 유형 변압기의 또 다른 기능은 와상 전류 손실을 줄이는 것입니다.변화하는 자기장에 의해 도체 내에서 유도 된 에디 전류는 에너지 손실을 유발하고 효율을 줄일 수 있습니다.이러한 손실을 최소화하기 위해 코어가 적층됩니다.여기에는 와전류를 제한하고 그 충격을 줄이기 위해 각각 다른 사람으로부터 절연 된 얇은 자기 재료의 얇은 층을 쌓는 것이 포함됩니다.
권선의 위치는 또 다른 설계 측면입니다.저전압 권선은 코어에 더 가깝게 배치됩니다.이 배치는 LV 와인딩이 낮은 전압에서 작동하므로 단열재가 줄어들면서 절연 및 냉각을 단순화합니다.냉각을 향상시키고 과열을 방지하기 위해 LV 와인딩과 코어 사이에 단열 및 오일 덕트가 도입되어 변압기의 수명이 보장됩니다.
고전압 권선은 LV 권선 위에 배치되며, 오일 덕트로 절연되고 간격을두고 있습니다.이 오일 덕트는 고전압 하에서 절연 시스템의 효과를 냉각시키고 유지하는 데 가장 적합합니다.이러한 상세한 권선 및 라미네이트 코어 배열을 통해 코어 유형 변압기는 최소한의 에너지 손실과 높은 안정성으로 고전압을 효율적으로 처리 할 수 있습니다.이러한 설계 원칙은 핵심 유형 변압기가 효율적인 자기 플럭스 관리 및 고전압 작동이 필요한 응용 프로그램에 이상적입니다.
쉘 타입 변압기는 고유 한 설계 및 운영 이점이 특징 인 3 상 변압기 구성에 대한 다른 접근 방식을 제공합니다.이 설계에는 상이 상호 의존적 인 코어 유형 변압기와 달리 3 단계 단일 위상 변압기를 쌓아 3 상 장치를 형성하는 것이 포함됩니다.쉘 타입 변압기에서 각 단계에는 자체 자기 회로가 있으며 독립적으로 작동합니다.독립적 인 자기 회로는 서로 평행하게 배열되어 자기 플럭스가 위상이지만 서로 방해하지 않도록합니다.이 분리는 변압기의 안정성과 일관된 성능에 크게 기여합니다.

그림 3 : 쉘 유형
쉘 타입 변압기의 장점은 파형 왜곡을 줄입니다.각 위상의 독립적 인 작동은 코어 유형 변압기와 비교하여 깨끗하고 안정적인 전압 파형을 초래합니다.이는 왜곡이 장비 오작동으로 이어질 수있는 민감한 산업 및 상업 시스템에서와 같이 전압 품질이 손상되는 응용 분야에서 중요합니다.
쉘 타입 변압기도 효율적입니다.각 단계는 특정 부하 조건에 대해 독립적으로 최적화되어 신뢰성과 효율성을 향상시킬 수 있습니다.감소 된 파형 왜곡은 고조파 손실을 최소화하여 변압기의 효율과 수명을 더욱 향상시킵니다.
코어 유형 및 쉘 타입 변압기의 구성 및 작동은 엔지니어와 기술자가 전기 시스템에 적합한 변압기를 선택하는 데 도움이됩니다.고전압을 처리하거나 에너지 손실을 최소화하거나 안정적인 전압 공급을 보장 할 필요가 있는지 여부에 관계없이 적절한 변압기 유형을 선택하면 최적의 성능이 보장됩니다.

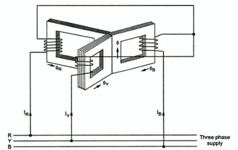
그림 4 : 3 상 변압기 작동
120도 간격으로 간격을 두는 3 개의 코어는 1 차 권선에 의해 생성 된 자기 플럭스의 효과적인 상호 작용을 보장하기 위해 3 상 변압기에서 사용됩니다.변압기의 코어는 1 차 권선에서 전류 IR, IY 및 IB에 의해 생성 된 자기 플럭스를 처리합니다.이 전류는 자기 플럭스를 생성합니다.3 상 전원 공급 장치에 연결된이 전류는 코어에서 자기 플럭스를 유발합니다.
균형 시스템에서, 3 상 전류 (ir + iy + ib)의 합은 0이므로 중앙 다리에서 0이 결합 된 자기 플럭스 (ɸr + ɸy + ɸB)로 이어집니다.따라서 다른 다리가 플럭스를 독립적으로 처리하므로 변압기는 중앙 다리없이 작동 할 수 있습니다.3 상 변압기는 3 단계에 걸쳐 전력을 고르게 분배하여 에너지 손실을 줄이고 전원 공급 장치 안정성을 향상시킵니다.효율적인 변압기 작동에 필요한 코어 구조의 플럭스 균형.3 상 변압기의 코어 내에서 자기 플럭스의 분포는 작동하려면 균형을 이루어야한다.코어의 120도 배치 및 전류의 정확한 유도는 효율적인 작동을 보장합니다.
다른 요구 사항을 충족시키기 위해, 3 상 변압기 권선은 다양한 방식으로 결합 될 수 있습니다."Star"(Wye), "Delta"(Mesh) 및 "InterConneced-Star"(Zig-Zag)는 세 가지 주요 유형의 연결 유형입니다.조합에는 응용 프로그램에 따라 2 차 별 연결과 연결된 1 차 델타가 포함될 수 있습니다.

그림 5 : 3 상 변압기 연결
델타/델타 연결은 단일 보조 전압이 필요하거나 1 차 하중이 주로 3 상 장비로 구성된 경우 널리 사용됩니다.이 설정은 480V 또는 240V에서 작동하는 대형 3 단계 모터 하중 및 최소 120 V 조명 및 리셉터클 요구가있는 산업 설정에서 일반적입니다.1 차 와인딩 사이의 회전 비율은 필요한 전압과 정렬 되므로이 설정은 다른 전압 변환에 적합하지 않습니다.

그림 6 : 델타/델타 변압기의 기호

그림 7 : 델타/델타 변압기의 연결 다이어그램
델타/델타 연결은 몇 가지 장점을 제공합니다.한 가지 이점은 감소 된 위상 전류이며, 이는 라인 전류의 57.8%에 불과합니다.이 감소는 3 상 하중을 공급하는 라인 도체와 비교하여 각각의 단일 상 변압기의 작은 도체를 허용하고, 재료 비용을 낮추고 시스템을 단순화 할 수있게한다.또한 고조파 전류는 취소되는 경향이있어 변압기가 1 차 회로와 2 차 회로 사이의 전기 노이즈를 분리하는 능력을 향상시킵니다.이로 인해 하중 서지 중에 최소한의 변동이있는 안정적인 2 차 전압이 발생합니다.단일 위상 변압기가 실패하면 시스템은 58%의 감소에도 불구하고 개방형 델타 구성을 통해 3 상 전압을 전달할 수 있습니다.
이러한 이점에도 불구하고 델타/델타 연결에는 주목할만한 단점이 있습니다.하나의 2 차 전압 만 제공하며, 이는 다양한 전압 요구에 대한 추가 변압기가 필요할 수 있으며 시스템 복잡성과 비용이 증가합니다.1 차 권선 도체는 전체 1 차 전압에 대해 절연되어야하므로 고전압 응용 분야에 추가 절연이 필요합니다.또 다른 단점은 2 차 측면에 공통점 지점이 없다는 것입니다. 이로 인해 고전압이 높아져 안전 위험이 있으며 잠재적 인 장비 손상이 발생할 수 있습니다.
델타/와이 연결은 다른 보조 전압에 사용되는 일반적인 변압기 설정입니다.다양한 전압 레벨을 동시에 제공 해야하는 시스템에 좋습니다.예를 들어, 공장 및 상업용 건물에서는 중장비의 고전압이 필요하며 조명 및 일반적인 사용 콘센트에는 전압이 낮아집니다.일반적인 용도로는 모터의 경우 208V, 조명 및 매장의 경우 120V를 제공 할 수 있습니다.델타/와이 연결은 이러한 다양한 전압 요구를 잘 처리 할 수 있습니다.
이 설정에서 1 차 권선은 델타 (δ) 모양이며, 2 차 권선은 wye (y) 모양입니다.기본 측면의 델타 연결은 고전력 하중을 처리하는 데 좋습니다. 강력하고 안정적인 전원 공급 장치를 제공합니다.이것은 대형 모터와 중장비가있는 산업 환경에 유용합니다.델타 배열은 또한 특정 유형의 전기 노이즈를 줄여서 연결된 장치에 더 깨끗한 전원 공급 장치를 보장합니다.

그림 8 : 델타/와이 변압기의 기호

그림 9 : 델타/와이 변압기의 연결 다이어그램
Wye 연결은 2 차 라인 전압이 각 단일 상 변압기의 1 차 및 2 차 권선을 켜는 동일한 수의 회전으로 1.73 배 더 높아지며, 이는 스텝 업 변압기 응용에 유리합니다.2 차 권선은 전체 2 차 라인 전압에 대해 절연 될 필요가 없기 때문에 절연이 적습니다.보조 측면에서 다중 전압의 가용성은 추가 변압기가 208V 라인 전압으로 3 상 시스템에서 120V 하중을 공급할 필요가 없을 수 있습니다.이점은 2 차 측면에서 시스템을 접지하기 위해 공통점의 존재이며, 전압 전위를 접지 할 수있는 전위를 제한하고 2 차상 전압을 초과하는 것을 방지합니다.
그러나 델타/와이 연결에는 단점이 있습니다.1 차 권선은 전체 3 상 라인 전압에 대해 절연되어야하며, 특히 고전압 스텝 다운 응용 분야의 경우 추가 절연이 필요합니다.2 차 Wye 연결은 고조파 전류를 취소하지 않아 변압기의 안정성과 효율에 영향을 미칩니다.2 차 권선은 전체 3 상 라인 전류를 전달해야하므로 동일한 용량을 가진 델타 시스템보다 커야합니다.
Wye/Delta 연결이라고도하는 Y/δ 변압기 연결은 전력 시스템의 일반적인 설정입니다.단일 보조 전압이 필요하거나 주하가 산업용 모터 및 중장기와 같은 3 상 장비 일 때 유용합니다.이 설정은 종종 스텝 다운 변압기에서 사용하여 높은 1 차 전압을 낮추고보다 효율적인 2 차 전압을 낮추십시오.
이와 관련하여, 1 차 권선은 와이 (Y) 모양으로 배열되며, 각각의 권선은 일반적으로 접지 된 공통 중성 지점에 연결되며, 이는 일반적으로 접지됩니다.2 차 권선은 델타 (δ) 모양으로 배열되어 루프를 형성합니다.위상 관계 및 전압 레벨은 안정화되는 반면 3 상 전력은이 설정을 사용하여 변형됩니다.

그림 10 : 와이/델타 변압기의 상징

그림 11 : Wye/Delta Transformer의 연결 다이어그램
턴 비율은 Wye 연결로 인해 1.73 (또는 57.8%)만큼 감소되는 2 차 라인 전압을 초래하여 스텝 다운 변압기 응용에 도움이됩니다.이를 통해 2 차 고조파 전류가 취소되어 1 차 회로와 2 차 회로 사이에 탁월한 노이즈 분리가 제공됩니다.1 차 권선은 전체 3 상 라인 전압에 대해 절연 될 필요가 없으므로 고전압에서 물러날 때 절연 요구 사항이 줄어 듭니다.단일 위상 변압기 고장이 발생하지만 58% 더 낮은 용량으로 개방형 델타 시스템을 사용하여 3 상 전력을 전달할 수 있습니다.
와이/델타 연결에는 단점이 있습니다.델타/델타 연결과 마찬가지로 단일 2 차 전압 만 제공하므로 조명 및 리셉터클 하중을 공급하기 위해 추가 변압기가 필요합니다.2 차 측면에는 공통 지점이 없으므로 고전압이 높아집니다.1 차 권선 도체는 전체 3 상 라인 전류를 전달해야하므로 동일한 용량의 델타 연결 1 차에 비해 더 큰 도체가 필요합니다.마지막으로, Wye 1 차 권선의 공통점은 불균형 하중으로 전압 변동을 피하기 위해 시스템 중립에 연결되어야합니다.
Wye/Wye 변압기 연결은 노이즈 전달, 고조파 왜곡, 통신 간섭 및 위상 전압 불안정성으로 인해 거의 사용되지 않습니다.와이/와이 설정에서, 1 차 와인딩과 2 차 권선의 중립 지점이 접지된다.이 접지는 기준점을 제공하고 부하의 균형을 맞출 수 있지만 1 차 회로와 2 차 회로 사이에 노이즈가 전달 될 수 있습니다.이는 한쪽의 전기 노이즈가 다른쪽으로 쉽게 이동하여 민감한 전자 장비를 피하고 비 효율성을 유발할 수 있음을 의미합니다.
와이/와이 연결은 전류와 전압을 왜곡하는 원치 않는 주파수 인 고조파에 걸리기 쉽다.고조파는 정류기 및 가변 주파수 드라이브와 같은 비선형 하중에서 나올 수 있습니다.Delta/Wye와 같은 다른 구성과 달리 Wye/Wye 변압기는 이러한 조화를 효과적으로 취소하지 않습니다.

그림 12 : 와이/와이 변압기의 상징

그림 13 : Wye/Wye Transformer의 연결 다이어그램
• 불균형 하중에 민감하여 와인딩에서 불균형 전류를 유발하여 과열 및 효율을 줄일 수 있습니다.
• 순환 중성 전류는 특히 불균형 하중으로 발생할 수 있으며 추가 보호 조치가 필요합니다.
• Wye/Wye 변압기 접지는 다른 구성에 비해 더 복잡하여지면 루프 및 안전 위험이 발생합니다.
• 비선형 하중에 의해 생성 된 고조파 전류의 전압 왜곡은 민감한 장비의 성능에 영향을 줄 수 있으며 추가 필터링 또는 완화 조치가 필요할 수 있습니다.
• 연결의 복잡성과 불균형 하중 및 중립 전류와 같은 문제를 해결하기 위해 관련된 추가 조치로 인해 Wye/Wye 변압기를 구현하는 것이 더 비쌀 수 있습니다.

그림 14 : 열린 델타 또는 V-V 연결
열린 델타 연결에는 2 개의 단일 위상 변압기가 사용됩니다.이 설정은 하나의 변압기가 분해되거나 유지 보수가 필요한 경우 유용합니다.초기 설정에서 3 개의 변압기를 사용했지만 나머지 2 개는 여전히 3 상 전력을 제공 할 수 있지만 58%의 용량이 감소 할 수 있습니다.
이 배열에서, 두 변압기의 1 차 권선은 한쪽 다리가 열린 델타에 연결됩니다.위상 전압 VAB 및 VBC는 두 변압기의 2 차 권선에서 생성되는 반면, VCA는 다른 두 변압기의 2 차 전압에서 생성됩니다.이런 식으로, 3 상 전원 공급 장치는 3 단계 대신 2 개의 변압기로 계속 작동 할 수 있습니다.
균형 잡힌 델타 델타 연결에서 열린 델타로 전환하면 각 변압기는 훨씬 더 많은 전류를 처리해야합니다.이 증가는 정상 금액의 약 1.73 배이며, 이는 변압기에 정상 용량보다 73.2% 더 많은 것을 과부하 할 수 있습니다.유지 보수 중 과열 및 손상을 방지하려면 부하를 동일한 계수 1.73으로 줄여야합니다.
한 단계가 나올 것으로 예상되는 경우, 열린 델타 연결을 사용하여 변압기에서 작업하는 동안 일을 계속 실행할 수 있습니다.

그림 15 : Scott 연결
90 ° 위상 변속으로 2 상 전압을 생성하기 위해 3 상 변압기의 Scott 연결은 2 개의 변압기를 사용합니다. 하나는 두 권선의 중심 탭이 있고 다른 하나는 86.6% 탭이 있습니다.이 설정을 통해 단일 변압기와 3 상 시스템 간의 전원을 2 개의 변압기로 변환 할 수 있습니다.
두 변압기는 자기 적으로 분리되지만 전기적으로 연결되어 있습니다.보조 변압기는 30 ° 위상 이동과 병렬로 연결되는 반면, 메인 변압기는 1 차 권선에서 3 상 공급 전압을 가져옵니다.단상 하중의 경우 와인딩은 2 차 측면에서 병렬로 연결됩니다.소스 전압은 결합 된 이차로 이동하여 단상을 3 상으로 변경하여 균형 잡힌 3 상 출력을 제공합니다.
변압기 코어를 별도로 유지 함으로써이 자기 분리를 통해 2 개의 변압기는 과부하없이 3 상 전기에 필요한 세 번째 위상 전압을 생성 할 수 있습니다.단일 위상을 3 상 또는 3 상으로 3 상에서 3 단계에서 단상 전압으로 변경하면 Scott 연결은 비용 효율적인 선택입니다.Scott 연결은 종종 3 상 시스템을 2 상 시스템으로 변환하는 데 사용됩니다.
지그재그 변압기 연결은 각 위상을 두 개의 동일한 반쪽으로 분할하는 것이 포함되며, 전반전은 하나의 코어에서, 하반기는 다른 코어에서 하반기입니다.이 패턴은 각 단계에 대해 반복되어 각 사지의 두 상 부분을 초래하고 각 사지에 하나의 권선이 엔드 포인트에 연결됩니다.
균형 전압이 적용될 때, 시스템은 수동적으로 유지되며, 유도 된 전압이 서로를 취소하여 변압기를 양수 및 음의 시퀀스 전압에 대한 높은 임피던스로 설정합니다.지면 결함과 같은 불균형 상태에서 권선은 0 시퀀스 전류에 대한 낮은 임피던스 경로를 제공하여 전류를 3으로 균등하게 분할하여 각 단계로 되돌립니다.임피던스는 최대지면 결합 전류를 설정하도록 조정될 수 있거나 변압기는지면 저항과 함께 사용하여 중간 전압 시스템에서 일관된 값을 유지할 수 있습니다.

그림 16 : 지그재그 3 상 연결
3 상 변압기는 드라이 타입 변압기와 액체로 가득한 변압기의 두 가지 주요 범주로 분류됩니다.각 유형은 냉각 방법과 구성을 기반으로 고유 한 특성을 가지고 있습니다.

그림 17 : 건식 유형 변압기
건식 유형 변압기는 냉각을 위해 공기를 사용합니다.그들은 개방형 프레임 변압기와 캐스트 레신 코일 변압기로 나뉩니다.
오픈 프레임 변압기 : 오픈 프레임 트랜스포머는 수지 함침 코어와 코일을 노출 시켰으며 밀폐 된 공간을 위해 설계되었습니다.일반적으로 최대 1000V 전압을 처리하고 최대 500kVA의 전원을 섭취합니다.그들의 설계를 통해 효율적인 냉각을 허용하므로 소음이 적고 유지 보수가 적은 환경에 적합합니다.그러나 그들의 노출 된 특성은 오염을 피하기 위해 통제 된 환경이 필요합니다.
캐스트 레신 코일 변압기 : 캐스트 레신 코일 변압기에서 각 코일은 에폭시로 단단하게 주조되어 더 나은 보호와 신뢰성을 제공합니다.최대 36.0kV의 전압을 처리하고 최대 40 MVA의 전원을 처리 할 수 있습니다.에폭시 캡슐화는 탁월한 단열재, 기계적 강도 및 수분 및 오염 물질에 대한 저항성을 제공합니다.이것은 산업 및 실외 환경에 이상적입니다.

그림 18 : 액체로 채워진 변압기
액체로 채워진 변압기는 진공 밀봉 금속 용기 내부의 미네랄 오일에 담겨 있습니다.오일은 냉각 및 절연 매체 역할을합니다.이 변압기는 6.0kV ~ 1,500kV의 등급과 최대 1000+ MVA의 등급을 갖는 더 높은 전력 및 전압 응용 분야에 적합합니다.미네랄 오일은 우수한 냉각 효율과 단열재를 제공하여 고음 산업 및 유틸리티 애플리케이션에 이상적입니다.
진공 밀봉 용기는 구성 요소를 환경 적 요인으로부터 보호하여 내구성과 신뢰성을 보장합니다.액체로 채워진 변압기는 높은 하중을 처리하고 안정적인 성능을 유지하는 능력으로 인해 대규모 전력 분포에 선호됩니다.물건을 원활하게 유지하고 과열을 피하려면 오일 침지를 통해 열이 적절하게 소산되어야합니다.
코어 유형 또는 쉘 타입이든 3 상 변압기 구조는 자기 플럭스 관리 및 손실 감소에 가치가 있습니다.코어 형 변압기는 고전압 작업에 적합한 반면 쉘 타입 변압기는 더 나은 파형 안정성과 효율을 제공합니다.균형 자기 플럭스 분포 및 120도 코어 배치를 포함한 운영 원리는 효율성과 에너지 손실 감소를 보장합니다.Scott 및 Zig-Zag와 같은 특수 연결은 특정 응용 프로그램에 대한 다양한 기능을 향상시킵니다.건식 유형과 액체로 채워진 변압기 중에서 선택하는 것은 냉각 요구, 전압 수준 및 환경 조건에 달려 있습니다.다양한 변압기 유형 및 구성의 기술적 세부 사항과 이점을 이해하면 엔지니어는 안정성, 효율성 및 수명을위한 전원 시스템을 최적화 할 수 있습니다.
3 상 모터가 상 중 하나를 잃으면 조건을 단일 단계로 알려져 있습니다.모터는 계속 작동하려고하지만 몇 가지 부작용이 발생합니다.첫째, 모터는 전력을 덜 생성하고 진동과 소음이 증가하여 작동합니다.또한 나머지 두 단계에서 더 전류를 끌어 올려 모터 권선에 과열되고 잠재적 손상이 발생합니다.이러한 조건에서 달리면 모터가 손상을 입을 수 있으며 수명이 줄어 듭니다.실제로, 운영자는 비정상적인 허밍 사운드, 성능 감소 및 모터 케이싱 온도의 증가를 알 수 있습니다.
3 상 변압기는 델타 (δ) 또는 wye (y) 구성에 연결됩니다.델타 연결은 각 변압기 와인딩이 연결된 엔드 투 엔드와 함께 폐쇄 루프를 형성하여 삼각형을 만듭니다.와이 연결은 각 변압기 와인딩을 공통 중립 지점에 연결하여 'y'모양을 형성합니다.이러한 구성은 전압 레벨, 하중 분포 및 전기 시스템의 접지 방법에 영향을 미칩니다.
3 상 변압기는 1 차 측면에 6 개의 단자, 2 차 측면에는 6 개의 터미널이 있습니다.이 말단은 3 상 (A, B 및 C) 및 각각의 끝 (1 차 측면의 H1, H2, H3 및 보조 측면의 경우 X1, X2, X3)에 해당합니다.변압기가 wye (y) 연결로 구성되는 경우 1 차 및 2 차 측면에 중립 단자가있을 수 있습니다.
3 상 변압기에는 델타 델타 또는 델타-웨이 구성에 연결된 경우 3 개의 1 차 와이어와 3 개의 2 차 와이어가 있습니다.Wye-Wye 또는 Wye-Delta 구성에 연결된 경우 1 차 측면, 2 차 측면 또는 둘 중 하나에 추가 중립선이있을 수 있습니다.따라서 구성 및 중립 연결의 존재에 따라 각 측면에 3-4 개의 와이어가있을 수 있습니다.
3 상 시스템은 세 가지 전원 케이블을 사용하며 각각의 전원 공급 장치 1 단계를 사용합니다.시스템에 중립선이 포함 된 경우 총 4 개의 케이블이 있습니다.접지 (접지) 와이어를 포함하는 시스템의 경우 3 개의 위상 와이어, 1 개의 중성선 및 1 개의 접지선이있는 5 개의 케이블이있을 수 있습니다.
3 상 변압기의 한 단계가 실패하면 몇 가지 문제가 발생할 수 있습니다.변압기는 균형 잡힌 3 상 전력을 공급할 수 없어 불균형 하중을 초래합니다.이 조건은 과열, 나머지 단계에서 전류 증가 및 연결된 장비의 손상을 일으킬 수 있습니다.전력 품질은 악화되어 잠재적 오작동 또는 장치의 3 상 전력에 의존하는 장치의 고장으로 이어질 것입니다.연산자는 성능 감소, 노이즈 증가 및 전기 시스템의 과부하가 발생할 수 있습니다.
가장 일반적인 3 상 연결은 델타-웨이 (δ-Y) 연결입니다.이 구성에서, 1 차 권선은 델타 배열에 연결되며 2 차 권선은 Wye 배열에 연결됩니다.이 설정은 전압 변환을 허용하고 접지를위한 중립 지점을 제공하여 전기 분포 시스템의 안전성과 안정성을 향상시키기 때문에 널리 사용됩니다.
전력 분포 : 장거리에 대한 전력의 전송 및 분포에 가치가있어 안전한 주거, 상업 및 산업용 전압 수준이 줄어 듭니다.
산업 장비 : 많은 산업용 기계 및 모터 드라이브는 효율적인 작동을 위해 3 상 전력이 필요하므로 이러한 변압기는 산업 환경에서 좋습니다.
HVAC 시스템 : 대형 난방, 환기 및 에어컨 시스템은 종종 압축기와 모터에 3 상 전력을 사용합니다.
재생 가능한 에너지 시스템 : 풍력 및 태양 광 발전소와 같은 재생 가능한 에너지 설정에 사용되어 생성 된 전력을 효율적으로 변형시키고 배포합니다.
전기 그리드 : 변전소 및 전력망에서 역할을하여 높은 전송 전압을 낮추고 분포 수준을 낮추십시오.
문의를 보내 주시면 즉시 응답하겠습니다.
6월29일에서
6월28일에서
4월18일에서 147757
4월18일에서 111935
4월18일에서 111349
4월18일에서 83719
1월1일에서 79508
1월1일에서 66903
1월1일에서 63027
1월1일에서 63010
1월1일에서 54081
1월1일에서 52122