

|
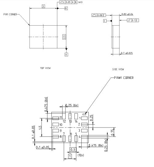
핀 번호 |
설명 |
|
1 |
SDO, SPI 4W의 직렬 데이터 출력 |
|
2 |
ASDX, AUX 인터페이스 / OIS 인터페이스 |
|
3 |
ASCX, AUX 인터페이스 / OIS 인터페이스 |
|
4 |
INT1, 인터럽트 핀 1 |
|
5 |
vddio, 디지털 VO 공급 전압 (1.2 .. 3.6v) |
|
6 |
Gndio, V0의 접지 |
|
7 |
GND, 디지털 및 아날로그의 지상 |
|
8 |
VDD, 전원 공급 장치 아날로그 및 디지털 (1.71 .. 3.6V) |
|
9 |
INT2, 인터럽트 핀 2 |
|
10 |
OCSB, OIS 인터페이스 |
|
11 |
Osdo, OIS 인터페이스 |
|
12 |
SPI 모드 용 CSB, 칩 선택 |
|
13 |
SCX, SP/4C 직렬 클럭 (SCK/SCL) |
|
14 |
SDX, 직렬 데이터 VO |



그만큼 BMI270 저전력 소비를 우선시하는 웨어러블 장치를 위해 세 심하게 제작되어 통합 센서의 앙상블을 통해 특별한 모션 감지를 자랑합니다.이 복잡한 장치는 단단히 짜여진 구조의 16 비트 가속도계와 3xixial 자이로 스코프를 병합하여 효율적인 공간 사용량과 본격적인 기능 사이의 균형을 맞 춥니 다.
정확한 모션 분석을 제공하면서 에너지 사용을 최소화하는 BMI270의 능력은 주목할만한 기술 도약을 나타냅니다.전력 효율성이 귀하의 경험을 형성하는 Wearable Tech의 세계에서 이러한 발전은 콘텐츠에 크게 영향을 줄 수 있습니다.편의성을 소중히 여기는 기술 애호가의 경우, 확장 된 배터리 수명은 일반 충전의 번거 로움을 줄입니다.
삼성 자이로 스코프와 가속도계를 하나의 단위로 통합하면 데이터의 정밀도와 장치의 작은 설계를 모두 최적화합니다.기술 부문의 경험에 따르면 부품의 원활한 통합은 장치의 성능을 유지하는 동시에 빌드를 단순화하고 크기를 줄이는 데 핵심입니다.이 전략은 개발 비용을 줄임으로써 귀하에게 도움이 될뿐만 아니라 피트니스 활동 추적에서 제스처 제어 기능 가능성에 이르기까지 다양한 용도를 수용 할 수 있습니다.
|
특징 |
설명 |
|
패키지 |
소형 표준 크기 LGA 금형 패키지, 14 핀,
발자국 2.5x3.0mm², 높이 0.83mm |
|
디지털 인터페이스 |
10MHz SPI (4- 와이어,
3 와이어) 및 최대 1MHz I²C (FM+) |
|
출력 데이터 속도 (ODR) |
25Hz -6.4 kHz (자이로 스코프), 0.78 Hz -1.6 kHz
(가속도계) |
|
저역 통과 필터 |
대역폭 ~ 513-680 Hz가있는 프로그래밍 가능한 저역 통과 필터
(가속도계), ~ 890 Hz (자이로 스코프) |
|
전원 공급 장치 |
아날로그 VDD : 1.71V -3.6V;독립 vddio : 1.2V -3.6V |
|
전력 소비 |
초경량 전류 소비, 일반적인 685 μa (전체
ODR 및 별칭이없는 작동) |
|
자이로 스코프 성능 모드 |
저음 레벨, 일반적인 < 8 mdps/√Hz |
|
전력 관리 장치 (PMU) |
고급 전력 관리 및 저전력을위한 내장 PMU
모드 |
|
시작 시간 |
자이로 스코프 (빠른 시작 모드)의 경우 2ms, 2ms
가속도계 |
|
보조 인터페이스 |
자유롭게 구성 가능;400 kHz I²C (FM) 마스터 인터페이스
하나의 보조 센서 허브 (예 : 자력계, 압력) |
|
고속 SPI |
고속 응용 분야를위한 10MHz SPI (4- 와이어, 3 와이어);
최대 676 μs 그룹 지연으로 최대 6.4 kHz ODR |
|
온칩 FIFO 버퍼 |
가속도계, 자이로 스코프 용 2KB FIFO 버퍼,
타임 스탬프 및 보조 센서 데이터 |
|
상쇄 보상
|
가속도계에 대한 빠른 오프셋 오류 보상
자이로 스코프 |
|
민감도 보상 |
자이로 스코프에 대한 빠른 감도 오류 보상 (CRT,
최대 감도 오류 < 1%) |
|
동기화 |
가속도계, 자이로 스코프 및 보조의 HW 동기화
센서 (< 1 μs) |
|
타임 스탬프 |
정확한 시스템 및 센서 시간을위한 센서 타임 스탬프
동기화 (< 40 μs) |
|
프로그래밍 가능한 I/O 핀 |
인터럽트를위한 2 개의 독립적 인 프로그래밍 가능한 VO 핀
동기화 이벤트 |
|
규정 준수 |
ROHS 준수, 할로겐 및 무연 |
BMI270 센서는 크기와 정확도가 작기 때문에 다양한 최첨단 기술에서 자리를 찾습니다.그것의 통합은 참여와 경험을 높이는 데 중점을 둔 산업에 적용됩니다.
웨어러블 장치의 경우 BMI270은 모션 감지 능력으로 빛납니다.이 구성 요소는 체력 추적, 건강 모니터링 및 활동 인식에 유용한 정확한 데이터를 제공합니다.이러한 원활한 센서 통합이 일상 활동을 풍부하게하고 더 건강한 라이프 스타일에 영감을주는 경우가 종종 있습니다.전력 소비 관리에 대한 센서의 효율성은 이러한 장치의 배터리 수명을 연장하여보다 휴대 가능하고 액세스 할 수 있도록합니다.
오디오 액세서리의 세계에서 센서의 가속 데이터를 처리하는 기능은 노이즈 취소 및 오디오 조정과 같은 기능을 향상시킵니다.이 적응 기술은 당신의 움직임과 환경 변화에 반응하여 매일의 리듬에 쉽게 맞는 더 풍부하고 직관적 인 청각 경험을 제공합니다.
혁신적인 섬유 분야는 BMI270 센서로 혁명을 일으켰습니다.이 센서가 장착 된 스마트 의류는 활동 분석을 제공하여 신체 자세 교정을 지원합니다.다재다능한 의류에 대한 수요가 증가함에 따라 이러한 센서를 통합하면 행동과 인체 공학에 대한 통찰력을 제공하여 건강과 체력에서보다 개별화 된 솔루션을 촉진합니다.
증강 및 가상 현실 내에서 BMI270은 신속하고 정확한 모션 추적을 가능하게하는 기본입니다.그것은 당신이 강화 된 제어와 상호 작용으로 디지털 세계로 뛰어들 수있게 해줍니다.Motion Sickness를 최소화함으로써 센서는 AR/VR 배포의 통찰력을 통해 이러한 선구자 경험을 향상시켜 욕구와 요구에 더 잘 맞도록 편안함과 참여를 향상시킵니다.

BMI270 센서는 현대적인 웨어러블 및 풍성한 기술에 적용하는 데 탁월합니다.I2C 및 SPI 인터페이스 모두에 대한 적절한 지원을 통해 제스처 인식 및 활동/컨텍스트 탐지와 같은 응용 프로그램에 대한 문을 열어 기술에 대한 완벽한 경험을 촉진하고 주변 환경에 대한 인식이 향상됩니다.
BMI270에 의해 촉진 된 제스처 인식은 귀하와 귀하의 기술 장치 간의 정교하지만 자연스러운 상호 작용을 허용합니다.센서는 제스처를 올바르게 해석함으로써 인터페이스의 기능을 재정의합니다.웨어러블 기술의 세계에서 제스처는 종종 기존의 버튼 컨트롤을 사용합니다.이를 통해 장치를 신중하고 효과적으로 관리 할 수 있습니다. 물리적 상호 작용이 덜 가능할 때 대부분 유리한 기능입니다.제스처 인식 알고리즘의 지속적인 개선은 다양한 선호도 및 요구 사항에 맞는보다 적응력 있고 반응 형 시스템에 기여합니다.
피트니스 트래커는 일반적으로 제스처 인식을 특징으로하므로 운동 모드를 전환하거나 손목의 단순한 영화로 운동 세션을 시작할 수 있습니다.이 제스처 제어 기능은 스마트 이어 버드에서 미러링되며, 기기와 물리적으로 상호 작용할 필요없이 노래를 바꾸거나 볼륨 레벨을 조정하는 편의를 즐기십시오.이러한 제스처 기술의 발전은 다양한 응용 분야에서 만족도를 높이고 참여를 심화시키는 능력을 강조합니다.
|
유형 |
매개 변수 |
|
공장 리드 타임 |
14 주 |
|
장착 유형 |
표면 마운트 |
|
패키지 / 케이스 |
14-VFLGA |
|
작동 온도 |
-40 ° C ~ 85 ° C |
|
포장
|
테이프 & 릴 (TR) |
|
부품 상태 |
활동적인 |
|
수분 감도 수준 (MSL) |
1 (무제한) |
|
출력 유형 |
I2C, SPI |
|
센서 유형 |
가속도계, 자이로 스코프, 6 축 |
|
ROHS 상태 |
ROHS3 준수 |

Robert Bosch Gmbh Umbrella에서 운영되는 Bosch Sensortec GmbH는 MEMS (Micro-Electro-Mechanical Systems) 기술에 대한 전문 지식으로 두드러집니다.이 회사의 주요 임무는 다양한 장치가 자신의 환경에 어떻게 참여하는지 향상시키는 고급 센서 솔루션을 제작하는 것입니다.여기에서 개발 된 기술은 수많은 소비자 전자 제품과 IoT (Internet of Things) 장치의 도메인으로 향합니다.이러한 센서의 심각한 영향은 웨어러블 기술, 스마트 홈 장치 및 다양한 산업 응용 프로그램과 같은 혁신의 정확성과 기능을 향상시키는 데 분명합니다.
Bosch Sensortec GMBH는 끊임없는 혁신과 연구 개발에 대한 주목할만한 투자를 통해 정밀도, 효율성 및 신뢰성을 높이는 센서를 설계했습니다.그들의 MEMS 기반 혁신은 모션 감지, 환경 모니터링 및 에너지 관리를 포함한 다양한 영역에 서비스를 제공합니다.예를 들어, 센서는 오리엔테이션 감지, 제스처 인식 및 환경 변화에 대한 적응과 같은 모바일 장치 기능을 업그레이드하는 데 심각한 역할을합니다.이러한 진보는 귀하의 경험을 풍요롭게 할뿐만 아니라 최첨단 센서 기술에 대한 새로운 산업 표준을 확립합니다.
문의를 보내 주시면 즉시 응답하겠습니다.
BMI270은 정확한 가속 및 각도 속도 측정을 결합하여 모션 트리거 기능을 통합합니다.이 통합은 다양한 소비자 전자 애플리케이션에 사용되는 향상된 모션 감지 및 추적 기능을 지원합니다.이러한 고급 측정을 활용하여 장치는 물리적 움직임과 방향을 추적하는 데있어 우수한 성능을 달성 할 수 있습니다.이를 통해 몰입 형 게임 경험에서부터 세심한 체력 추적에 이르기까지 광범위한 기능을 가능하게합니다.
BMI270은 다양한 산업 전반에 걸쳐 활용되는 고품질 센서로 유명한 Bosch Sensortec에 의해 제작되었습니다.Bosch의 센서 기술에 대한 뿌리 깊은 전문 지식을 통해 BMI270은 현대적인 전자 장치의 엄격한 벤치 마크를 충족시켜 신뢰할 수있는 성능을 지속적으로 제공합니다.
BMI270은 동적 조건에서 더 높은 정확도를 위해 엔지니어링 된 몇 가지 향상된 가속도계를 특징으로합니다.이러한 향상은 가상 현실 또는 자율적 인 항법과 같은 정확한 모션 감지가 필요한 시나리오에서 주로 유리한 것으로 판명되며, 사소한 부정확성조차도 경험을 방해 할 수 있습니다.
BMI270의 성능은 가속도계 기능의 포괄적 인 개선을 통해 증가합니다.이러한 향상에는 노이즈 감소 및 측정 오류의 최소화가 포함되며, BMI270이 장착 된 장치가 다양한 조건에서보다 효과적으로 작동 할 수 있습니다.의료 또는 항공 우주 기술과 같은 정밀도가 지배적 인 산업에서는 이러한 업그레이드는 상당한 이점을 제공합니다.
BMI270은 0-G 오프셋을 줄이고 감도 오차를 줄임으로써 주목할만한 향상을 달성합니다.제로 G 오프셋의 감소는 고정 기간 동안 센서의 정확성을 강화하는 반면 감도 오류를 낮추면 다양한 환경 조건에서보다 안정적인 작동을 보장합니다.이러한 이중 개선으로 인해 BMI270은 센서 솔루션의 정밀성 및 신뢰성을 우선시하는 데 강력한 옵션입니다.
11월4일에서
11월4일에서
4월18일에서 147757
4월18일에서 111932
4월18일에서 111349
4월18일에서 83719
1월1일에서 79508
1월1일에서 66894
1월1일에서 63010
1월1일에서 62996
1월1일에서 54081
1월1일에서 52113