

|
n ° |
이름 |
유형 |
기능 |
|
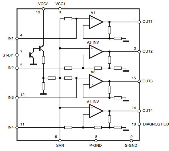
1 |
OUT1 |
밖으로 |
채널 1 출력 |
|
2 |
Out2 |
밖으로 |
채널 2 출력 |
|
3 |
VCC1 |
pwr |
전원 공급 장치 |
|
4 |
in1 |
안에 |
채널 1 입력 |
|
5 |
in2 |
안에 |
채널 2 입력 |
|
6 |
SVR |
안에 |
공급 전압 거부 |
|
7 |
st-by |
안에 |
대기 제어 핀 |
|
8 |
p-gnd |
pwr |
전원 접지 |
|
9 |
s-gnd |
pwr |
신호 접지 |
|
10 |
진단 |
밖으로 |
진단 출력 |
|
11 |
in4 |
안에 |
채널 4 입력 |
|
12 |
in3 |
안에 |
채널 3 입력 |
|
13 |
VCC2 |
pwr |
전원 공급 장치 |
|
14 |
Out4 |
밖으로 |
채널 4 출력 |
|
15 |
out3 |
밖으로 |
채널 3 출력 |


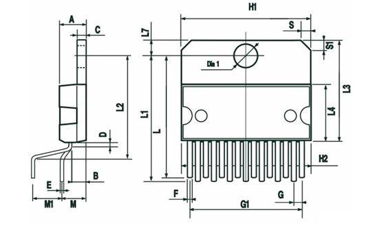
그만큼 STA540 앰프는 15 핀 Multiwatt Ecopack® PB-Free 패키지에 캡슐화됩니다.이 친환경 디자인은 ROHS 표준을 준수하여 전자 구성 요소의 지속 가능성에 대한 약속을 보여줍니다.무모한 특성은 생태 학적 영향을 줄이며 전자 산업의 녹색 기술로의 전환을 반영합니다.
STA540은 내장 단락 및 열 보호 시스템을 갖추고있어 불규칙한 작동 조건으로부터 보호하여 신뢰성을 향상시킵니다.열 보호는 자율적으로 과열을 처리하여 성능 안정성을 유지합니다.따라서 실패 위험에 대해 걱정하기보다는 그들의 노력을 혁신에 전달할 수 있습니다.이러한 보호 장치와 함께 앰프의 진단 기능은 빠른 결함 감지를 제공하여 다운 타임 감소 및 성능 최적화를 촉진합니다.효율적인 문제 해결은 경미한 좌절과 상당한 운영 중단을 구별합니다.
전자 장치 설계에 대한 실제 경험에 대한 통찰력으로 STA540은 명확성과 견고성이 활성화되는 오디오 애플리케이션에 널리 사용됩니다.그 신뢰성은 전문 오디오 시스템과 소비자 제품 모두에서 가장 좋아합니다.이러한 신뢰할 수있는 구성 요소에 대한 선호는 내구성과 효율적인 성능을 약속하는 제품에 대한 경향을 보여줍니다.ROHS 표준을 준수하는 STA540은 전자 제품의 위험 물질 감소의 진행 상황입니다.이 전환은 환경 손상을 줄이고 지속 가능한 발전에 대한 윤리적 의무를 강조하며, 보존과 책임을 우선시하는 사회적 가치와 공명합니다.

|
유형 |
매개 변수 |
|
수명주기 상태 |
Active (마지막 업데이트 : 7 개월 전) |
|
공장 리드 타임 |
6 주 |
|
접촉 도금 |
주석 |
|
산 |
구멍을 통해 |
|
장착 유형 |
구멍을 통해 |
|
패키지 / 케이스 |
Multiwatt-15 (수직, 구부러진 및 비틀 거리는 리드) |
|
핀 수 |
15 |
|
작동 온도 |
0 ° C ~ 70 ° C TA |
|
포장 |
튜브 |
|
부품 상태 |
활동적인 |
|
수분 감도 수준 (MSL) |
1 (무제한) |
|
종료 수 |
15 |
|
ECCN 코드 |
귀 99 |
|
유형 |
클래스 AB |
|
최대 전력 소산 |
36W |
|
전압 - 공급 |
8V ~ 22V |
|
터미널 위치 |
지그재그 |
|
기능 수 |
1 |
|
터미널 피치 |
1.27mm |
|
기본 부품 번호 |
STA540 |
|
핀 수 |
15 |
|
출력 유형 |
2 채널 (스테레오) 또는 4 채널 (쿼드) |
|
공급 전압 |
18V |
|
공급 전압-맥스 (VSUP) |
22V |
|
공급 전압 -Min (VSUP) |
8V |
|
채널 수 |
4 |
|
전력 소산 |
36W |
|
출력 전원 |
34W |
|
공급 유형 |
하나의 |
|
대역폭 |
22 kHz |
|
전압 게인 |
26db |
|
얻다 |
26 DB |
|
최대 출력 전력 |
38W |
|
최대 출력 전원 X 채널 @ load
|
38W x 2 @ 4 Ω;16W x 4 @ 4 Ω |
|
고조파 왜곡 |
10% |
|
부하 임피던스 |
8 옴 |
|
특징 |
단락 및 열 보호, 대기 |
|
키 |
10.7mm |
|
길이 |
19.6mm |
|
너비 |
5mm |
|
SVHC에 도달하십시오 |
SVHC 없음 |
|
방사선 경화 |
아니요 |
|
ROHS 상태 |
ROHS3 준수 |
|
무료로 리드 |
무료로 리드 |
|
특징 |
세부 |
|
높은 출력 전력 능력 |
전원 출력 구성 |
|
18V, 1 kHz, 10% thd에서 2x 38 w로 4 Ω |
|
|
2x 34 w는 22V, 1 kHz, 10% thd에서 8 Ω로 |
|
|
14.4 V, 1kHz, 10% thd에서 4 Ω로 2x 24 W |
|
|
16V, 1kHz, 10% thd에서 8 Ω로 2x 15 w |
|
|
15V, 1kHz, 10% thd에서 4x 13 w로 2 Ω |
|
|
4x 11 w는 18 V, 1 kHz, 10% thd에서 4 Ω로 |
|
|
14.4 V, 1 kHz, 10% thd에서 4 Ω로 4x 7 w |
|
|
최소 외부 구성 요소 |
부트 스트랩 커패시터, 내부적으로 부처로 셀이 없음
이득 고정 20dB |
|
대기 기능 |
CMOS 호환 |
|
가청 팝이 없습니다 |
대기 작업 중에 가청 팝이 없습니다 |
|
진단 시설 |
클립 탐지기, GND 단락 감지기 출력,
vs 단락 탐지기, 턴온시 소프트 단락 점검 출력
열 셧다운 경고 |
STA540은 AC/DC 출력의 단락을 능숙하게 관리합니다.견고한 건설은 신뢰할 수있는 성능을 보장하여 다운 타임을 크게 줄입니다.단락을 처리하는 것은 기본적인 전기 부품을 보호하고 수명을 연장하는 데 기본적입니다.전문가들은 종종 잠재적 인 교란을 방지하기 위해 회로 설계를 정제하는 데 중점을 둡니다.
STA540은 파워 업 동안 소프트 스타트를 지원하고, Inrush 전류를 억제하고 가능한 시스템 손상을 방어합니다.이 점진적인 전압 증가는 갑작스런 변화에 민감한 시스템을 증가시킵니다.소프트 스타트 기술을 적용하는 것은 시스템 안정성을 향상시키고 장수를 확장하는 널리 채택 된 방법입니다.
열계가 있으면 STA540은 과열을 효과적으로 방지합니다.이러한 온도는 온도가 올라갈 때 성능 조정을 제어하여 안전한 작동을 보장합니다.주로 열기가 많은 환경에서 장치 무결성을 보존하기위한 이러한 전략을 강조 할 수 있습니다.이는 엔지니어링의 안전성과 신뢰성에 대한 약속을 반영합니다.
STA540은 유도 장력이 높기 때문에 유도 부하가 다양한 전원 작업에 적합합니다.이 속성은 구성 요소가 유도 반응에서 스트레스에 직면 할 때 사용됩니다.교대 하중 조건에서 탄력성과 일관된 성능을 유지하기 위해 이러한 측면을 포함시킬 수 있습니다.
정전기 방전 (ESD) 보호 기능을 특징으로하는 STA540은 갑작스러운 전자 방전으로 인한 구성 요소가 고장을 유발할 수 있습니다.ESD 보호를 통합하는 것은 시간이 지남에 따라 장치 성능을 유지하기위한 핵심 접근법입니다.일반적으로 제품 내구성을 보장하고 고객 만족도를 높이기 위해 이러한 보호 기능을 유용하게 고려할 수 있습니다.

|
부분 |
비교하다 |
제조업체 |
범주 |
설명 |
|
E-TDA7375AV |
STA540 대 E-TDA7375AV |
ST 미세 전자 |
오디오 증폭기 |
앰프 IC 2Channel (스테레오) 또는 4 채널 (쿼드) 클래스
AB 43W X 2 @ 4Ω;12W X 4 @ 2Ω 15-Multiwatt |
|
TDA7375V |
STA540 대 TDA7375V |
ST 미세 전자 |
오디오 증폭기 |
오디오 AMP 스피커 2CH 스테레오/4CH 스테레오 40W 클래스 -AB
15 핀 (15+탭) 멀티 와트 v 튜브 |
|
TDA7375AV |
STA540 대 TDA7375AV |
ST 미세 전자 |
오디오 증폭기 |
오디오 AMP 스피커 1CH 모노/2CH 스테레오/4CH 스테레오 25W
Class-AB 15pin (15+탭) 멀티 와트 V 튜브 |

Stmicroelectronics는 유럽의 저명한 반도체 제조업체로서 1987 년 프랑스 및 이탈리아 기업의 통합을 통해 설립되었습니다.그 이후로 제네바의 본사는 기술 발전과 지속 가능한 관행의 교차로에 앉아 글로벌 전자 산업에 영향을 미치는 허브였습니다.
혁신에 대한 회사의 헌신은 연구 개발에 대한 상당한 투자를 통해 입증됩니다.최첨단 기술을 수용함으로써 Stmicroelectronics는 시장의 다양한 요구를 충족시켜 자동차, 산업, 개인 전자 장치 및 통신 장비와 같은 부문의 구성 요소를 생산합니다.특히 자동차 반도체 기술의 진전은보다 에너지 효율적인 전기 자동차의 생성에 기여합니다.
Stmicroelectronics는 지속 가능한 관행을 강조하여 친환경 방법을 제조 공정에 통합합니다.탄소 발자국을 최소화하고 재생 에너지를 옹호 함으로써이 회사는 환경 책임으로 산업 변화와 일치합니다.이것은 명성을 강화할뿐만 아니라 그것이 봉사하는 지역 사회에 긍정적 인 영향을 미칩니다.
STA540은 대부분 내구성과 사운드 선명도가 원하는 경우 고 충실도 오디오 시스템을 소중히 여기는 사람들을 위해 제작되었습니다.도전적인 환경에서 번성하도록 설계된이 제품은 꾸준한 성능을 보장하는 내장 보호 기능을 제공합니다.홈 시어터 시스템, 전문 오디오 장비 및 고급 스피커 설정에 널리 사용됩니다.최소한의 왜곡으로 명확한 사운드를 생산할 수있는 능력은 원활한 통합과 우수한 청각 성능을 즐기는 사람들을 끌어들입니다.STA540의 구별되는 측면은 까다로운 시나리오에서의 탄력성입니다.광대 한 장소 나 아늑한 가정 환경에서 열 셧다운 및 단락 보호와 같은 보호 메커니즘은 지속적인 작동을 유지합니다.이러한 기능은 특히 라이브 이벤트 또는 연장 된 사용 기간 동안 갑작스런 중단과 관련된 불안을 줄이는 데 도움이됩니다.
문의를 보내 주시면 즉시 응답하겠습니다.
10월29일에서
10월29일에서
4월18일에서 147757
4월18일에서 111931
4월18일에서 111349
4월18일에서 83719
1월1일에서 79508
1월1일에서 66883
1월1일에서 63010
1월1일에서 62978
1월1일에서 54081
1월1일에서 52108