



그만큼PCA9615 SMBUS/I2C- 부스 통신을위한 필수 버퍼 역할을하며 전기 시끄러운 환경 내에서 데이터 전송을 크게 향상시킵니다.프로토콜 계층에 대한 투명성을 유지하는 차동 물리 층 (DI2C)을 사용함으로써 데이터 손상을 적절하게 완화시킵니다.이 기능은 산업 자동화, 자동차 시스템 및 복잡한 상호 연결된 장치를 포함한 다양한 응용 분야에서 안정적인 통신을 보장합니다.
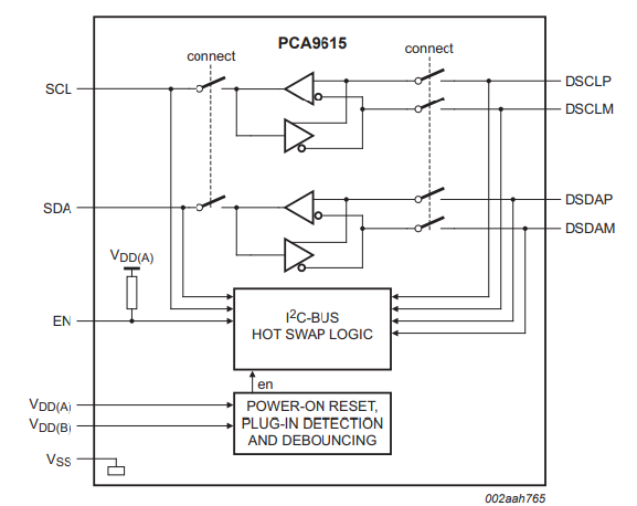
PCA9615에는 SCL 라인에 맞게 조정 된 2 개의 단일 엔드 차동 드라이버 채널이 장착되어 있습니다.SMBUS/I2C 신호의 범위와 속도를 확장합니다.신호 무결성을 보존합니다.단일 엔드 신호를 차동 신호로 변환함으로써 PCA9615는 전자기 간섭 (EMI) 및 Crosstalk를 효과적으로 감소시킵니다.
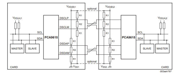
PCA9615의 차동 신호 전달은 많은 장점을 제공하며 단일 엔드 신호에 비해 우수한 소음 거부를 제공합니다.전기 노이즈가 데이터 무결성을 위협하는 산업 및 자동차 환경에서 주로 유리합니다.더 긴 케이블 길이와 더 높은 데이터 속도를 지원합니다.보다 유연한 시스템 설계를 가능하게합니다.실제 응용 분야에서 PCA9615는 확장 거리에 대한 강력한 통신이 필요한 시스템에 완벽하게 통합됩니다.차동 신호 전달은 엔진 제어 장치와 같은 구성 요소와 차량 전체에 분산 된 다양한 센서 간의 안정적인 센서 데이터 전송을 보장합니다.PCA9615는 대규모 제조 바닥에 위치한 여러 컨트롤러와 필드 장치 간의 명확한 통신을 유지합니다.

다음은 NXP USA Inc.의 기술 사양, 속성 및 매개 변수가있는 테이블 형식입니다. PCA9615DPJ 비슷한 사양을 가진 부품과 함께.
|
유형 |
매개 변수 |
|
공장
리드 타임 |
7
주 |
|
설치
유형 |
표면
산 |
|
패키지
/ 사례 |
10-TFSOP,
10-msop (0.118, 3.00mm 너비) |
|
표면
산 |
예 |
|
운영
온도 |
-40 ° C
~ 85 ° C |
|
포장 |
줄자
& 릴 (TR) |
|
게시 |
2010 년 |
|
부분
상태 |
활동적인 |
|
수분
민감도 수준 (MSL) |
1
(제한 없는) |
|
숫자
종료의 |
10 |
|
유형 |
완충기,
레드 리버 |
|
응용 프로그램 |
I2C |
|
전압
- 공급 |
2.3V
~ 5.5V |
|
단말기
위치 |
이중 |
|
단말기
형태 |
갈매기
비행 |
|
정점
리플 로우 온도 (cel) |
아니다
지정되었습니다 |
|
숫자
기능의 |
1 |
|
공급
전압 |
3.3v |
|
단말기
정점 |
0.5mm |
|
시간@피크
리플 로우 온도-맥스 (S) |
아니다
지정되었습니다 |
|
베이스
부품 번호 |
PCA9615 |
|
산출 |
2- 와이어
버스 |
|
핀
세다 |
10 |
|
JESD-30
암호 |
S-PDSO-G10 |
|
숫자
채널의 |
2 |
|
현재의
- 공급 |
16μa |
|
입력 |
2- 와이어
버스 |
|
데이터
요금 (최대) |
400kHz |
|
공급
전압 1-nom |
5V |
|
정전 용량
- 입력 |
7pf |
|
길이 |
3mm |
|
키
좌석 (최대) |
1.1mm |
|
너비 |
3mm |
|
로스
상태 |
ROHS3
준수 |
PCA9615의 디자인에는 강력한 핫 스왑 기능이 포함되어있어 데이터 흐름 중단을 유발하지 않고 모듈을 연결하고 연결 해제 할 수 있습니다.이 기능은 통신 및 데이터 센터와 같이 가동 시간과 신뢰성이 지배적 인 복잡한 시스템에서 특히 유리합니다.원활한 모듈 교체 및 확장을 가능하게함으로써 Hot-Swap 기능은 일관된 시스템 성능과 최소한의 가동 중지 시간을 보장하며, 이러한 까다로운 환경에서 안정성과 효율성에 대한 요구를 충족시킵니다.
• EN 신호 입력: EN (ENABLE) 신호 입력은 핫 스웨이 절차를 관리하는 데 결정적인 역할을합니다.새 모듈이 연결되면 EN 신호는 절차가 순서대로 수행되도록합니다.이 메커니즘은 모듈이 임의로 추가되거나 제거 된 경우 발생할 수있는 통신 오류를 방지합니다.많은 실제 애플리케이션에서 정확한 신호 관리는 데이터 손실이 허용 할 수없고 스테이크가 높은 환경에서 특히 가치가있는 데이터 무결성을 유지합니다.
내부 버스 유휴 상태 감지 메커니즘은 버스가 유휴 상태 일 때만 연결되도록하여 핫 스웨이 기능을 더욱 향상시킵니다.이 기능은 잠재적 인 데이터 충돌 및 손상을 피하기 위해 전송 된 정보의 정확성을 보호하는 데 도움이됩니다.버스 유휴 감지는 투명하게 작동하며, 동적 조건에서도 안정적인 통신 환경을 제공하기 위해 무대 뒤에서 작업합니다.
• 시스템 보호: PCA9615 내에서 이러한 구성 요소의 상호 작용은 현대 기술이 여러 계층의 보호 장치를 통합하여 운영 효율성과 데이터 보안을 보장하는 방법을 보여줍니다.EN 신호 입력과 버스 유휴 감지 사이의 조화로운 조정은 위험한 시스템에서 신뢰할 수있는 핫 스왑의 기초를 형성합니다.이러한 요소는 정밀하고 신뢰할 수있는 시스템에 총체적으로 기여하여 정밀하고 관리하는 고 스테이크 환경의 정확한 요구를 해결합니다.
PCA9615는 특정 애플리케이션의 차이점을 다루는 수많은 기술적 장애물에 대한 다양한 솔루션을 제공합니다.여기에는 시끄러운 환경에서 원격 센서 모니터링, 높은 간섭이 발생하기 쉬운 전원 공급 장치 관리, 다양한 장비 유형에 I2C 버스를 연결하고 조명, 난방 및 냉각과 같은 복잡한 산업 시스템을 제어하는 것이 포함됩니다.
노이즈로 인해 환경에서는 센서 데이터의 신뢰성이 악화 될 수 있습니다.PCA9615는 원격 센서와 지배적 인 처리 장치 간의 확고한 통신을 지원합니다.산업 자동화 및 환경 모니터링 스테이션과 같은 사용 사례는 그 이점을 강렬하게 보여줍니다.데이터 무결성을 유지하는 것은 장거리에 대한 신호 충실도가 사용되는 통신 인프라의 방법론과 유사하게 도박이 덜됩니다.PCA9615와 유사한 차등 신호 기술을 활용하여 노이즈 관련 문제를 효과적으로 완화 할 수 있습니다.
도전적인 지배력은 높은 간섭 조건에서 전원 공급 장치를 관리하는 것입니다.PCA9615는 가변 하중이있는 전원 공급 장치의 빈번한 딜레마 인 전자기 소음에도 불구하고 신호 무결성을 육성합니다.실제 응용 프로그램은 종종 PCA9615를 차폐 및 접지 전술과 짝을 이루어 간섭을 더욱 줄입니다.이것은 주목할만한 전자 노이즈들 사이에서 시스템이 안정적으로 수행되도록 제작 된 항공 우주 생산 관행을 연상시킵니다.
복잡한 시스템 통합은 종종 다양한 장비간에 I2C 버스를 연결해야합니다.PCA9615는 통신 범위를 확장하고 면역력을 지상 잠재적 불균형에 고정 시킴으로써이 연결을 부드럽게한다.예를 들어, 자동차 상황에서 PCA9615와 함께 여러 전자 제어 장치 (ECU)에 걸친 통신 브리징은 접지 오프셋 및 신호 무결성과 관련된 우려를 완화합니다.이 측면은 다양한 전자 구성 요소를 조화시키는 데있어 실용성을 보여줍니다.
산업 환경 내에서 조명, 난방 및 냉각과 같은 제어 시스템은 정확성과 신뢰성을 수반합니다.PCA9615의 다양한 조건에서 안정적인 의사 소통을 유지하는 능력은 매력에 추가됩니다.스마트 빌딩 관리는 에너지 효율과 운영 효능을 보장하기 위해 일관되고 신뢰할 수있는 데이터 전송의 중요성을 반영합니다.여기서 PCA9615는 원활한 제어를 조정하는 역할을 보여줍니다.
장거리 I2C 통신 및 여러 전원 공급 장치가있는 시스템은 주로 주로 주목할만한지면 오프셋으로 인해 고유 한 과제를 도입합니다.PCA9615는 차등 신호 전달을 사용하여 확장 거리에 걸쳐 데이터 무결성을 보호하여 이러한 문제를 카운팅합니다.이 전략은 긴 케이블 스트레칭을 통해 신호 품질을 보존하는 것이 네트워크 신뢰성에 유용한 데이터 센터 관리의 관행과 비슷합니다.이 기술은 연결을 강화하여 까다로운 환경에서 강력한 의사 소통을 보장합니다.



내장 응용 프로그램을 위해 맞춤화 된 안전한 연결 솔루션의 두드러진 힘 인 NXP Semiconductors N.V.는 자동차, 산업 및 IoT, 모바일 및 통신 인프라 시장을 포함한 다양한 분야에서 혁신을 지속적으로 주도하고 있습니다.그들의 불멸의 야망은 더 똑똑하고 안전하며 더 잘 연결된 솔루션을 만드는 것입니다.
자동차 부문에서 NXP의 발전은 크게 눈에.니다.정교한 마이크로 컨트롤러와 프로세서는 차량 안전, 개선 된 인포테인먼트 시스템 및 고급 자율 주행 기능을 크게 향상 시켰습니다.이러한 고급 기술의 통합은 차량 안전 및 효율성을 보장하면서 운전 경험을 풍부하게합니다.솔루션을 통합 한 주요 자동차 제조업체는 현대 교통 수요를 충족시키기위한 드라이브를 강조합니다.
Industrial 및 IoT Dominions에서 NXP의 솔루션은 공장 자동화, 스마트 계량 및 센서 네트워크의 주요 변화를 일으켰습니다.그들의 제품은 스트레스가 많은 산업 환경에서 성능 및 신뢰성을 최적화하는 것을 목표로합니다.IoT 솔루션의 지속적인 정제 및 구현은 원활한 데이터 교환, 효과적인 자원 관리 및 우수한 운영 제어를 촉진하는 상호 연결된 생태계를 육성합니다.
모바일 시장에서 NXP의 존재는 프라이버시를 크게 향상시키고 지불 메커니즘을 확보하며 비접촉식 상호 작용을 용이하게합니다.NFC (Near Field Communication) 기술을 활용하여 소비자 부전 상호 작용을 혁신하여 더 빠르고 안전한 거래를 제공합니다.이 분야의 지속적인 혁신은 성장하는 디지털 환경 속에서 사용자 편의를 높이는 동시에 데이터 보안 강화에 중점을 둡니다.
커뮤니케이션 인프라에서 NXP의 고성능 RF 솔루션 및 프로세서는 네트워크 기능 발전에 필수적입니다.이러한 기여는 글로벌 연결 확장을위한보다 효율적이고 신뢰할 수있는 통신 시스템의 개발을 가능하게합니다.NXP는 네트워크 효율성 및 확장 성을 향상시켜 5G와 같은 현대적인 커뮤니케이션 기술의 발전에 필요한 인프라를 뒷받침합니다.
PCA9615는 버스 버퍼를 비활성화하여 대형 버스 시스템에서 고장 찾기, 전원 업 시퀀싱 및 세그먼트 분리에 도구를 입증합니다.결함 찾기 및 분리 분리를 돕면 재구성을 향상시키고 지속적으로 필요하지 않을 때 특정 섹션이 비활성화 될 수 있습니다.운영 효율성이 우선하는 설정에서 PCA9615는 시스템 리소스의 전략적 관리를 용이하게합니다.사용하지 않는 버스 세그먼트를 일시적으로 비활성화하면 전체 시스템의 성능을 최적화합니다.지속적인 운영 및 최소한의 가동 중지 시간이 필요한 복잡한 산업 환경에서는 PCA9615의 역할이 대규모 제조 플랜트에 필수적이되어 전체 시스템을 중단하지 않고 유지 보수를위한 버스 세그먼트를 분리하면 생산성이 높아지고 위험을 줄입니다.버스 세그먼트의 동적 재구성은보다 적응적이고 탄력적 인 인프라를 만듭니다.전원 시퀀싱과 관련하여 PCA9615는 다른 버스 시스템 부품의 제어 활성화를 보장합니다.이 접근법은 안정성을 촉진하고 데이터 센터와 같은 고밀도 데이터 환경에서 잠재적 인 시작 과부하를 방지하고 동기화 된 구성 요소 활성화를 보장하고 병목 현상을 피하고 초기화를 원활하게 보장합니다.
문의를 보내 주시면 즉시 응답하겠습니다.
10월14일에서
10월14일에서
4월18일에서 147757
4월18일에서 111931
4월18일에서 111349
4월18일에서 83719
1월1일에서 79508
1월1일에서 66883
1월1일에서 63010
1월1일에서 62977
1월1일에서 54081
1월1일에서 52108