
그만큼 LTC6957HMS-3#TRPBF선형 기술/아날로그 장치에서 개발 한 정교한 팬 아웃 클럭 버퍼 역할을합니다.이 작업은 CML, CMOS, LVD 및 LVPECL과 같은 입력 유형을 수용하여 최대 300MHz까지 확장됩니다.공급 전압이 3.15V에서 3.45V 사이에 제공되면 다양한 응용 분야에 적응합니다.많은 사람들이 다양한 입력 형식을 관리하는 능력에 감사합니다.이 적응성은 다양한 시스템에 통합을 완화시켜 광범위한 재 설계의 필요성을 아끼고 기존 기술 환경과의 원활한 호환성을 촉진합니다.
최대 300MHz를 작동하면 IC가 고주파 응용 프로그램과 정렬됩니다.이로 인해 정확한 타이밍 및 동기화가 시스템 신뢰성을 높이고 실제적인 사용에서 성능을 향상시키는 고급 통신 시스템에 적합합니다.3.15V ~ 3.45V의 공급 범위를 특징으로하는 IC는 다양한 조건에서 기능을 유지하고 대출 안정성 및 잠재적으로 장치의 수명을 연장합니다.이러한 유연성은 응용 프로그램이 동적 설정에서 번성 할 수 있도록 강화할 수 있습니다.
이 IC를 시스템에 통합하려면 전기 특성에 대한 통찰력과 기존 구성 요소와의 상호 작용이 필요합니다.설계 제약과 성능 목표 사이의 균형을 유지하는 경우가 종종 필요하며 LTC6957HMS-3#TRPBF와 같은 시계 버퍼를 선택하면 이러한 과제를 단순화 할 수 있습니다.LTC6957HMS-3#TRPBF는 유연성, 주파수 용량 및 전압 호환성의 조화를 구현합니다.사려 깊은 설계 고려 사항은 다양한 사용 사례를 충족시켜 고성능 전자 설계에서 소중한 구성 요소입니다.이 IC를 통합함으로써 운영을 간소화하여 시스템 복잡성 감소를 통해 비용을 줄일 수 있습니다.
LTC6957HMS -3#TRPBF는 온도 내구성의 한계를 테스트하는 프로젝트를 수용하여 -40 ° C에서 125 ° C의 온도를 견딜 수 있도록 구축되었습니다.탄력성은 산업 및 자동차 환경에서 꾸준한 성능을 보장하며 온도 변동이 지속적인 도전 인 까다로운 환경을 탐색하는 사람들과 공명합니다.
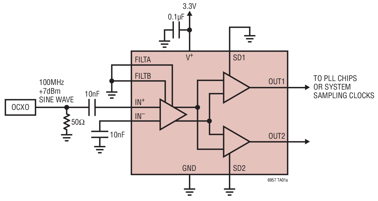
이 장치는 CMOS 설정에서 출력을 제공하며, 에너지 절약 이점과 최소한의 간섭에 대한 가치가 있습니다.차동 입력/출력과 결합 된 1 : 2 입력 대 출력 비율은 신호 무결성 및 노이즈 저항을 향상시킵니다.이러한 측면은 고주파 애플리케이션이 시스템 중단을 방지 해야하는 필요성에 의해 구동되는 완벽한 신호 선명도를 요구할 때 사용됩니다.
LTC6957HMS-3#TRPBF는 12-TSSOP 패키지에 포함 된 공간이 제한된 디자인을위한 우아한 솔루션을 제공하며 기능을 손상시키지 않으면 서 작은 보드에 완벽하게 통합됩니다.ROHS3 표준에 대한 준수는 친환경 관행에 대한 헌신을 강조하여 지속 가능성으로 향하는 산업 전환을 반영합니다.
이 장치는 3.3V 공급에서 작동하는 현대 저전압 규범과 일치하여 에너지 효율을 촉진하고 현재 시스템과의 원활한 통합을 촉진합니다.이 전압 선택은 고성능을 유지하면서 전력 소비를 최적화하는 데 대한 최신 트렌드를 반영합니다.
LTC6957HMS-3#TRPBF를 설계에 통합하면 특히 엄격한 조건 하에서 효율성과 신뢰성을 우선시하는 데있어 상당한 이점을 얻을 수 있습니다.소형 빌드, 최첨단 신호 기능 및 환경 적 마음 챙김 사이의 시너지 효과는이 장치를 오늘날의 전자 설계 환경에서 유연한 자산으로 제시합니다.
LTC6957HMS-3#TRPBF는 통신 시스템, 네트워킹 장비 및 산업 자동화 설정의 시계 분포에 역할을합니다.이러한 시나리오에는 효율적인 데이터 전송 및 처리를 용이하게하기 위해 정확한시기가 필요합니다.실제 환경에서 고정밀 클록 분배를 달성하면 시스템 신뢰성과 전반적인 성능을 향상시킬 수 있습니다.
이 구성 요소는 의료 기기, 자동차 전자 제품 및 항공 우주 및 방어 시스템에도 사용됩니다.의료 분야에서 정확한 타이밍 AIDS 이미징 및 진단 도구로 정확한 측정과 더 나은 환자 결과를 초래합니다.자동차 전자 장치는 현대식 차량의 고급 시스템을 지원하여 안전과 혁신에 영향을 미치는 신뢰할 수있는 시계 분배의 이점을 얻습니다.항공 우주 및 방어 부문은 사소한 오류조차 중요한 운영의 정확한 타이밍에 의존합니다.
LTC6957HMS-3#TRPBF는 마이크로 컨트롤러, FPGA 및 ASIC와 통합되어 고속 시계 분포 요구를 충족시킵니다.이 시스템에 포함되면 빠른 데이터 처리가 용이 해지고 동기화가 향상됩니다.복잡한 시스템의 원활한 통합은 시스템 효율성과 기능에 직접적인 영향을 미칩니다.

고속 데이터 수집 시스템에서, 참조 설계는 효율성과 정확성을 향상시켜 데이터의 무결성을 보장하고 대기 시간을 최소화합니다.이 설계는 처리량을 높이고 해상도를 향상시키기 위해 고급 신호 처리 알고리즘을 하네스합니다.적응 형 필터링 기술을 수용함으로써 시스템은 노이즈를 효과적으로 감소시켜 성능을 높입니다.
무선 통신 네트워크에서 정확한 클럭 동기화를 달성하는 것은 참조 설계에 의존합니다.이 동기화를 통해 원활한 데이터 전송, 패킷 손실 및 지터를 완화 할 수 있습니다.PLL (Phase-Locked Loops) 및 유사한 동기화 방법을 사용하면 가장 까다로운 환경에서도 안정적인 연결이 가능합니다.Urban Network 구현에 따르면 시간 지연 변수를 세 심하게 관리하는 것은 전송 효율성을 향상시킵니다.
레이더 시스템에서 참조 설계 내의 PLL 응용 프로그램은 정확한 주파수 합성 및 변조를 지원합니다.이러한 설계는 코 히어 런트 신호 처리를 통해 목표 감지 및 추적을 향상시킵니다.현장 운영 통찰력은 빠른 잠금 시간을 달성하고 빠른 응답 및 높은 신뢰성 애플리케이션을위한 시스템 안정성을 보존하기 위해 루프 필터 매개 변수의 최적화를 강조합니다.
|
유형 |
매개 변수 |
|
공장 리드 타임 |
16 주 |
|
패키지 / 케이스 |
12-TSSOP (0.118, 3.00mm 너비) |
|
주파수 (최대) |
300MHz |
|
포장 |
테이프 & 릴 (TR) |
|
JESD-609 코드 |
E3 |
|
수분 감도 수준 (MSL) |
1 (무제한) |
|
ECCN 코드 |
귀 99 |
|
터미널 마감 |
무광택 주석 (SN) |
|
터미널 위치 |
이중 |
|
피크 리플 로우 온도 (섭씨) |
260 |
|
공급 전압 |
3.3v |
|
온도@피크 리플 로우 온도-극장 (S) |
30 |
|
산출 |
CMOS |
|
회로 수 |
1 |
|
비율 - 입력/출력 |
1:02 |
|
길이 |
4.039mm |
|
ROHS 상태 |
ROHS 준수 |
|
장착 유형 |
표면 마운트 |
|
표면 마운트 |
예 |
|
작동 온도 |
-40 ° C – 125 ° C |
|
게시 |
2013 |
|
부품 상태 |
활동적인 |
|
종료 수 |
12 |
|
팬 아웃 버퍼 (배포) |
예 |
|
전압 - 공급 |
1.5V-3.45V |
|
터미널 형태 |
갈매기 날개 |
|
기능 수 |
1 |
|
터미널 피치 |
0.65mm |
|
기본 부품 번호 |
LTC6957 |
|
핀 수
|
12 |
|
입력 |
CML, CMOS, LVDS, LVPECL |
|
차동 - 입력/출력 |
예/아니오 |
|
너비 |
3mm |
• LTC6957HMS-2#TRPBF : 1 : 1 입력 대출 비율을 갖는 클록 버퍼.
• LTC6957HMS-4#TRPBF : 1 : 4 입력 대출 비율을 특징으로하는 클록 버퍼.
• LTC6957HMS-5#TRPBF : 1 : 5 입력 대 출력 비율로 설계된 클럭 버퍼.
이 기사에 제공된 LTC6957HMS-3#TRPBF의 포괄적 인 분석은 다양한 수요가 많은 산업에서 그 기능, 사양 및 광범위한 응용 프로그램에 대한 깊은 다이빙을 제공합니다.통신 시스템의 강력한 시계 분포에서 항공 우주 및 방어의 정확한 타이밍 요구 사항에 이르기 까지이 클럭 버퍼는 유연성과 효율성을 보여줍니다.참조 설계 및 대체 부품의 탐색은 진화하는 기술 요구에 대한 구성 요소의 적응성을 강조 할뿐만 아니라이 IC를 복잡한 시스템에 통합 할 때 정보에 입각 한 결정을 내리는 데 필요한 정보를 제공합니다.기술이 진행됨에 따라 LTC6957HMS-3#TRPBF는 시스템 성능 및 신뢰성을 향상시키는 핵심 구성 요소로 두드러지며 현재 및 미래의 전자 설계 환경에서 가치를 보여줍니다.
Mult Dev Mark CHG 4/Feb/2020.pdf
이 장치는 최대 300MHz의 주파수를 관리하므로 통신 시스템 및 신호 처리와 같은 응용 프로그램의 경우 다재다능합니다.고주파수 처리는 강력한 설계, 정확한 환경에서 사용됩니다.실제로 이것은 특히 수요가 많은 조건에서 일관되고 신뢰할 수있는 성능을 의미합니다.
예, 다른 신호 유형 중에서도 LVPECL 입력을 지원합니다.LVPECL 지원은 고속 데이터 전송 혜택, 노이즈 마진 및 신호 무결성 향상에 이익을줍니다.이 호환성은 복잡한 시스템에서 유리하며 오류 감소를 돕습니다.이러한 기능은 가동 중지 시간을 줄이고 다양한 시나리오에서 원활한 작업을 보장하는 데 실용적입니다.
이 장치는 3.3V 공급에서 작동하는 저전력 소비를 자랑하며 에너지에 민감한 상황에 호소합니다.이 효율성은 운영 비용을 줄이고 열을 줄이며 수명 및 신뢰성을 연장시킵니다.전력 효율이 예산에 영향을 미치는 시나리오 에서이 특성은 시간이 지남에 따라 지속 가능한 관행을 촉진합니다.
문의를 보내 주시면 즉시 응답하겠습니다.
10월28일에서
10월28일에서
4월18일에서 147757
4월18일에서 111933
4월18일에서 111349
4월18일에서 83719
1월1일에서 79508
1월1일에서 66894
1월1일에서 63010
1월1일에서 62998
1월1일에서 54081
1월1일에서 52114