
그만큼 L7812CV 전자 회로에서 안정적인 전력을 공급하도록 설계된 3 개의 말단 양성 전압 조절기입니다.회로 보드의 원활한 전압 조절을 직접 보장하여 단일 지점에서 전력을 조절할 때 발생할 수있는 잠재적 분포 문제를 해결합니다.이 구성 요소는 전류 제한 및 열 차단과 같은 내부 보호 메커니즘을 특징으로하며, 이는 다양한 조건에서 내구성과 안정적인 작동에 기여합니다.충분한 열 소산이 마련된 경우 1 amp 이상의 출력 전류를 공급할 수 있습니다.L7812CV는 주로 고정 전압 조절에 주로 사용되지만 추가 구성 요소와 결합하여 조정 가능한 전압 및 전류 출력을 허용하여 다양한 응용 분야에서 유연성을 제공 할 수 있습니다.




최대 1.5의 출력 전류 a
5의 출력 전압;6;8;8.5;9;12;15;18;24 v
열 과부하 보호
단락 보호
출력 전환 SOA 보호
2 % 출력 전압 공차 (버전)
확장 온도 범위 (버전) 보장
Stmicroelectronics의 L7812CV에는 기술 사양, 기능 및 매개 변수가 포함되어 있으며 L7812CV와 유사한 특성을 가진 다른 구성 요소와 비교할 수 있습니다.
| 유형 | 매개 변수 |
| 수명주기 상태 | Active (마지막 업데이트 : 7 개월 전) |
| 공장 리드 타임 | 24 주 |
| 접촉 도금 | 주석 |
| 산 | 구멍을 통해 |
| 장착 유형 | 구멍을 통해 |
| 패키지 / 케이스 | TO-220-3 |
| 핀 수 | 3 |
| 무게 | 2.299997G |
| 작동 온도 | 0 ° C ~ 125 ° C |
| 포장 | 튜브 |
| 용인 | 5% |
| JESD-609 코드 | E3 |
| 부품 상태 | 활동적인 |
| 수분 감도 수준 (MSL) | 1 (무제한) |
| 종료 수 | 3 |
| 터미널 위치 | 하나의 |
| 기능 수 | 1 |
| 기본 부품 번호 | L7812 |
| 핀 수 | 3 |
| 전압 - 입력 (최대) | 35V |
| 출력 전압 | 12V |
| 출력 유형 | 결정된 |
| 최대 출력 전류 | 1.5A |
| 출력 구성 | 긍정적인 |
| 정지 전류 | 8ma |
| 출력 전압 1 | 12V |
| 규제 기관의 수 | 1 |
| 최소 입력 전압 | 14V |
| 보호 기능 | 온도, 단락 회로 |
| 전압 드롭 아웃 (최대) | 2V @ 1A 타이핑 |
| PSRR | 55dB (120Hz) |
| 드롭 아웃 전압 | 2V |
| 드롭 아웃 전압 1-nom | 2V |
| 최소 출력 전압 | 12V |
| 전원 공급 장치 거부 비율 (PSRR) | 55dB |
| 공칭 출력 전압 | 12V |
| 키 | 9.15mm |
| 길이 | 10.4mm |
| 너비 | 4.6mm |
| SVHC에 도달하십시오 | SVHC 없음 |
| 방사선 경화 | 아니요 |
| ROHS 상태 | ROHS3 준수 |
| 무료로 리드 | 무료로 리드 |





| 부품 번호 | 설명 | 제조업체 |
| MC7815Attg | 선형 전압 조절기, 1A, 5 내지 24V, 양의 VOUT : 15.0V;TJ : 0 ° C ~ +125 ° C, TO-220, 단일 게이지, 3 리드, 50 튜브 | 반도체에서 |
| BA178M15CP | 고정 양성 표준 조절기, 15V 바이폴라, MSFM3, TO-220, 3 핀 | ROHM 반도체 |
| MC7812AECTBU | 12V 고정 양성 조절기, PSFM3, ROHS 준수, TO-220, 3 PIN | Rochester Electronics LLC |
| P1406-15-883B | 고정 된 양성 표준 조절기, 15V MSFM3, TO-257, 3 핀 | TT 전자 저항기 |
| OM7812AIH | 고정 양성 표준 조절기, 12V 바이폴라, MSFM3, TO-257A, 3 핀 | Infineon Technologies AG |
| UPC7815AHF | 고정 된 양성 표준 조절기, 15V 바이폴라, MSFM3, 분리, 플라스틱, TO-220, SIP-3 | NEC Electronics America Inc |
| UPC7812AHF-AZ | UPC7812AHF-AZ | Renesas Electronics Corporation |
| P7815AG-883B | 15V 고정 양성 조절기, MSFM3, TO-257A, 3 핀 | |
| P7815AG-BS2S | 고정 된 양성 표준 조절기, 15V MSFM3, TO-257A, 3 핀 | TT 전자 저항기 |
| Shd5158b | 수정 된 양성 표준 조절기, 15V, SHD-5B, 3 핀 | 민감한 반도체 |
대부분의 프로젝트에서 상수 +12V 출력 조정기 전원 마이크로 컨트롤러 및 센서
조정 가능한 출력 조정기
특정 응용 프로그램의 현재 제한기
규제 된 이중 공급
출력 극성 반전 보호 회로
수정 된 출력 레귤레이터


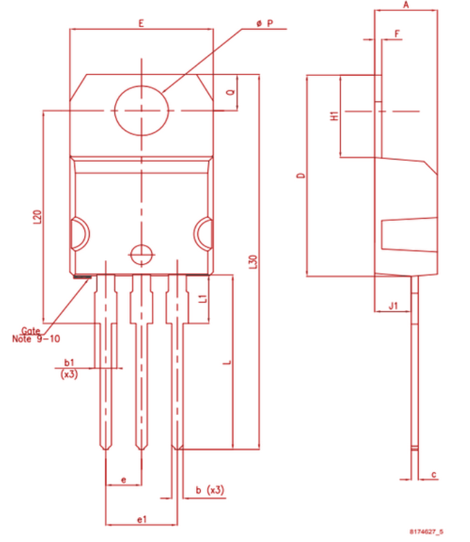
| 어둑한. | 최소(mm) |
| 에이 | 4.4 |
| 비 | 0.61 |
| B1 | 1.14 |
| 기음 | 0.48 |
| 디 | 15.25 |
| 이자형 | 10 |
| 이자형 | 2.4 |
| E1 | 4.95 |
| 에프 | 0.51 |
| H1 | 6.2 |
| J1 | 2.4 |
| 엘 | 13 |
| L1 | 3.5 |
| L20 | - |
| L30 | - |
| ØP | 3.75 |
| 큐 | 2.65 |

Stmicroelectronics는 광범위한 전자 구성 요소 및 솔루션을 생산하는 것으로 유명한 반도체 산업의 글로벌 리더입니다.그들은 실리콘 기술 및 시스템 설계에 대한 전문 지식과 고급 제조 기능과 함께 현대 전자 제품의 요구를 충족시키는 혁신적인 제품을 제공 할 수 있습니다.그들의 작업은 미세 전자 공학을 포함한 수많은 응용 분야에 걸쳐 있으며, 빠르게 변화하는 기술 환경에 적응하는 능력으로 인정 받고 있습니다.전략적 협력과 강력한 지적 재산 포트폴리오를 통해 STMicroelectronics는 전자 제품의 미래를 계속 형성하여 장치가보다 효율적이고 연결되어 있으며 사용자 친화적이되도록 도와줍니다.그들의 제품은 기술의 수렴을 가능하게하는 데 핵심적인 역할을하며, 일상적인 응용 분야에서 다양한 시스템이 함께 작업 할 수 있도록합니다.
L7812CV는 3주기 양의 전압 조절기입니다.회로 보드에서 직접 안정적인 전압 조절을 제공하여 단일 지점에서 전압 관리 문제를 제거합니다.현재 제한 및 열 차단과 같은 내장 기능이 포함되어있어 내구성이 뛰어나고 다양한 조건을 처리 할 수 있습니다.
고정 전압 조정기는 몇 개의 우회 커패시터를 제외하고는 거의 외부 구성 요소가 필요하지 않습니다.반면, 조절 가능한 전압 조절기에는 적절한 기능을 위해 몇 가지 외부 구성 요소가 필요합니다.조정 가능한 유형을 사용하면 더 넓은 범위의 전압 및 현재 옵션을 가질 수있어 다양한 요구에 더 많은 유연성을 제공 할 수 있습니다.
L78S12CV와 L7812CV는 모두 출력 전압 대 정션 온도 측면에서 유사한 성능을 갖습니다.그러나 작동 온도 범위는 약간 다릅니다. L7812CV는 0 ° C에서 125 ° C 사이에서 작동하는 반면 L78S12CV는 150 ° C까지 올라갈 수 있습니다.그럼에도 불구하고 두 칩은 동일한 열 저항을 가지므로 L78S12CV가 동일한 부하에서 반드시 냉각기를 작동하지는 않지만 필요한 경우 더 높은 온도를 처리 할 수 있습니다.
니크롬 와이어는 저항 부하를 만듭니다.아마도 와이어는 아마도 100 옴 또는 1 옴 미만의 저항이 매우 낮습니다.저항이 낮을 때 조절기를 통해 고전류를 끌어들일 수 있습니다.17V를 조절기에 공급하고 12V를 꺼내면 5V 차이가 열로 소산됩니다.전류의 모든 앰프에 대해 5V 방울은 5 와트의 열을 초래합니다.니크롬 와이어는 전류를 많이 끌어들일 수 있으므로 레귤레이터는 많은 열을 방출 할 수 있습니다.
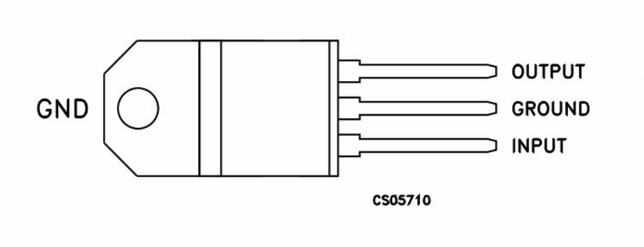
To-220 패키지를 사용하는 경우 핀을 식별하는 가장 쉬운 방법은 라벨을 사용하여 측면을보고 핀을 아래쪽으로 향하는 것입니다.왼쪽에서 오른쪽으로, 핀 1은 입력이고, 핀 2는 접지이며, 핀 3은 출력입니다.입력 및 출력을 뒤집는 경우 칩이 타 버릴 수 있으므로 DC 입력을 제공하십시오.또한 칩이 처리하기에는 입력 전압이 너무 높지 않도록하십시오.
L7812CV는 안정적인 12V 출력을 제공하는 고정 전압 조정기입니다.최대 1A의 전류를 처리 할 수 있으며 입력 전압의 범위는 14V에서 35V입니다.
문의를 보내 주시면 즉시 응답하겠습니다.
10월16일에서
10월16일에서
4월18일에서 147757
4월18일에서 111938
4월18일에서 111349
4월18일에서 83721
1월1일에서 79508
1월1일에서 66913
1월1일에서 63055
1월1일에서 63012
1월1일에서 54081
1월1일에서 52131