
HT12E RF 인코더 IC는 RF 및 IR 무선 통신 시스템의 영역에서 훌륭한 구성 요소입니다.주요 기능은 신호를 12 비트 구조로 인코딩하여 안전하고 안정적인 데이터 전송을 가능하게하는 것입니다.이 인코딩 프로세스는 전송 된 데이터가 수신 장치에서 인식 할 수 있고 처리 할 수있는 형식으로 구성되도록합니다.HT12E는 상대방 인 HT12D 디코더 IC와 완벽하게 작동하여 전송 및 수신 장치 간의 효과적인 통신 링크를 만듭니다.HT12E의 주요 장점 중 하나는 병렬 데이터 입력을 직렬 출력으로 변환하는 기능으로 데이터 무결성과 보안을 향상시키는 기능입니다.따라서 적절한 기능을 위해 일관되고 신뢰할 수있는 신호 전송이 필요한 원격 제어 및 경보 시스템과 같은 응용 프로그램에서 가치가 있습니다.

|
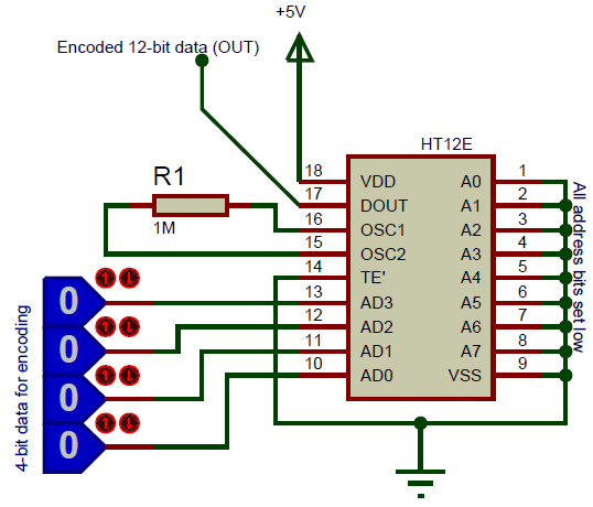
핀 번호 |
핀 이름 |
설명 |
|
1 ~ 8 |
A0, A1, A2, A3, A4, A5, A6, A7 |
데이터를 보호하는 데 사용되는 8 비트 주소 비트입니다.
이 비트는 인코더 및 디코더 IC의 동일한 패턴으로 설정해야합니다.
쌍을 이루십시오. |
|
9 |
지상/vss |
회로의 접지에 연결되었습니다. |
|
10 ~ 13 |
AD0, AD1, AD2, AD3 |
이 네 핀은 데이터를 보내는 데 사용됩니다.데이터가 인코딩되었습니다
여기에서 동일한 주소 비트를 공유하는 HT12D IC에서 디코딩됩니다. |
|
14 |
전송 활성화 (TE) |
이 핀은
전염. |
|
15 및 16 |
발진기 핀 1 & 2 |
IC에는 내장 된 발진기가 있습니다.이 두 핀을 연결하십시오
1m 저항을 통해 사용합니다. |
|
17 |
산출 |
인코딩 된 12 비트 출력 데이터는 이것으로부터 얻을 수 있습니다.
핀. |
|
18 |
VCC/VDD |
이 핀은 IC에 전원을 공급하며 일반적으로 +5V가 사용됩니다.범위
2.4V ~ 12V. |
|
특징 |
설명 |
|
12 비트 인코더 IC |
데이터 인코딩을 위해 HT12D와 함께 사용하도록 설계되었습니다. |
|
인코딩 된 데이터 |
4 개의 데이터 비트와 8 개의 주소 비트로 구성되며, 총액을 형성합니다.
12 비트 (8+4 = 12 비트). |
|
무선 전송 |
RF 및 IR 무선 전송에 일반적으로 사용됩니다
응용 프로그램. |
|
공급 전압 범위 |
2.4V에서 넓은 공급 전압 범위로 작동합니다.
12V, 일반적으로 5V가 사용됩니다. |
|
낮은 대기 전류 |
VCC = 5V에서 0.1µA의 대기 전류를 소비합니다.
에너지 효율 보장. |
|
패키지 옵션 |
16 핀 딥 및 20 핀 SOP 패키지로 제공됩니다
회로에 유연한 통합. |
• PT2262
• 74C922
HT12E IC는 안전하고 안정적인 데이터 전송 시스템, 특히 RF 및 IR 무선 통신 및 원격 제어 응용 프로그램에서 널리 사용됩니다.HT12D 디코더와 짝을 이루어 주소 기반 구성을 사용하여 무단 액세스를 방지합니다.일반적인 용도로는 차고 도어, 홈 자동화 및 조명 시스템이 포함되며, 간단한 인코딩 방법은 사용 편의성과 신뢰성을 보장합니다.4 비트 데이터 전송 만 지원하더라도 보안 및 성능을 우선시하는 단거리 제어 시스템에 이상적입니다.많은 사람들이 종종 특정 프로젝트 요구를 충족시키기 위해 주소 설정을 사용자 정의하여 HT12E를 적당한 복잡성과 강력한 데이터 무결성을 필요로하는 응용 프로그램을위한 다용도 선택입니다.
HT12E 인코더 IC는 원격 제어 시스템에서 데이터 전송에 중요한 구성 요소입니다.이를 작동하려면 IC를 안정적인 5V 전원에 연결하고 전송 활성화 핀을 접지하여 데이터 전송 모드를 활성화하십시오.내부 발진기에는 정확한 타이밍과 안정적인 성능을 보장하기 위해 OSC1 및 OSC2 핀에 연결된 1m 저항이 필요합니다.데이터 입력의 경우 PINS AD0-AD3의 4 비트 구성을 사용하고 통신 오류를 피하기 위해 디코더 주소와 일치하도록 주소 핀 (A0-A7)을 정렬하십시오.인코딩 된 데이터는 데이터 핀을 통해 출력되며 유선 연결 또는 RF 또는 IR과 같은 무선 기술을 통해 HT12D 디코더로 전송 될 수 있습니다.유선 연결은 단기간에 신뢰할 수 있지만 무선 방법은 유연성과 적응성이 향상되어 다양한 응용 분야에 이상적입니다.

HT12E IC의 연결 다이어그램
HT12E 인코더는 차고 도어 오프너와 같은 원격 제어 시스템에서 널리 사용되어 효율을 향상시킵니다.병렬 데이터를 RF 모듈 전송에 적합한 형식으로 변환하여 리모컨과 수신기 간의 정확하고 신뢰할 수있는 통신을 보장합니다.아날로그 시스템과 비교하여 HT12E는 더 빠르고 신뢰할 수있는 성능을 제공합니다.
홈 자동화에서 HT12E는 효율적인 시스템 통합을 위해 직렬 데이터를 변환하는 데 역할을합니다.이를 통해 조명을 켜거나 끄고 기기를 원격으로 관리하는 등 다양한 활동을 중앙 집중화 할 수 있습니다.이 인코더는 편의성을 향상시킬뿐만 아니라 홈 시스템의 정확한 제어를 허용하여 편안함과 지속 가능성을 위해 귀하의 요구를 충족시켜 에너지 효율성을 촉진합니다.
HT12E는 안전하고 정확한 데이터 전송을 보장하여 도둑 및 화재 경보와 같은 보안 시스템을 향상시킵니다.신뢰할 수있는 인코딩은 침입 경고 또는 화재 경고와 같은 비상 신호가 모니터링 스테이션 또는 비상 대응 자에게 빠르고 정확하게 전송되도록합니다.이는 중요한 상황에서 이러한 시스템의 전반적인 안전성과 대응 성을 향상시킵니다.
현장 평가에 따르면 HT12E는 전자기 간섭을 가진 어려운 환경에서도 지속적으로 신뢰할 수있는 성능을 제공합니다.다양한 응용 분야에서의 탄력성과 다양성은 무선 통신에서 눈에 띄는 솔루션으로 혁신적인 용도를 탐색하고 잠재력을 극대화하도록 고무시킵니다.

문의를 보내 주시면 즉시 응답하겠습니다.
12월20일에서
12월20일에서
4월18일에서 147757
4월18일에서 111931
4월18일에서 111349
4월18일에서 83719
1월1일에서 79508
1월1일에서 66884
1월1일에서 63010
1월1일에서 62978
1월1일에서 54081
1월1일에서 52108