
에이 양방향 스위치 두 곳에서 단일 조명 또는 전기 하중을 제어 할 수 있습니다.단일 회로에서 서로 연결된 2 개의 SPDT (단일 폴 더블 스위치) 스위치를 사용합니다.각 스위치에는 3 개의 터미널이 있습니다. L1,,, L2, 그리고 com (흔한).스위치 중 하나를 뒤집어 회로를 완성하거나 파괴하여 어느 위치에서도 조명을 켜거나 끕니다.

그림 2. 터미널이있는 양방향 스위치
이미지에서 스위치의 뒷면에는 L1과 L2 (트래픽 와이어를 연결하는 데 사용)와 COM (라이브 와이어 또는로드에 연결)의 세 가지 주요 터미널이 표시됩니다.스위치가 올바르게 연결되면 둘 중 하나를 뒤집 으면 전류의 경로가 변경되어 양쪽 끝에서 빛을 제어합니다.스마트 조명 시스템은 점점 인기가 높아지고 있지만 양방향 스위치는 널리 사용되고 있습니다.간단하고 신뢰할 수 있으며 소프트웨어 나 연결이 필요하지 않습니다.
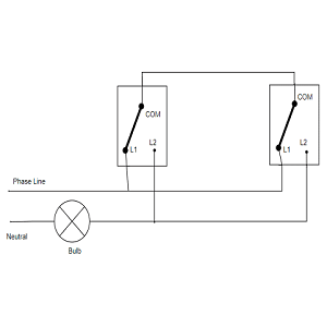
양방향 스위치 시스템을 사용하면 두 위치에서 하나의 표시등을 제어 할 수 있습니다.각 스위치에는 3 개의 터미널이 있습니다 : 1 개의 공통 (COM)과 2 개의 여행자 (L1 및 L2)가 있습니다.두 스위치는 트래픽 와이어 (L1 ~ L1, L2 ~ L2)로 연결됩니다.라이브 (위상) 와이어는 스위치 1의 공통 단자에 연결되고 스위치 2의 공통 단자가 램프에 연결됩니다.램프의 다른 쪽은 중립으로갑니다.두 스위치가 동일한 트래픽 와이어 (L1 – L1 또는 L2 – L2)에 연결하여 회로를 완성하면 표시등이 켜집니다.스위치가 다른 여행자에게 연결되어 회로가 깨지면 꺼집니다.즉, 스위치가 상대방의 위치에 관계없이 조명을 켜거나 끄는 것입니다.

그림 3 : 양방향 스위치 다이어그램
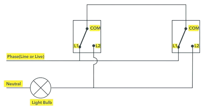
이 설정은 XOR 게이트와 같이 작동합니다. 스위치가 다를 때 조명이 켜집니다.완전히 기계적이며 전자 제품이나 소프트웨어가 필요하지 않습니다.계단 및 복도와 같은 곳에서는 간단하고 신뢰할 수 있으며 널리 사용됩니다.다이어그램은 스위치 1의 공통에 연결된 위상, 스위치 사이에 연결된 여행자와 스위치 2의 공통 램프로의 출력을 보여줍니다.중립은 램프의 다른 쪽에서 회로를 완료합니다.
양방향 스위치 회로를 연결하는 두 가지 주요 방법은 3 와이어 방법과 구형 2 와이어 방법입니다.
이것은 새로운 설치에 선호되는 배선 방법입니다.이 설정에서 위상 (라이브) 와이어는 첫 번째 스위치의 공통 (COM) 터미널에 연결되는 반면, 두 번째 스위치의 공통 터미널은 전구에 연결됩니다.중성 와이어는 전원에서 전구의 다른쪽으로 직접 연결됩니다.두 스위치는 두 스위치에서 L1에서 L1과 L2에서 L2를 연결하는 2 개의 트래픽 와이어로 연결됩니다.
이 방법은 모든 도체를 동일한 회로에 유지하여 일관된 전압과 안전한 작동을 보장합니다.또한 현대 전기 코드를 준수하고 간섭을 줄입니다.배선 레이아웃은 깨끗하고 논리적이므로 스마트 스위치 설치와 같은 향후 유지 보수 및 업그레이드가 더 쉽습니다.
다이어그램은 현대 3 와이어 설정을 보여줍니다.라이브 와이어는 스위치 1의 COM, 두 스위치의 L1과 L2 사이에서 2 개의 트래픽 와이어가 실행되며 Switch 2의 COM의 출력은 빛으로 이동합니다.중성 와이어는 전구의 다른쪽으로 직접 작동합니다.두 스위치가 모두 정렬되면 회로가 완료되고 빛이 켜집니다.스위치 인터럽트를 변경하거나 흐름을 복원합니다.

그림 4. 현대 3 와이어 방법
레거시 2 와이어 방법은 많은 오래된 주택에서 여전히 발견되는 오래된 배선 스타일입니다.이 설정에서 Traveler 터미널 (L1 및 L2)은 최신 방법과 마찬가지로 두 스위치 사이에 연결됩니다.그러나 공통 단자는 다르게 연결되어 있습니다. 하나는 라이브 (위상) 와이어에 연결하고 다른 하나는 하중 (전구)에 연결됩니다.
이 메소드는 스위칭 측면에서 동일하게 작동합니다. 스위치의 위치에 따라 빛이 켜지거나 꺼집니다.그러나 전력과 부하가 다른 회로에서 나올 수 있기 때문에이 설정은 안전 위험을 유발할 수 있습니다.유지 보수 또는 업그레이드 중에 루프 전류, 전압 불균형 또는 간섭이 특히 위험 할 수 있습니다.배선은 통합 회로의 일부가 아니기 때문에 결함을 진단하는 것도 더 어렵습니다.
다이어그램에서 라이브 와이어는 첫 번째 스위치의 공통 터미널에 연결되는 반면, 두 번째 스위치의 공통 단자는 빛에 연결됩니다.두 스위치의 L1과 L2 사이에서 실행됩니다.중성선은 전원에서 램프로 직접 이동합니다.이 레이아웃은 와이어를 절약 할 수 있지만 복잡성과 안전 문제가 증가합니다.

그림 5 : 레거시 2 와이어 방법
원인 양방향 스위치는 종종 모듈 식 벽 플레이트에서 사용되는 SPDT 스위치의 소형 버전입니다.COM (Common), L1 및 L2의 세 개의 터미널이 있습니다.내부적으로 Com과 L1 또는 L2 간의 연결을 전환합니다.
다른 SPDT 스위치와 쌍을 이루면 표준 양방향 회로와 같은 방식으로 작동합니다.장착 실이 제한되어있는 아파트 나 개조 설치와 같은 좁은 공간에서 종종 사용됩니다.스위치는 또한 두 개의 터미널 (COM 및 L1) 만 사용하여 일원 설정에서 작동 할 수 있습니다.
설치는 신중하게 수행해야합니다.터미널 사용이 잘못되면 스위치가 제대로 작동하지 않거나 단락이 발생하지 않을 수 있습니다.작은 크기에도 불구 하고이 스위치는 전체 양방향 제어 기능을 제공하면서 모듈성 및 쉬운 패널 통합을 허용합니다.

그림 6. 원인 양방향 스위치
2 개 이상의 위치에서 조명을 제어해야 할 때 멀티웨이 스위칭이 작동합니다.이 시스템은 두 개의 주요 SPDT 스위치 사이에 하나 이상의 중간 스위치를 추가합니다.
중간 스위치는 일반적으로 DPDT (Double Pole Double Throw) 유형입니다.이 스위치는 위치에 따라 Traveler 와이어 경로를 교차하거나 유지합니다.전체 시스템은 관련된 모든 스위치의 정렬에 따라 닫히거나 열리는 경로를 만듭니다.
이 접근법은 창고, 긴 복도 또는 여러 입구가있는 객실과 같은 넓은 공간에서 일반적입니다.더 복잡하지만 와이어는 어느 시점에서든 유연한 제어 기능을 제공합니다.모든 단계에서 실수로 시스템이 완전히 작동하지 않도록 정확한 배선도와 명확한 라벨링이 필요합니다.

그림 7. 멀티웨이 스위칭
|
특징 |
일방 통화 스위치 |
양방향 스위치 |
|
제어점 |
단일 위치에서 빛을 제어합니다 |
두 위치에서 빛을 제어합니다 |
|
스위치 유형 |
SPST (단일 극 싱글 던지기) |
SPDT (싱글 폴 더블 던지기) |
|
터미널 수 |
2 |
3 (com, l1, l2) |
|
회로 구성 |
단순한;한 줄은 전원을 연결하거나 연결 해제합니다
부하 |
여행자 와이어는 루프를 형성합니다.두 스위치 모두 영향을 미칩니다
회로 |
|
배선 복잡성 |
낮은;전선이 적고 직접 연결 |
더 높은;더 많은 배선 및 계획이 필요합니다
스위치 |
|
위치 위치 스위치 |
쉽게 식별 할 수있는/꺼짐 위치 |
고정 또는 꺼짐 없음;다른 상태에 따라 다릅니다
스위치 |
|
설치 비용 |
낮추다;더 적은 구성 요소와 노동이 적습니다
|
더 높은;더 많은 자료 및 설치 시간 |
|
설치 시간 |
빠른 설치;최소한의 단계가 필요합니다 |
추가 배선으로 인해 더 많은 시간이 소요됩니다 |
|
공간 요구 사항 |
최소;표준 스위치 박스가 맞습니다 |
위치 사이의 여행자 와이어에 대한 라우팅이 필요할 수 있습니다 |
|
전기 하중 제어 |
한 지점에서 하나의 부하를 제어합니다 |
두 개의 개별 지점에서 하나의 부하를 제어합니다 |
|
사용 편의성 |
매우 간단합니다.플립 업이 켜져 있고, 플립 다운이 꺼져 있습니다 (또는 Vice
VERSA) |
여전히 사용하기 쉽지만 켜짐/오프는 둘 다에 따라 다를 수 있습니다.
스위치 위치 |
|
실패 포인트 |
보다 적은;간단한 설계는 배선 오류를 줄입니다 |
더 복잡한;여행자 와이어 또는 터미널을 사용하는가 잘못된 것입니다
기능을 방해합니다 |
|
유연성 및 확장 성 |
제한된;하나 이상의 지점으로 확장 할 수 없습니다
제어 |
유연한;사용을 사용하여 3 개 이상의 제어 지점으로 확장 할 수 있습니다
중간 스위치 |
양방향 스위치는 두 곳의 다른 위치에서 유연한 조명 제어를 제공하므로 주거 및 상업 환경 모두에서 이상적입니다.일반적인 예는 다음과 같습니다.
계단은 양방향 스위치를 사용하기에 가장 좋은 장소 중 하나입니다.집에 계단이 있다면, 성가시고 어둠 속에서 올라가는 것이 위험 할 수 있다는 것을 알고 있습니다.양방향 스위치를 사용하면 올라 가기 전에 계단의 바닥에서 조명을 켜고 상단에서 끄십시오.또는 아래층 아래로 오면 맨 위에 빛을 켜고 아래쪽에서 꺼질 수 있습니다.이것은 계단을 걷는 것이 훨씬 안전합니다. 특히 집이 어두운 밤에는 밤에 더 안전합니다.
호텔 객실에서는 양방향 스위치를 사용하면 손님이 훨씬 쉬워집니다.한 번의 스위치는 일반적으로 걸을 때 문 옆에 있고 다른 스위치는 침대 근처에 있습니다.즉, 방에 들어갈 때 조명을 켜고 침대에서 나오지 않고 끄는 것을 의미합니다.피곤하거나 잠을 잘 준비 할 때 정말 도움이됩니다.또한 방에 더 편안하고 사려 깊은 디자인을 제공하여 손님이 집에서 더 많은 느낌을줍니다.
오픈 플랜 주택에는 주방, 식사 및 거실이 연결된 넓은 공간이 있습니다.이 객실에는 종종 하나 이상의 입구가 있으므로 다른 지점에서 조명을 제어 할 수 있습니다.예를 들어, 복도에서 조명을 켜서 부엌 근처에서 끄십시오.양방향 스위치를 사용하면 어떤 방식으로 들어가거나 외출하든 조명을 쉽게 관리 할 수 있습니다.이렇게하면 많은 편안함이 추가되며 전기를 절약 할 수 있도록 도와 줄 때 조명을 켜지 않아도됩니다.
차고와 워크샵은 사람들이 도구를 저장하거나 프로젝트를 수행하거나 자동차를 주차하는 바쁜 장소입니다.그들은 종종 집안에서 하나의 문과 마당에 열리는 문처럼 하나 이상의 문을 가지고 있습니다.양방향 스위치를 사용하면 어느 쪽 입구에서 라이트를 켜는 것이 간단합니다.이것은 손이 가득 차 있거나 공간이 어둡고 안전하게 이동하기 어려운 경우에 매우 유용합니다.차고 나 워크샵을 자주 사용하는 사람들에게 이러한 유형의 조명 제어는 작업을보다 쉽고 안전하게 만들 수 있습니다.
산책로, 정원 통로 및 차도와 같은 야외 공간은 밤에 안전과 보안을 위해 좋은 조명이 필요합니다.양방향 스위치를 사용하면 집과 게이트 나 차고와 같은 다른 위치 에서이 조명을 제어 할 수 있습니다.예를 들어, 집을 떠나기 전에 경로 조명을 켜고 밖에 나가면 끄십시오.또는 밤에 집에 오는 경우 게이트에서 조명을 켜고 안으로 들어올 때 끄질 수 있습니다.이렇게하면 어둠 속에서 걷는 것을 피하고 외부 지역이 잘 켜져 있는지 확인하여 집을 더 안전하게 유지합니다.
양방향 스위치 시스템을 안전하게 설치하려면 :
1. 모든 도구와 자료를 수집하십시오
시작하기 전에 필요한 모든 것이 있는지 확인하십시오.2 개의 SPDT (단일 폴 더블 던지기) 스위치, 조명기구, 3 코어 케이블 길이 (라이브, 중립 및 접지 와이어, 2 개의 여행자 와이어 포함), 절연 장갑 및 안전 안경과 같은 기본 안전 장비가 필요합니다.모든 자료를 준비하면 집중력을 유지하고 불필요한 실수 나 지연을 피할 수 있습니다.
2. 회로 차단기에서 메인 전원을 끄십시오
항상 메인 전원에서 전기를 끄는 것으로 시작하십시오.이것이 가장 중요한 안전 단계입니다.라이브 와이어로 작업하는 것은 위험하며 심각한 부상을 초래할 수 있습니다.차단기 상자에서 작업 할 회로가 완전히 꺼져 있는지 확인하고 전압 테스터를 사용하여 전원이 흐르지 않음을 다시 확인하십시오.
3. 라이브 (핫) 와이어를 첫 번째 스위치의 공통 터미널에 연결
전원에서 라이브 와이어를 가져 와서 첫 번째 스위치의 공통 터미널 (COM)에 연결하십시오.공통 터미널은 다른 두르미네이션 (L1 및 L2)과 다르게 표시되거나 착색됩니다.이것은 시스템에 전원을 공급하는 와이어이며 작동 회로를 보장하기 위해 단단히 연결되어야합니다.
4. 두 스위치의 L1과 L2 단자 사이에 2 개의 트래픽 와이어를 실행합니다.
이제 Traveler Wires라고 불리는 두 개의 와이어를 사용하여 첫 번째 스위치의 L1 터미널을 두 번째 스위치의 L1 터미널에 연결하고 L2 터미널에 대해서도 동일하게 수행하십시오.이 와이어는 두 스위치가 서로 "대화"하고 양쪽 끝에서 빛을 제어 할 수있는 경로를 형성합니다.이러한 연결이 단단하고 느슨한 가닥의 와이어가 없는지 확인하십시오.
5. 두 번째 스위치의 공통 터미널을 조명기구의 라이브 입력에 연결
다음으로, 두 번째 스위치의 공통 터미널을 조명기구의 라이브 터미널에 연결하십시오.이 와이어는 스위치 중 하나가 회로를 완료 할 때 전원 전원을 공급합니다.이 연결이 없으면 여행자 와이어를 올바르게 설치하더라도 표시등은 전기를받지 않습니다.
6. 전등 고정물의 중립선을 전원의 중립에 직접 연결하십시오.
전원 고정구의 중립 단자에서 중성선을 전원의 중성선으로 다시 실행하십시오.이것은 전기에 리턴 경로를 제공하여 회로를 완료합니다.작동 라이트 회로에는 항상 라이브와 중립선이 모두 필요합니다.
7. 지구 (접지) 와이어를 사용하여 모든 금속 상자 및 스위치 덮개를 접지하십시오.
안전을 위해서는 모든 금속 스위치 상자를 접지하는 것이 중요합니다.접지는 길 잃은 전기에 빠져 나가는 안전한 경로를 제공함으로써 전기 결함이 발생할 경우 귀하를 보호합니다.또한 감전 및 잠재적 인 화재 위험을 예방하는 데 도움이됩니다.접지 와이어를 상자에 제공된 접지 나사 또는 터미널에 안전하게 연결하십시오.
8. 전원을 복원하기 전에 멀티 미터를 사용하여 연속성을 확인하십시오.
전기를 다시 켜기 전에 멀티 미터를 사용하여 배선의 연속성을 테스트하십시오.즉, 전기가 회로를 통해 제대로 흐를 수 있는지 확인하는 것을 의미합니다.휴식이나 잘못된 연결이 없는지 확인하려고합니다.이 단계는 배선 오류를 포착 할 수 있으며, 그렇지 않으면 단락이 발생하지 않거나 악화 될 수 있습니다.
9. 올바른 작동을 확인하기 위해 두 위치의 스위치를 테스트하십시오.
모든 것이 올바르게 연결되어 있다고 확신하면 차단기에서 전원을 켜십시오.그런 다음 두 위치에서 조명을 켜고 끄면 두 스위치를 테스트하십시오.어떤 스위치를 사용하든 조명이 켜지거나 끄어야합니다.이것은 양방향 시스템이 예상대로 작동하고 있음을 확인합니다.
10. 표시등이 제대로 작동하지 않으면 Traveler Wire 연결을 다시 확인하십시오.
한 스위치에서 켜지거나 전혀 켜지지 않는 것처럼 조명이 예상대로 작동하지 않으면 돌아가서 Traveler Wire 연결을 다시 확인하십시오.이들은 양방향 스위치 설정에서 가장 일반적인 오류 지점입니다.L1이 두 스위치에서 L1과 L2 ~ L2에 연결되어 있는지 확인하십시오.또한 공통점이 전원과 빛에 올바르게 연결되어 있는지 확인하십시오.설치 중에 각 와이어를 표시하면 실수를 방지하고 문제가 발생하면 문제를 해결하기가 더 쉬워집니다.
양방향 스위치는 작은 기능처럼 보일 수 있지만 많은 실용적인 이점을 제공합니다.
• 편리한 조명 제어: 양방향 스위치를 사용하면 두 개의 다른 위치에서 빛을 제어 할 수 있습니다.이것은 특히 계단, 복도 및 넓은 방과 같은 곳에서 일상 생활을 더 쉽게 만듭니다.다른 지점에서 떠날 때, 첫 번째 스위치로 돌아가지 않고 들어오고 끄면 조명을 켤 수 있습니다.
• 에너지 절약: 둘 이상의 장소에서 조명을 끄면 양방향 스위치가 낭비되는 전기를 줄이는 데 도움이됩니다.스위치가 멀리 떨어져 있기 때문에 빛을 남길 가능성이 적으며 이는 여러 층이나 긴 복도가있는 가정에서 유용합니다.
• 큰 공간에 이상적입니다:이 스위치는 큰 주택, 사무실 및 공공 건물에 적합합니다.하나 이상의 입구 또는 출구가있는 공간에서는 다른 지점에서 조명을 제어 할 수있게되면 편의성이 추가되고 공간을 사용하는 모든 사람의 안전성을 향상시킵니다.
• 간단하고 신뢰할 수있는 기술: 양방향 스위치는 디지털이 아닌 기계적입니다.이는 소프트웨어, 앱 또는 인터넷 연결에 의존하지 않음을 의미합니다.그들은 매우 신뢰할 수 있고 거의 실패하지 않으므로 유지 보수가 거의없는 오래 지속되는 솔루션이됩니다.
• 스마트 시스템과 함께 작동합니다: 간단한 장치이지만 현대 스마트 홈 시스템과 함께 양방향 스위치를 사용할 수 있습니다.모션 센서, 타이머 또는 자동화 모듈로 작업하여 향후 집을 업그레이드하면 더 많은 유연성을 제공 할 수 있습니다.
• 저렴한 비용, 높은 가치: 양방향 스위치는 저렴하고 설치하기 쉽지만 조명 설정에 많은 가치를 더합니다.이러한 소규모 투자의 경우 시간이 지남에 따라 더 나은 조명 제어를 제공하고 안전을 개선하며 에너지 절약 습관을 지원합니다.
양방향 스위치는 많은 이점을 제공하지만 고려해야 할 몇 가지 단점과 과제가 있습니다.
• 더 많은 배선이 필요합니다: 양방향 스위치 설정은 단일 스위치에 비해 추가 와이어가 필요합니다.이것은 전기 상자와 도관이 추가 배선을 유지하도록 설계되지 않은 오래된 가정에서 문제가 될 수 있습니다.경우에 따라 새로운 케이블을 설치하려면 벽을 열어야 할 수도 있습니다. 이는 비용과 노동력을 증가시킬 수 있습니다.
• 항상 스마트 스위치와 호환되는 것은 아닙니다: 많은 스마트 스위치에는 제대로 작동하기 위해 중립선이 필요합니다.구형 양방향 스위치 설정에는 종종이 와이어가 없으므로 재배치하지 않고 스마트 장치를 설치하기가 더 어려워집니다.더 복잡한 전기 작업을 준비하지 않는 한 업그레이드 옵션을 제한 할 수 있습니다.
• 이전 또는 사용자 정의 설치에서는 까다로울 수 있습니다: 오래된 건물이나 맞춤형 배선이있는 시스템에서는 기존 레이아웃이 현대 표준을 따르지 않을 수 있습니다.이를 통해 양방향 스위치를 더 복잡하게 설치하거나 업그레이드 할 수 있습니다.
• 지역 코드 차이: 전기 코드 및 검사 규칙은 국가 또는 도시마다 다를 수 있습니다.한 영역에서 합법적 인 설정은 다른 영역에서 검사를 통과하지 못할 수 있습니다.이는 특히 상업 프로젝트 또는 주택을 판매 할 때 모든 것이 공식 표준을 충족 해야하는 복잡성을 추가합니다.
• 문제 해결에는 더 많은 시간이 걸립니다: 양방향 시스템에서 무언가 잘못되면 문제를 파악하기가 더 어려울 수 있습니다.두 스위치 모두 빛의 동작 방식에 영향을 미치기 때문입니다.문제를 진단하려면 종종 스위치, 여행자 와이어 및 멀티 미터와 같은 도구를 사용하여 연결을 테스트해야합니다.
• 신중한 계획 및 라벨링이 필요합니다 : 배선이 더 관여하기 때문에 와이어가 명확하게 표시되지 않거나 단계를 올바르게 따르지 않으면 설치 중에 실수를 쉽게 할 수 있습니다.불량한 계획은 혼란이나 안전 위험을 초래할 수 있으므로 시스템을 매핑하는 데 시간을내는 것이 매우 중요합니다.
양방향 스위치를 사용하면 한 지점 이상의 조명을 쉽고 안전하게 제어 할 수 있습니다.계단, 긴 복도 또는 하나 이상의 입구가있는 객실과 같은 장소에 좋습니다.뒤로 물러서지 않고 떠날 때 들어오고 꺼질 때 불이 켜질 수 있습니다.단순하고 저렴하며 앱이나 Wi-Fi가 필요하지 않습니다.그들은 조금 더 배선과 신중한 설정이 필요하지만 일반 주택과 스마트 주택 모두에서 잘 작동합니다.배선을 명확하게 계획하고 안전 단계를 따르고 전원을 켜기 전에 테스터로 모든 것을 확인하십시오.
문의를 보내 주시면 즉시 응답하겠습니다.
단일 스위치는 한 위치에서만 조명 또는 장치를 제어합니다.욕실이나 옷장과 같은 작은 객실에 적합한 스위치를 사용하여 켜거나 끄십시오.그러나 양방향 스위치를 사용하면 두 개의 다른 장소에서 동일한 조명을 제어 할 수 있습니다.이것은 계단, 복도 또는 여러 문이있는 넓은 방에 유용합니다.서로 연결된 두 개의 스위치를 사용하여 어느 한 스위치를 뒤집을 수 있습니다.주요 차이점은 단일 스위치가 한 지점에서 제어하는 반면 양방향 스위치는 양쪽 끝에서 제어를 제공한다는 것입니다.
스위치가 양방향 (북미의 3 방향)인지 확인하려면 터미널 나사를 뒷면을보십시오.양방향 스위치에는 3 개의 터미널이 있습니다 : 하나는 보통과 2 명의 여행자입니다.3 개의 나사 (지면 제외)가 보이면 양방향 또는 3 방향 스위치 일 수 있습니다.4 개의 터미널이있는 경우 중간 또는 4 방향 스위치로 2 개 이상의 제어 지점이있는 시스템에서 사용됩니다.배선을 추적 할 수도 있습니다. 양방향 스위치는 두 개의 트래픽 와이어로 서로 연결하고 각 스위치마다 공통이 있습니다.멀티 스위치 설정의 일부이고 4 개의 터미널이있는 경우 양방향이 아닙니다.
양방향 스위치가 잘못 연결되면 표시등이 예상대로 작동하지 않을 수 있습니다.항상 계속 켜지거나 전혀 켜지거나 스위치 중 하나에만 응답 할 수 있습니다.가장 일반적인 실수는 여행자 와이어를 혼합하거나 전원 또는 라이트 와이어를 잘못된 터미널에 연결하는 것입니다.이것은 스위칭 로직을 방해하고 회로 흐름을 깨뜨립니다.경우에 따라 전원 루프가 생성되면 단락을 만들거나 깜박일 수 있습니다.이를 피하려면 항상 올바른 터미널 표시 (COM, L1, L2)를 따르고 전원을 켜기 전에 연속성을 확인하십시오.
12V 양방향 스위치를 사용하려면 12V 전원 공급 장치에서 첫 번째 SPDT 스위치의 공통 터미널에 양수 와이어를 연결하여 시작하십시오.그런 다음 첫 번째 스위치의 L1 및 L2에서 두 번째 스위치의 L1 및 L2로 2 개의 와이어를 실행하십시오.다음으로, 두 번째 스위치의 공통 터미널을 LED와 같이 12V 장치의 포지티브 측에 연결하십시오.마지막으로 장치의 음의 단자를 전원 공급 장치의 음의 측면에 다시 연결하십시오.이 설정을 사용하면 AC 배선에서와 마찬가지로 저전압 DC 전원을 사용하여 장치를 어느 스위치에서 켜거나 끌 수 있습니다.
양방향 스위치의 공통 와이어는 설정에서 스위치의 위치에 따라 전원을 수신하거나 빛으로 보내는 터미널입니다.첫 번째 스위치에서 공통은 전원에서 라이브 와이어에 연결됩니다.두 번째 스위치에서 공통은 빛의 라이브 입력에 연결됩니다.Traveler Wires (L1 및 L2)는 두 스위치를 연결합니다.공통점이 잘못 연결된 경우 시스템이 제대로 작동하지 않으면 표시등이 켜지지 않거나 하나의 스위치 만 작동합니다.공통 단자를 올바르게 배선하는 것은 기능적 양방향 시스템에 중요합니다.
6월3일에서
6월2일에서
4월18일에서 147757
4월18일에서 111935
4월18일에서 111349
4월18일에서 83719
1월1일에서 79508
1월1일에서 66903
1월1일에서 63027
1월1일에서 63010
1월1일에서 54081
1월1일에서 52122