



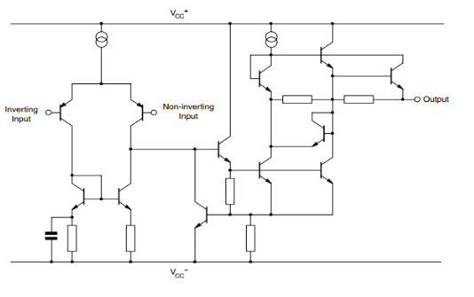
그만큼 LM833DT 오디오 애플리케이션을 위해 미세 조정 된 듀얼 수술 증폭기입니다.그것은 4.5 nv/√Hz의 저전압 노이즈로 눈에 띄는 특징으로 눈에 띄는 기능입니다.이는 고주파 응답, 15MHz 게인 대역폭 제품 및 7V/µS 슬리트 속도와 결합하여 정확한 오디오 경험을 제공 할 수 있습니다.
앰프의 저음 레벨 4.5 nv/√Hz는 간섭을 최소화하여 깨끗한 음향 재현을 보장합니다.15MHz 게인 대역폭 제품을 사용하면 다양한 주파수에 걸쳐 효율성을 유지하여 정확한 사운드 성능을 요구하는 사람들을 끌어들입니다.7V/µS 슬리트 속도를 특징으로하는 LM833DT는 빠른 신호 전환 중에 오디오 충실도를 보존하여 입력 신호 변경에 신속하게 응답합니다.이 응답 성은 소리의 독창성이 소중히 여기는 고 충실도 시스템에서 감사합니다.
왜곡 속도가 0.002%인 인상적으로,이 작동 증폭기는 오디오 신호가 변경없이 증폭되어 음향 진위를 유지합니다.이러한 정밀도는 정확도가 우선 순위 인 소비자 전자 제품 및 전문 장비 모두에서 요구됩니다.강력한 단계와 게인 안정성은 응용 프로그램의 신뢰성을 향상시킵니다.LM833DT를 복잡한 오디오 설정에 통합 할 때이 안정성이 분명 해져 조건에 관계없이 일관된 성능을 제공합니다.이러한 매개 변수가 충족되도록 보장하면 오디오 시스템의 효과가 크게 향상됩니다.
|
특징 |
설명 |
|
저전압 노이즈 |
4.5 NV/√Hz |
|
높은 게인 대역폭 제품 |
15MHz |
|
높은 순간 비율 |
7 V/µs |
|
낮은 왜곡 |
0.00% |
|
우수한 주파수 안정성 |
예 |
|
ESD 보호 |
2kV |
LM833DT는 오디오 시스템에 적합하며 프리 앰프 및 필터링이 뛰어나며 오디오 신호 처리의 명확성과 충실도를 강화합니다.약한 오디오 신호를 유용한 레벨로 증폭시킴으로써 프리 앰프는 유리한 신호 대 잡음비를 유지합니다.이 구성 요소는 고 충실도 오디오 장비에서 선호되며 정밀도는 진정성을 유지합니다.그 결과는 성분의 음질에 미치는 영향을 말하는 더 풍부하고보다 정확한 청각 경험입니다.필터링은 선택적으로 특정 주파수를 전송하여 원치 않는 노이즈를 효과적으로 제거하고 오디오 출력을 향상시킵니다.LM833DT는이 분야에서 눈에 띄는 순도를 중심으로 한 시스템을 제작할 수 있습니다.이 응용 프로그램은 홈 시어터 및 오디오 설정에 대한 몰입 형 경험을 제공합니다.
정교한 디자인을 기반으로 한 LM833DT는 왜곡이없고 부드러운 사운드 처리를 촉진합니다.그 기여는 녹음 스튜디오 및 라이브 공연 장소와 같은 사운드 정밀도를 요구하는 환경에서 활발하게 적극적이며, 사운드의 본질은 여전히 유지되지 않습니다.
|
유형 |
매개 변수 |
|
수명주기 상태 |
Active (마지막 업데이트 : 6 개월 전) |
|
공장 리드 타임 |
10 주 |
|
접촉 도금 |
주석 |
|
산 |
표면 마운트 |
|
장착 유형 |
표면 마운트 |
|
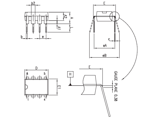
패키지 / 케이스
|
8- SOIC (0.154, 3.90mm 너비) |
|
핀 수 |
8 |
|
작동 온도 |
-40 ° C ~ 105 ° C |
|
포장 |
테이프 & 릴 (TR) |
|
JESD-609 코드 |
E4 |
|
부품 상태 |
활동적인 |
|
수분 감도 수준 (MSL) |
1 (무제한) |
|
종료 수 |
8 |
|
ECCN 코드 |
귀 99 |
|
터미널 마감 |
니켈/팔라듐/금 (NI/PD/AU) |
|
최대 전력 소산 |
500MW |
|
터미널 형태 |
갈매기 날개 |
|
피크 리플 로우 온도 (° C) |
260 |
|
기능 수 |
2 |
|
시간 @ 피크 리플 로우 온도 |
30 초 |
|
기본 부품 번호 |
LM833 |
|
핀 수 |
8 |
|
공급 전압 |
28V |
|
채널 수 |
2 |
|
운영 공급 전류 |
4MA |
|
공칭 공급 전류 |
8ma |
|
전력 소산 |
500MW |
|
최대 공급 전류 |
8ma |
|
슬림 속도 |
7V/μs |
|
증폭기 유형 |
오디오 |
|
공통 모드 거부 비율 |
80dB |
|
전류 - 입력 바이어스 |
300NA |
|
전압 - 공급, 단일/듀얼 (±) |
5V ~ 30V ± 2.5V ~ 15V |
|
공급 유형 |
이중 |
|
입력 오프셋 전압 (VOS) |
5MV |
|
전압 게인 |
100dB |
|
전압 - 입력 오프셋 |
300μV |
|
이중 공급 전압 |
12V |
|
키 |
1.65mm |
|
길이 |
5mm |
|
너비 |
4mm |
|
SVHC에 도달하십시오 |
SVHC 없음 |
|
방사선 경화 |
아니요 |
|
ROHS 상태 |
ROHS3 준수 |
|
무료로 리드 |
무료로 리드 |



Stmicroelectronics는 반도체 솔루션의 선구자로서 System-on-Chip (SOC) 기술에서 성과로 유명합니다.실리콘 디자인 및 제조 분야에서 풍부한 경험을 바탕 으로이 회사는 Microelectronics Innovation에서 두드러진 자리를 확보했습니다.
stmicroelectronics의 실리콘 기술에 대한 심오한 이해는 여정에 영향을 미칩니다.이 깊은 전문 지식은 끊임없이 변화하는 산업 환경에 맞는 고급 반도체 솔루션의 개발을 강화합니다.R & D에 대한 지속적인 투자를 통해이 회사는 새로운 기술 혁신을 촉진합니다.이 회사의 광범위한 제조 기능은 다양한 제품 응용 프로그램을 수용하여 정밀도와 신뢰성을 제공합니다.이 숙련도는 특히 자동차 및 산업 전자 부문에서 엄격한 품질 요구를 해결합니다.
주요 기술 회사 및 연구 기관과의 협력은 Stmicroelectronics의 전략적 패브릭으로 짜여져 있습니다.이 동맹은 집단적 자원과 통찰력을 활용, 복잡한 기술 과제를위한 솔루션을 제작합니다.Stmicroelectronics는 미세 전자 및 수렴 기술의 진행에 크게 기여합니다.SOC에 IoT 및 AI 기능을 포함시켜 회사는 연결성 및 스마트 장치 기능을 증폭시킵니다.이 전략은 스마트 기술과 응용 프로그램의 진화를 적극적으로 형성합니다.
LM833은 4.5NV/√Hz의 낮은 전압 노이즈 덕분에 오디오 애플리케이션에서 눈에 띄는데, 고 충실도 사운드에 이상적입니다.15MHz의 게인 대역폭 제품과 7V/µs의 슬리트 속도를 자랑하여 도전적인 조건에서 성능을 보장합니다.왜곡 수준이 0.002%로 명확한 오디오 출력을 제공하여 깨끗한 재생을 통해 장비의 청각 경험을 향상시킵니다.
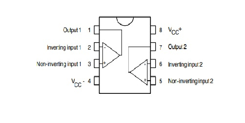
LM833은 8 핀 디자인을 특징으로하므로 사전 증폭 및 마이크 증폭과 같은 다양한 용도에 적응할 수 있습니다.핀 레이아웃을 이해하는 것은 정교한 오디오 시스템에 통합하는 데 사용되므로 오디오 신호 품질을 유지하면서 간단한 연결을 허용합니다.이 레이아웃과 일치하는 구성 요소를 선택하면 시스템 효율성과 사운드 우수성에 큰 영향을 줄 수 있습니다.
Ti 변형은 LM833과 많은 기능을 공유하여 청각 적 특성으로 오디오 애호가에게 호소합니다.두 모델 모두 안정성 및 이미지 선명도를 우선시하여 신호 품질이 높습니다.선택은 종종 미묘한 차이가 결과에 영향을 줄 수있는 프로젝트 별 요구에 달려 있습니다.복잡한 설정 에서이 앰프는 강력한 성능을 제공하며 최소한의 타협과 교환 할 수 있습니다.
OPA2134는 강력하게 경쟁하지만 ON Semi LM833은 노이즈 감소 및 스테레오 이미징에 탁월하며 레코딩 스튜디오 또는 고급 홈 오디오 시스템과 같은 설정에서 선호됩니다.우수한 사운드 재생을 위해 LM833을 선호하여 풍부한 청각 경험을 가능하게합니다.모든 세부 사항이 최종 오디오 품질에 영향을 미치는 미묘한 차이점이 나타납니다.
문의를 보내 주시면 즉시 응답하겠습니다.
10월24일에서
10월24일에서
4월18일에서 147760
4월18일에서 111969
4월18일에서 111351
4월18일에서 83732
1월1일에서 79520
1월1일에서 66930
1월1일에서 63080
1월1일에서 63023
1월1일에서 54088
1월1일에서 52162