




그만큼 88E1512 매우 적응할 수있는 기가비트 이더넷 트랜시버입니다.널리 사용되는 1000base-T, 100Base-TX 및 10Base-T 표준을 지원하여 효율적인 데이터 전송을 보장합니다.이러한 표준의 다양성은 현대 네트워크 시스템의 요구를 충족시켜 다른 인터페이스에 대한 신뢰성을 제공 할 수 있습니다.
GMII 및 RGMII 인터페이스를 통해 연결할 수 있으므로 Transceiver는 다양한 네트워크 인프라에 원활한 통합을 용이하게합니다.이 이중 호환성은 다양한 네트워크 아키텍처를 제공하여 시스템 성능을 원활하게 향상시키는 데 필요한 유연성을 제공합니다.기존 시스템에 통합의 용이성은 종종 가치가있어 확장 성과 효율성을 모두 향상시킵니다.구리, 섬유 및 SGMII 형식을지지하는 88E1512는 다양한 네트워크 시나리오에 적응할 준비가되어 있습니다.네트워크가 변동을 요구하는 환경에서는이 기능이 대부분 유리할 수 있습니다.Transceiver의 자동 미디어 유형 감지는 설정 복잡성을 줄여 네트워크 관리를 간소화합니다.
통합 MDI 종단 저항은 88E1512의 효율적인 설계의 일부이며 회로 레이아웃을 단순화하고 재료 및 제조와 관련된 비용 절감입니다.이 사려 깊은 디자인은 IEEE 표준과 일치하여 일관된 성능을 보장합니다.이러한 효율성은 신뢰할 수 있지만 간단한 배치 시스템을 제공하는 데 도움이됩니다.88E1512가 제공하는 정밀 및 비용 관리의 균형이 자주 추구됩니다.예산 제약을 존중하는 품질 솔루션을 제공함으로써 프로젝트는 지속 가능성과 확장 성을 모두 달성 할 수 있습니다.이 평형은 일반적으로 성공적인 구현에서 관찰되며 장기 네트워크 발전을 주도합니다.
|
특징 |
설명 |
|
IEEE 준수 |
10/100/1000Base-T IEEE 802.3 준수 |
|
다중 운영 모드 |
-RGMII에서 구리 |
|
-SGMII에서 구리 (88E1512/88E1514 만 해당) |
|
|
-RGMII에서 섬유/SGMII (88E1512 만 해당) |
|
|
-Auto-Media Detect를 사용하여 RGMII에서 구리/섬유/SGMII
(88E1512 만) |
|
|
- 구리 대 섬유 (1000Base-X) (88E1512/88E1514) |
|
|
RGMII 타이밍 모드 |
통합 지연이있는 4 개의 RGMII 타이밍 모드,
PCB 추적 지연이 필요합니다 |
|
섬유 인터페이스 지원 |
SGMII (88E1512를 사용하여 1000Base-X 및 100Base-FX를 지원합니다
오직) |
|
RGMII LVCMOS 표준 |
RGMII에서 LVCMOS/0을 지원합니다 |
|
에너지 효율적인 이더넷 (EEE) |
IEEE 802.3AZ-2010은 EEE 버퍼링을 사용하여 준수합니다
레거시 Mac |
|
전력 효율성 |
통합 된 MDI 종료와 함께 초 전력
저항 |
|
전압 조정기 |
통합 스위칭 전압 조정기 |
|
녹색 이더넷 지원 |
- 활성 전력 저장 모드 |
|
- 에너지 감지 및 에너지 감지+ 저전력 모드 |
|
|
IEEE1588 V2 |
타임 스탬핑 지원 |
|
동기 이더넷 (Synce) |
시계 복구 |
|
루프백 모드 |
3 가지 진단 루프백 모드 |
|
다운 시프트 모드 |
2 쌍 케이블 설치 지원
|
|
적응 형 이퀄라이저 |
완전히 통합 된 디지털 적응 형 이퀄라이저, Echo
취소자 및 Crosstalk vancellers |
|
기준 방황 수정 |
고급 디지털 기준선 방황 수정 |
|
MDI/MDIX |
모든 속도에서 자동 MDI/MDIX 크로스 오버 |
|
극성 보정 |
자동 극성 보정 |
|
자동 협상 |
IEEE 802.3 준수 |
|
LED 모드 |
LED 테스트를 포함한 소프트웨어 프로그래밍 가능한 LED 모드 |
|
관리 인터페이스 |
MDC/XMDIO 관리 인터페이스 |
|
진단 도구 |
CRC 체커, 패킷 카운터, 패킷 생성 |
|
란 (Wol)에서 깨우기 |
이벤트 감지 기능 |
|
가상 케이블 테스터 (VCT) |
진단을위한 고급 가상 케이블 테스터 |
|
자동 교정 |
Mac 인터페이스 출력의 경우 |
|
온도 센서 |
통합 |
|
전압 공급 |
내부 스위칭 레귤레이터가있는 단일 3.3v 공급
지원하다 |
|
I/O 전압 옵션 |
I/O 패드의 경우 1.8V, 2.5V 또는 3.3V |
|
학년 옵션 |
상업 및 산업 등급 (88E1510 및 88E1512
오직) |
|
패키지 |
-48 핀 QFN 7mm x 7mm 녹색 EPAD (88E1510 및
88E1518) |
|
-56 핀 QFN 8mm x 8mm 녹색 EPAD (88E1512/88E1514) |
88E1512 이더넷 Phy는 디지털 환경에서 신속한 발전을위한 유연한 기반을 제공합니다.이 구성 요소는 엔터프라이즈, 임베디드 솔루션, 소비자 전자 제품 및 메트로/서비스 네트워크와 같은 다양한 부문에서 기가비트 시스템을 전제로합니다.
• 네트워크 인프라 향상 : 엔터프라이즈 네트워크에서 88E1512는 연결성을 증폭시키고 데이터 전송 속도를 향상시킵니다.데이터 센터 및 기업 네트워크와 같은 빠르고 원활한 데이터 교환을 요구하는 환경에서 번성합니다.
• 데이터 센터 통합 : 데이터 센터는 88E1512의 안정적인 성능 및 고속 기능의 혜택을 누리므로 저장 및 처리에 필요한 부드러운 데이터 흐름을 보장합니다.그것은 속도와 신뢰성 사이의 조화로운 균형을 유지하여 현대 데이터 센터 설계에서 핵심 요소가됩니다.
임베디드 시스템에서 구성 요소는 IoT 및 자동화에 심각한 컴팩트하고 효율적인 레이아웃을 가능하게합니다.이 통합은 스마트 홈 기술 및 산업 자동화의 혁신을 주도하여 더 똑똑하고 반응이 좋은 응용 프로그램을 장려합니다.
88E1512는 소비자 장치에서 고속 인터넷에 대한 수요가 증가합니다.예를 들어, 스마트 TV 및 게임 콘솔은 우수한 스트리밍 및 게임 경험을위한 용량을 활용하여 만족도와 경쟁 우위를 향상시킵니다.
• 연결 유지 관리 : 메트로 네트워크 및 서비스 제공 업체에서 88E1512는 안정적이고 일관된 연결을 보장합니다.배포를 통해 서비스 제공 업체는 최소한의 중단으로 고품질 인터넷 액세스를 제공하여 비즈니스와 주택 모두에게 도움이됩니다.
• 네트워크 백본 향상 : 메트로 네트워크에서의 역할은 신뢰할 수있는 인프라를 지원하여 효율적인 통신 채널을 촉진하고 높은 데이터로드를 수용합니다.도시 커뮤니케이션 네트워크를 유지하여 효율성과 탄력성을 보장하는 데 주된 것입니다.
• 88E1512-A0--NNP2I000
• 88E1512-A0-NNP-2I000
• 88E1512-A0NNP2I000
• 88E1512A0NNP2I000


디지털 스토리지에서 봉투를 밀고있는 것으로 알려진 Marvell은 다양한 부문에서 지속적으로 새로운 지평을 깨뜨립니다.그들의 고급 반도체 솔루션은 데이터 저장의 미래를 정의하는 데 중요한 역할을하며 엔터프라이즈, 클라우드, 자동차, 산업 및 소비자 시장에 광범위한 영향을 미칩니다.이 전체적인 전략은 데이터 관리 효율성과 확장 성을 높이기위한 헌신을 보여줍니다.
엔터프라이즈 및 클라우드 설정에서 Marvell은 데이터 흐름 및 스토리지 효율성을 향상시킵니다.클라우드 컴퓨팅에 대한 강조가 커지면 강력하고 확장 가능한 혁신이 필요합니다.Marvell은 전력 효율적인 설계와 함께 고급 알고리즘을 활용하여 대기 시간 문제를 해결하여 현대 비즈니스에 필요한 속도 요구 사항을 충족시키기 위해 완벽한 데이터 액세스를 제공합니다.자동차 및 산업 용도를 위해 Marvell은 어려운 조건을 견딜 수 있도록 설계된 내구성 솔루션을 제공합니다.그들의 반도체는 스마트 차량의 진화 및 제조 자동화를위한 안정적인 데이터 처리를 제공합니다.AI 기능을 통합하면 이러한 부문의 변형에 사용되는 지능적인 의사 결정 및 예측 유지 보수가 지원됩니다.
다음은 Marvell Semiconductor, Inc.의 테이블입니다. 88E1512-A0-NNP2I000 기술 사양 및 속성.
|
유형 |
매개 변수 |
|
공장 리드 타임 |
16 주 |
|
산 |
표면 마운트 |
|
장착 유형 |
표면 마운트 |
|
패키지 / 케이스 |
56-VFQFN 노출 패드 |
|
사용 수준 |
산업 등급 |
|
작동 온도 |
-40 ° C ~ 85 ° C (TA) |
|
시리즈 |
알래스카 ® |
|
게시 |
2011 |
|
부품 상태 |
활동적인 |
|
수분 감도 수준 (MSL) |
3 (168 시간) |
|
종료 수 |
56 |
|
유형 |
트랜시버 |
|
전압 - 공급 |
1.71V ~ 1.89V, 2.38V ~ 2.62V, 3.14V ~ 3.46V |
|
터미널 위치 |
쿼드 |
|
터미널 형태 |
리드가 없습니다 |
|
기능 수 |
1 |
|
공급 전압 |
3.3v |
|
JESD-30 코드 |
S-XQCC-N56 |
|
채널 수 |
4 |
|
인터페이스 |
이더넷 |
|
데이터 속도 |
10Mbps, 100Mbps, 1Gbps |
|
규약 |
IEEE 802.3, IEEE 1588 |
|
드라이버/수신기 수 |
4-APR |
|
이중 |
완전, 반 |
|
트랜시버 수 |
1 |
|
단순/이중 |
이중 |
|
최대 접합 온도 (TJ) |
125 ° C |
|
주변 온도 범위가 높습니다 |
85 ° C |
|
키 |
1mm |
|
ROHS 상태 |
ROHS 준수 |
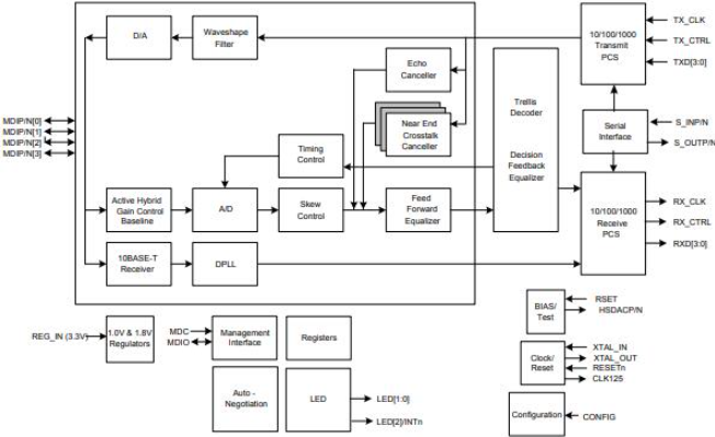
88E1512 트랜시버는입니다 다재다능한 네트워크 설정을 위해 설계되었으며 5 가지 작업 모드를 지원합니다. 구체적인 요구.디지털 커뮤니케이션을 향상시키는 RGMII Mac과 Phy 사이, 데이터 전송 간소화 및 설계 감소 복잡성은 다양한 설치의 구리 연결에 이상적입니다.sgmii 높은 신호 무결성을위한 차동 쌍이있는 소형 프로토콜입니다. 구리 및 섬유 연결을지지하는 낮은 핀 수 저전력과 적응성.RGMII -SGMII 전환이 제공됩니다 구성으로 RGMII-to-SGMII 전환을 활성화하여 유연한 연결 다른 설정에서 호환성을 보장하는 옵션.구리와 섬유 지원 SGMII 지원 구리 (내구성, 내구성, 비용 효율적인) 및 섬유 (고속, 장거리) 연결 단순화 된 설정을위한 자동 감지.섬유 전이 (1000Base-X)가 촉진됩니다 구리와 섬유 모드 사이의 원활한 전환, 주거용에 적응할 수 있습니다. 대기 시간 및 신호 요구 사항을 기반으로하는 상업 환경.
Transceiver는 1.8V, 2.5V 및 3.3V의 여러 LVCMOS 전압을 지원하는 동안 3.3V 전원 공급 장치에서 원활하게 작동하는 통합 전압 조절기를 특징으로합니다.이 적응성을 사용하면 전력 프레임 워크가 다른 시스템에 완벽하게 통합 될 수 있습니다.의도적 인 전압 표준 선택은 열 관리 및 전력 효율성에 직접적인 영향을 미쳐 엔지니어링 문제에 주목할만한 역할을합니다.이러한 측면에 참석하면 성능 수명과 지속 가능한 장치 작동을 강화할 수 있습니다.
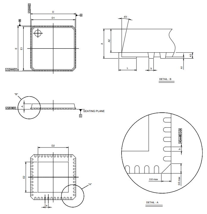
컴팩트 한 56 핀 QFN 패키지로 둘러싸인 트랜시버 치수는 8mm x 8mm입니다.이 설계는 조밀 한 회로 보드의 공간을 최대화하는 데 사용되므로 고밀도 응용 분야에 적합합니다.전자 장치가 더 작은 크기로 계속 경향이함에 따라 기능을 잃지 않고 컴팩트 한 구성 요소를 선택하는 것이 점점 중요 해지고 있습니다.QFN 패키지는 열 성능을 향상시킬뿐만 아니라 발자국을 줄여 제품 다목적 성 및 시장 대응 성에 직접 영향을 미칩니다.
문의를 보내 주시면 즉시 응답하겠습니다.
10월29일에서
10월29일에서
4월18일에서 147757
4월18일에서 111938
4월18일에서 111349
4월18일에서 83721
1월1일에서 79508
1월1일에서 66913
1월1일에서 63055
1월1일에서 63012
1월1일에서 54081
1월1일에서 52131