
에이 차동 증폭기 많은 아날로그 시스템의 핵심 부분입니다.주요 기능은 두 입력 신호 사이의 전압 차이를 증폭시키면서 두 입력 신호를 모두 무시하는 것입니다.이 선택적 증폭은 시끄러운 환경에서 유용하게 만듭니다.전자기 노이즈 또는 전력 라인과 같은 간섭이 두 입력에 동일하게 영향을 미치면 앰프가 효과적으로 취소됩니다.
이 능력을 공통 모드 거부라고합니다.CMRR (Common-Mode Reejection 비율)은 앰프가 진정한 신호 차이에만 초점을 맞추므로 정확도를 유지하는 데 도움이됩니다.예를 들어, ECG 기계와 같은 의료 장비에서 심장의 전기 신호는 작고 종종 소음이 묻혀 있습니다.차동 증폭기는 이러한 신호를 깨끗하게 추출하여 신뢰할 수있는 판독 값을 허용합니다.소음에 대한 정밀도와 저항이 중요한 산업 또는 오디오 시스템에서도 동일한 원칙이 적용됩니다.
신호가 데이터 수집 시스템의 트위스트 쌍 케이블을 통한 장거리를 통과 할 때 두 와이어 모두 유사한 간섭을 선택합니다.차동 증폭기는이 공유 노이즈를 취소하고 유용한 신호 차이 만 증폭시킵니다.이로 인해 센서 인터페이스에서 고 충실도 오디오에 이르기까지 모든 분야에서 사용되는 정밀 전자 제품의 핵심 구성 요소입니다.
작동 증폭기의 경우 짧은 OP-AMP는 전자 부품으로 작은 전압 신호를 훨씬 더 크게 만들 수 있습니다.두 개의 입력 핀이 있습니다. 하나는 비 반전 입력 ( "+"로 표시)이라고하고 다른 하나는 반전 입력 ( "-"로 표시)입니다.OP-AMP는이 두 입력의 전압을 비교하고 이들 사이의 차이에 따라 출력을 제공합니다.그 자체로는 OP-AMP의 이득이 매우 높기 때문에 두 입력 사이의 작은 전압 차이조차도 출력을 최대 또는 최소 수준으로 밀어 넣을 수 있습니다.이것은 대부분의 용도에 너무 민감합니다.이 문제를 해결하기 위해 부정적인 피드백이라는 것을 추가합니다. 이것은 출력의 일부가 저항을 통해 역 입력으로 다시 전송 될 때입니다.이것은 OP-AMP가 출력을 꾸준하고 유용한 수준으로 유지하는 데 도움이됩니다.저항기는 OP-AMP가 두 입력의 차이를 얼마나 증폭시키는 지 제어합니다.

그림 2. 차동 증폭의 OP-AMP
그림은 차동 증폭기라는 특수 설정을 보여줍니다. 때로는 Diff Amp라고 불리는 경우가 있습니다.4 개의 저항 (r resist, r₂, r₃ 및 r₄)과 2 개의 입력 신호 (v₁ 및 v₂)를 사용합니다.OP-AMP는 V₁와 V₂의 다른 방법을보고 그 차이를 기반으로 한 출력 전압 V v를 제공합니다.이러한 종류의 회로는 두 신호의 차이를 선택하면서 두 입력에서 동일한 노이즈 또는 원치 않는 신호를 무시하는 데 좋습니다.그렇기 때문에 센서 회로, 오디오 시스템 및 명확하고 정확한 신호가 필요한 측정 도구와 같은 것들에 사용됩니다.
명확하고 신뢰할 수있는 방식으로 작동하는 차동 증폭기를 만들려면 4 개의 저항이있는 균형 잡힌 설정을 사용하십시오.다이어그램은 OP-AMP (작동 증폭기), 2 개의 입력 전압 (v₁ 및 v₂) 및 4 개의 저항의 R1, R2, R3 및 R4를 사용하여 수행되는 방법을 보여줍니다.

그림 3. 대칭성 저항 네트워크를 사용한 차등 증폭기 회로
이 회로에서, 첫 번째 입력 전압 인 v₁는 저항 R1을 통해 OP-AMP의 반전 입력 (마이너스 부호로 표시)으로 전송됩니다.두 번째 입력 전압 인 v₂는 저항 R3을 통해 비 반전 입력 (플러스 부호로 표시)으로 이동합니다.그런 다음 저항 R2는 거꾸로 입력을지면에 연결하고 저항 R4는 OP-AMP의 출력을 다시 반전 입력에 연결합니다.이 피드백 루프는 OP-AMP가 출력을 제어하고 두 입력의 차이를 안정적으로 유지하는 데 도움이됩니다.
이 증폭기의 주요 아이디어는 V₂와 V₁의 차이를 측정하고 그 차이에 일정량을 곱하는 것입니다.이를 이득이라고합니다.이득은 올바른 저항 값을 선택하여 설정됩니다.R1과 R3의 값이 동일한 값을 갖고 R2와 R4도 동일한 값을 갖는 경우 회로는 잘 작동하고 깨끗하고 정확한 출력을 제공합니다.동일한 저항을 갖는 것은 매우 중요합니다.저항이 일치하면 회로는 두 입력 라인에서 동일한 노이즈 또는 간섭을 무시할 수 있습니다.이를 공통 모드 거부라고하며 출력 신호를 깨끗하게 유지하는 데 도움이됩니다.저항이 잘 일치하지 않으면 회로는 원치 않는 신호를 통과하여 출력을 망칠 수 있습니다.
이를 피하려면 값이 매우 가까운 고정밀 저항을 사용하십시오.마이크로 칩 내부에서 발견 된 것과 같은 고급 디자인에서는 레저 트리밍을 사용하여 모든 균형을 유지하기 위해 저항 값을 신중하게 조정합니다.다른 경우에는 열이 저항의 행동 방식을 바꿀 수 있기 때문에 온도에 대해서도 생각합니다.따라서 그들은 온도에 따라 크게 영향을받지 않는 저항을 선택하거나 물건을 안정적으로 유지하는 방식으로 배열하려고합니다.이 간단한 유형의 차동 증폭기는 종종 계측 증폭기와 같은보다 복잡한 시스템의 출발점으로 사용됩니다.이러한 회로는 추가 부품을 사용하여 특히 시끄러운 환경에서 매우 작은 신호로 작업 할 때 성능을 향상시킵니다.
차동 증폭기의 게인은 회로가 두 입력 전압 V v v ₂ 사이의 차이를 얼마나 많이 증가시키는지를 측정합니다.다시 말해, 게인은 출력이 입력 신호의 차이와 비교되는 정도를 알려줍니다.이 게인은 입력 저항의 값과 피드백 저항을 비교하여 회로의 저항에 의해 설정됩니다.저항을 균형 잡힌 방식으로 설정하면 게인을 계산하는 것이 매우 간단 해집니다.R1이 R3과 동일하고 R2가 R4와 동일하다고 가정 해 봅시다.이러한 종류의 설정을 대칭이라고하며 회로가보다 정확하게 작동하는 데 도움이됩니다.이 경우 앰프의 이득을위한 공식은 다음과 같습니다.

이 공식은 앰프가 V₂와 V₁의 차이를 취하고 R2를 R1로 나눌 때 얻을 수있는 숫자를 곱한 것을 의미합니다.따라서 R2가 R1보다 두 배나 큰 경우 출력은 v₂와 v₁의 차이의 두 배가됩니다.
예는 다음과 같습니다.
v and = 3 볼트이고 v₁ = 1 볼트 인 경우 차이는 2 볼트입니다.
R2가 10kΩ이고 R1이 5kΩ 인 경우 게인은 10k / 5k = 2입니다.
따라서 출력 전압은 2 × 2 = 4 볼트입니다.
네 개의 저항을 모두 동일하게 만드는 경우 (R1 = R2 = R3 = R4) 게인이 1이됩니다. 즉, 증폭기가 차이의 크기를 변경하지 않으면 출력의 차이를 그대로 전달합니다.이것은 신호를 더 강하게 만들지 않고 측정하거나 통과하려고 할 때 유용합니다.그러나 때로는 입력 신호가 매우 작은 경우 출력이 더 강해야합니다.이를 위해 R2와 R4를 R1과 R3보다 크게 만들 수 있습니다.이렇게하면 게인이 증가하고 출력 신호가 커집니다.예를 들어, R2가 R1보다 10 배 더 큰 경우 게인은 10이고 출력은 입력 차이의 10 배입니다.
그러나 이득이 증가하는 것은 또한 단점이 있습니다.높은 게인은 또한 소음이나 간섭과 같은 원치 않는 신호를 더 강하게 만들 수 있습니다.작은 전압 오류가 크게 보일 수도 있습니다.이로 인해 앰프의 출력이 시끄럽거나 부정확해질 수 있습니다.따라서 저항 값을 신중하게 선택하는 것이 중요하므로 신호를 명확하게 볼 수있을 정도로 이득이 높지만 문제가 발생하지 않습니다.또한 Op-Amps는 완벽하지 않습니다.회로 작동 방식을 변경하는 작은 내장 오류가 발생할 수 있습니다.예를 들어, OP-AMP는 입력이 정확히 동일한 경우에도 작은 출력을 생성 할 수 있습니다.이것을 오프셋 전압이라고합니다.또 다른 일반적인 문제는 바이어스 전류입니다. 이는 입력 핀으로 흐르고 전압을 약간 변경할 수있는 작은 전류입니다.이러한 문제를 해결하거나 줄이려면 회로를 구축 한 후 회로를 조정하거나 (트리밍이라고 함) 추가 구성 요소를 추가하여 오류를 상쇄 (오프셋 널링)하거나 매우 정확하고 안정적으로 설계된 특수 OP-AMP를 사용하십시오..
기본 차동 증폭기는 간단하고 유용한 회로입니다.두 입력 전압의 차이를 증가시키고 (증폭) 둘 다 동일하게 무시합니다.그러나이 간단한 디자인은 약하거나 높은 임시 신호 소스 (일부 센서와 같은)에 연결될 때 문제가 있습니다.이 문제는 앰프의 반전 입력에서 비롯됩니다.회로의 작동 방식으로 인해이 입력은 가상 근거처럼 작용하므로 신호 소스에서 전류를 가져올 수 있습니다.
신호 소스가 일부 센서 나 섬세한 회로와 같이 많은 전류를 줄 수 없으면 신호가 변경 될 수 있습니다.신호가 더 작아 지거나 왜곡 될 수 있습니다. 즉, 앰프가 잘못된 결과를 낳습니다.이 문제를 해결하려면 각 입력에서 버퍼 증폭기라고도하는 전압 추종자를 사용하십시오.이들은 전압을 증가시키지 않는 특수 증폭기 회로이지만 입력 임피던스가 매우 높고 출력 임피던스가 낮습니다.즉, 신호 소스에서 많은 전류를 그릴 수 없으므로 신호는 동일하게 유지됩니다.버퍼는 신호를 변경하지 않고 통과합니다.이러한 전압 추종자를 차동 증폭기에 추가하면 Three-Op-AMP 계측 앰프라는 더 나은 회로를 얻을 수 있습니다.이 새로운 버전은 입력 임피던스가 매우 높기 때문에 신호가 약하면 잘 작동합니다.
외부 저항을 사용하여 게인 (신호의 양)을 설정할 수도 있습니다.또한 노이즈를 잘 차단하고 깨끗하고 정확한 신호를 제공합니다.이 개선 된 증폭기는 서미스터, 스트레인 게이지 또는 의료 센서의 작은 신호를 읽는 것과 같은 정확한 작업에 사용됩니다.이 신호는 종종 (마이크로 볼트와 같은) 매우 작으며 시끄러운 곳에서도 명확하게 증폭되어야합니다.앰프가 최선으로 작동하는지 확인하려면 회로의 물리적 설계도 중요합니다.많은 사람들이 원치 않는 신호를 차단하기 위해 회로의 부분을 차폐하고 원치 않는 커패시턴스의 문제를 피하기 위해 전선을 짧게 유지하는 것과 같은 특수 레이아웃 트릭을 사용합니다.이것은 매우 작거나 빠른 신호로도 앰프가 잘 작동하는 데 도움이됩니다.

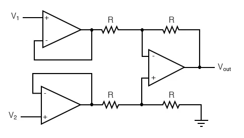
그림 4. 입력 버퍼가있는 3-OP-AMP 계측 증폭기
이 그림에는 3op-AMP 계측 증폭기가 표시됩니다.처음 두 개의 OP-AMPS는 버퍼로 작용하여 입력 신호 v1 및 v2를 수신하고 소스에서 전류를 끌어 내지 않고 전달합니다.이러한 버퍼 된 신호는 저항기를 통과하고 세 번째 OP-AMP에서 수렴하여 차동 증폭기 역할을합니다.이 마지막 단계는 출력 전압 VOUT를 생성하기 위해 하나의 입력을 다른 입력으로 빼냅니다.이 구성은 신호 무결성을 향상시키고 약하거나 민감한 신호를 안전하게 처리하는 데 적합합니다.
일부 회로에서는 피드백없이 차동 증폭기라는 앰프 유형을 사용합니다.우리가 이것을 할 때, 그것은 비교기가됩니다.비교기는 두 개의 전압 중 어느 것이 더 큰지 빠르게 확인하는 장치입니다.일단 비교를 한 후에는 간단한 스위치처럼 출력을 고전압 또는 저전압으로 변경합니다.이러한 종류의 온 또는 오프 동작은 디지털 시스템 및 자동 제어 회로에서 매우 유용합니다.한 가지 예는 제로 교차 탐지기입니다.AC (교대 전류) 신호를보고 신호가 0 볼트를 통과 할 때마다 출력을 변경합니다.이것은 신호의 단계에 의존하는 타이밍 및 제어에 도움이됩니다.
비교기는 또한 아날로그-디지털 변환기 (ADC)라는 장치에서도 중요합니다.이 변환기는 신호 (사운드 또는 온도와 같은)를 컴퓨터를 이해할 수있는 디지털 번호로 변경합니다.비교기는 변경 신호를 고정 기준 전압과 비교하여 도움이됩니다.규칙적인 OP-AMPS (작동 증폭기)가 간단한 회로에서 비교기로 작동 할 수 있지만이 작업을 위해 만들어진 특수 비교기 칩이 있습니다.이 특수 칩은 더 빠르고 정확합니다.또한 히스테리시스 (작은 변경 또는 소음으로 인해 너무 자주 전환을 피하는 데 도움이되는) 및 오픈 컴퓨터 출력 (디지털 회로에 쉽게 연결할 수 있음)과 같은 추가 기능이 포함될 수 있습니다.

그림 5. Wheatstone Bridge 구성을 사용한 비교 회로
그림은 클래식 휘트 스톤 브리지 구성이있는 비교 회로를 보여줍니다.4 개의 동일한 저항이 브리지 네트워크를 형성하여 모든 구성 요소가 대칭이고 입력이 0 볼트 일 때 균형 조건을 만듭니다.V1 및 V2라는 브리지 암으로부터의 전압은 각각 비교기의 반전 및 비 반전 입력에 공급된다.균형 잡힌 조건에서 V1 및 V2는 동일하여 출력이 0입니다.온도 또는 변형으로 인한 하나의 저항의 변화와 같은 브리지의 불균형은 V1과 V2 사이의 전압 차이를 생성하여 비교기가 그에 따라 출력을 전환하게합니다.
광에 민감한 스위치는 다양한 주변 조명 레벨에 응답하여 전기 장치의 자동 제어를 가능하게하는 차동 증폭기의 응용 프로그램입니다.이 회로는 일반적으로 광 의존성 저항 (LDR)을 사용합니다.LDR을 전압 분배기 네트워크에 통합함으로써 광 강도를 해당 전압 신호로 변환 할 수 있습니다.이러한 스위치의 핵심 작동은 차동 증폭기에 의존하며, 이는 LDR을 포함하는 전압 분배기와 다른 하나는 기준 전압에서 두 개의 입력을 수신합니다.기준 전압은 가변 저항 (VR1) 또는 전위차계를 사용하여 조절할 수 있습니다.이 구성을 통해 스위치가 연결된 부하를 활성화하거나 비활성화하는 광도 임계 값을 정확하게 설정할 수 있습니다.
주변 광선이 변함에 따라 LDR의 저항은 다르고 차동 증폭기의 한 입력에서 전압을 변경합니다.이 입력 전압이 기준 전압을 능가하거나 아래로 떨어지면 앰프의 출력이 토글을 전환합니다.이 출력은 트랜지스터 스위치를 구동하는 데 사용되며 램프, 릴레이 또는 팬과 같은 연결된 장치를 활성화합니다.피드백 저항 (RF)을 포함 시키면 앰프 회로의 안정성과 응답 성이 향상됩니다.한편, 종종 플라이백 다이오드 (D1)와 쌍을 이루는 트랜지스터 스테이지는 필요한 전류 증폭을 제공하고 릴레이와 같은 유도 부하가 사용될 때 전압 스파이크로부터 보호합니다.

그림 6. 차동 증폭기 및 LDR을 사용한 광에 민감한 스위치
그림은 차동 증폭기를 기반으로 한 광에 민감한 스위치 회로를 보여줍니다.광 의존성 저항 (LDR) 및 고정 저항 (R1)은 작동 증폭기의 역 단자에 가변 전압 입력 (v1)을 제공하는 전압 분배기를 형성합니다.비 반전 입력은 저항 R2와 직렬로 가변 저항 (VR1)을 사용하여 설정된 기준 전압 (v2)을 수신합니다.차동 증폭기는 이러한 입력을 저항 (R3)을 통해 트랜지스터의베이스에 연결하여 이러한 입력을 비교합니다.광도가 V1이 V2에 의해 설정된 임계 값을 가로 지르도록 조명 강도가 변하면 앰프 출력은 상태를 스위치하여 트랜지스터를 켜거나 끕니다.이는 결과적으로 출력 연결과 함께 다이어그램에 표시된 연결된 릴레이 코일을 제어합니다.다이오드 (D1)는 전압 스파이크를 방지하기 위해 릴레이 코일과 병렬로 배치됩니다.저항 R4는 트랜지스터베이스의 풀다운 역할을합니다.전체 회로는 주변 광 조건에 따라 자동 스위칭을 가능하게합니다.
• 우수한 소음 제거: 차동 증폭기는 두 입력 신호 간의 차이를 증폭시키고 두 입력 신호 사이의 차이를 증폭 시키도록 설계되었습니다.이로 인해 입력 라인에 동일하게 영향을 미치는 전자기 간섭 및 노이즈를 거부하는 데 매우 효과적입니다. 공장이나 전력선과 같은 많은 전기 노이즈가있는 환경의 주요 이점입니다.
• 높은 정확도:이 증폭기는 우수한 선형성을 제공하므로 출력은 왜곡이 거의없는 입력 전압 차이에 직접 비례합니다.이로 인해 오디오 장비, 데이터 수집 시스템 또는 과학기구와 같이 높은 정밀도가 필요한 시스템에 이상적입니다.
• 다목적 디자인: 회로 구성을 간단하게 수정하면 기본 증폭기, 전압 비교기, 전압 팔로어 (버퍼) 또는 고급 계측 시스템의 빌딩 블록과 같은 다양한 역할에서 차동 증폭기를 사용할 수 있습니다.이러한 유연성은 많은 아날로그 디자인에서 인기있는 선택입니다.
• 신호 품질을 일찍 향상시킵니다: 원하는 신호를 증폭시키고 신호 체인의 초기에 노이즈를 거부함으로써, 차동 증폭기는 깨끗한 신호가 나머지 시스템을 통과 할 수 있도록 도와줍니다.이를 통해 복잡한 필터링 또는 디지털 보정 다운 스트림의 필요성을 줄여 처리 전력을 절약하고 전반적인 시스템 신뢰성을 향상시킵니다.
• 가혹한 환경에서 신뢰할 수 있습니다: 노이즈 재배치와 정밀성으로 인해 기업용 증폭기는 항공 우주 시스템, 의료 기기 및 실험실 장비와 같은 고위험 환경에서 널리 사용됩니다.이 분야에서 정확하고 안정적인 측정이 중요하며 차동 증폭기는 도전적인 조건에서도 신호 무결성을 유지하는 데 도움이됩니다.
차동 증폭기는 올바른 신호를 증폭시키고 원치 않는 노이즈를 제거하는 데 도움이되기 때문에 전자 제품의 중요한 도구입니다.두 입력 전압의 차이를 높이고 두 가지 모두에서 동일한 것을 무시함으로써 작동합니다.OP-AMPS가 이러한 증폭기를 만드는 방법과 회로를 정확하게 유지하는 데 핵심 저항 값이 어떻게 일치하는지 배웠습니다.또한 버퍼를 사용하여 앰프의 입력 저항을 늘리는 방법을 설명했습니다. 이는 신호 또는 약한 신호로 작업 할 때 도움이됩니다.이 증폭기는 비교기 및 스마트 라이트 스위치로 사용하여 얼마나 유용하고 유연한지를 보여줍니다.그들이 어떻게 작동하는지 아는 것은 더 좋고 더 안정적인 회로를 구축하는 데 도움이됩니다.
문의를 보내 주시면 즉시 응답하겠습니다.
차동 증폭기에는 OP-AMP 및 4 개의 저항이 있습니다.하나의 입력은 저항을 통해 거꾸로 터미널로 이동하고 다른 입력은 다른 저항을 통해 비 반전 단말기로갑니다.두 가지 더 저항기가 피드백과 접지를 제공합니다.회로는 두 입력 사이의 전압 차이를 증폭시키면서 둘 다에 공통적 인 전압을 무시합니다.
정확도는 저항이 얼마나 잘 일치하는지에 달려 있습니다.저항 값이 꺼져 있으면 앰프가 노이즈를 통과시킬 수 있습니다.또한 신호 손실 또는 왜곡을 유발할 수있는 고 임피던스 소스로 어려움을 겪고 있습니다.높은 게인에서는 오프셋 전압 또는 바이어스 전류와 같은 작은 내부 오류조차도 출력에 영향을 줄 수 있습니다.복잡한 레이아웃과 추가 버퍼가 정밀도를 위해 필요할 수 있습니다.
대부분의 기본 미분 증폭기에는 두 입력 사이의 증폭 차이를 보여주는 하나의 출력이 있습니다.완전히 차동 증폭기와 같은 일부 고급 버전에는 두 개의 출력이 있습니다.이러한 출력은 진폭은 동일하지만 위상은 반대이므로 더 나은 소음 면역이 필요한 시스템에 유용합니다.
두 입력 사이의 전압 차이를 증폭시키고 둘 다에 공통적 인 전압을 거부합니다.저항 값을 통한 높은 공통 모드 거부, 우수한 선형성 및 조정 가능한 게인이 있습니다.버퍼를 사용하면 입력 임피던스가 높을 수 있습니다.시끄러운 환경에서 신뢰할 수 있으며 센서 또는 오디오 소스의 작은 신호와 잘 어울립니다.
저항 값을 조정하여 게인을 증가시킵니다.게인은 입력 저항에 대한 피드백 저항의 비율과 같으며 일반적으로 gain = r2 / r1.더 큰 피드백 저항 또는 더 작은 입력 저항을 사용하면 게인이 증가합니다.그러나 높은 게인은 소음 또는 내부 오차를 증폭시킬 수 있으므로 신호 강도와 정확도 사이의 균형을 잘 유지하기 위해 저항 값을 신중하게 선택해야합니다.
5월2일에서
5월2일에서
4월18일에서 147757
4월18일에서 111938
4월18일에서 111349
4월18일에서 83721
1월1일에서 79508
1월1일에서 66913
1월1일에서 63055
1월1일에서 63012
1월1일에서 54081
1월1일에서 52131