

|
핀 이름 |
핀 번호 |
유형 |
설명 |
|
VDD |
16 |
힘 |
공급 전압 (+3 ~ +15V) |
|
Gnd |
8 |
힘 |
지상 (0V) |
|
D0-D7 |
1, 4, 5, 5, 6, 7, 13, 14, 15 |
입력 |
병렬 데이터 입력 핀 |
|
Q5, Q6, Q7 |
2, 3, 12 |
산출 |
마지막 3 비트에서 버퍼링 된 출력 |
|
PE |
9 |
입력 |
병렬 활성화 |
|
CP |
10 |
입력 |
입력을 동기화하려면 클럭 핀 |
|
DS |
11 |
입력 |
직렬 입력 핀 |
4014 IC를 활용하려면 VDD를 전원의 양의 터미널에 조심스럽게 연결하고 GND를 네거티브 터미널에 조심스럽게 연결하십시오.이 IC는 3V ~ 15V의 전력 범위 내에서 작동하지만 특정 모델은 최대 20V까지 확장 될 수 있습니다.정확한 전기 세부 사항에 대한 데이터 시트를 검사하여 고유 한 설정에 대한 호환성을 조정하는 것이 좋습니다.선택한 전압 범위는 장치의 작동 무결성과 꾸준한 기능에 직접 영향을 미칩니다.
PARALL ENABLE (PE) 핀을 높은 상태로 전환하여 병렬 데이터 로딩을 시작하십시오.선택한 데이터 입력을 병렬 데이터 핀에 연결하여 D0으로 표시된 데이터 핀을 연결하십시오.CLK 핀에 적용되는 상승 에지 신호는 의도 된 데이터를 레지스터에 캡처합니다.이 준비 단계는 역할과 동기화가 가장 중요합니다.
PE 핀을 낮은 상태로 토글하여 데이터 이동을 시작하십시오.상승하는 각 CLK 펄스는 데이터를 점진적으로 이동시킵니다.이 모드에서 DS PIN은 직렬 데이터 입력을 제공하여 유연한 데이터 처리를 용이하게합니다.이 기능은 유체 데이터 전환이 필요할 때 현저하게 도움이되어 효율적인 구성 및 디지털 신호의 분류를 보장합니다.

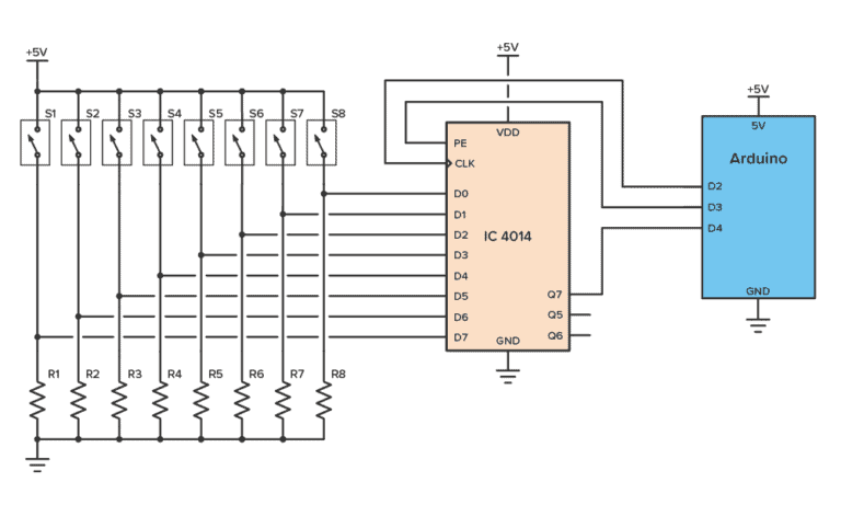
그만큼 CD4014 Shift Register는 Arduino와 같은 3 개의 마이크로 컨트롤러 핀을 사용하여 최대 8 개의 스위치 상태를 읽는 실용적인 도구입니다.따라서 추가 하드웨어없이 입력 용량을 효율적으로 확장하므로 PIN 가용성이 제한되는 프로젝트에 이상적입니다.회로는 모든 연결된 스위치의 상태를 캡처 하고이 데이터를 한 번에 하나씩 마이크로 컨트롤러로 전송하여 작동합니다.CD4014는 평행-서서전 변환을 사용하여 배선을 간단하고 컴팩트하게 유지하면서 여러 스위치를 모니터링 할 수 있습니다.
이를 설정하려면 Arduino의 D3 핀을 CD4014의 PALALL ENABLE (PE) 핀, D2에 클럭 (CLK) 핀에, D4에 데이터 출력 (Q) 핀에 연결하십시오.D3은 스위치 상태를 캡처하기 위해 래치를 활성화하고, D2는 상태를 출력으로 전환하기 위해 클록 펄스를 보내고, D4는 데이터를 순차적으로 읽습니다.각 클록 펄스는 다음 스위치 상태를 출력 핀으로 이동시켜 Arduino가 한 번에 하나씩 8 개의 스위치를 모두 읽을 수 있습니다.이 접근법은 효율적이며 공간과 자원을 모두 저장합니다.CD4014를 사용하면 최소 I/O 사용량으로 여러 입력을 관리하고 설계를 단순화하며 배선 복잡성을 줄일 수 있습니다.스위치 상태의 정확한 모니터링이 필요한 프로젝트를위한 작고 안정적인 솔루션입니다.
• NTE4014
• MC14014
• HCF4014
• HEF4014
• CD4014BE
• 74hc165
• 74HC166
• 74HC198
문의를 보내 주시면 즉시 응답하겠습니다.
12월9일에서
12월8일에서
4월18일에서 147757
4월18일에서 111931
4월18일에서 111349
4월18일에서 83719
1월1일에서 79508
1월1일에서 66883
1월1일에서 63010
1월1일에서 62978
1월1일에서 54081
1월1일에서 52108