
그만큼 CD4007 Integrated Circuit (IC)은 3 쌍의 보완 N- 채널 및 P 채널 MOS 트랜지스터의 구성으로 인해 현대 전자 제품의 기초입니다.이 트랜지스터 쌍은 시리즈 및 션트 구성 모두에서 활용 될 수 있으므로 다양한 회로 설계 요구에 맞게 맞춤형 솔루션을 제공하기 때문에 놀라운 다양성을 제공합니다.또한 CD4007은 여러 유형의 장치와 쉽게 인터페이스합니다.
• CMOS (보완 금속-산화물-비도체)
• NMOS (N- 채널 금속-산화물-비도체)
• TTL (트랜지스터 트랜지스터 로직)
CD4007은 낮은 열 소산 및 실질적인 소음 면역이 필요한 시나리오에서 빛을 발합니다.전압 레벨을 전문적으로 관리하여 공급 전압 (VDD)과지면 (VSS)을 0.3V 마진으로 유지합니다.이 정확한 전압 제어는 전력 손실을 최소화하고 신호 무결성을 유지하는 응용 분야에서 중요한 역할을합니다.
IC의 정전기 방전 (ESD)에 대한 확고한 보호는 또 다른 주목할만한 속성입니다.전자 성분에 대한 ESD의 해로운 효과를 분석하면 CD4007에는 전압 배수 (VD)와 접지 (VSS) 사이의 클램핑 다이오드가 장착되어 있습니다.이 다이오드는 갑작스런 전압 스파이크를 즉시 흡수하여 정전기로부터 입력을 보호합니다.

|
핀 번호 |
핀 이름 |
설명 |
|
1 |
2DP |
P 채널 2의 배수 |
|
2 |
2sp |
P 채널 2의 출처 |
|
3 |
2A |
입력 채널 2 |
|
4 |
2sn |
N 채널 2의 출처 |
|
5 |
2dn |
N 채널 2의 배수 |
|
6 |
1A |
입력 채널 1 |
|
7 |
VSS |
소스 공급 |
|
8 |
1dn |
N 채널 1의 배수 |
|
9 |
3SN |
N 채널 3의 출처 |
|
10 |
3A |
입력 채널 3 |
|
11 |
3SP |
P 채널 3의 출처 |
|
12 |
3y |
산출 |
|
13 |
1dp |
P 채널 1의 배수 |
|
14 |
VDD |
배수 공급 |


|
유형 |
매개 변수 |
값 |
|
산 |
장착 유형 |
표면 마운트 |
|
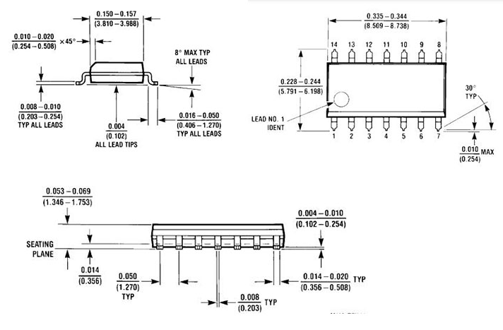
패키지 / 케이스 |
14-SOIC (0.154, 3.90mm 너비) |
|
|
핀 수 |
14 |
|
|
공급 업체 장치 패키지 |
14 -Soic |
|
|
운영 조건 |
작동 온도 |
-40 ° C ~ 85 ° C |
|
최대 작동 온도 |
85 ° C |
|
|
최소 작동 온도 |
-40 ° C |
|
|
전기 특성 |
공급 전압 |
3V ~ 15V |
|
최대 공급 전압 |
15V |
|
|
최소 공급 전압 |
3V |
|
|
전파 지연 |
50 ns |
|
|
디자인 사양 |
시리즈 |
4000B |
|
논리 기능 |
인버터 |
|
|
논리 유형 |
보완 쌍 플러스 인버터 |
|
|
회로 수 |
2 |
|
|
비트 수 |
3 |
|
|
입력 라인 수 |
3 |
|
|
출력 라인 수 |
3 |
|
|
기본 부품 번호 |
4007 |
|
|
극성 |
반전 |
|
|
추가 세부 사항 |
포장 |
튜브 |
|
부품 상태 |
쓸모 없다 |
|
|
수분 감도 수준 (MSL) |
1 (무제한) |
|
|
ROHS 상태 |
ROHS 준수 |
|
|
무료로 리드 |
무료로 리드 |
|
|
게시 |
1999 |
|
특징 |
설명 |
|
넓은 공급 전압 범위 |
3.0V ~ 15V |
|
높은 소음 면역 |
0.45 VCC (유형) |
|
정지 현재 테스트 |
20V에서 100% 테스트 |
|
대칭 출력 특성 |
신뢰할 수있는 출력 보장 표준화 |
적응성과 신뢰할 수있는 성능으로 알려진 CD4007 통합 회로는 다양한 전자 설계에서 다양한 응용 프로그램을 찾습니다.
CD4007은 정확한 신호 가장자리가 정확한 타이밍 및 기능을 위해 권위있는 디지털 시스템의 필요한 구성 요소 인 신호 샤프닝 회로를 구성하는 데 능숙합니다.이 샤프니저는 시끄러운 신호를 깨끗하고 잘 정의 된 펄스로 개선하여 통신 오류 및 데이터 손상을 피하기 위해 통신 시스템에 사용됩니다.CD4007을 통합하면 신호 무결성이 향상되어 안정적인 데이터 전송을 보장 할 수 있습니다.
디지털 전자 제품의 세계에서 인버터는 최고의 구성 요소 역할을합니다.올바르게 구성되면 CD4007은 매우 효율적인 인버터로 기능하며 저전력 소비와 강력한 성능에 감탄하여 대규모 통합 응용 프로그램에 이상적입니다.CD4007은 복잡한 논리 회로 및 마이크로 프로세서에서 일관된 성능을 제공하여 디지털 로직 설계의 회로 안정성 및 신뢰성에 크게 기여합니다.
임계 값 검출기는 입력 신호가 특정 값을 능가하고 자동화 및 안전 시스템에서 활성인지 여부를 결정합니다.CD4007을 사용함으로써, 이들 검출기는 높은 정밀도 및 최소 성분 수로 작동합니다.이 효율성은 대부분 정확한 임계 값 감지가 다양한 입력 수준에 대한 적절한 시스템 응답을 보장하는 제어 시스템에서 가치가 있습니다.실제 응용 프로그램은 신뢰할 수있는 임계 값 감지를 통해 CD4007 작동 안전 및 효율성 향상을 보여줍니다.
선형 증폭기는 파형 왜곡없이 작은 신호를 증폭시키고 선형 증폭기로 구성된 CD4007은 안정적이고 깨끗한 신호 증폭을 제공합니다.이것은 신호 충실도가 심각한 오디오 및 계측 응용 프로그램에서 지배적입니다.증폭 전반에 걸쳐 신호 무결성을 유지하기 위해 CD4007을 이해할 수 있으므로 민감한 아날로그 회로에서 필수 불가능할 수 있습니다.
제어 된 결정 진동을 통한 안정적인 주파수 출력에 의존하는 결정 발진기는 진동 파라미터의 일관성을 유지하기 위해 CD4007을 종종 사용합니다.이 안정성은 타이밍 장치 및 통신 장비에서 활발합니다.CD4007을 활용하여 높은 안정성을 나타내는 결정 발진기를 성공적으로 개발하여 정확한 전자 애플리케이션에 대한 신뢰성과 정확성을 보장 할 수 있습니다.이러한 안정적인 발진기는 이러한 도메인의 성능을 향상시키는 데 중요한 역할을합니다.
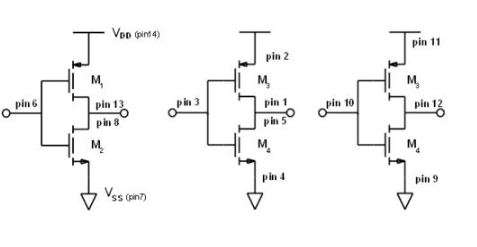
CD4007 패키지는 최대 3 개의 인버터를 생성 할 수있는 기능을 자랑하며 다양한 회로 응용 프로그램을위한 다양한 도구를 제공합니다.최종 인버터 설정에는 출력에 대한 핀 8 및 13을 연결하는 것이 포함되며 핀 6은 입력 역할을합니다.핀 14 (VDD)는 전원 공급 장치에 연결해야합니다.핀 7 (VSS)은지면에 연결되어야합니다.특정 요구 사항을 충족시키기 위해 추가 인버터를 정리할 수 있습니다.

핀 2 (VDD) 및 4 (VSS)는 전원 연결 역할을합니다.핀 1과 5는 출력을 형성합니다.핀 3은 입력입니다.핀 11은 VDD에 연결됩니다.핀 9는 VSS에 연결되어 있습니다.핀 12는 출력 역할을합니다.핀 10은 입력을 제공합니다.

반도체 (NASDAQ : ON)는 에너지 효율적인 혁신으로 유명하여 에너지 소비를 줄이려는 글로벌 고객을 지원합니다.이 회사는 자동차, 통신 및 소비자 전자 제품을 포함한 다양한 분야에서 방대한 솔루션을 제공합니다.
이 회사의 광범위한 제품 범위는 시장의 두드러진 기둥 역할을합니다.반도체는 별개의 산업의 고유 한 요구에 맞는 적응성 및 신뢰할 수있는 솔루션을 제공합니다.자동차 부문에서 제품의 제품은 차량 효율성과 안전성을 크게 향상시켜 연비를 향상시키고 더 매끄럽고 안전한 승차감을 보장합니다.소비자 전자 제품에서 회사의 오퍼링은 장치 성능을 극대화하고 배터리 수명을 연장하도록 설계되었습니다.
반도체의 효과적인 공급망 관리는 글로벌 수요를 충족시키기 위해 제품의 지속적으로시기 적절한 가용성을 보장합니다.북미, 유럽 및 아시아 태평양 전역의 위험한 시장에 전략적으로 배치 된이 회사의 광범위한 시설 및 사무실 네트워크를 통해 시장 요구 및 고객 요구 사항에 신속하게 대응할 수 있습니다.
|
부품 번호 |
제조업체 |
패키지 / 케이스 |
핀 수 |
논리 기능 |
회로 수 |
출력 라인 수 |
전파 지연 |
최소 공급 전압 |
공급 전압 |
비교보기 |
|
CD4007cm |
반도체에서 |
14-SOIC (0.154, 3.90mm 너비) |
14 |
인버터 |
2 |
3 |
50 ns |
3 v |
3V ~ 15V |
CD4007cm |
|
MC14007UBD |
반도체에서 |
14-SOIC (0.154, 3.90mm 너비) |
14 |
- |
- |
- |
18 ns |
- |
5 v |
MC14007UBD |
|
SN74HCT04DR |
텍사스 악기 |
14-SOIC (0.154, 3.90mm 너비) |
14 |
인버터 |
- |
- |
55 ns |
3 v |
3V ~ 18V |
SN74HCT04DR |
CD4007은 엔지니어가 여러 목적으로 악용 할 수있는 다목적 IC입니다.3 개의 인버터 체인, 2 개의 변속기 게이트가있는 인버터 또는 더 복잡한 논리 게이트를 형성 할 수 있습니다.인버터와 변속기 게이트는 D 플립 플롭과 같은 디지털 시스템을 구성하는 데 심각한 역할을합니다.CD4007의 유연성을 인식하면 여러 IC를 사용하는 번거 로움없이 사용자 정의 회로를 설계 할 수 있습니다.다른 사용에 대해 동일한 IC를 재구성하는 기능은 인쇄 회로 보드의 공간을 보존 할뿐만 아니라 설계 프로세스를 간소화합니다.이 적응성은 학업 및 산업 환경 모두에서 소중한 도구가됩니다.
CD4007 IC는 종종 다양한 응용, 낮은 열 소산 및 인상적인 소음 면역에 대해 가치가 있습니다.VSS에서 -0.3V와 VDD 사이에서 +0.3V 사이에서 작동합니다.적절한 전압 관리는 IC의 무결성을 유지하고 수명을 확장하기위한 기본입니다.이러한 작동 전압을 유지하는 것은 정교한 회로에서 IC의 성능을 저하시킬 수있는 전기적 초과 스트레스를 방지하는 데 사용됩니다.이 세부 사항에 대한 관심은 전자 설계의 프로토 타이핑 단계에서 대부분 상당합니다.
금속 산화물 반도체 (MOS) 기술을 사용하여 제작 된 CD4007은 DIP 및 SOP 패키지로 제공됩니다.IC는 3 개의 N- 채널 및 3 개의 P 채널 강화 형 MOS 트랜지스터를 포함합니다.이 구성은 신중한 논리 회로 및 통합 로직 회로를 모두 개발하는 데 큰 도움이됩니다.MOS 기술을 활용하면 높은 입력 임피던스와 저전력 소비의 장점을 제공합니다.이러한 이점은 CD4007을 최신 저전력 응용 프로그램에 적합한 선택으로 만듭니다.MOS 트랜지스터의 특성을 최대한 활용하면 효율적이고 신뢰할 수있는 회로를 달성 할 수 있으며, 대부분 휴대용 및 웨어러블 전자 장치의 연령과 관련이 있습니다.
문의를 보내 주시면 즉시 응답하겠습니다.
10월21일에서
10월21일에서
4월18일에서 147757
4월18일에서 111938
4월18일에서 111349
4월18일에서 83721
1월1일에서 79508
1월1일에서 66913
1월1일에서 63055
1월1일에서 63012
1월1일에서 54081
1월1일에서 52131