
그만큼 BF245 VHF, UHF 대역 및 오디오 주파수 내의 신호를 증폭시키는 데 주로 사용됩니다.게인이 높고 노이즈 속성이 적 으면 소음 간섭을 최소화하면서 작은 신호를 적절하게 증폭시킵니다.
BF245를 포함한 시리즈, BF245A, BF245B 및 BF245C는 주로 게이트 소스 전압 및 제로 게이트 전압 배수 전류에서 뚜렷한 전기 특성을 보여줍니다.이러한 차이는 특정 응용 분야를 수용하여 다양한 신호 증폭 요구에 맞는 회로 설계 최적화의 다양성을 제공합니다.VHF 및 UHF 대역의 효능은 약한 신호를 관리하고 증폭시키는 능력으로 인해 놀랍습니다. 신호 명확성 및 강도, 방송 및 통신 시스템의 기본을 향상시킵니다.
오디오 주파수 애플리케이션에서 BF245는 고 충실도 오디오 장비에 사용되는 신호 무결성을 보존하고 왜곡을 최소화함으로써 뛰어납니다.노이즈를 걸러내는 기능은 더 깨끗한 오디오 출력을 보장합니다.유사한 트랜지스터와 비교하여 BF245의 높은 게인과 저음 사이의 균형은 대중적인 선택입니다.까다로운 환경에서 견고성과 신뢰성을 위해이 구성 요소를 선호 할 수 있습니다.

|
핀 |
상징 |
설명 |
|
1 |
g |
문 |
|
2 |
에스 |
원천 |
|
3 |
디 |
물을 빼다 |



|
특징 |
사양 |
|
패키지 유형 |
To-92 |
|
트랜지스터 유형 |
n 채널 JFET |
|
배수 소스 전압 |
30V (최대) |
|
배수 게이트 전압 |
30V (최대) |
|
리버스 게이트 소스 전압 |
–30V (최대) |
|
연속 드레인 전류 |
25MA (최대) |
|
게이트 소스 컷오프 전압 |
-0.5V ~ –0V |
|
전력 소산 |
300MW (최대) |
|
저장 및 작동 온도 |
-55 ° C ~ +150 ° C |
|
소음 수준 및 게인 |
저음 및 높은 게인 |
|
작동 주파수 |
최대 700MHz |
|
배수 및 소스 교환 성 |
예 |
다음은 반도체의 기술 사양 테이블입니다. BF245B JFET.
|
유형 |
매개 변수 |
|
수명주기 상태 |
쓸모없는 |
|
마지막 배송 |
마지막 업데이트 : 1 주 전 |
|
산 |
구멍을 통해 |
|
패키지 / 케이스 |
TO-226-3, TO-92-3 (TO-226AA) |
|
핀 수 |
3 |
|
무게 |
200 mg |
|
고장 전압 / v |
-30 v |
|
요소 수 |
1 |
|
포장 |
대부분 |
|
게시 |
2009 년 |
|
JESD-609 코드 |
E0 |
|
pbfree 코드 |
아니요 |
|
부품 상태 |
쓸모없는 |
|
수분 감도 수준 (MSL) |
1 (무제한) |
|
종료 수 |
3 |
|
ECCN 코드 |
귀 99 |
|
터미널 마감 |
주석/납 (SN/PB) |
|
최대 작동 온도 |
150 ° C |
|
최소 작동 온도 |
-55 ° C |
|
HTS 코드 |
8541.21.00.75 |
|
전압 - 정격 DC |
30 v |
|
현재 등급 (AMP) |
100 MA |
|
최대 전력 소산 |
350 MW |
|
터미널 위치 |
맨 아래 |
|
피크 리플 로우 온도 (° C) |
240 |
|
준수 코드에 도달하십시오 |
준수하지 않습니다 |
|
현재 등급 |
10 MA |
|
Time@Peak Reflow Temp-Max (S) |
30 |
|
기본 부품 번호 |
BF245 |
|
핀 수 |
3 |
|
자격 상태 |
자격이 없습니다 |
|
요소 구성 |
하나의 |
|
작동 모드 |
고갈 모드 |
|
전력 소산 |
350 MW |
|
트랜지스터 응용 프로그램 |
증폭기 |
|
소스 전압 (VDS)으로 배수 |
15 v |
|
트랜지스터 유형 |
N- 채널 JFET |
|
연속 드레인 전류 (ID) |
15 MA |
|
소스 전압 (VGS)에 게이트 |
-30 v |
|
배수 current-max (abs) (id) |
0.1 a |
|
소스 분해 전압으로 배수 |
30 v |
|
FET 기술 |
접합 |
|
최고 주파수 대역 |
초 고주파 b |
|
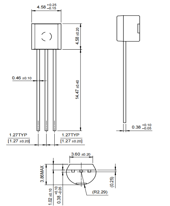
키 |
4.58 mm |
|
길이 |
4.58 mm |
|
너비 |
3.86 mm |
|
ROHS 상태 |
비 로HS 준수 |
|
무료로 리드 |
무료로 리드
|
• BF245C
• 2N5457
• 2SK117
• MPF102
• 2N5458
• BF244A
• BF256A
• J113
• 2N3819
• 2N4416
• 2N5638
• 2SK162
BF245는 VHF (매우 높은 주파수) 및 UHF (초 고주파) 신호를 증폭시키는 데 광범위한 사용을 발견합니다.이러한 주파수는 라디오 통신, 텔레비전 방송 및 무선 장치에서 역할을 수행하므로 신호 선명도를 유지하기 위해 상세한 증폭이 필요합니다.신호 왜곡 및 노이즈 관리와 같은 과제를 고려하여 성능을 향상시키기 위해 정교한 구성으로 탐색 할 수 있습니다.이 추구는 종종 기술적 우수성을 달성하는 정서적 만족과 일치합니다.
이 트랜지스터는 RF 오실레이터를 제작하는 데 부분적이며 안정적이고 정확한 주파수 신호를 생성합니다.저음 기능은 출력 신호의 품질을 풍부하게하며, 통신 및 방송 원에서 소중히 간직한 요소입니다.감정적, 지적 노력을 투자하여 주파수 안정성을 유지하면서 주파수 안정성을 유지하면서 실습 경험의 통찰력을 통해 회로 매개 변수를 조정할 수 있습니다.
오디오 증폭 영역에서 BF245는 저전력 오디오 신호에 대한 신뢰할 수있는 지원을 제공합니다.오디오 회로에서의 역할은 최소한의 왜곡을 보장하여 고 충실도 오디오 시스템에 적합합니다.전력 소비를 성능과 균형 잡는 기술은 정확한 작업이되며, 트랜지스터를 올바르게 편향시키는 실질적인 전문 지식으로 알 수있는 청취 경험을 향상시키기 위해 정제를 즐길 수 있습니다.
분석 및 측정 기기에서 종종 볼 수있는 저수준 신호 처리의 경우 BF245는 그 가치를 보여줍니다.약한 신호를 처리하면 데이터 무결성이 적절하게 보장됩니다.환경 모니터링 및 생물 의학 공학과 같은 분야 에서이 트랜지스터와 협력하는 것은 정확한 측정 요구를 충족시키기 위해 회로를 맞춤화하는 탐구가되어 수치하는 지적 참여를 즐깁니다.
BF245는 다양한 센서에서 약한 신호를 증폭시켜 센서 회로를 향상시킵니다.온도, 압력 또는 습도 감지에 관계 없이이 트랜지스터는 안정적인 증폭을 제공하여 정확한 센서 데이터 해석을 용이하게합니다.다양한 조건에서 BF245의 일관된 성능을 이해하면서 응답 시간을 최소화하고 감도 향상에 중점을두고 센서 회로를 개선 할 수 있습니다.

반도체에서 다양한 제품이있는 반도체 섹터에 서비스를 제공합니다.이 회사는 전력 및 신호 관리, 논리 구성 요소 및 자동차, 통신, 컴퓨팅, 소비자, 산업, LED 조명, 의료, 군사/항공 우주 및 전력 응용 프로그램과 같은 개별 및 맞춤형 장치를 전문으로합니다.반도체는 북미, 유럽 및 아시아 태평양에서 광범위한 네트워크를 운영합니다.이 회사는 혁신적인 정신을 불러 일으키는 허브 인 애리조나 주 피닉스의 활기찬 도시에 본사를두고 있습니다.
문의를 보내 주시면 즉시 응답하겠습니다.
10월29일에서
10월29일에서
4월18일에서 147765
4월18일에서 111992
4월18일에서 111351
4월18일에서 83751
1월1일에서 79547
1월1일에서 66949
1월1일에서 63094
1월1일에서 63028
1월1일에서 54092
1월1일에서 52175