
는 AD8542AR 저전력 작동 및 레일 투 레일 입력 및 출력 성능을 위해 제작된 듀얼 범용 연산 증폭기입니다.단일 전원으로 작동하며 효율적인 신호 처리가 필요한 저전압 시스템을 지원합니다.이 장치는 작동 범위 전체에서 일관된 동작을 유지하면서 작은 아날로그 신호에 대해 안정적인 증폭을 제공합니다.듀얼 채널 설계는 컴팩트한 회로 레이아웃을 지원하고 구성 요소 수를 줄입니다.일반적인 용도로는 센서 신호 조절, 배터리 구동 계측기, 휴대용 측정 장치 및 기본 아날로그 처리 단계가 있습니다.이 부품은 일상적인 아날로그 기능의 정확성과 전력 효율성의 균형을 유지합니다.AD8542AR을 찾고 계십니까?현재 재고, 리드타임, 가격을 확인하려면 당사에 문의하세요.

| 핀번호 | 핀 이름 | 설명 |
| 1 | 아웃 A | 앰프 A 출력 |
| 2 | -IN A | 증폭기 A 반전 입력 |
| 3 | +IN A | 증폭기 A 비반전 입력 |
| 4 | V− | 음극 공급 또는 접지 |
| 5 | +IN B | 증폭기 B 비반전 입력 |
| 6 | -IN B | 증폭기 B 반전 입력 |
| 7 | 아웃 B | 앰프 B 출력 |
| 8 | V+ | 긍정적인 공급 |



AD8542AR에는 하나의 장치 내에 두 개의 독립적인 증폭기 채널이 포함되어 있습니다.이를 통해 단일 구성 요소가 쌍을 이루는 아날로그 신호를 처리할 수 있으므로 보드 공간이 줄어들고 회로 레이아웃이 단순화됩니다.두 채널 모두 일치하는 전기적 동작으로 작동하여 균형 있고 일관된 신호 처리를 지원합니다.
입력과 출력은 두 공급 수준에 가깝게 변동될 수 있습니다.이를 통해 특히 저전압 시스템에서 사용 가능한 전압 범위를 더 잘 활용할 수 있습니다.단일 전원으로 작동할 때 동적 범위의 손실을 최소화하면서 신호를 처리할 수 있습니다.
이 장치는 정상 작동 중에 공급 전류를 거의 소모하지 않습니다.이는 더 긴 배터리 수명과 더 낮은 전체 전력 수요를 지원합니다.장기간 활성 상태를 유지하는 시스템에 매우 적합합니다.
작은 입력 오프셋 전압은 낮은 레벨의 신호를 증폭할 때 정확도를 유지하는 데 도움이 됩니다.이렇게 하면 출력에서 원치 않는 전압 오류가 줄어듭니다.안정적인 오프셋 동작은 반복 가능한 측정을 지원합니다.
입력단에서는 매우 적은 양의 전류만 소비합니다.이는 고임피던스 신호 소스와의 상호 작용을 최소화합니다.이는 민감한 입력 경로에서 신호 무결성을 유지하는 데 도움이 됩니다.
이득 대역폭은 감지 및 제어 회로에 사용되는 일반적인 아날로그 신호 주파수를 지원합니다.과도한 신호 왜곡 없이 안정적인 증폭을 제공합니다.따라서 이 장치는 일상적인 광범위한 아날로그 작업에 적합합니다.
슬루율을 사용하면 입력 신호가 변경될 때 출력이 원활하게 전환됩니다.이는 급격한 에지 없이 안정적인 신호 추적을 지원합니다.예측 가능한 시간 응답을 유지하는 데 도움이 됩니다.
출력단은 적당한 전류 레벨을 소싱 및 싱크할 수 있습니다.이를 통해 필터나 변환기와 같은 부하에 직접 연결할 수 있습니다.많은 설계에서는 추가 버퍼 단계가 필요하지 않습니다.
증폭기는 광범위한 공급 전압에서 작동합니다.이를 통해 다양한 시스템 전력 수준과의 호환성이 가능합니다.이는 혼합 전압 설계에 대한 유연한 통합을 지원합니다.
이 장치는 넓은 온도 범위에서 작동하도록 지정되었습니다.다양한 열 조건에서도 전기적 성능은 안정적으로 유지됩니다.이는 산업 및 실외 환경에서의 사용을 지원합니다.
| 제품 속성 | 속성 값 |
| 제조업체 | 아날로그 디바이스, Inc. |
| 전압 - 공급 범위(최소) | 2.7V |
| 전압 - 공급 범위(최대) | 5.5V |
| 전압 - 입력 오프셋 | 1mV |
| 이득 대역폭 곱 | 1MHz |
| 슬루율 | 0.92V/μs |
| 출력 유형 | 레일 투 레일 |
| 현재 - 공급 | 45μA(x2채널) |
| 전류 - 출력/채널 | 30mA |
| 전류 - 입력 바이어스 | 4파 |
| 작동 온도 | -40°C ~ 125°C |
| 회로 수 | 2 |
| 장착 유형 | 표면 실장 |
| 공급자 장치 패키지 | 8-SOIC |
| 패키지/케이스 | 8-SOIC(0.154", 3.90mm 폭) |
| 패키지 | 튜브 |
| 기본 제품 번호 | AD8542 |

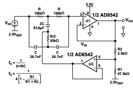
단일 공급 작동 시 AD8542 이중 연산 증폭기의 두 채널을 모두 사용하여 60Hz 간섭을 거부하도록 구성된 액티브 트윈 T 노치 필터입니다.이 회로는 노치 깊이를 늘리고 정의된 저항 비율을 통해 10으로 설정된 품질 계수를 제어하기 위해 정합된 저항기와 커패시터로 구성된 패시브 트윈 T 네트워크를 능동 증폭기 스테이지와 결합합니다.5.0V 공급 장치는 2.5V 레퍼런스와 함께 사용되어 신호 경로를 바이어스하므로 네거티브 레일 없이 올바르게 작동할 수 있습니다.한 증폭기 섹션은 필터링된 신호를 처리하고 두 번째 섹션은 중간 공급 레퍼런스를 버퍼링하여 안정적인 바이어싱을 보장합니다.표준 RC 관계에 따라 노치 주파수를 설정하기 위해 구성 요소 값을 선택하므로 저주파 아날로그 신호 경로에서 전력선 노이즈를 억제하는 데 적합한 구성이 됩니다.
AD8542AR은 낮은 공급 전압과 저전력 작동이 요구되는 휴대용 전자 장치에 일반적으로 사용됩니다.최소한의 전류를 소비하면서 안정적인 신호 증폭을 지원하므로 배터리 작동 시간을 연장하는 데 도움이 됩니다.레일 투 레일 동작을 통해 배터리 전압이 변경되더라도 신호를 정확하게 처리할 수 있습니다.
센서 기반 시스템에서 AD8542AR은 추가 처리 전에 낮은 수준의 신호를 증폭, 버퍼링 또는 확장하는 데 사용됩니다.낮은 입력 바이어스 전류는 민감한 센서 출력의 로딩을 방지하는 데 도움이 됩니다.이는 온도, 압력 또는 광 감지 요소와 같은 센서로부터 보다 깨끗한 신호 전송을 지원합니다.
이 장치는 장기간 활성 상태를 유지해야 하는 장비에 잘 맞습니다.전력 사용량을 낮게 유지하면서 안정적인 증폭을 제공합니다.따라서 일관된 신호 동작과 효율성이 모두 필요한 모니터링 장비에 적합합니다.
AD8542AR은 아날로그 프런트 엔드 단계에서 변환 또는 제어 블록을 위한 신호를 준비하는 데 사용됩니다.이는 전압 레벨을 안정화하고 신호 전환을 원활하게 하는 데 도움이 됩니다.이를 통해 오디오 경로, 사용자 입력 회로 및 저속 아날로그 인터페이스의 일관성이 향상됩니다.
산업용 시스템에서 증폭기는 제어 피드백 및 모니터링 경로를 위한 신호 조절을 지원합니다.작동 온도 범위가 넓어 변화하는 환경 조건에서도 안정적으로 작동할 수 있습니다.이는 장기간 작동 시 예측 가능한 시스템 동작을 지원합니다.
AD8542AR은 임베디드 플랫폼 내의 일반 증폭 작업을 위해 선택되는 경우가 많습니다.혼합된 아날로그와 디지털 블록 사이의 신호를 버퍼링할 수 있습니다.이러한 유연성을 통해 컴팩트한 설계에서 필터링, 스케일링 및 격리 기능을 지원할 수 있습니다.

좁은 직사각형 본체 주위에 대칭으로 배열된 8개의 리드로 정의된 소형 표면 실장 패키지로, 치수는 참조용으로 밀리미터와 인치 등가 단위로 지정됩니다.레이아웃은 본체 폭 약 3.80~4.00mm, 전체 길이 약 4.80~5.00mm, 공칭 리드 피치 1.27mm를 보여줍니다.리드 형상에는 정의된 리드 너비, 두께 및 스탠드오프 높이가 포함되어 적절한 납땜 및 동일 평면성을 보장하며, 이는 0.10mm로 지정됩니다.도면에는 착좌면 정렬, 리드 각도 및 모따기 세부 사항이 명시되어 있으며 JEDEC 표준 MS-012-AA 준수 여부를 명시하여 인쇄 회로 기판 조립에 일관된 기계적 호환성을 제공합니다.
• 듀얼 채널 설계로 컴팩트한 회로 레이아웃 지원
• 낮은 공급 전류로 에너지 효율적인 작동 지원
• 레일 투 레일 입력 및 출력을 통해 낮은 공급 전압을 보다 효율적으로 사용할 수 있습니다.
• 매우 낮은 입력 바이어스 전류는 고임피던스 신호 소스에 적합합니다.
• 넓은 작동 온도 범위는 다양한 환경을 지원합니다.
• 안정적인 동작은 범용 아날로그 신호 처리에 적합합니다.
• 제한된 이득 대역폭으로 인해 더 높은 주파수 신호에서의 사용이 제한됩니다.
• 중간 슬루율은 급격한 신호 변화에 대한 응답을 제한합니다.
• 공급 전압 범위는 더 높은 전압 시스템을 지원하지 않습니다.
• 범용 설계는 초저소음 애플리케이션에 적합하지 않을 수 있습니다.
| 부품 번호 | 제조업체 | 주요 특징 | 사용 사례/참고 |
| AD8542ARM-릴 | 아날로그 디바이스, Inc. | 레일-투-레일 출력 작동, 낮은 입력 바이어스 전류, 넓은 온도 범위에서 안정적인 성능을 갖춘 듀얼 저전력 연산 증폭기입니다.자동 조립을 위해 테이프 및 릴 포장으로 제공됩니다. | 휴대용 계측기 및 센서 신호 조절 회로를 포함하여 자동화된 표면 실장 생산에 의존하는 배터리 구동식 및 공간이 제한된 설계에 매우 적합합니다. |
| AD8542AR-REEL7 | 아날로그 디바이스, Inc. | 레일-투-레일 출력, 낮은 대기 전류 및 일관된 전기 특성을 갖춘 듀얼 범용 연산 증폭기입니다.대용량 릴 포장으로 배송됩니다. | 제어 및 모니터링 시스템의 증폭, 버퍼링, 컨디셔닝과 같은 아날로그 신호 처리 작업을 위한 대량 제조에 일반적으로 사용됩니다. |
| AD8542AR-릴 | 아날로그 디바이스, Inc. | 레일-투-레일 출력 기능, 적당한 대역폭, 낮은 입력 바이어스 전류를 갖춘 저전력 이중 연산 증폭기입니다.표면 실장 애플리케이션용으로 설계되었습니다. | 가전제품, 임베디드 시스템 등 저전력 소모와 콤팩트한 표면 실장 패키징이 요구되는 일반 아날로그 회로에 적합합니다. |
Analog Devices, Inc.는 아날로그, 혼합 신호 및 디지털 신호 부품의 설계 및 생산에 주력하는 기술 회사입니다.제품 포트폴리오는 광범위한 전자 시스템 전반에 걸쳐 신호 측정, 변환, 전력 제어 및 데이터 처리를 지원합니다.이 회사는 산업 장비, 통신, 의료 기기, 가전제품 등의 시장에 서비스를 제공하고 있습니다.오랜 운영 역사는 안정적인 성능, 일관된 품질 및 장기적인 제품 지원에 대한 초점을 반영합니다.이 회사의 구성 요소는 다양한 전기 및 환경 조건에서 안정적인 신호 동작이 필요한 시스템에 일반적으로 사용됩니다.
AD8542AR은 저전력 사용, 안정적인 성능, 유연한 신호 처리가 균형 있게 혼합된 기능을 제공합니다.듀얼 채널 설정을 통해 공간을 절약하고 회로의 추가 부품을 줄일 수 있습니다.레일-투-레일 동작은 복잡한 바이어싱 없이 낮은 공급 전압에서 더 많은 것을 얻을 수 있도록 도와줍니다.낮은 입력 바이어스 전류와 오프셋 전압으로 작은 신호를 깔끔하게 처리합니다.이 장치는 넓은 온도 범위에서 잘 작동하므로 다양한 환경에서 신뢰할 수 있습니다.전반적으로 이 제품은 단순성과 효율성이 중요한 일상적인 아날로그 디자인에 잘 들어맞습니다.
문의를 보내 주시면 즉시 응답하겠습니다.
AD8542AR은 저전력, 단일 공급 작동을 위해 설계된 이중 범용 연산 증폭기입니다.
예, 단일 공급 전압으로 작동하도록 설계되었으며 레일 투 레일 입력 및 출력을 지원합니다.
센서 신호 조절, 휴대용 전자 장치, 계측 및 기본 아날로그 처리 회로에서 자주 볼 수 있습니다.
AD8542AR은 8리드 SOIC 좁은 본체 표면 실장 패키지로 제공됩니다.
예, 입력 바이어스 전류가 매우 낮기 때문에 고임피던스 신호 소스에 연결된 회로에 적합합니다.
1월13일에서
1월13일에서
4월18일에서 147761
4월18일에서 111982
4월18일에서 111351
4월18일에서 83743
1월1일에서 79534
1월1일에서 66944
1월1일에서 63086
1월1일에서 63026
1월1일에서 54092
1월1일에서 52167