

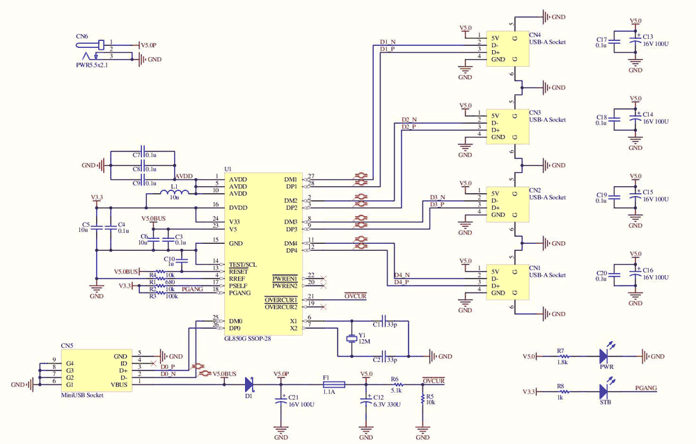
|
핀 |
이름 |
기능 |
|
1 |
AVDD |
아날로그 회로의 3.3V 아날로그 전력 입력 |
|
2 |
DM2 |
다운 스트림 2 포트 데이터 - |
|
3 |
DP2 |
다운 스트림 2 포트 데이터 + |
|
4 |
rref |
RREF와 AGND 사이의 680OHMS 저항을 연결하십시오 |
|
5 |
AVDD |
아날로그 회로의 3.3V 아날로그 전력 입력 |
|
6 |
x1 |
12MHz 발진기 입력 |
|
7 |
x2 |
12MHz 발진기 입력 |
|
8 |
DM3 |
다운 스트림 3 포트 데이터 - |
|
9 |
DP3 |
다운 스트림 3 포트 데이터 + |
|
10 |
AVDD |
아날로그 회로의 3.3V 아날로그 전력 입력 |
|
11 |
DM4 |
다운 스트림 4 포트 데이터 - |
|
12 |
DP4 |
다운 스트림 4 포트 데이터 + |
|
13 |
다시 놓기 |
활성 낮은 외부 재설정 |
|
14 |
테스트/SCL |
High / I2C 시계를 당기면 칩이 테스트 모드에 있습니다.
산출 |
|
15 |
Gnd |
지면 |
|
16 |
DVDD |
3.3V 디지털 회로를위한 디지털 전력 입력, 논리
수준 |
|
17 |
pself |
0 : GL850G는 버스 구동, 1 : GL850G는 자체 전원입니다 |
|
18 |
Pgang |
개별 / 갱 모드 선택 |
|
19 |
ovcur2 |
현재 지표보다 활성 |
|
20 |
pwren2 |
활성 저전력 활성화 출력 |
|
21 |
ovcur1 |
현재 지표보다 활성 |
|
22 |
pwren1 |
활성 저전력 활성화 출력 |
|
23 |
v5 |
5V ~ 3.3V 레귤레이터 입력 |
|
24 |
v33 |
3.3V 레귤레이터 출력 |
|
25 |
DM0 |
업스트림 포트 데이터 - |
|
26 |
DP0 |
업스트림 포트 데이터 + |
|
27 |
DM1 |
다운 스트림 1 포트 데이터 - |
|
28 |
DP1 |
다운 스트림 1 포트 데이터 + |
|
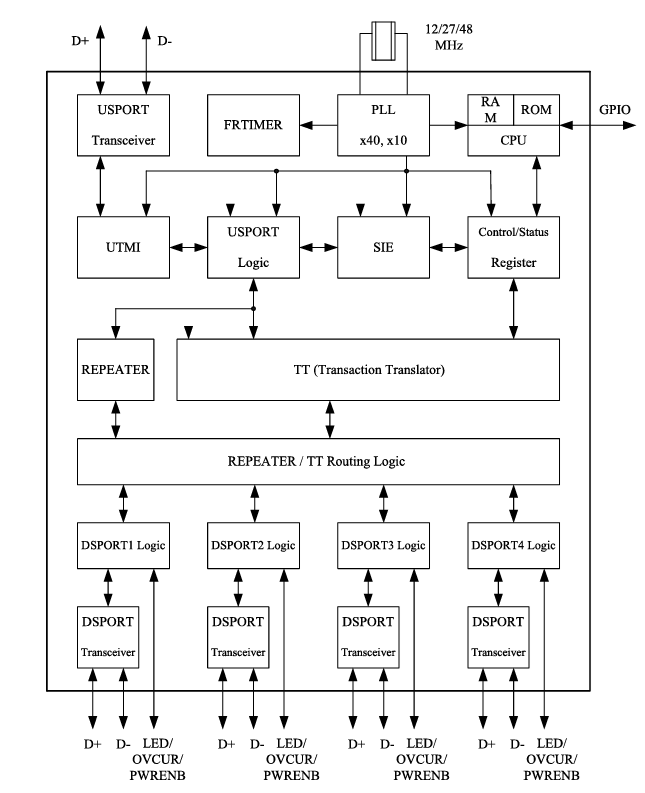
특징 |
설명 |
|
USB 사양 |
USB 사양 개정 2.0을 준수;뒤로
USB 사양에 호환됩니다. 1.1. |
|
상류 포트 |
고속 (HS) 및 전체 속도 (FS)를 모두 지원합니다.
교통. |
|
다운 스트림 포트 |
HS, FS 및 저속 (LS) 트래픽을 지원합니다. |
|
파이프 |
1 제어 파이프 (Endpoint 0, 64 바이트 데이터 페이로드);1
인터럽트 파이프 (끝점 1, 1 바이트 페이로드). |
|
마이크로 프로세서 |
RISC와 같은 아키텍처를 갖춘 칩 8 비트 마이크로 프로세서
USB에서 최적화 된 명령어 세트. |
|
성능 |
6 MIPS @ 12 MHz. |
|
메모리 |
64 바이트 램 및 4K 마스크 ROM. |
|
맞춤형 PID/VID |
외부 eeprom/smbus를 통해 지원됩니다. |
|
다운 스트림 포트 구성 |
외부 eeprom/smbus를 통해 지원됩니다. |
|
단일 트랜잭션 번역기 (STT) |
모든 다운 스트림 포트에 대해 동일한 TT 제어 로직을 공유합니다.
장치 (비용 효율적인 솔루션). |
|
트랜시버 통합 |
USB 2.0 트랜시버를 통합합니다. |
|
출력 드라이버 |
EMI 감소를위한 슬리트 컨트롤로 향상되었습니다. |
|
전력 관리 |
내장 5V ~ 3.3V 레귤레이터. |
|
파워 퓨어 감지 |
ESD 복구를위한 내부 전력짜리 감지. |
|
풀업/풀다운 저항 |
내장 업스트림 1.5kΩ 풀업;다운 스트림 15kΩ
풀다운. |
|
pll |
내장 PLL은 외부 12MHz 크리스탈/발진기를 지원합니다
시계 입력. |
|
연속 저항 |
USB 신호에 대한 임베디드 직렬 저항. |
|
저전력 지원 |
선택적 삭제, LPM L1 (EEPROM을 통해)을 지원합니다. |
|
스마트 파워 모드 |
전력 관리의 개인 및 갱 모드를 지원합니다
및 과전류 검출. |
|
버스 파워 |
버스 전력 요구 사항을 준수합니다.자동 스위칭
자조와 버스 구동 모드 사이. |
|
다운 스트림 포트 구성 유연성 |
smbus/eeprom을 통해 구성되었습니다. |
|
복합 장치 지원 |
I/O 스트래핑, SMBUS 또는 EEPROM으로 구성 가능합니다. |
|
사용 가능한 패키지 |
-28 핀 QFN (5x5 mm) |
|
-28 핀 SSOP (209 MIL) |
|
|
-24 핀 QFN (4x4 mm). |
• GL852G
• fe1.1s
• PL2586


Crystal Oscillator 및 USB 포트 외에도 GL850G USB 허브 컨트롤러에는 전원 공급 장치의 적절한 필터링과 안정성을 보장하기 위해 출력 커패시터가 필요합니다.또한 풀업 저항기는 구성 핀이 적절한 전압 레벨을 유지하고 안정적인 작동을 가능하게하는 데 유용합니다.
GL850G는 독립형 USB 허브, 컴퓨터, 태블릿, 마더 보드, 도킹 스테이션, 게임 콘솔 및 LCD 모니터를 포함한 광범위한 전자 장치에서 적응성을 보여줍니다.정교한 USB 기능에 대한 탁월한 지원은 다양한 측면에서 경험을 풍부하게합니다.
GL850G를 USB 허브에 통합하면 연결된 연결성을 확장하여 데이터 전송 및 전원 전달 원활한 서비스를 제공하며 케이블 클러터 감소 및 향상된 작업 공간 효율성에 대한 욕구를 제공합니다.이러한 기술을 일상적인 환경에 통합하면보다 인체 공학적이고 간소화 된 설정으로의 움직임이 나타납니다.
컴퓨터 및 태블릿의 경우 GL850G Chip은 데이터 전송 속도를 최적화하여 까다로운 애플리케이션 및 데이터가 많은 작업에서 장치 성능을 향상시킵니다.이러한 통합은 더 나은 멀티 태스킹 및 운영 효율성을위한 잠재력을 육성합니다.데이터 전송의 약간의 개선이 그들의 경험과 만족에 큰 영향을 줄 수 있다는 것을 종종 알 수 있습니다.
마더 보드에 적용될 때 GL850G 칩셋은 구성 요소 간의 통신을 미세 조정하여 시스템 응답 성 및 효율성을 높입니다.이 최적화는 고성능 운영을 유지하는 데 도움이되며 신뢰할 수있는 성능이 높아지는 개인 사용 및 전문 환경 모두에 도움이됩니다.
도킹 스테이션에서 GL850G는 연결을 확장하고 동시 주변 장치 연결을 가능하게하는 데 적극적인 역할을합니다.이 혁신은 휴대용 장치를 포괄적 인 데스크탑 구성과 효과적으로 연결하여 유연한 작업 공간의 필요성을 해결합니다.
게임 콘솔에서 칩셋을 사용하면 유체 데이터 교환 및 주변 지원 지원을 제공하여 참여를 풍부하게합니다.성능에 중점을 둔 이는 작은 개선 사항조차도 놀라운 영향을 줄 수있는 원활한 게임 모험에 대한 소비자 기대와 일치합니다.
LCD 모니터로의 GL850G의 통합은 USB 포트의 효율적인 작동을 용이하게하여 클리너 설정을 촉진하고 추가 어댑터의 필요성을 제거합니다.이러한 발전은 시각적 선명도와 연결성이 생산성과 만족을 높이는 방법에 대한 더 깊은 인식과 일치합니다.

문의를 보내 주시면 즉시 응답하겠습니다.
12월17일에서
12월17일에서
4월18일에서 147757
4월18일에서 111931
4월18일에서 111349
4월18일에서 83719
1월1일에서 79508
1월1일에서 66884
1월1일에서 63010
1월1일에서 62978
1월1일에서 54081
1월1일에서 52108