




그만큼 ATMEGA16U2 AVR 향상된 RISC 아키텍처로 인한 저전력 소비와 적응성으로 유명한 8 비트 마이크로 컨트롤러입니다.이 설계를 통해 복잡한 지침은 단일 클록 사이클 내에서 처리 될 수 있으므로 MHz 당 약 1 마일에 도달 할 수있는 인상적인 성능을 제공합니다.이러한 전력 효율 및 처리 속도의 균형은 특히 에너지 사용을 최소화하는 것이 우선 순위 인 다양한 응용 프로그램을 용이하게합니다.
AVR의 단일 사이클 명령 실행 기능을 통해 아키텍처를 더욱 탐색하면 매우 효율적인 코드를 작성할 수 있습니다.이는 내장 자동차 시스템 또는 실제 제어와 같은 빠른 의사 결정을 요구하는 상황에서 유리한 것으로 판명됩니다.명령어의 단순성은 성능을 향상시킬뿐만 아니라 프로그래밍 프로세스를 완화시킵니다.결과적으로 ATMEGA16U2를 사용하여보다 관리하기 쉬운 학습 곡선을 경험하여 혁신과 창조 속도를 가속화 할 수 있습니다.
다음은 Microchip 기술의 기술 사양, 속성 및 매개 변수를 제시하는 테이블입니다. ATMEGA16U2-AU.
|
유형 |
매개 변수 |
|
공장 리드 타임 |
10 주 |
|
접촉 도금 |
주석 |
|
산 |
표면 마운트 |
|
장착 유형 |
표면 마운트 |
|
패키지 / 케이스 |
32-TQFP |
|
핀 수 |
32 |
|
I/O의 수 |
22 |
|
워치 독 타이머 |
예 |
|
작동 온도 |
-40 ° C ~ 85 ° C (TA) |
|
포장 |
쟁반 |
|
시리즈 |
AVR® ATMEGA |
|
게시 |
2007 |
|
JESD-609 코드 |
E3 |
|
pbfree 코드 |
예 |
|
부품 상태 |
활동적인 |
|
수분 감도 수준 (MSL) |
3 (168 시간) |
|
종료 수 |
32 |
|
터미널 위치 |
쿼드 |
|
터미널 형태 |
갈매기 날개 |
|
피크 리플 로우 온도 (° C) |
260 |
|
공급 전압 |
5V |
|
터미널 피치 |
0.8mm |
|
빈도 |
16MHz |
|
시간 @ 피크 리플 로우 온도 (S) |
40 |
|
기본 부품 번호 |
ATMEGA16U2 |
|
자격 상태 |
자격이 없습니다 |
|
인터페이스 |
SPI, Serial, UART, USART, USB |
|
메모리 크기 |
16KB |
|
발진기 유형 |
내부 |
|
램 크기 |
512 x 8 |
|
전압 - 공급 (VCC/VDD) |
2.7V ~ 5.5V |
|
UPS/UCS/주변 ICS 유형 |
마이크로 컨트롤러, RISC |
|
핵심 프로세서 |
AVR |
|
주변 장치 |
브라운 아웃 감지/재설정, POR, PWM, WDT |
|
프로그램 메모리 유형 |
플래시 |
|
핵심 크기 |
8 비트 |
|
프로그램 메모리 크기 |
16KB (8k x 16) |
|
연결성 |
SPI, UART/USART, USB |
|
비트 크기 |
8 |
|
ADC가 있습니다 |
아니요 |
|
DMA 채널 |
아니요 |
|
데이터 버스 너비 |
8b |
|
DAC 채널 |
아니요 |
|
타이머/카운터 수 |
2 |
|
eeprom 크기 |
512 x 8 |
|
PWM 채널 수 |
5 |
|
SPI 채널 수 |
1 |
|
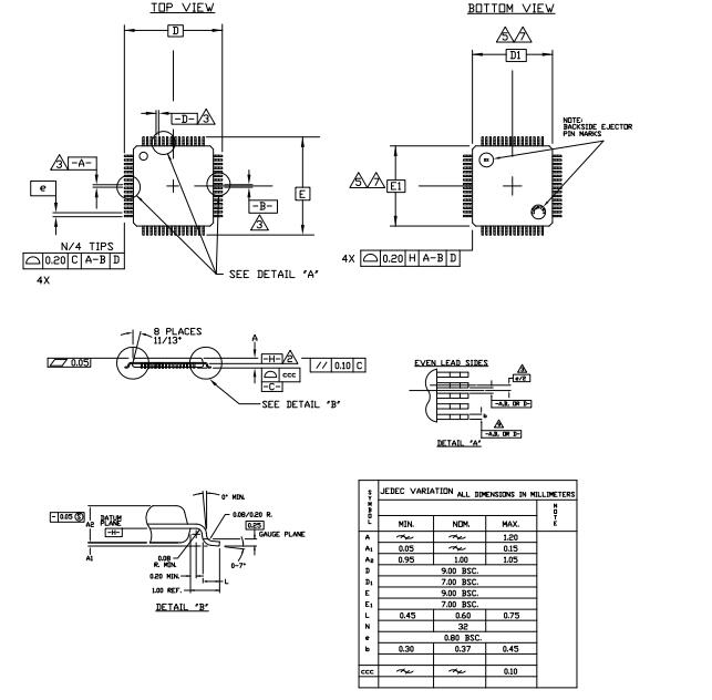
키 |
1.05mm |
|
길이 |
7mm |
|
너비 |
7mm |
|
SVHC에 도달하십시오 |
SVHC 없음 |
|
ROHS 상태 |
ROHS3 준수 |
|
무료로 리드 |
무료로 리드 |
|
부품 번호 |
ATMEGA16U2-AU |
AT90USB162-16AUR |
atmega8u2-au |
atmega8u2-aur |
|
제조업체 |
마이크로 칩 기술 |
마이크로 칩 기술 |
마이크로 칩 기술 |
마이크로 칩 기술 |
|
패키지 / 케이스 |
32-TQFP |
32-TQFP |
32-TQFP |
32-TQFP |
|
핀 수 |
32 |
32 |
32 |
32 |
|
데이터 버스 너비 |
8 b |
8 b |
8 b |
8 b |
|
I/O의 수 |
22 |
22 |
22 |
22 |
|
인터페이스 |
SPI, Serial, UART, USART, USB |
SPI, UART, USART, USB |
EBI/EMI, SPI, UART, USART, USB |
EBI/EMI, SPI, UART, USART, USB |
|
메모리 크기 |
16 KB |
8 KB |
16 KB |
8 KB |
|
공급 전압 |
5 v |
5 v |
4.5 v |
- |
|
주변 장치 |
브라운 아웃 감지/재설정, 전원 재설정, 프로그래밍 가능 I/O |
브라운 아웃 감지/재설정, 전원 재설정, 프로그래밍 가능 I/O |
브라운 아웃 감지/재설정, 전원 재설정, 프로그래밍 가능 I/O |
브라운 아웃 감지/재설정, 전원 재설정, 프로그래밍 가능 I/O |
|
특징
범주 |
세부 |
|
핵심
|
고성능, 저전력 AVR® 8 비트 마이크로 컨트롤러 |
|
건축학 |
고급 RISC 아키텍처 |
|
-125 강력한 지침 - 대부분의 단일 클록 사이클
실행 |
|
|
-32 x 8 범용 작업 레지스터 |
|
|
- 완전히 정적 작동 |
|
|
-16MHz에서 최대 16 개의 MIPS 처리량 |
|
|
메모리 |
-시스템 내 자체 프로그래밍 가능 플래시의 8K/16K/32K 바이트 |
|
-512/512/1024 EEPROM |
|
|
-512/512/1024 내부 SRAM |
|
|
- 쓰기/지우기 사이클 : 10,000 플래시/100,000 eeprom |
|
|
- 데이터 보존 : 85 ° C / 100 년 25 ° C에서 20 년 |
|
|
- 독립적 인 잠금 비트가있는 선택적 부팅 코드 섹션 |
|
|
-온칩 부팅 프로그램에 의한 시스템 내 프로그래밍 |
|
|
-진정한 읽기 while-Write 작업 |
|
|
- 소프트웨어 보안을위한 프로그래밍 잠금 |
|
|
USB 모듈 |
- USB 2.0 전면 장치 모듈 |
|
- 보편적 인 직렬 버스 사양을 완전히 준수합니다
Rev 2.0 |
|
|
-Wull-Speed Bus 운영을위한 48MHz PLL (12 MBIT/S) |
|
|
-176 바이트 엔드 포인트 메모리 할당에 대한 USB DPRAM |
|
|
- 제어 전송 (8 ~ 64 바이트)의 엔드 포인트 0 |
|
|
-4 프로그램 가능한 엔드 포인트 |
|
|
- 안 또는 밖으로 방향 |
|
|
- 벌크, 인터럽트 및 등시 전송 |
|
|
- 프로그래밍 가능한 최대 패킷 크기 (8 ~ 64 바이트) |
|
|
- 프로그래밍 가능한 단일 또는 이중 버퍼 |
|
|
- 중단/재개 인터럽트 |
|
|
- 마이크로 컨트롤러는 USB 버스 재설정에서 재설정됩니다 |
|
|
- 마이크로 컨트롤러 요청의 USB 버스 단절 |
|
|
주변 기능 |
- 별도의 프리 스칼러가있는 8 비트 타이머/카운터
모드 비교 (2 개의 8 비트 PWM 채널) |
|
-16 비트 타이머/카운터가 Prescaler, 비교 및
캡처 모드 (3 개의 8 비트 PWM 채널) |
|
|
-SPI 마스터 전용 모드 및 하드웨어 흐름이있는 USART
제어 (RTS/CTS) |
|
|
- 마스터/슬레이브 SPI 직렬 인터페이스 |
|
|
- 별도의 온칩이있는 프로그래밍 가능한 워치 독 타이머
발진기 |
|
|
- 온칩 아날로그 비교기 |
|
|
- 핀 변경시 인터럽트 및 웨이크 업 |
|
|
디버깅 |
온칩 디버그 인터페이스 (디버그 와이어) |
|
특별한 기능 |
-전원 재설정 및 프로그래밍 가능한 브라운 아웃 감지 |
|
- 내부 교정 발진기 |
|
|
- 외부 및 내부 인터럽트 소스 |
|
|
-5 개의 수면 모드 : 유휴, 전력 사고, 전원 다운,
대기 및 확장 대기 |
|
|
I/O 및 패키지 |
-22 프로그램 가능한 I/O 라인 |
|
-qfn32 (5x5mm) / tqfp32 패키지 |
|
|
작동 전압 |
2.7-5.5V |
|
작동 온도 |
산업 (-40 ° C ~ +85 ° C) |
|
최대 주파수 |
-2.7V (산업 범위) 8MHz |
|
-4.5V에서 16MHz (산업 범위) |

ATMEGA16U2 마이크로 컨트롤러는 놀라운 전력 효율성으로 눈에 띄며, 최소한의 에너지를 소비하면서 높은 기능성을 제공합니다.이 품질은 휴대용 및 배터리 작동 장치에 매우 적합하며 장수와 편의성을 소중히 여기는 사람들에게 적합합니다.최첨단 메모리 기술을 기반으로 한 마이크로 컨트롤러는 불필요한 전력 손실을 줄이는 데 중점을 둔 최적의 성능을 목표로합니다.이러한 기능은 지속적인 작동이 필요한 응용 프로그램에 주로 매력적이며, 전원이 자주 재충전되거나 변화하는 전원이 번거롭지 않고 장기 동안 장치가 작동 할 수 있습니다.
지역 사회 중심 개발에 대한 지원은 ATMEGA16U2의 장점에 또 다른 매력적인 계층을 추가합니다.강력한 부트 로더가 장착 된이 시스템은 애플리케이션에 대한 완벽한 업데이트를 가능하게하여 지속적인 작업이 중단되지 않도록합니다.생생한 글로벌 커뮤니티는 소프트웨어 라이브러리 및 개발 도구의 광범위한 생태계에 연료를 공급하여 프로토 타이핑 프로세스와 혁신적인 솔루션의 출시를 신속하게합니다.이 협업 환경은 지식과 자원의 교환을 육성하여 응용 프로그램 개발을 풍부하고 향상시키는 일상적인 인식을 제공합니다.
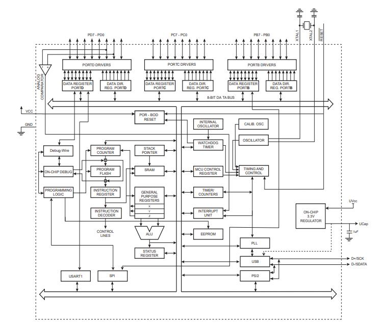
ATMEGA16U2의 핵심에는 ISP 플래시 메모리와 함께 통합 된 RISC CPU가 있으며,이를 광범위한 임베디드 시스템에 적합한 비교할 수없는 다양성을 부여합니다.이 통합은 마이크로 컨트롤러가 복잡한 컴퓨팅 작업을 수행하면서 간단한 프로그래밍 및 실행을 보장 할 수 있도록합니다.이 아키텍처는 계산적으로 까다로운 운영 및 멀티 태스킹을 관리하도록 특별히 설계되었으며, 이는 다양한 응용 분야에서 역동적 인 역할을 수행합니다. 소비자 전자 장치에서 일상적인 경험을 향상시키는 산업 자동화에 이르기까지 인력의 효율성과 생산성을 유발합니다.

Microchip Technology Inc.는 임베디드 제어 솔루션의 두드러진 힘으로 등장하여 다양한 개발 도구와 오퍼링을 넘어 혁신에 대한 헌신을 반영합니다.이 조직은 간소화 된 설계 프로세스를 위해 설계된 견고한 인프라를 자랑하며 다양한 부문에서 제품의 구현을 효과적으로 촉진합니다.애리조나 주 챈들러에있는 본사에서 운영되는 Microchip은 전 세계적으로 12 만 명 이상의 고객에게 서비스를 제공하여 수많은 산업에 대한 실질적인 영향과 명성을 강조합니다.
임베디드 컨트롤의 환경은 마이크로 칩과 같은 혁신적인 기업이 이러한 기술 보폭에서 책임을 맡고 있습니다.그들의 다양한 포트폴리오에는 마이크로 컨트롤러와 전반적인 시스템 기능을 강화하는 것을 목표로하는 광범위한 주변 장치를 포함합니다.이 풍부한 컬렉션은 소비자 전자 제품에서 산업 자동화에 이르기까지 광범위한 스펙트럼에 걸쳐있는 응용 프로그램 개발을위한 방법을 포장하여 특정 요구에 맞는 솔루션을 사용자 정의 할 수 있도록합니다.
문의를 보내 주시면 즉시 응답하겠습니다.
ATMEGA16U2는 AVR 강화 RISC 아키텍처를 기반으로하는 저전력 8 비트 CMOS 마이크로 컨트롤러입니다.이 설계는 전력 효율과 처리 속도를 최대화하기 위해 정확하게 제작되어 MHz 당 1 마일에 가까운 달성합니다.이 아키텍처는 임베디드 시스템에서 IoT 장치에 이르기까지 다양한 필드의 다목적 응용 프로그램에 적합합니다.특히, ATMEGA16U2의 효율적인 전력 소비는 배터리 작동 장치의 수명을 연장하는 데 상당한 역할을합니다.성능과 전력 효율 사이의 상호 작용은 마이크로 컨트롤러 기술의 더 넓은 추세를 반영하며, 여기서 목표는 속도를 손상시키지 않고 에너지 사용을 줄이는 것입니다.이 균형은 특히 지속 가능성 측면에서 현대 설계 관행에 영향을 줄 수 있습니다.
이 장치에는 광범위한 입력/출력 기능 전용 32 개의 핀이 있습니다.이 핀은 마이크로 컨트롤러를 센서 및 액추에이터를 포함한 다른 구성 요소에 연결하기위한 활성 인터페이스입니다.잘 생각 된 핀 구성을 사용하면 복잡한 시스템의 설계가 크게 향상되어 운영 효율성이 향상됩니다.예를 들어, 전략적 핀 할당은 원활한 멀티 태스킹을 허용하고 전반적인 시스템 대응 성을 향상시킵니다.경험에 따르면 개발 프로세스 초기에 PIN 과제에 초점을 맞추면 잠재적 인 설계 제약 조건을 피할 수 있으며 프로젝트 실행 중 사려 깊은 계획을 강조합니다.
ATMEGA16U2는 C 컴파일러, 디버거, 회로 내 에뮬레이터 및 프로그램 및 시스템 개발에 도움이되는 평가 키트를 포함한 다양한 개발 도구 모음에 의해 지원됩니다.이러한 리소스를 활용하면 개발 타임 라인을 상당히 높이고 생산성을 높이고 반복 설계 접근 방식을 촉진 할 수 있습니다.주목할만한 것은 디버깅 및 코드 최적화에 이러한 도구를 실질적으로 사용하는 것입니다.이 도구는 임베디드 프로그래밍의 복잡성을 관리하는 데 사용되는 전략입니다.소프트웨어 및 하드웨어 리소스의 시너지 효과는 광범위한 도구 세트를 사용하면 혁신적이고 효과적인 솔루션으로 이어지는 포괄적 인 개발 방식을 강조합니다.그러한 관행을 수용하면 시스템 성능에 대한 이해가 심화되고 기술 설계의 미래 발전을위한 길을 열 수 있습니다.
11월15일에서
11월15일에서
4월18일에서 147748
4월18일에서 111866
4월18일에서 111347
4월18일에서 83700
1월1일에서 79470
1월1일에서 66845
1월1일에서 62994
1월1일에서 62903
1월1일에서 54064
1월1일에서 52067