
WS2813 제어 회로와 RGB 칩을 하나의 작은 구성 요소로 결합하는 LED 유형입니다.이 LED는 색상과 밝기를 잘 제어하기 때문에 조명 프로젝트에서 일반적으로 사용됩니다.WS2813에는 왜곡없이 신호를 효과적으로 전송할 수있는 기술이 포함되어있어 빛이 일관되게 유지되도록합니다.또한 내장 재설정 시스템이있어 전원 중단 후에도 원활하게 작동합니다.WS2813의 각 픽셀은 광범위한 색상을 표시 할 수 있으며 조명을 밝고 유동적으로 유지하는 새로 고침 속도를 지원합니다.밝고 다채로운 조명과 안정적인 성능이 필요한 프로젝트에 매우 적합합니다.

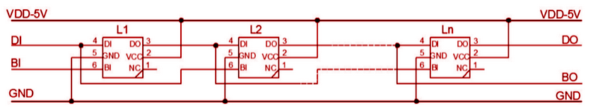
| 아니요. | 상징 | 핀 | 기능 설명 |
| 1 | NC | 교수형 | PCB 레이아웃에 매달려 있으면 회로가 다른 회로에 연결될 때 작동하지 않습니다. |
| 2 | VDD | 전력 전압 | 전력 전압, "+5V"에 연결 |
| 3 | ~하다 | 데이터 아웃 | 제어 데이터 신호 출력 |
| 4 | 소음 | 데이터 | 데이터 신호 입력 제어 |
| 5 | Gnd | 지면 | 데이터 및 전원 접지 |
| 6 | 큰 상자 | 백업 데이터 | 백업 제어 데이터 신호 입력 |


WorldSemi WS2813C와 관련된 기술 사양, 기능, 매개 변수 및 비슷한 부분.
| 유형 | 매개 변수 |
| 장착 유형 | 표면 마운트 |
| 패키지 / 케이스 | SMD, 5x5mm |
| 포장 | 테이프 & 릴 (TR) |
| 조명 색상 | RGB |
| 지배적 인 파장 / 좌표 순위 | 620625nm 빨간색, 515525nm 녹색, 465 ~ 475nm 블루 |
| 빛나는 강도 (if = 20ma) | 60mcd@5ma 빨간색, 245mcd@5ma 녹색, 60mcd@5ma blue |
| ROHS 상태 | ROHS 준수 |
WS2813에서 제어 회로 및 LED는 동일한 전원 공급 장치를 공유합니다.즉, 다른 구성 요소에 대해 별도의 전원이 필요하지 않음을 의미합니다.필요한 배선 및 전력 관리량을 줄임으로써 설정을 단순화합니다.
제어 회로 및 RGB 칩은 단일 구성 요소로 결합됩니다.이 통합은 LED의 부드러운 작동을 허용하여 별도의 구성 요소가 필요없이 더 나은 색상 제어와보다 일관된 조명을 제공 할 수 있습니다.
WS2813에는 내장 신호 재구성 회로가 함께 제공됩니다.이를 통해 데이터가 각 LED를 통과함에 따라 신호는 왜곡없이 강력하고 명확하게 유지됩니다.따라서 연속으로 얼마나 많은 LED를 사용하든 신호가 정확하게 유지되어 조명을 일관성있게 보이게합니다.
WS2813에는 재설정 회로가 내장되어 있습니다.전원 재설정은 LED가 전원을 켜면 LED가 올바르게 시작되도록하는 반면 브라운 아웃 리셋은 짧은 전원이 떨어지는 경우 원활하게 회복하는 데 도움이됩니다.이것은 전력 변동 중에도 조명을 안정적으로 유지합니다.
WS2813의 각 픽셀은 최대 16,777,216 개의 다른 색상을 표시 할 수 있습니다.각 픽셀에는 256 레벨의 회색이 있으므로 매우 정확한 색상 제어가 가능하기 때문에 가능합니다.이 기능을 사용하면 다양한 색상으로 생생하고 역동적 인 조명 디스플레이를 만들 수 있습니다.
시리즈에서 여러 WS2813 LED를 연결하려면 하나의 데이터 신호 라인 만 있으면됩니다.이는 특히 대규모 프로젝트에서 배선이 적고보다 간단한 설정을 의미합니다.데이터는 각 LED를 체인으로 이동하여 한 줄을 사용하여 모든 LED를 제어 할 수 있습니다.
WS2813은 두 개의 신호 와이어를 사용하여 하나의 신호 와이어가 고장난 경우에도 계속 전송할 수 있습니다.이것은 하나의 픽셀이 실패하더라도 나머지 LED가 계속 작동한다는 것을 의미합니다.이 기능은 단일 실패 지점이 전체 시스템을 중단하지 않기 때문에 프로젝트를보다 신뢰할 수있게합니다.
신호를 높이기 위해 추가 회로가 필요하지 않고 WS2813 LED를 3 미터 이상 간격으로 배치 할 수 있습니다.신호를 강하게 유지하기 위해 추가 구성 요소를 추가 할 필요가 없으므로 조명이 멀리 떨어져 있어야하는 대규모 프로젝트에 좋습니다.
WS2813은 초당 2kHz의 새로 고침 속도를 지원합니다.이 높은 새로 고침 속도로 눈에 띄는 깜박임없이 조명이 부드럽고 빠르게 변경되므로 빠르거나 동적 조명 효과가 필요한 프로젝트에 이상적입니다.
WS2813의 데이터 전송 속도는 최대 800kbps입니다.이 빠른 변속기를 사용하면 조명 설정을 빠르게 업데이트 할 수 있으므로 지연없이 색상과 패턴을 실시간으로 변경할 수 있습니다.
WS2813은 모든 LED에서 안정적인 색상 일관성을 제공하도록 설계되었습니다.이렇게하면 모든 조명이 동시에 동일한 색상을 표시하여 프로젝트에서 균일하고 시각적으로 유쾌한 결과를 제공합니다.
WS2813은 종종 가드 레일 튜브 조명에 사용됩니다.이 유형의 응용 프로그램은 야외 조명, 특히 일관되고 생생한 조명이 필요한 경로 또는 건축 기능을 따라 일반적입니다.내구성과 설정의 용이성으로 인해 이러한 환경에 적합한 선택이됩니다.
WS2813은 포인트 라이트 디스플레이에 이상적이며, 각 LED는 더 큰 디스플레이에서 개별 빛의 지점 역할을합니다.이것은 정확한 색상 제어와 밝기가 중요한 장식 조명, 간판 또는 창의적인 설치에 사용될 수 있습니다.
WS2813은 유연성 및 강성 LED 스트립에서 잘 작동합니다.이 스트립은 주택의 캐비닛 언더 조명에서 상업용 공간의 대규모 설치에 이르기까지 다양한 응용 분야에서 사용할 수 있습니다.WS2813의 신뢰성과 결합 된 스트립의 유연성은 많은 설계 옵션을 제공합니다.
WS2813은 또한 LED 모듈에서 일반적으로 사용되며,이 모듈은 LED 및 필요한 회로를 포함하는 자체 포함 된 단위입니다.이 모듈은 공간이 제한되어 있지만 더 작은 설치 또는 사용자 정의 조명 비품과 같이 여전히 안정적인 조명이 필요한 응용 분야에서 유용합니다.
WS2813은 스테이지 조명 의상에 통합되어 성능 의상에 동적 조명 효과를 추가 할 수 있습니다.풀 컬러 디스플레이와 높은 새로 고침 속도는 공연 중에 색상과 패턴을 빠르게 변경 해야하는 의상에 탁월한 선택이됩니다.
WS2813은 밝고 화려한 조명이 필요한 다양한 혁신적인 가제트 또는 전자 제품에 사용할 수 있습니다.WS2813은 고유 한 가제트를 설계하든 기존 제품에 조명을 추가하든, 컴팩트하고 사용하기 쉬운 패키지의 색상과 밝기를 제어 할 수 있도록 제공합니다.
WS2813과 함께 작업 할 때는 제어 회로와 LED를 모두 지원하는 하나의 전원 공급 장치 만 있으면됩니다.WS2813은 RGB 칩과 제어 회로를 하나로 결합하여 배선을 단순화하도록 설계되었습니다.내장 회로는 신호를 재구성하여 각 픽셀을 통과 할 때 신호 품질이 손실되지 않도록합니다.이것은 조명 시스템을 깜박이거나 잘못 사용하지 않고 올바르게 작동하는 것이 중요합니다.WS2813에는 재설정 또는 파워 드롭 후 조명이 온라인으로 올바르게 다시 등장 할 수 있도록 내장 재설정 회로가 있기 때문에 배선은 더 단순화됩니다.

WS2813을 사용하려면 데이터 전송은 NZR로 알려진 단일 통신 방법을 통해 처리됩니다.픽셀의 첫 전원을 켜면 DIN (데이터 입력) 포트는 컨트롤러로부터 정보를 수신합니다.체인의 첫 번째 픽셀은 초기 24 비트의 데이터를 캡처하여 내부적으로 저장합니다.그런 다음 재 형성 신호를 다음 픽셀로 보냅니다.이 프로세스는 모든 픽셀에 데이터가있을 때까지 계속됩니다.
WS2813의 큰 특징 중 하나는 신호를 자동으로 정리하는 능력입니다.이것은 당신이 함께 체인 된 LED 수에 관계없이 신호가 하나의 픽셀에서 다음 픽셀로 전달 될 때 강하게 유지 될 것임을 의미합니다.픽셀 중 하나에 손상이 발생하면 백업 입력 (BIN)이 자동으로 인수되어 신호가 중단없이 계속되도록합니다.이 설정은 하나의 픽셀이 실패하더라도 조명 프로젝트 기능을 유지합니다.

WS2813과 WS2812B의 가장 큰 차이점은 신호 중단을 처리하는 방법에 있습니다.WS2812B를 사용하면 체인의 LED가 작동이 중지되면 회로가 파손되어 나머지 LED가 작동하지 않습니다.그러나 WS2813은이 문제를 이중 신호 시스템으로 해결합니다.즉, 한 LED가 실패하면 실패가 두 개의 인접 LED에 있지 않은 한 다른 LED가 계속 작동 할 것입니다.이로 인해 WS2813은 더 긴 LED 체인이 필요한 프로젝트에서 작업 할 때보다 안정적인 옵션이됩니다.
WS2813으로 한 LED가 실패하기 때문에 전체 프로젝트 종료에 대해 걱정할 필요가 없습니다.이 시스템은 깨진 픽셀을 우회하도록 설계되었으며, 이는 모든 것을 매끄럽게 유지합니다.WS2812B보다 이러한 개선으로 WS2813은보다 신뢰할 수있는 조명 설정을 찾는 사람들에게 선호되는 선택입니다.

WS2813은 WorldSemi라는 회사에 의해 만들어졌습니다.2007 년부터 시작된 이래로 Worldsemi는 LED 기술에 대한 전문 지식으로 유명해졌습니다.그들은 LED 컨트롤러 및 기타 관련 구성 요소를 포함하여 LED 이상의 다양한 제품을 개발했습니다.신뢰할 수 있고 혁신적인 조명 솔루션에 중점을 두어 시장에서 강력한 플레이어가되었습니다.작은 조명 프로젝트 나 더 큰 무언가를 만들려고하든 WS2813과 같은 Worldsemi의 제품은 쉽고 자신감을 가지고 결과를 달성하는 데 도움이됩니다.
Arduino와 함께 Fastled Library를 사용하여 WS2813 LED 스트립을 제어 할 수 있습니다.라이브러리에서“WS2812”유형을 선택하고 스트립의 데이터 핀을 지정하십시오.LED 스트립의 DIN (데이터 입력) 핀을 Arduino PIN 6에 연결하고 보호를 추가하려면 옵션 470-OHM 저항을 그 사이에 배치하십시오.
WS2813은 250μs의 재설정 시간을 가지므로 WS2812B와 비교하여 낮은 주파수 및 저렴한 마이크로 컨트롤러에서보다 효율적으로 작동 할 수 있습니다.
WS2813 LED는 가드 레일 튜브, 픽셀 디스플레이, 유연하고 강성 스트립, 모듈 식 조명 시스템, 스테이지 조명 및 혁신적인 전자 기기와 같은 응용 분야에서 일반적으로 사용됩니다.
문의를 보내 주시면 즉시 응답하겠습니다.
10월18일에서
10월18일에서
4월18일에서 147757
4월18일에서 111938
4월18일에서 111349
4월18일에서 83721
1월1일에서 79508
1월1일에서 66913
1월1일에서 63055
1월1일에서 63012
1월1일에서 54081
1월1일에서 52131