
그만큼 74LS08 통합 회로에는 4 개의 별도와 게이트가 있으며 각각 2 개의 입력이 있으며 Schottky 트랜지스터를 활용하여 빠른 논리 작업을 용이하게합니다.많은 사람들이 빠른 응답과 효율성으로 인해 혁신을 유발하는 디지털 시스템 용 74LS08을 자주 선택합니다.이 설계는 컴퓨팅 및 통신의 논리 기능을 지원하여 다양한 회로 복잡성에 걸쳐 성능을 최적화 할 수 있습니다.74LS08을 통합하려면 미묘한 계획이 필요합니다.신호 무결성 및 전력 효율과 같은 요소를 고려하여 다른 구성 요소와 잘 맞아야합니다.도전은 종종 이러한 측면을 밝히고, 효과적으로 해결하기 위해 접근 방식을 미세 조정함으로써 이러한 측면을 밝힙니다.74LS08은 속도와 신뢰할 수있는 기능으로 논리 처리를 강화합니다.사려 깊은 통합은 회로 기능을 향상시켜 기술 설계를 구현할 수 있습니다.관련 모델의 통찰력은 결과를 더욱 향상시켜 이러한 기술의 상호 연결성을 보여줍니다.
• 74LS73
• 74LS00
• 74LS02
• 74LS04
• 74LS138
• SN54LS08
• IC 7408
• Hef4081

|
핀 번호 |
설명 |
|
그리고 게이트 1 |
|
|
1 |
게이트 1의 A1-input1 |
|
2 |
게이트 1의 B1-input2 |
|
3 |
GATE1의 Y1 출력 |
|
그리고 게이트 2 |
|
|
4 |
게이트 2의 A2 입력 1 |
|
5 |
게이트 2의 B2 입력 2 |
|
6 |
GATE2의 Y2 출력 |
|
그리고 게이트 3 |
|
|
9 |
게이트 3의 A3-input1 |
|
10 |
게이트 3의 B3-input2 |
|
8 |
GATE3의 Y3 출력 |
|
그리고 게이트 4 |
|
|
12 |
게이트 4의 A4 입력 1 |
|
13 |
게이트 4의 B4 입력 2 |
|
11 |
GATE4의 Y4 출력 |
|
공유 터미널 |
|
|
7 |
Gnd-지면에 연결되었습니다 |
|
14 |
VCC는 전력을 제공하기 위해 양의 전압으로 연결되었습니다
네 개의 게이트 모두 |


Signetics Corp 74LS08의 기술 사양, 속성 및 매개 변수.
|
유형 |
매개 변수 |
|
표면 마운트 |
아니요 |
|
HTS 코드 |
8542.39.00.01 |
|
터미널 형태 |
통로 |
|
공급 전압 |
5V |
|
자격 상태 |
자격이 없습니다 |
|
공급 전압-맥스 (VSUP) |
5.25V |
|
공급 전압 -Min (VSUP) |
4.75V |
|
입력 수 |
2 |
|
전파 지연 (TPD) |
20 ns |
|
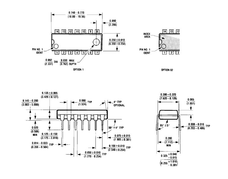
터미널 수 |
14 |
|
터미널 위치 |
이중 |
|
기능 수 |
4 |
|
JESD-30 코드 |
R-PDIP-T14 |
|
작동 온도 (최대) |
70 ° C |
|
온도 등급 |
광고 |
|
가족 |
LS |
|
논리 IC 유형 |
그리고 게이트 |
74LS08은 5V 공급에서 완벽하게 작동하여 최소한의 전력을 끌어냅니다.이 특성은 에너지 절약이 장치 수명 연장의 열쇠 인 배터리 작동 설계에 대한 매력을 향상시킵니다.또한 제한된 전력 추첨은 소형 회로 배열에 유리한 낮은 온도를 유지하는 데 도움이됩니다.
각 게이트는 최대 8mA를 제공하여 다양한 TTL 로직 회로에 적절하게 전원을 공급할 수 있습니다.이 현재 용량은 다양한 디지털 구성 요소와의 호환성을 보장합니다.시스템 설계에서는 불필요한 마모를 피하고 IC의 내구성을 보호하기 위해이 현재 임계 값 내의 각 게이트를 관리하는 것이 좋습니다.
74LS08은 약 18NS의 상승 및 가을 시간을 제시합니다.이러한 타이밍 기능은 고속 용량에 세금을 부과하지 않고 신속한 반응 시간이 필요한 디지털 프로젝트를 수용합니다.이 균형은 다른 부분을 과도하게 부담하지 않고 안정적인 기능을 제공하기 때문에 감사를 얻습니다.
IC는 -65 ° C에서 150 ° C의 저장 온도를 견딜 수있을 정도로 강력합니다.이 광범위한 범위는 다양한 환경에서 보관 및 운송 중 74LS08의 탄력성을 의미하여 손상 위험이 줄어 듭니다.그것은 전 세계 물류에 종사하는 제조업체와 유통 업체에 혜택을 주며 다른 기후의 저장 문제를 완화시킵니다.
74LS08은 디지털 회로 설계의 핵심을 발견하며 종종 복잡한 논리 시스템의 구성 요소 역할을합니다.일관된 신뢰성과 속도는 타이밍 회로, 플립 플롭 및 다양한 로직 게이트 구성과 같은 응용 프로그램에 적합합니다.실제 시나리오 에서이 신뢰할 수있는 성능은 회로 설계 및 실행의 효율성을 향상시킵니다.
서버 환경에서 74LS08은 데이터 흐름을 지시하고 제어 신호를 관리하는 데 역할을합니다.실행 및 논리 운영의 능력은 구성 요소 간의 원활한 처리 및 통신을 촉진하여 무거운 부하 동안 운영 무결성 및 시스템 탄력성을 유지하는 데 역할을 강조합니다.
메모리 아키텍처 내에서 74LS08은 데이터 일관성을 보장하기 위해 액세스를 제어해야합니다.강력한 논리 기능은 읽기/쓰기 작업을 관리하여 메모리 주소 지정 및 데이터 검증을위한 안정적인 기반을 형성합니다.이러한 응용 프로그램은 데이터 무결성 및 시스템 효능을 향상시키는 데 역할을 보여줍니다.
Alus의 영역에서 74LS08은 수학 연산 및 데이터 조작을 실행하는 데 도움이됩니다.빠른 스위칭 기능을 사용하면 효과적인 산술 처리에 기여하는 빠른 로직 작업을 가능하게합니다.이러한 기능은 계산 작업을 최적화하고 처리 속도를 높이는 데 기여합니다.
74LS08은 다양한 전자 회로에서 간단하고 논리 작업에 종종 사용됩니다.Schottky 설계는 스위칭 지연을 최소화하여 빠른 논리 처리가 필요한 고속 응용 프로그램에 적합합니다.이 다양성은 다양한 전자 응용 프로그램에서 적응성을 보여줍니다.
74LS08 IC의 광범위한 응용 프로그램은 현대 기술의 다목적 성을 강조합니다.다양한 시스템에 원활하게 통합함으로써 여러 부문에서 효율적이고 신뢰할 수있는 운영을 용이하게합니다.다양한 설정에서 지속적인 성능은 전자 설계 원칙에 대한 깊은 이해를 반영합니다.

74LS08 IC는 디지털 로직 시스템에서 역할을하며 실행 및 운영에 탁월합니다.여러 게이트를 한 번에 전원으로 전력을 공급할 수있는 능력으로 빠른 응답과 신뢰성이 깊게 공명하는 설정에서는 가치가 있습니다.Schottky Transistor 기술을 사용하여 74LS08은 현대적인 디지털 회로의 핵심 인 신속한 처리를 제공하는 데 빛을 발합니다.Schottky 트랜지스터는 전파 지연을 줄임으로써 향상을 가져옵니다.빠른 운영을 요구하는 시스템은이 설계에서 번성하여 전통적인 논리 게이트의 전형적인 대기 시간을 감소시킵니다.이 신속한 응답은 데이터 처리에 대한 계산 작업에 걸친 응용 프로그램에 호소합니다.
74LS08은 컴퓨팅 및 자동화 부문에서 광범위한 사용을 발견합니다.데이터 라우터 및 신호 처리 장치에 눈에 띄게 등장합니다.많은 사람들이 꾸준한 성능에서 번성하는 회로를 제작할 때이 IC를 선택하여 까다로운 워크로드를 다룰 때에도 효율성을 보장합니다.74LS08을 복잡한 회로에 원활하게 통합하면 다목적 성이 강조됩니다.IC가 과도한 전력을 배출하지 않고 확장을 지원함에 따라 모듈 식 시스템은 실질적으로 얻습니다.이 적응성은 혁신적인 회로 솔루션을 장려하여 기존 구성 요소를 교체 할 필요없이 사양을 쉽게 설계하도록 변경할 수 있습니다.
74LS08을 활용하기위한 잘 고려 된 접근 방식은 열 관리 전략을 고려하는 것입니다.고속 연산과 관련된 열 소산을 고려할 때 장기 신뢰성을 유지하기위한 적절한 냉각 메커니즘을 도입합니다.디자인의 이러한 예측은 성능을 향상시키고 시스템의 수명을 연장하여 회로 지혜와 일치합니다.74LS08과 게이트는 속도와 적응성으로 디지털 로직 디자인으로 구별됩니다.기능을 파악하면 응용 프로그램이 향상되어 수많은 고급 기술 환경에서 선호하는 선택이됩니다.

1961 년에 설립 된이 회사는 통합 회로 혁명의 선구자 인 Signetics로 시작했으며, 흔들리지 않는 혁신 추구에 의해 주도되었습니다.이 대담한 접근 방식은 Philips의 인수를 촉발시켜 역동적 인 성장의 단계를 나타 냈습니다.Philips에 통합하면서 기술적 인 범위를 확대하고 전자 발전의 개척자로서의 입장을 강화하여 새로운 지평을 탐색 할 수있었습니다.이 회사의 기여는 전자 분야의 활기찬 진화를 강조합니다.그들의 혁신적인 보폭은 여러 부문에서 광범위한 영향을 미치며, 미래의 기술이 발전과 짜여진 미래를 나타냅니다.지속적인 향상의 문화를 촉진함으로써, 그들은 변화하는 전자식 환경을 적응할뿐만 아니라 적극적으로 성형합니다.진보에 대한 이러한 지속적인 헌신은 심오한 산업 변화의 촉매제 역할을합니다.NXP 하에서 서명에서 현재 형태로의 전환은 창의성과 탄력성의 특별한 오디세이를 나타냅니다.
74LS08은 디지털 및 로직 게이트 프로세서로 작동하며, 두 개의 입력 상태, 높이 (3-5V) 및 낮은 (0-2.6V)로 작동합니다.디지털 회로 내에서 논리적 연결을 수행하는 데 중요한 역할을하며 계산 작업에서 논리적 작업을 원활하게 수행합니다.디지털 전자 장치의 확고한 존재는 정확한 논리적 결과가 필요한 상황에서 깊은 신뢰성을 보여줍니다.
칩에는 4 개의 2 입력 및 게이트가 있으며, 단일 공급 장치로 구동되며 다양한 기능을 처리하도록 제작되었습니다.이 구조는 다양한 회로 요구에 대한 원활한 적응성을 보장하고 설계를 단순화하고 전력 사용을 줄입니다.하나의 칩 내에 여러 게이트를 포함시키는 것은 통합 장애물을 피하면서 회로 생성을 간소화하는 신중한 전략을 반영합니다.
74LS00 시리즈는 향상된 속도와 정제 효율을 제공하지만 7400 시리즈에 비해 더 낮은 전류 출력을 제공합니다.이 차이는 전력 보존 및 성능이 향상되는 시나리오에서 역할을합니다.이 시리즈 사이의 미묘하지만 의미있는 변형은 독특한 목적으로 적합한 논리 구성 요소를 선택할 때 사려 깊은 고려 사항을 강조합니다.
74LS08은 안정적인 5V 공급 장치와 함께 TTL 로직을 사용하는 반면 74HC08은 CMOS 기술을 사용하여 2V ~ 6V의 전압 범위를 수용합니다.이러한 기술의 차이는 더 넓은 애플리케이션 및 전력 조건을 제공합니다.74HC08에서 CMOS 기술의 유연성은 성능 효율성을 희생하지 않고 운영 다양성이 필요한 상황에서 유용성을 강조합니다.
문의를 보내 주시면 즉시 응답하겠습니다.
10월24일에서
10월24일에서
4월18일에서 147757
4월18일에서 111931
4월18일에서 111349
4월18일에서 83719
1월1일에서 79508
1월1일에서 66883
1월1일에서 63010
1월1일에서 62977
1월1일에서 54081
1월1일에서 52108