
래치는 다른 회로와 달리 시계 신호가 필요하지 않고 하나의 정보를 저장하는 디지털 시스템의 회로 유형입니다.입력 신호를 기반으로 데이터를 약간 안정적으로 유지하므로 디지털 메모리의 주요 부분이됩니다.여러 래치가 함께 작동하면 "4 비트 래치"또는 "8 비트 래치"와 같이 더 많은 비트를 담을 수 있으며, 이는 각각 4 및 8 비트를 저장합니다.래치는 더 복잡한 메모리 시스템을위한 기계적 스위치 및 빌딩 블록으로 인한 오류 방지와 같은 응용 분야에서 유용합니다.두 개의 입력으로 출력을 설정하고 재설정하는 SR 래치와 같은 여러 종류의 래치와 제어 신호를 사용하여 데이터를 보유하는 D 래치와 같은 여러 종류의 래치가 있습니다.올바른 래치를 선택하면해야 할 일과 사용 위치에 따라 다릅니다.
그만큼 74HC573 8 개의 D- 타입 래치를 포함하는 고성능 CMOS 장치이며, 각각 자체 입력 및 3 개 국가 출력이 있습니다.LE (Latch Enable) 및 출력 활성화 (OE) 단자를 사용하여 이러한 래치를 제어 할 수 있으므로 다양한 작업에서 유연성을 제공합니다.이 장치는 일반적으로 데이터 저장 및 처리를위한 컴퓨팅, 정보 교환을 가능하게하기위한 통신 및 산업 제어 시스템에서 사용됩니다.74HC573을 사용할 때 각 래치가 전체 시스템에 어떤 영향을 미치는지 생각하고 고려하십시오.예를 들어, 컴퓨팅의 경우 처리 속도와 스토리지 신뢰성의 균형을 유지해야합니다.커뮤니케이션에서는 74HC573의 아키텍처가 지원하는 원활한 데이터 교환에 중점을 둡니다.산업 환경에서 정밀도는 다양한 조건에서 안정적인 성능을 보장합니다.
CD4099 : CD4099는 고유 한 기능을 갖춘 좋은 대안입니다.표면에서는 비슷해 보이지만 테스트는 전력 사용 및 응답 시간의 차이를 보여줍니다.
SN74AHCT573DWR: SN74AHCT573DWR은 고속 작동으로 유명한 또 다른 적절한 옵션이며 시간에 민감한 작업에 이상적입니다.이 부분을 원본과 비교하면 설계를 향상 시키거나 조정, 속도, 전력 사용 및 열 관리를 향상시킬 수 있습니다.

• OE (출력 활성화)
이 핀은 출력 핀 (Q)이 활성인지 여부를 제어합니다.켜져 있으면 데이터가 Q 핀을 통해 흘러 나올 수 있습니다.이는 여러 장치가 동일한 데이터 라인을 공유하여 데이터 흐름을 관리하는 데 도움이 될 때 유용합니다.
• LE (래치 활성화)
LE PIN은 입력 핀 (D)의 데이터가 래치에 저장 될 때 제어합니다.활성화되면 데이터가 잠겨 핀이 다시 활성화 될 때까지 출력을 안정적으로 유지합니다.이것은 빠른 디지털 시스템에서 데이터를 안정화시키는 데 도움이됩니다.
• D0 ~ D7 (데이터 입력 핀)
이 핀은 이진 데이터가 래치에 들어가서 복잡한 회로에서 정확한 데이터 타이밍을 사용하는 곳입니다.
• Q0 ~ Q7 (데이터 출력 핀)
이 핀은 래치 된 데이터를 출력합니다.그들은 마이크로 프로세서와 같은 데이터가 제 시간에 해제되도록합니다.
• GND (지상 터미널)
이 핀은지면에 연결되어 회로를 안정적으로 유지하는 기준 전압을 제공합니다.
• VCC (공급 전압)
이 핀은 걸쇠가 작동하는 데 필요한 전력을 제공합니다.전압은 장치의 요구 사항과 올바르게 작동하도록 일치해야합니다.
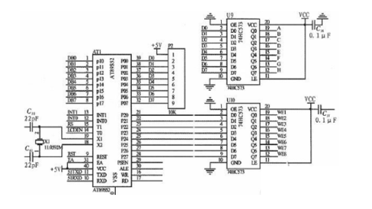
74HC573 래치는 총 8 개의 3 와이어 핀으로 구성되어 있으며 2 개의 별개의 4 비트 포트로 나뉩니다.각 포트에는 자체 입력 및 출력 핀 세트가있어 8 비트 데이터를 효율적으로 처리 할 수 있습니다.주요 기능은 다목적이고 동적 데이터 관리를 촉진하는 양방향 입력 포트입니다.또한 내부 8 비트 메모리는 완전한 8 비트 이진 시퀀스를 효율적으로 저장합니다.
74HC573은 데이터를 신속하게 처리하는 데 적합합니다.TTL 호환 입력을 유발하는 다른 논리 수준과 잘 작동합니다.이 래치는 최대 25MHz의 펄스를 처리 할 수 있으며, 성능이 많은 애플리케이션과 같은 고속 데이터 작업에 효율적입니다.강력한 운전 용량은 안정적인 데이터 전송을 보장합니다.
74HC573은 빠른 데이터 변환에 적합합니다.신호를 빠르게 처리하므로 지연없이 업데이트를받습니다.전기 서지에 대한 내장 보호 기능을 갖추고있어보다 신뢰할 수 있고 중요한 응용 분야에서 더 오래 지속됩니다.
74HC573 래치는 8 개의 D- 타입 투명 래치를 사용하여 데이터 흐름을 제어합니다.작동 방식은 다음과 같습니다.
• 활성화 된 경우 (G High) : 출력 (Q)은 입력 (d)과 직접 일치합니다.
• 비활성화 된 경우 (G LOW) : 래치는 마지막 입력 값을 "잠그십시오"를 제자리에 고정시킵니다.
이 래치는 활성화 신호가 변경되는 경우에도 데이터를 안정시키는 데 중요합니다.독립적으로 작동하므로 오래된 데이터를 유지하면서 새 데이터를 캡처 할 수 있습니다.이를 처음 사용하는 경우 "G"라는 레이블이 지정된 enable 입력이라는 제어 신호에 따라 데이터를 즉시 통과하거나 보유 할 수있는 작은 메모리 장치로 생각하십시오.활성화 신호가 높을 때 (g 높음), 래치는 "투명"이므로 입력 (d)에 존재하는 모든 데이터가 열린 게이트와 같이 지연없이 출력 (Q)에 직접 전달할 수 있습니다.그러나 활성화 신호가 낮 으면 (G가 낮음) 게이트가 닫히고 래치는 새로운 데이터 전달을 중지합니다.대신, 게이트가 닫히기 전에 입력 한 마지막 데이터 조각을 고정하고 보유하여 활성화 신호가 다시 높아질 때까지 해당 출력을 유지합니다.입력 데이터가 변경 되더라도 활성화 신호가 낮은 한 출력은 안정적으로 유지되어 데이터 무결성을 보장하고 시스템이 정보를 안정적으로 처리하거나 저장할 수 있습니다.
먼저 입력 핀 (D0-D7)을 CPU 또는 컨트롤러의 출력 핀에 단단히 연결하십시오.이러한 연결은 데이터 흐름이 필요하므로 짧은 고품질 케이블을 사용하여 신호 손실을 방지하십시오.그런 다음 출력 핀 (Q0-Q7)을 보조 장치에 연결하십시오.출력 활성화 (OE) 핀을 활성화 할 때까지 데이터는 안정적으로 유지되며 필요할 때 정확히 데이터를 전송할 수 있습니다.
CPU는 입력 (D0-D7)에 데이터를 작성하여 충전 한 다음 출력 활성화 (OE) 및 LATC (Latch Enable)를 조작하여 데이터 흐름을 제어합니다.이를 통해 정확한 래칭 및 적시 전송을 보장합니다.OE 핀은 래치 된 데이터가 출력 핀에서 볼 수 있는지 여부를 제어합니다.낮은 경우, 데이터는 Q0-Q7에 존재하지만, 높은 경우 출력은 고 임시 상태로 들어가 래치를 효과적으로 분리합니다.다른 한편으로, LE 핀은 입력 데이터가 래치 될 때를 결정합니다. 높은 경우 입력 데이터가 지속적으로 래치되어 D0-D7의 상태를 반영하고, 낮은 경우 래치는 마지막 입력 데이터를 유지합니다.안정적인 출력을 제공합니다.
여러 주변 장치와 관련된 고급 데이터 작업의 경우 다수의 74HC573 칩을 계단식으로 만들 수 있습니다.충돌을 피하고 원활한 데이터 교환을 보장하기 위해서는 각 칩의 활성화 및 제어 신호의 정확한 타이밍이 필요합니다.효과적인 제어 신호 계획은 계단식 칩에 걸친 신호 무결성을지지합니다.
저항 및 커패시터는 노이즈를 필터링하고 전원 공급 장치 라인을 안정화하며 데이터 흐름을 방해 할 수있는 신호 반사를 최소화합니다.CPU 및 주변 장치에 74HC573 래치의 면밀한 배치는 신호 지연 및 간섭을 최소화하여 전송 속도와 신뢰성을 모두 향상시킵니다.PCB 설계에서 지상 비행기와 차폐 트레이스를 사용하면 신호 무결성을 강화하여 부드럽고 효율적인 데이터 처리를 보장합니다.
새로운 데이터를 수용하기 전에 74HC573 래치에서 현재 데이터를 지우십시오.초기화 단계에서 재설정 루틴을 구현하여 데이터 정확도를 유지하십시오.신중하게 처리, 정확한 구성 및 신호 품질 및 레이아웃에 대한주의를 기울이면 데이터 전송 및 스토리지 작업에서 피크 성능을 얻을 수 있습니다.

74HC245는 비동기 통신을 위해 설계된 3 개 국가 출력을 갖춘 인기있는 8 비트 트랜시버입니다.종종 두 버스 간의 양방향 데이터 흐름을 관리하는 데 사용됩니다.장치에는 방향 제어 기능이있어 데이터가 양방향으로 유연하게 움직일 수 있습니다.반면에 74HC573은 3 개 국가 출력을 갖는 옥탈 D- 타입 투명 래치이다.임시 데이터 저장 및 필요할 때까지 정보를 유지하는 데 사용됩니다.래치 기능은 비동기 신호를 처리 할 때 꾸준한 데이터 흐름을 제공합니다.
74HC245는 방향 제어를 제공하여 버스간에 데이터 전송을 효율적으로 관리하는 데 탁월합니다.반면 74HC573은 데이터를 래치 할 수있는 안정적인 수단을 제공하여 시스템이 사용이 필요할 때까지 보관합니다.데이터 스토리지에 대한 뚜렷한 초점은 74HC573이 데이터 연속성이 우선 순위 인 애플리케이션에 적합합니다.74HC245는 양방향 기능을 갖춘 동적 데이터 처리 방식을 소개합니다.처리 중에 데이터 무결성을 유지할 때 내구성을 제공하는 74HC573과 달리 74HC245는 운영 역학의 유연성에 의존합니다.
74HC573을 회로 설계에서 74HC245로 교체 할 때는 차이점을 기록하는 것이 중요합니다.74HC245의 양방향 데이터 제어는 74HC573의 일부 기능을 다룰 수 있습니다.그러나 74HC245에는 래칭 기능이 없기 때문에 추가 구성 요소없이 데이터 자체적으로 데이터를 안정적으로 유지할 수 없습니다.이는 74HC573을 74HC245로 대체하면 회로의 데이터를 지속적으로 유지하는 능력에 영향을 줄 수 있습니다.반면, 버스 간의 빠른 데이터 교환과 원활한 통신에 중점을 둔 경우 74HC245가 더 나은 선택 일 수있어 시스템의 대응 성을 향상시킬 수 있습니다.
74HC573은 3-State 출력을 갖춘 8 비트 D- 타입 투명 래치이며, 래치 활성화 (LE) 및 출력 활성화 (OE) 입력을 특징으로합니다.LE가 높으면 입력의 데이터가 래치에 들어갑니다.중간 데이터 저장 및 준비가 필요한 시나리오에서 중요한 역할을 수행하여 규제되고 효율적인 데이터 버스 활동을 보장합니다.이 구성 요소는 일반적으로 버퍼링 데이터 및 주소 버스를 위해 마이크로 컨트롤러 시스템에 사용됩니다.
74HC573은 높은 LE 출력에 의해 활성화 된 옥탈 D- 타입 투명 래치이다.한편, 74HC574는 LE 출력의 양의 가장자리에 의해 활성화 된 옥탈 D- 타입 플립 플롭이다.74HC573은 실시간 데이터 통과를 허용하는 반면 LE는 높고 필요에 따라 정보의 흐름을 용이하게합니다.74HC574는 LE 전환시 데이터를 캡처하고 보유하여 클록 후주기 후 안정적인 데이터 보유를 보장합니다.이 기능은 동기화 된 데이터 전송 응용 프로그램에 유리합니다.
74HC573의 일반적인 전원 공급 장치 전압 범위는 2.0V에서 6.0V입니다.이 변동성은 상당한 유연성을 제공하여 전원 공급 장치 조정이 최소화 된 다양한 시스템에 74HC573을 통합 할 수 있습니다.이러한 적응성은 다양한 회로 설계에서 전력 효율을 최적화하는 데 유리한 것으로 나타 났으며, 이는 전력에 민감한 애플리케이션에 선호되는 선택입니다.
74HC573은 디지털 전자 회로에 8 비트의 데이터를 저장하고 출력 할 수있는 3-State 출력을 갖는 옥탈 투명한 래치 역할을합니다.중개 데이터 홀더로서의 역할은 다른 구성 요소 간의 데이터 흐름을 관리하는 데 탁월합니다.이 기능은 데이터 가용성 및 지연 관리에 대한 정확한 제어를 요구하는 응용 프로그램에서 광범위하게 활용됩니다.래치는 데이터 정확도와 시스템 안정성을 보장하는 데 도움이됩니다.
문의를 보내 주시면 즉시 응답하겠습니다.
9월24일에서
9월24일에서
4월18일에서 147768
4월18일에서 111996
4월18일에서 111351
4월18일에서 83762
1월1일에서 79555
1월1일에서 66956
1월1일에서 63098
1월1일에서 63029
1월1일에서 54095
1월1일에서 52176