



Megaavr® 0 시리즈의 저명한 멤버로서 ATMEGA4809는 최대 20MHz의 주파수에서 작동 할 수있는 하드웨어 멀티 플라이어와 함께 AVR® 프로세서를 통합하여 두드러집니다.이 마이크로 컨트롤러는 28 ~ 48 핀 패키지 내에서 최대 48KB 플래시 메모리, 6KB SRAM 및 256 바이트의 EEPROM을 특징으로하는 다양한 구성으로 제공됩니다.이 디자인은 이벤트 시스템, 몽유병, 정확한 아날로그 기능 및 최신 주변 장치와 같은 정교한 기능을 통합하여 Microchip의 최신 혁신을 반영하는 유연한 저전력 아키텍처를 중심으로합니다.
• AVR 프로세서 및 하드웨어 승수: 하드웨어 승수로 보완 된 AVR® 프로세서가 장착 된 ATMEGA4809는 주목할만한 계산 효율성 및 성능을 제공합니다.최대 20MHz의 속도로 실행되는이 듀오는 복잡한 수학 작업의 실행 속도를 향상시킵니다.이러한 기능은 높은 정밀도 및 빠른 처리를 요구하는 응용 프로그램에 마이크로 컨트롤러를 적합하게 만듭니다.이 디자인은 전력 소비와 성능 사이의 균형을 맞추기 위해 노력하는 사람들에게 호소하며 다양한 기술적 요구에 조화를 이룹니다.
•메모리 구성: 유연한 메모리 옵션을 사용하여 ATMEGA4809는 최대 48KB 플래시 메모리, 6KB SRAM 및 256 바이트 EEPROM의 구성을 제공합니다.이 적응성은 최소한의 메모리가 필요한 간단한 작업에서부터 상당한 스토리지가 필요한보다 복잡한 응용 프로그램에 이르기까지 광범위한 응용 프로그램 요구를 충족시킵니다.실제 시나리오는 균형 잡힌 메모리 설정이 시스템 성능과 응답 성을 크게 향상시킬 수 있음을 보여줍니다.
• 이벤트 시스템: ATMEGA4809의 이벤트 시스템을 통해 직접 주변 장치-기간 통신 통신을 허용하여 CPU 개입이 필요하지 않습니다.이 기능은 최소한의 CPU 모닝 업으로 작업을 완료 할 수 있도록하여 전력 소비를 낮추고 효율성을 높입니다.CPU 부하를 줄임으로써 휴대용 장치의 배터리 수명을 연장하고 전반적인 시스템 효율성을 향상시킵니다.이 설계 철학은 성능 및 에너지 절약의 조화를 강조하며, 에너지 사용의 우선 순위를 정하는 응용 프로그램과 공명합니다.
• 몽유병 기술: 몽유병 기술을 통해 주변 장치는 독립적으로 작동 할 수 있고 CPU는 저전력 수면 모드로 유지됩니다.이 기능은 최소한의 전력 추첨으로 주요 작업을 실행하여 장치의 수명 및 운영 효율성을 최적화합니다.다양한 구현의 경험은 에너지 효율이 주요한 응용 분야에서 이러한 전력 절약 기술의 중요성을 강조합니다.
ATMEGA4809는 아날로그-디지털 변환기 (ADC), DAC (Digital-to-Analog Converter) 및 비교기를 특징으로하는 정확한 아날로그 기능을 자랑합니다.이 아날로그 주변 장치는 센서 데이터 수집, 오디오 신호 처리 및 정확한 아날로그 측정이 필요한 기타 시나리오와 관련된 응용 분야에 사용되는 정확한 아날로그 신호 처리를 제공합니다.실제 용도는 높은 아날로그 정확도를 유지하는 것이 신뢰할 수 있고 일관된 시스템 성능을 달성하기위한 기본임을 자주 보여줍니다.
고급 주변 장치가 부여 된 ATMEGA4809는 다양한 애플리케이션을 지원합니다.이 주변 장치는 통신 프로토콜, 타이머 및 펄스 폭 변조 (PWM)를위한 인터페이스로 마이크로 컨트롤러 기능을 확장합니다.이러한 포괄적 인 주변 장치 세트를 통해 ATMEGA4809는 다양하고 복잡한 디자인에 적응하여 유연성과 확장 성을 통해 혁신적인 솔루션을 촉진 할 수 있습니다.
Microchip 기술의 기술 사양 테이블은 다음과 같습니다. ATMEGA4809-AFR.
|
유형 |
매개 변수 |
|
공장
리드 타임 |
13
주 |
|
설치
유형 |
표면
산 |
|
패키지
/ 사례 |
48-TQFP
노출 된 패드 |
|
표면
산 |
예 |
|
데이터
변환기 |
a/d
16x10b |
|
숫자
I/O의 |
41 |
|
집시 남자
(단어) |
24,576 |
|
운영
온도 |
-40 ° C
125 ° C ta |
|
포장 |
줄자
& 릴 (TR) |
|
시리즈 |
megaavr®
0 |
|
부분
상태 |
활동적인 |
|
수분
민감도 수준 (MSL) |
3
(168 시간) |
|
숫자
종료의 |
48 |
|
HTS
암호 |
8542.31.00.01 |
|
단말기
위치 |
쿼드 |
|
단말기
형태 |
gullwing |
|
공급
전압 |
3V |
|
단말기
정점 |
0.5mm |
|
베이스
부품 번호 |
ATMEGA4809 |
|
JESD-30
암호 |
S-PQFP-G48 |
|
공급
전압-맥스 (VSUP) |
5.5V |
|
공급
전압 -Min (VSUP) |
1.8V |
|
발진기
유형 |
내부 |
|
속도 |
20MHz |
|
숫양
크기 |
6k x
8 |
|
전압
- 공급 (VCC/VDD) |
1.8V
5.5V까지 |
|
UPS/UCS/주변
ICS 유형 |
마이크로 컨트롤러,
RISC |
|
핵심
프로세서 |
AVR |
|
주변 장치 |
브라운 아웃
감지/재설정, POR, PWM, WDT |
|
시계
빈도 |
20MHz |
|
프로그램
메모리 유형 |
플래시 |
|
핵심
크기 |
8 비트 |
|
프로그램
메모리 크기 |
48KB
(48k x 8) |
|
연결성 |
i2c,
SPI, UART/USART |
|
조금
크기 |
16 |
|
가지다
ADC |
예 |
|
DMA
채널 |
아니요 |
|
PWM
채널 |
아니요 |
|
DAC
채널 |
아니요 |
|
eeprom
크기 |
256
x 8 |
|
온칩
프로그램 ROM 폭 |
16 |
|
경계
주사 |
아니요 |
|
체재 |
고정점 |
|
통합
은닉처 |
아니요 |
|
숫양
(단어) |
512 |
|
숫자
직렬 I/O의 |
4 |
|
숫자
타이머의 |
5 |
|
숫자
외부 인터럽트 |
41 |
|
온칩
데이터 RAM 폭 |
16 |
|
길이 |
7mm |
|
키
좌석 (최대) |
1.2mm |
|
너비 |
7mm |
|
로스
상태 |
ROHS3
준수 |

ATMEGA4809는 산술 작업을 엄청나게 가속화하는 고성능 하드웨어 승수를 자랑합니다.이는 집중적 인 수학적 처리와 관련된 응용 분야에서 유리하여 컴퓨팅 효율성을 향상시킵니다.하드웨어 승수가 처리 시간을 크게 줄여 시스템 성능을 최적화 할 수있는 암호화, 신호 처리 및 실제 데이터 분석이 그 예입니다.
마이크로 컨트롤러는 세 가지 수면 모드를 지원합니다.
• 유휴 모드 : CPU 활동을 유지하면서 주변 장치로의 전력을 줄이면서 빠른 응답 시간이 필요한 시나리오에 이상적입니다.
• 대기 모드 : CPU를 중단하고 유용한 운영 상태를 유지하여주기적인 활동을 갖는 응용 프로그램에 적합하여 더 많은 에너지를 보존합니다.
• 전력 다운 모드 : 산발적 인 사용량이있는 배터리 구동 장치에 적합한 모든 활동을 중지하여 최대 전력 절약을 제공합니다.
주목할만한 속성은 이벤트 시스템으로, 주변 장치가 CPU 참여없이 직접 상호 작용할 수 있습니다.이는 주변 장치 조정을 오프로드하여 대기 시간을 줄이고 전체 시스템 응답 성을 강화합니다.이러한 메커니즘은 타이밍과 정밀도가 활성화되는 실제 제어 시스템에서 매우 중요합니다.직접 메모리 액세스 기술과 유사한 이벤트 시스템의 아키텍처는 CPU 병목 현상을 최소화하여 효율성을 향상시킵니다.
통합 Watchdog 타이머는 운영 딸꾹질을 모니터링하고 복구하여 시스템 신뢰성을 강화합니다.WDT는 비 응답 성을 감지 할 때 마이크로 컨트롤러를 재설정하여 시스템 충돌을 피하는 데 실패 메커니즘으로 작용합니다.이 신뢰성 계층은 주로 산업 제어 시스템 및 소비자 전자 제품에 사용되므로 보안 및 안정성이 향상됩니다.
안전한 스타트 업 및 안정적인 운영을 위해 ATMEGA4809에는 포함됩니다.
• POR (Power-ON RESET) : 전원 복원시 마이크로 컨트롤러를 시작하여 일관된 시작 상태를 보장합니다.
• 브라운 아웃 감지 (BOD) : 장치 안정성을 손상시킬 수있는 전압 변동을 방지하여 전압이 설정 임계 값 아래로 떨어지면 시스템을 자동으로 재설정합니다.
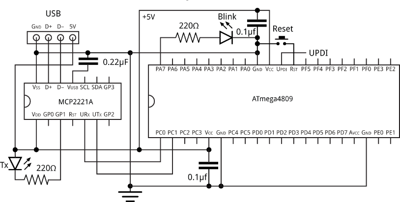
단일 핀 통합 프로그램 디버그 인터페이스 (UPDI)는 개발 및 디버깅 프로세스를 크게 완화시킵니다.이 인터페이스는 일반적으로 마이크로 컨트롤러 프로그래밍 및 디버깅과 관련된 물리적 및 절차 적 복잡성을 감소시켜 개발자 생산성을 향상시킵니다.Updi의 단순성은 대부분 반복적 인 개발주기에서 유익하며, 빠른 테스트 및 디버깅은시기 적절한 프로젝트 완료를 위해 주요한 것입니다.
본질적으로 ATMEGA4809의 속성은 소비자 전자 제품 및 산업 자동화를 포함한 다양한 애플리케이션에 적합한 다양한 플랫폼을 제공합니다.고급 전력 관리, 빠른 계산 기능 및 강력한 신뢰성 기능을 통합함으로써 고성능 신뢰할 수있는 시스템을 개발하기위한 강력한 기반을 제공합니다.

둘 다 ATMEGA4809 그리고 ATMEGA328 비슷한 수준의 성능을 제공합니다.Arduino 보드에서 일반적으로 발견되는 Atmega328은 전력 효율성으로 두드러집니다.이 마이크로 컨트롤러는 Atmel의 Picopower 기술을 통합하여 성능을 희생하지 않고 더 낮은 전력 소비를 가능하게합니다.
ATMEGA4809는 아키텍처를보다 면밀히 검토하면 ATMEGA328에 대한 특정 향상을 제공합니다.ATMEGA4809는 유연한 주변 장치 구성 시스템을 제공합니다.이 유연성은 더 나은 전체 시스템 성능을 제공합니다.이 시스템은 특히 여러 센서 또는 주변 장치가 포함 된 응용 분야에서 더 적응력이 뛰어납니다.
프로그래밍 및 개발 측면에서 ATMEGA328과 ATMEGA4809의 후진 호환성은 유리합니다.이 호환성은 원래 ATMEGA328 용으로 설계된 기존 프로젝트의 마이그레이션 프로세스를 단순화합니다.ATMEGA4809에서 지원하는 고급 디버깅 도구는 복잡한 프로젝트에서 매우 유익 할 수 있으므로 초기 문제 식별 및 해결이 가능합니다.
전력 소비 차이는 실제 응용 분야에서 대부분 분명해집니다.배터리 구동 장치의 경우 ATMEGA328의 Picopower 기능은 충전 사이의 운영 기간을 연장 할 수 있습니다.ATMEGA4809의 고급 전력 절약 기능은 에너지 사용을 더욱 최적화 할 수 있으며, 특히 초 저전력 애플리케이션에 유리합니다.
미래 방지를 고려할 때 ATMEGA4809의 많은 향상된 기능은보다 다재다능한 옵션이됩니다.주변 장치에 대한 광범위한 지원과 개선 된 메모리 관리는 복잡하고 진화하는 응용 분야에서 활성화됩니다.이러한 기능은 미래의 혁신 및 확장을위한 강력한 기반을 제공하므로 업그레이드 계획에 이상적입니다.


애리조나 주 챈들러에 본사를 둔 Microchip Technology Inc.는 광범위한 마이크로 컨트롤러 및 아날로그 반도체를 제공하는 데 탁월합니다.이 회사는 개발 위험을 줄이고 시스템 비용을 줄이며 시장 마켓까지의 속도를 높이는 것으로 유명합니다.Microchip은 고품질 지원과 신뢰할 수있는 제품을 통해 업계에서 리더십을 확고히 설립했습니다.
ATMEGA4809는 고급 기능과 적응 가능한 아키텍처로 인해 마이크로 칩의 오퍼링 중에서 눈에 띄기 때문에 강력하고 효율적인 솔루션이 필요한 다양한 응용 프로그램에 적합합니다.이 마이크로 컨트롤러는 광범위한 기능을 지원하여 다양한 시스템에 쉽게 통합됩니다.
ATMEGA4809는 8 비트 AVR® 프로세서를 사용하는 정교한 마이크로 컨트롤러입니다.이 고급 하드웨어는 통합 승수와 함께 제공되며 최대 20MHz의 속도로 작동합니다.그것은 상당한 48kb의 플래시 메모리, 6kb의 SRAM을 제공하며 48 핀 패키지 내에 깔끔하게 보관 된 256 바이트의 eeprom을 포함합니다.강력한 디자인으로 다양한 복잡한 응용 프로그램과 명령을 제공합니다.
Microchip 기술 ATMEGA4809 8 비트 마이크로 컨트롤러는 고도로 반응 형 명령 및 제어 응용 프로그램을 최적화 할 계획입니다.실제 제어 시스템의 기능을 크게 향상시킵니다.다목적 특성을 통해 포괄적 인 마이크로 프로세서 기반 아키텍처 또는 명령 및 제어 프레임 워크 내 독립 프로세서로 활용할 수 있습니다.이 마이크로 컨트롤러를 사용하면 다양한 프로젝트의 성능을 높일 수 있습니다.
ATMEGA4809는 실제 시스템의 속도 및 효율에 대한 요구 사항이 증가하는 것을 해결합니다.하드웨어 승수와 높은 작동 주파수 (최대 20MHz)는 빠른 처리 및 빠른 응답 시간을 가능하게합니다.이러한 혜택은 로봇 공학 및 자동화 시스템과 같은 즉각적인 피드백과 정확한 제어가 필요한 응용 프로그램에 이익이됩니다.ATMEGA4809를 통합하면 실제 애플리케이션의 까다로운 요구를 충족 할 수 있습니다.
실제로 ATMEGA4809에는 유용성을 강화하는 수많은 주변 특징이 장착되어 있습니다.여기에는 UART, SPI 및 I2C와 같은 여러 통신 인터페이스가 포함되어 있으며 다른 디지털 장치와의 원활한 통합을 용이하게합니다.또한 ADC 및 DAC를 포함한 강력한 아날로그 기능을 자랑하여 센서 인터페이스 및 아날로그 신호 처리에 매우 적합합니다.이러한 기능은 ATMEGA4809를 광범위한 디지털 및 아날로그 작업을위한 다양한 도구로 만듭니다.
클래스의 다른 마이크로 컨트롤러와 비교할 때 ATMEGA4809는 메모리 용량, 처리 속도 및 주변 통합의 균형 조합으로 인해 두드러집니다.효율적인 전력 관리 기능으로 보완 된 8 비트 아키텍처는 전력 소비가 심각한 요소 인 응용 프로그램에 최적의 선택입니다.이 균형은 효율성을 손상시키지 않고 신뢰할 수있는 성능을 제공합니다.
ATMEGA4809는 교육 목적을위한 훌륭한 플랫폼 역할을합니다.간단한 아키텍처와 포괄적 인 문서는 학습 및 실험에 적합합니다.이 마이크로 컨트롤러에 참여하면 실제 시스템 설계뿐만 아니라 임베디드 시스템 개발, 명령 및 제어 로직에 대한 귀중한 통찰력을 얻을 수 있습니다.ATMEGA4809는 탐색하고 혁신 할 수있는 실습 환경을 만듭니다.
문의를 보내 주시면 즉시 응답하겠습니다.
10월11일에서
10월11일에서
4월18일에서 147764
4월18일에서 111984
4월18일에서 111351
4월18일에서 83748
1월1일에서 79538
1월1일에서 66949
1월1일에서 63087
1월1일에서 63028
1월1일에서 54092
1월1일에서 52172