

|
OP16 핀 번호 |
ESSOP10 핀 번호 |
QFN16 핀 번호 |
핀 이름 |
핀 유형 |
핀 설명 |
|
16 |
4 |
3 |
VDD5 |
힘 |
전원 조절기의 전원 공급 전압 입력
외부 디퍼 커플 링 커패시터가 필요합니다 |
|
15 |
7 |
1 |
vio |
힘 |
I/O 포트 전원 입력에는 외부 디커플링이 필요합니다
콘덴서 |
|
1 |
3,0 |
2,0 |
Gnd |
힘 |
지면 |
|
4 |
10 |
6 |
v3 |
힘 |
내부 전력 조절기 출력;코어 및 USB 전원 입력
vdd5 <3.6v 일 때 vdd5에 연결하고 커패시터에 연결하면 Capacitor에 연결하십시오.
vdd5> 3.6v |
|
5 |
1 |
7 |
UD+ |
USB |
외부 저항이없는 USB D+ 신호에 직접 연결하십시오 |
|
6 |
2 |
8 |
...의 뜻 |
USB |
외부 저항이없는 USB D- 신호에 직접 연결하십시오 |
|
7 |
없음 |
9 |
vbus |
안에 |
USB 버스의 VBUS 상태 감지 입력, 통합
풀다운 저항 |
|
2 |
8 |
4 |
TXD |
밖으로 |
비동기 데이터 출력을 전송하면 유휴 상태가 높습니다
수준 |
|
3 |
9 |
5 |
RXD |
안에 |
비동기 데이터 입력, 통합 풀업을받습니다
저항기 |
|
13 |
15 |
CTS |
안에 |
모뎀 입력 신호는 전송이 명확하고 활성 낮은 낮음 |
|
|
6 |
CTS 또는 DTR |
기본 입력, 자동으로 출력으로 전환하십시오 |
기본값은 모뎀 입력 신호입니다.
컴퓨터 소프트웨어가 DTR을 유효하게 설정하면 자동으로 모뎀으로 전환됩니다.
출력 신호, 데이터 터미널 준비, 활성 낮음 |
||
|
12 |
없음 |
14 |
DSR |
안에 |
모뎀 입력 신호, 데이터 세트 준비, 활성 낮음 |
|
14 |
없음 |
16 |
리 |
안에 |
모뎀 입력 신호, 링 표시기, 활성 낮음 |
|
9 |
없음 |
11 |
DCD |
안에 |
모뎀 입력 신호, 데이터 캐리어 감지, 활성 낮음 |
|
10 |
없음 |
12 |
dtr/tnow |
밖으로 |
모뎀 출력 신호, 데이터 터미널 준비, 활성 낮음.만약에
전원 온도에서 외부 풀다운 저항이 감지되며
진행중인 직렬 포트에 대한 상태 표시, 활성 높음 |
|
11 |
5 |
13 |
RTS |
밖으로 |
모뎀 출력 신호, 전송 요청, 활성 낮음 |
|
8 |
없음 |
10 |
행동# |
밖으로 |
USB 구성 완료 상태 출력, 활성 낮음.만약에
전원을 켜는 동안 외부 풀다운 저항이 감지됩니다.
커뮤니케이션 보드 속도 적응 모드.소프트웨어는이 모드를 사용할 수도 있습니다 |
|
특징 |
설명 |
|
I/O 독립 전원 공급 장치 |
5V, 3.3V, 2.5V 및 1.8V 전원 공급 장치를 지원합니다. |
|
통합 재설정 및 시계 |
통합 전원 재설정 및 12MHz 시계;외부가 없습니다
결정이 필요합니다. |
|
통합 된 eeprom |
Chip Vid, PID, 최대 전류 값, 공급 업체를 구성합니다
및 제품 정보 문자열 등 |
|
독특한 ID |
칩에는 통합 고유 ID (USB Serial)가 포함되어 있습니다
숫자). |
|
USB 호환성 |
USB 2.0과 호환되는 전속 USB 장치 인터페이스. |
|
내장 펌웨어 |
원본 업그레이드를위한 표준 UART 인터페이스를 에뮬레이트합니다
연속 주변 장치 또는 USB를 통해 추가 UART를 추가합니다. |
|
응용 프로그램 호환성 |
원래 직렬 응용 프로그램과 완전히 호환됩니다
수정없이. |
|
운전자 지원 |
내장 CDC 드라이버 또는 다기능으로 OS를 지원합니다
설치없이 고속 VCP 공급 업체 드라이버. |
|
직렬 UART 인터페이스 |
독립적 인 하드웨어 전체 이중 인터페이스
전송 수용 버퍼;커뮤니케이션 보드 요금을 50bps로 지원합니다
6Mbps. |
|
동적 보드 속도 적응 |
일반적인 보드 요금에 자동으로 식별하고 조정합니다
115200bps 이하. |
|
데이터 및 패리티 옵션
|
5, 6, 7 또는 8 데이터 비트를 지원합니다.홀수를 지원합니다.
공간, 마크 및 패리티가 없습니다. |
|
모뎀 인터페이스 신호 |
RTS, DTR, DCD, RI, DSR 및 CTS 신호를 지원합니다. |
|
흐름 제어 |
CTS 및 RTS 하드웨어 자동 흐름 제어를 지원합니다. |
|
반이중 지원 |
RS485 스위칭에 대한 상태 TNOW를 포함합니다. |
|
RS232 지원 |
외부 전압을 통해 RS232 인터페이스를 지원합니다
변환 칩. |
|
전원 공급 장치 옵션 |
USB 포트 5V 및 3.3V 전원 공급 장치를 지원합니다. |
|
패키지 및 규정 준수 |
ROHS 준수, SOP-16, ESSOP-10 및 QFN16에서 사용할 수 있습니다
무연 패키지. |
CH343 WCH.CN이 독점적으로 제작 한 전자 제품 세계에서 활발한 구성 요소로 눈에 띄며 생산 공정에서 높은 표준을 유지하는 데 흔들리지 않는 헌신을 보여줍니다.이 단수 제조 경로는 여러 제조업체가 품질 또는 신뢰성의 불일치와 같은 동일한 구성 요소를 생산할 때 종종 발생하는 합병증을 피하기 때문에 고품질 일관성이 육성되는 독특한 시나리오를 제공합니다.전자 장치에서, 이와 같은 구성 요소의 예측 가능하고 신뢰할 수있는 특성은 혁신을 위해 익은 환경을 조성합니다.
전체 생산이 하나의 엔티티가 숄더를 유지하면 강력한 품질 관리 시스템을 시행하는 것이 더욱 간단 해집니다.WCH.CN은 지속적인 모니터링 및 향상 전략을 적용하여 각 CH343 조각이 업계에 설립 된 엄격한 표준과 일치 할 수 있도록합니다.이 집중된 접근 방식은 결함이 감소하여 통합 품질 관리의 장점을 강조합니다.여러 회사가 유사한 항목을 생산하는 시나리오에서 다양한 부문에서 입증 된 것처럼 품질의 변동은 드문 일이 아닙니다.

|
패키지 |
핀 피치 (MM) |
핀 피치 (MIL) |
부품 표시 |
|
SOP16 |
1.27mm |
50mil |
CH343G |
|
ESSOP10 |
1.00mm |
39mil |
CH343K |
|
QFN16-3X3 |
0.5mm |
19.7mil |
CH343P |
CH343 통합 회로의 대체물을 탐색 할 때 다양한 통신 요구를 충족시키기 위해 다양한 옵션을 사용할 수 있습니다.각 대안은 특정 프로젝트 요구 사항에 비추어 신중하게 고려해야하는 고유 한 기능과 이점을 제공합니다.
• CH340
• MA112AS16
• FT230X
• CP2102
• PL2303341
• CH9102
• MCP2200
• CP2110
• FT232

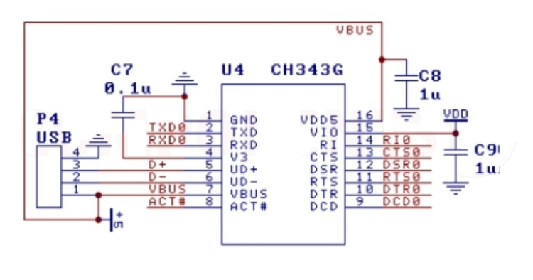
일반적인 CH343 회로에서, USB 라인을 D+ 및 D- 핀에 간단하게 연결하면 원활한 통신 프로세스가 가능합니다.이 레이아웃의 효율성은 차동 신호를 적절하게 관리하는 능력이있어 최적의 데이터 전송을 보장합니다.신뢰성을 보장하기 위해, 차폐 및 접지와 같은 효과적인 기술을 통해 전자기 간섭을 줄이는 데 특별한 고려 사항이 제공되며, 이는 감정에 안정성을 가져다줍니다.
커패시터는 소음 수준을 약화시키면서 부드러운 전력 흐름을 보장하는 데 핵심입니다.이러한 구성 요소는 에너지 매장량으로 사용되며 변동하는 하중 조건에서 안정성을 제공합니다.커패시터는 전압의 갑작스런 변화를 피함으로써 회로 구성 요소를 보호 할뿐만 아니라 CH343 칩셋의 강력한 작동에 크게 기여합니다.회로의 운영 기준과 일치하는 커패시터를 선택하면 설계 단계에서 투자하는 섬세한 균형과 예측이 반영됩니다.
CH343 칩셋과 모든 마이크로 컨트롤러 간의 통신은 TX 및 RX 라인을 통해 수행되므로 정확한 연결이 필요합니다. TX에서 RX와 그 반대도 마찬가지입니다.모든 오정렬은 손상된 데이터 및 잠재적 커뮤니케이션 고장으로 이어질 수 있습니다.설계 단계에서 연결을 확인함으로써이를 예상하면 향후 문제 해결 노력을 상당히 줄일 수 있습니다.또한 다양한 마이크로 컨트롤러 설정에는 고유 한 구성이 필요할 수 있으며, 유연성과 신중한 설계 계획을 강조합니다.
CH343 USB-to-Serial Converter와 관련된 모든 연결을 철저히 검사하여 시작하십시오.부적절한 설정이 효과적인 커뮤니케이션을 방해 할 수 있으므로 연결은 확고하고 올바르게 정렬되어야합니다.또한 충돌하는 전압 레벨이 신호를 방해하고 통신 흐름을 손상시킬 수 있으므로 신호 전압 레벨이 연결된 장치와 정렬되는지 확인하십시오.
데이터 전송 품질에 미치는 영향을 고려하여 USB 케이블의 물리적 상태를 파헤칩니다.손상된 케이블은 안정적인 장치 성능을 약화시키는 불규칙한 연결로 이어질 수 있으므로 마모 또는 손상을 경계적으로 확인하십시오.
선택한 보드 속도 설정이 CH343과 연결된 장치 모두에 필요한 정확한 사양을 반영하는지 확인하십시오.불일치 한 보드 속도 구성은 종종 간과되지만 종종 데이터 전송 문제와 수많은 통신 히치를 트리거합니다.
연결 문제에 직면하면 루프백 테스트를 수행하는 것이 귀중한 접근 방식으로 나타납니다.CH343에서 TX 및 RX 핀을 연결하면 내부 데이터 전송 경로를 평가할 수 있습니다.이 간단한 진단 프로세스는 전송 결함이 발생할 때 잠재적 실패를 CH343으로 분리합니다.
컴퓨터가 장치를 인식하지 못하면 최신 드라이버가 성공적으로 설치되었는지 확인하십시오.장치 관리자에게 오류 메시지가 있는지 확인하여 드라이버 충돌 또는 하드웨어 통신 장벽을 발견 할 수 있습니다.이 절차는 종종 장치 인식을 방해하는 숨겨진 문제를 발견하여 문제에 대한 신속한 해상도를 가져옵니다.
CH343 통합 회로 근처에 USB 포트를 전략적으로 배치하면 효율적인 신호 전송을 보장합니다.이 사려 깊은 레이아웃은 데이터 라인 길이를 단축시키고 잠재적 신호 약화 및 외부 교란을 억제합니다.직접 데이터 라인 라우팅은 대기 시간을 도입하거나 신호 환경을 방해 할 수있는 불필요한 우회를 측정하는 우선권이 있습니다.널리 존경받는 산업 관행을 고수하려면 전자 설계의 성공에 대한 증거입니다.
PCB 설계에서 VIA의 수를 관리하는 것은 신호 무결성과 올바른 임피던스를 보존하는 데 중요한 역할을합니다.각각의 비아는 경미한 지연과 반사를 도입 할 위험이 있으며, 이는 고속 데이터 통신을 방해 할 수 있습니다.최소한의 숫자를 유지하면 신호 무결성이 향상되어 간소화 된 회로 경로가 성능 향상 및 운영 안정성에 기여한다는 지혜를 반영합니다.
CH343의 파워 핀 근처에 필터 커패시터의 배치는 중간 정도의 전압 변화를 돕고 전원 공급 장치를 안정화시킵니다.이 커패시터는 갑작스러운 부하 변화에 대한 버퍼로서 필수 기능을 수행하여 일관된 장치 기능을 촉진합니다.이 원칙은 약간의 전압 이동조차도 장치 안정성에 심각한 영향을 줄 수 있다는 결과에 의해 뒷받침되는 광범위한 응용 프로그램을 즐깁니다.
작고 구성된 방식으로 구성 요소를 배치하면 최적의 신호 무결성을 지원하면서 전자기 간섭을 크게 줄일 수 있습니다.구성 요소 사이의 거리를 감소 시키면 크로스 토크 및 상호 간섭의 위험이 완화됩니다.이 방법은 종종 고속 전자 회로의 일관성을 보존하기위한 역동적 인 관행으로 승인됩니다.
CH343 칩은 마이크로 컨트롤러 프로젝트에 크게 기여하여 장치 간의 상호 작용을 단순화하는 효과적인 통신 채널을 제공합니다.다양한 마이크로 컨트롤러와 연결하는 데있어서의 다양성은 간소화 된 개발을 촉진하여 다양한 응용 분야의 프로토 타이핑 및 배포 단계를 향상시킵니다.데이터 전송 효율성을 향상시키고 일반적인 소프트웨어 리소스와의 조화를 보장함으로써 Chip은 마이크로 컨트롤러 노력의 속도와 정밀도를 향상시킵니다.실제 응용 프로그램에서는이 기능을 활용하여 프로젝트 타임 라인을 압축하여 빠른 진행 상황이 우선 순위가 높은 빠르게 진행되는 프로토 타이핑 설정에서 유리하게 유리합니다.
진단 및 문제 해결에서 CH343은 포괄적 인 솔루션으로 나타납니다.강력한 인터페이스는 불필요한 합병증을 추가하지 않고 전자 시스템 문제의 심층 분석 및 해결을 허용합니다.다양한 디버깅 프로토콜에 걸친 칩의 적응성은 광범위한 적용 가능성을 강조하여 효과적으로 정확하게 문제를 해결하고 문제를 해결할 수있게합니다.현장에서의 경험에 따르면 이러한 적응성은 시스템 신뢰성을 크게 강화시켜 오류를 감지하고 정밀도로 소프트웨어를 최적화 할 수 있기 때문입니다.
산업 제어 프레임 워크 내에서 CH343 칩은 안정적인 통신 라인을 촉진하여 복잡한 프로세스를 관리하고 자동화하는 데 전공됩니다.불리한 조건에서의 탄력성은 상당한 데이터 전송 속도를 처리 할 수있는 능력과 짝을 이루어 산업 환경에 유리한 옵션으로 배치됩니다.이 칩을 산업 프레임 워크에 통합하면 운영 효율성 및 오류 완화의 현저한 향상이 발생할 수 있습니다.이 칩을 자주 사용하여 시스템 견고성과 최적의 성능을 보장하여 까다로운 시나리오에서 운영 일관성을 유지하는 능력을 극대화 할 수 있습니다.
DIY 전자 제품의 영역에서 CH343 칩은 접근성으로 인해 엄청나게 영향을 미쳤습니다.유연성과 접근성을 평가할 수있어 독창적 인 개념을 현실적인 프로토 타입으로 쉽게 바꿀 수 있습니다.다양한 주변 장치를 수용함으로써 프로젝트의 기술적 요구를 지원하는 CH343 덕분에 자신있게 탐색하고 혁신 할 수 있습니다.이 접근성은 실습 기술이 세련되고 독창적 인 아이디어가 생겨나는 탐사 및 교육을위한 공간을 장려합니다.
현재 시스템이 레거시 기술과 교차하는 경우 CH343은 대부분 효과적이므로 이전 장치와 쉽게 통신 할 수 있습니다.이 호환성은 이러한 장치의 지속적인 사용을 보장하며, 날짜의 인프라에 대한 주요 측면입니다.운영 연속성을 유지함으로써 기업은 고가의 업그레이드를 피할 수 있으므로 기존 시스템의 기능이 연장 될 수 있습니다.이 실용적 유연성은 기업이 기술 투자에서 지속적인 가치를 추출하면서 현대적인 솔루션을 원활하게 통합 할 수 있도록합니다.
자동화 및 로봇 공학에는 정밀하고 효과적인 통신 프로토콜이 필요하며 CH343 칩은 매력적인 솔루션을 제공합니다.ADEPT 데이터 관리는 동적 자동화 프레임 워크 및 민첩한 로봇 애플리케이션을 지원합니다.이 기능은 복잡하고 매우 효율적인 자동화 된 환경의 개발을 지원합니다.이러한 시스템에 대한 칩의 기여는 다양한 구성 요소와의 효과적인 통합이 필수 인 자동화의 미래를 조종하는 데있어 역할을 강조합니다.

문의를 보내 주시면 즉시 응답하겠습니다.
12월19일에서
12월19일에서
4월18일에서 147760
4월18일에서 111980
4월18일에서 111351
4월18일에서 83743
1월1일에서 79532
1월1일에서 66944
1월1일에서 63086
1월1일에서 63026
1월1일에서 54092
1월1일에서 52167